Author |
Message |
CHRISKELLY
Joined: Apr 08, 2018 Posts: 103 Location: England
Audio files: 3
|
Posted: Sun Apr 08, 2018 6:43 am Post subject:
First post - saying Hi and asking for help |
 |
|
Hi guys
Really pleased I found this sub forum! I’ve just started a cmos based synth project and this looks like a friendly place and hopefully you can help a noob out?
So far i’ve made an Atari Punk Console with a 16 step sequencer by chaining two 4017’s.
I wanted to add a second APC tuned to the same frequency as the first, which plays a sustained note, acting like a drone and is independent of the sequencer. I planned on using a stereo potentiometer so that both Astable oscillators were identical, but I found that even with a separate pot for each, changing one pot affected both
I don’t understand why this happens. Is this because both are effectively in parallel and by changing the voltage across one therefore changes the voltage available to the other?
Cheers guys
Chris |
|
Back to top
|
|
 |
CHRISKELLY
Joined: Apr 08, 2018 Posts: 103 Location: England
Audio files: 3
|
Posted: Sun Apr 08, 2018 6:59 am Post subject:
|
 |
|
Also is there a way to combine two oscillators at the output without them interacting or affecting each other?
When I tried to apply an LFO to my drone it affected the sequencer notes too.
I tried sending each oscillator through its own LM386 and then combining at the output but they still interacted somehow.
Sorry if these are noob questions or aren’t clear
Chris |
|
Back to top
|
|
 |
JovianPyx

Joined: Nov 20, 2007 Posts: 1988 Location: West Red Spot, Jupiter
Audio files: 224
|
Posted: Sun Apr 08, 2018 10:15 am Post subject:
|
 |
|
CHRISKELLY wrote: | Also is there a way to combine two oscillators at the output without them interacting or affecting each other?
When I tried to apply an LFO to my drone it affected the sequencer notes too.
I tried sending each oscillator through its own LM386 and then combining at the output but they still interacted somehow.
Sorry if these are noob questions or aren’t clear
Chris |
I think you need a circuit called an audio mixer. It will not allow one input to affect other inputs.
Try here: http://www.all-electric.com/schematic/simp_mix.htm
I googled "audio mixer schematic" to find that. _________________ FPGA, dsPIC and Fatman Synth Stuff
Time flies like a banana. Fruit flies when you're having fun. BTW, Do these genes make my ass look fat? corruptio optimi pessima
|
|
Back to top
|
|
 |
CHRISKELLY
Joined: Apr 08, 2018 Posts: 103 Location: England
Audio files: 3
|
Posted: Sun Apr 08, 2018 10:22 am Post subject:
|
 |
|
Awesome!
Thank you for the quick reply. I'll give that a try  |
|
Back to top
|
|
 |
Harry
Joined: May 09, 2017 Posts: 20 Location: Texas
|
Posted: Sun Apr 08, 2018 12:11 pm Post subject:
|
 |
|
Also, try adding a .1uf capacitor from pin 14 to ground on each 556 (pin 8 if using 555).
The two outputs can also be mixed with diodes. |
|
Back to top
|
|
 |
JovianPyx

Joined: Nov 20, 2007 Posts: 1988 Location: West Red Spot, Jupiter
Audio files: 224
|
Posted: Sun Apr 08, 2018 12:23 pm Post subject:
|
 |
|
I wasn't aware that the VCO was based on a 555 type chip.
If so and if it's a bipolar 555 (not CMOS) then you can have trouble even with an audio mixer. That part has a nasty habit of crowbarring the PSU each time it resets.
Best to use CMOS versions of these chips as they won't crowbar. _________________ FPGA, dsPIC and Fatman Synth Stuff
Time flies like a banana. Fruit flies when you're having fun. BTW, Do these genes make my ass look fat? corruptio optimi pessima
|
|
Back to top
|
|
 |
CHRISKELLY
Joined: Apr 08, 2018 Posts: 103 Location: England
Audio files: 3
|
Posted: Sun Apr 08, 2018 1:38 pm Post subject:
|
 |
|
Thanks guys
I just checked and i’m Using NE555P’s which aren’t CMOS.
This could be the problem then
What did you mean by ‘crowbar’ btw? |
|
Back to top
|
|
 |
Harry
Joined: May 09, 2017 Posts: 20 Location: Texas
|
Posted: Sun Apr 08, 2018 3:37 pm Post subject:
|
 |
|
When the 555 pulses it will pull current from the power supply, leaving any other chips with less power to work with. It can sound like a bleedthrough, even with its output shunted to ground you may still hear it through the rest of the circuit as it bleeds through the power rail. This is why i suggest the caps, it will hold a bit of power in reserve for each 555's own use and hopefully keep the power line clean. |
|
Back to top
|
|
 |
PHOBoS

Joined: Jan 14, 2010 Posts: 5868 Location: Moon Base
Audio files: 709
|
Posted: Sun Apr 08, 2018 4:01 pm Post subject:
|
 |
|
It depends a bit on how you are using it but you can probably get away with a passive resistor mixer for your purpose.
Diodes do indeed work too but give a different sound. You can also use different logic gates to mix the signals together.
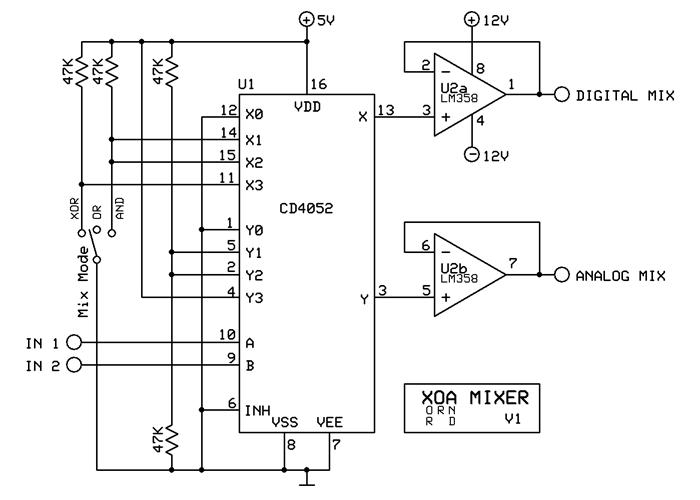
(using diodes is the equivalent of an OR gate, although can also be used as an AND gate) You could use the XOA mixer for this.
you can find more info about it here.
note that you don't need the dual supply for the opamps and you could use the same supply as for the APC's. Ideally you'd
use rail-to-rail opamps for this but since these are digital signals it probably doesn't matter much. If you want to connect it
directly to an input of a mixer/amplifier it would be good to add some
attenuators between the multiplexer (U1) and the opamps. _________________ "My perf, it's full of holes!"
http://phobos.000space.com/
SoundCloud BandCamp MixCloud Stickney Synthyards Captain Collider Twitch YouTube |
|
Back to top
|
|
 |
Steveg

Joined: Apr 23, 2015 Posts: 184 Location: Perth, Australia
|
|
Back to top
|
|
 |
CHRISKELLY
Joined: Apr 08, 2018 Posts: 103 Location: England
Audio files: 3
|
Posted: Mon Apr 09, 2018 5:32 am Post subject:
|
 |
|
Thanks for all the suggestions.
I'll double check the caps across the power supplies to each chip and I've ordered some cmos 555's.
I'll post a schematic too when I've figured out how to draw one!
That power supply pdf was helpful Steve
I'm running everything off a 9V battery but I've seen some people using just 5V for everything, so if all my chips work off 5V then maybe i should consider reducing it down using a voltage divider. |
|
Back to top
|
|
 |
Steveg

Joined: Apr 23, 2015 Posts: 184 Location: Perth, Australia
|
Posted: Mon Apr 09, 2018 6:11 am Post subject:
|
 |
|
I suggest moving to a plug pack. A 9V battery just doesn't have the current capability and my well be responsible for the crosstalk symptoms you are seeing. 5V is perfectly fine but a voltage divider won't fix your problems. A regulator will be better but a plug pack will be far better. |
|
Back to top
|
|
 |
|