Author |
Message |
Dave Kendall

Joined: May 26, 2007 Posts: 421 Location: England
Audio files: 3
|
Posted: Thu Nov 20, 2008 12:01 pm Post subject:
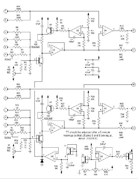
EFM VCO3D as LFO Subject description: Any ideas on cranking the minimum speed right down? |
 |
|
Hi gang.
Am about to build an EFM VCO3D, and would like one half (it's a dual, based on the moog rogue VCOs) to be able to run at slow LFO speeds.
It would only need to be run as an LFO, it won't need to do dual duty as a VCO.
Setting T2 or T5 to it's lowest would help obviously, but as it was designed as a VCO, that may not be enough.
Points A and I are 1V/octave inputs, B and J are freq mod inputs, and C/K and D/L are fine and coarse tune respectively.
FWIW, I'm only really interested in the saw outputs.
Anyone got any ideas?
The schemo is below.
cheers,
Dave
Description: |
|
Filesize: |
68.66 KB |
Viewed: |
160 Time(s) |
This image has been reduced to fit the page. Click on it to enlarge. |

|
|
|
Back to top
|
|
 |
yusynth

Joined: Nov 24, 2005 Posts: 1314 Location: France
|
Posted: Thu Nov 20, 2008 12:45 pm Post subject:
|
 |
|
Use a 0.1uF for C3 instead of 0.01uF and it should do the trick  _________________ Yves |
|
Back to top
|
|
 |
Dave Kendall

Joined: May 26, 2007 Posts: 421 Location: England
Audio files: 3
|
Posted: Thu Nov 20, 2008 2:03 pm Post subject:
|
 |
|
Merci Yves!
Will try it out.
I'm going for the chip-heater version this time.....
cheers,
Dave |
|
Back to top
|
|
 |
Dave Kendall

Joined: May 26, 2007 Posts: 421 Location: England
Audio files: 3
|
Posted: Thu Nov 20, 2008 3:21 pm Post subject:
|
 |
|
Thanks, your tip worked Yves
I went up to 0.22uF, and may go larger.
One weird thing, the Saw output appears to be ramping from +15V to +5V on my scope. I rather hoped it would be + somethingV down to 0V......
Does anyone else's do this - Yves, Matthias?
The square wave is nicely centred around 0V.
(BTW, I dug out my beaten-up old VCO3D tempco option that has seen better days, and am using it for testing before a new board build - but that shouldn't affect the waveforms surely..... )
cheers,
Dave |
|
Back to top
|
|
 |
yusynth

Joined: Nov 24, 2005 Posts: 1314 Location: France
|
Posted: Fri Nov 21, 2008 12:16 am Post subject:
|
 |
|
Dave Kendall wrote: | One weird thing, the Saw output appears to be ramping from +15V to +5V on my scope. I rather hoped it would be + somethingV down to 0V......
Does anyone else's do this - Yves, Matthias?
The square wave is nicely centred around 0V. |
Well considering the circuit I would not expect the saw to swing between 15V and 0V, there nothing in the circuit that would force the low level o be 0V. If you want this you must add an output OPA buffer with a bias circuit (a resistor and a trimmer) to adjust the level and offset of the outputing saw. _________________ Yves |
|
Back to top
|
|
 |
fonik

Joined: Jun 07, 2006 Posts: 3950 Location: Germany
Audio files: 23
|
Posted: Fri Nov 21, 2008 11:59 am Post subject:
|
 |
|
on mine both waveforms show an offset of 1.5V. the saw is going from 4V down to 1.5V, the square goes from -1V to 4V.
this VCO was the 3rd module i ever built, so i don't know if i attenuated one or the other output.
i will have to tweak it a little bit. what about AC coupling on the output (just a cap and a resistor)? _________________
cheers,
matthias
____________
Big Boss at fonitronik
Tech Buddy at Random*Source |
|
Back to top
|
|
 |
|