| Author |
Message |
glitched
Joined: Mar 25, 2006 Posts: 80 Location: phila., pa USA
|
Posted: Wed Dec 08, 2010 12:03 pm Post subject:
|
 |
|
So...are input signals greater than +5v ok, even in bypass mode?
I just wanted to make sure someone actually tested this before attaching a Wiard Noise Ring or something to it. |
|
|
Back to top
|
|
 |
tommi

Joined: Dec 05, 2007 Posts: 247 Location: Italy
Audio files: 3
|
Posted: Wed Dec 08, 2010 12:16 pm Post subject:
|
 |
|
| Quote: | | So...are input signals greater than +5v ok, even in bypass mode? |
The first test I did was feeding the input with a sine wave from an lfo. I also accidentaly plug the power in reverse. But it was for a very short time. Then I tested it again and it worked!  _________________ http://soundcloud.com/mister-vommi
http://tideofsound.net |
|
|
Back to top
|
|
 |
Terrafractyl
Joined: Sep 21, 2010 Posts: 13 Location: Melbourne
|
Posted: Wed Dec 08, 2010 5:12 pm Post subject:
|
 |
|
| stewpye wrote: | I'm wondering how accurate the 1V/octave scaling of this would be? It would be dependant upon the 5V supply.
Cheers,
Stew. |
Hmmm maybe this is my problem.... I wired 2 of these up the other day and they work, but everything is pretty out of tune
Its only really noticable when tracking over more than 1 octave. but if I put it in Octave mode its pretty bad.
i will check the Voltage of my 5v power supply with a dmm and report back, but I imagine it is indeed the culprit. |
|
|
Back to top
|
|
 |
Boogdish
Joined: Sep 21, 2009 Posts: 122 Location: Bloomington, IN
|
Posted: Wed Dec 08, 2010 7:25 pm Post subject:
|
 |
|
Terrafractyl, I would definitely question the power supply first. Try using a 7805 regulator on the board. I just got the volt meter out and checked mine and I was getting octaves at 1v apart.
Glitched, when testing to find what input voltage could destroy the PIC I was able to burn up the potentiometer I was using as a variable voltage source, but I couldn't destroy the PIC with over voltage on the input. However, even in bypass mode, the output will not be relevant to the input when inputted with voltages over 5v. Don't use it with something that generates more than 5v. This is a limitation of this design. I'm planning on expanding the range on the deluxe version to 10v input.
Stewpye, your right, the accuracy is dependant on the power supply. The PWM output of the chip has 10-bit accuracy, so there is also an error of up to 0.29% on certain notes, but this isn't something I can pick out with my ear. |
|
|
Back to top
|
|
 |
glitched
Joined: Mar 25, 2006 Posts: 80 Location: phila., pa USA
|
Posted: Wed Dec 08, 2010 10:43 pm Post subject:
|
 |
|
| I'm sorry, perhaps I'm a bit dense. You're saying that I CAN'T put anything (>5v) into the CV input jack? I'm just confused because you talk about not being able to burn up the PIC, but say, "even in bypass mode, the output will not be relevant to the input when inputted with voltages over 5v. Don't use it with something that generates more than 5v." |
|
|
Back to top
|
|
 |
Boogdish
Joined: Sep 21, 2009 Posts: 122 Location: Bloomington, IN
|
Posted: Thu Dec 09, 2010 4:59 pm Post subject:
|
 |
|
I e-mailed you about this, but I'll post it here too in case my wording confused anyone else.
Inputting more than 5v IS NOT RECOMMENDED in any mode of operation. The 12F683's datasheet indicates a maximum voltage of 5.3. It will not process these voltages correctly.
My point about not being able to destroy the chip was to let people know that this is not a particularly fragile chip. Temporarily patching in 10v probably won't destroy the chip.
I'd also like to just thank everyone for the patience and understanding. I'm still learning the ropes on how to provide a project for people, ya'll have been really good to work with. |
|
|
Back to top
|
|
 |
Peake

Joined: Jun 29, 2007 Posts: 1113 Location: Loss Angeles
Audio files: 3
|
Posted: Fri Dec 10, 2010 11:22 am Post subject:
|
 |
|
You're doing great, and I eagerly await the 10V version. Your work is much appreciated! _________________ We are selling emotions, there are no emotions in a grid. -mwagener
"IC 741. Sometimes you don't want fidelity." -Small Bear Electronics Catalog |
|
|
Back to top
|
|
 |
clee

Joined: Dec 08, 2009 Posts: 42 Location: Chicago
|
|
|
Back to top
|
|
 |
glitched
Joined: Mar 25, 2006 Posts: 80 Location: phila., pa USA
|
Posted: Fri Dec 10, 2010 9:12 pm Post subject:
|
 |
|
Would we use the existing op-amp (LM358, in this design) or are you saying that we'd need to add an additional op-amp?
Also, a typical diode, like a 1N4001, wouldn't work? |
|
|
Back to top
|
|
 |
clee

Joined: Dec 08, 2009 Posts: 42 Location: Chicago
|
Posted: Fri Dec 10, 2010 9:51 pm Post subject:
|
 |
|
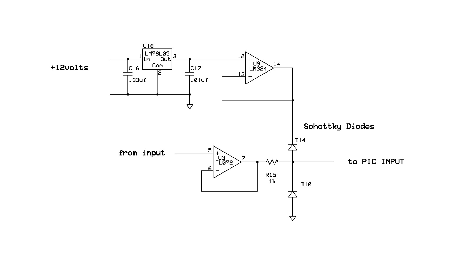
By my quick look at the schematic there is no input op amp, so it would have to be all new circuitry. It could be done with one dual 8 pin op amp. Regular diodes could be used but the voltage going to the PIC would be higher. It could go up to 5.7 volts and down to -0.7 (I think that's the voltage drop across a diode). The nice thing about schottky diodes for this it that the voltage drop across them is lower. _________________ life in many forms...
http://clsound.com |
|
|
Back to top
|
|
 |
whomper

Joined: Dec 15, 2007 Posts: 201 Location: Israel
Audio files: 2
|
Posted: Sat Dec 11, 2010 3:04 am Post subject:
|
 |
|
I have installed two quantizers within the M185 sequencer DIY projects (A great sequencer btw) and have a strange problem.
The quantized CV seems to create a distorted-like sound coming out of the Living VCO. When connecting the non quantized CV, the VCO produces a clean sound, but if I connect the quantized CV to the living VCO, it produces a sound that is distorted. It is especially noticed in the > 2V CV levels.
The board has a 4.998V signal via on board regulator.
I do not have a scope, so could not look at the CV signal to see if it is a clean or it has fluctuations.
Perhaps there is a ground issue? I have connected just one ground to the board, same ground as the sequencer one. _________________ Erez Yaary
Home Page: http://www.yaary.com
Buy my CDs at http://www.mellowjet.de |
|
|
Back to top
|
|
 |
glitched
Joined: Mar 25, 2006 Posts: 80 Location: phila., pa USA
|
Posted: Sun Dec 12, 2010 11:27 am Post subject:
|
 |
|
Michael:
Can you comment as to Wavemultiplier's solution? Is the additional op-amp necessary? How exactly would I wire this up? (Seems simple enough, but I'm still getting the hang of translating schematics to the real world.)
Thanks. |
|
|
Back to top
|
|
 |
clee

Joined: Dec 08, 2009 Posts: 42 Location: Chicago
|
Posted: Sun Dec 12, 2010 3:27 pm Post subject:
|
 |
|
glitched,
None of the circuit that I drew is on the board you have. It would be entirely new circuitry, and would go between the input jack (or out of the sequencer if you are using this as a built-in) and the input pad of the quantizer board. _________________ life in many forms...
http://clsound.com |
|
|
Back to top
|
|
 |
Boogdish
Joined: Sep 21, 2009 Posts: 122 Location: Bloomington, IN
|
Posted: Sun Dec 12, 2010 7:56 pm Post subject:
|
 |
|
My router went out Friday, didn't get a chance to set my internet back up until this evening.
Erez,
To clarify, when you say "I have connected just one ground to the board" you mean, that you are connecting both of the analog and digital ground pads on the board (marked "AGND" and "GND" respectively) to the same point? Or do you mean that you've only connected one of these to ground? Both should be connected to ground.
If it's not a ground issue, my suspicion is that something is going wrong with the filtering of the PWM, check that you did use a 10K resistor for R2 and a .1uf (100nf) for C7, and check that you're getting +15V (or whatever your high voltage is) to pin 8 of the LM358, and zero on pin 4.
Further questions if that wasn't the problem.
Are you only experiencing this problem with the Living VCOs?
Is it happening in all modes of operation?
Is it just producing a noise signal or is it fluctuations on top of the normal signal?
Wavemultiplier, that looks like a very good solution. I'm going to have to get some schottkys in my next mouser order to try that out. Thanks for sharing that.
Glitched, Wavemultiplier has it right, the layout on your board wouldn't accommodate that circuit. |
|
|
Back to top
|
|
 |
whomper

Joined: Dec 15, 2007 Posts: 201 Location: Israel
Audio files: 2
|
|
|
Back to top
|
|
 |
Boogdish
Joined: Sep 21, 2009 Posts: 122 Location: Bloomington, IN
|
Posted: Mon Dec 13, 2010 6:31 pm Post subject:
|
 |
|
That sounds like the pwm isn't being filtered out all the way. Try increasing the value of the resistor to a 22k or 47k and see if that kills it.
I'm not sure why you're getting that. If I had to take a stab in the dark, I'd say that your crystal oscillator might not be doing a full 20mhz, and as a result the pwm output is at a lower frequency, so the pwm filter is no longer set at a low enough frequency to filter the digital out. |
|
|
Back to top
|
|
 |
whomper

Joined: Dec 15, 2007 Posts: 201 Location: Israel
Audio files: 2
|
Posted: Wed Dec 15, 2010 9:31 am Post subject:
|
 |
|
Right then, problem solved.
Went after your shot in the dark and just replaced the two osc in both boards with newly purchased ones.
Problem solved!
Thanks.
Works great now. Clean sound the great quantization. _________________ Erez Yaary
Home Page: http://www.yaary.com
Buy my CDs at http://www.mellowjet.de |
|
|
Back to top
|
|
 |
glitched
Joined: Mar 25, 2006 Posts: 80 Location: phila., pa USA
|
Posted: Wed Dec 15, 2010 12:44 pm Post subject:
|
 |
|
I got one of mine working and it takes the input of the Wiard Noise Ring, no problem. That is, it doesn't "blow up"--it just won't output anything higher than 5v--subsequently, anything it receives past that point will be attenuated.
Using an attenuator before the quantizer is highly recommended.
Thanks for this project! The front panels will be here, next week. Stay tuned for pics. |
|
|
Back to top
|
|
 |
Boogdish
Joined: Sep 21, 2009 Posts: 122 Location: Bloomington, IN
|
Posted: Wed Dec 15, 2010 4:45 pm Post subject:
|
 |
|
That's great news from both of you.
Erez, did you change brands/part numbers or just get new ones? It might be helpful to other builders if there's a known non-working part for this project. |
|
|
Back to top
|
|
 |
whomper

Joined: Dec 15, 2007 Posts: 201 Location: Israel
Audio files: 2
|
Posted: Thu Dec 16, 2010 12:56 am Post subject:
|
 |
|
Sure.
I went back to my local supplier and picked up a couple of new osc, the tall ones is time.
I also made sure they are 20Mhz. Previously I just grabed two from the drawer with the 20Mhz, but I did not fully check them (they do not have clear markings either).
My local supplier allows me to pick and choose the components myself behind the counter, which is fun and allows me to find interesting components that might spark ideas...
This way, I get what I need regardless of line queue size...
I am certain the earlier osc are not 20Mhz or they are defective. _________________ Erez Yaary
Home Page: http://www.yaary.com
Buy my CDs at http://www.mellowjet.de |
|
|
Back to top
|
|
 |
glitched
Joined: Mar 25, 2006 Posts: 80 Location: phila., pa USA
|
Posted: Fri Dec 17, 2010 4:22 pm Post subject:
|
 |
|
Michael:
I'm having a little "problem" with the quantizers. Well, it's not exactly a problem because it doesn't affect me very much, but here it is: when an incoming voltage is close to or in between a note (in the scale), a "warbling" of the pitch occurs. This is most obvious when switching from one scale to another.
Someone on the muffwiggler forum is doing an octa-quantizer and has run across this issue. He claims that he has a fix. http://www.muffwiggler.com/forum/topic-25044-0-0.html
Again, this isn't a big deal for me, but sometimes I notice it. Perhaps, this is something you could take a look at for the next version.
Regards,
-d |
|
|
Back to top
|
|
 |
clee

Joined: Dec 08, 2009 Posts: 42 Location: Chicago
|
Posted: Sun Dec 19, 2010 7:42 am Post subject:
|
 |
|
My design (I'm Clee over at Muffs) uses a 10 bit conversion, and uses the dropped bits to filter out the "warble". I don't think that can be done with the chip you are using. There were several suggestions in the tread you link to on other ways to filter the noise.
Keep in mind though, that even an analog quantizer will display that behavior to a certain extent. And if you use it with a sequencer, simply spin your knob away from the "border areas" that cause the output to chatter.
Craig _________________ life in many forms...
http://clsound.com |
|
|
Back to top
|
|
 |
LektroiD

Joined: Aug 23, 2008 Posts: 1019 Location: Scottish Borders
Audio files: 2
G2 patch files: 2
|
Posted: Sun Dec 19, 2010 8:43 am Post subject:
|
 |
|
| emdot_ambient wrote: | | Boogdish wrote: | | Emdot, I used the standard sizes that Eagle provided for the pads. |
I was afraid of that. I think I need to use a finer soldering tip. Mine worked, but it was kind of clunky and I'm afraid I won't be able to easily tell if my solder connections are good...old eyes you know.
Anyway, two of the boards are built, though I haven't tested them yet. |
I use both of these (not at the same time), but perfect for making sure soldering is good:
Worth their weight in gold, and saves straining the eyes _________________ LektroiD |
|
|
Back to top
|
|
 |
glitched
Joined: Mar 25, 2006 Posts: 80 Location: phila., pa USA
|
Posted: Sun Dec 19, 2010 10:17 am Post subject:
|
 |
|
Whomper;
I'll read the entire thread, in detail. I wasn't aware that most quantizers exhibit this behavior, but it makes complete sense now, as to why they would.
Side-note: It seems like the DIY/synthesizer/modular community is rather small; I see the same names all over the place! |
|
|
Back to top
|
|
 |
LFLab
Joined: Dec 17, 2009 Posts: 497 Location: Rosmalen, Netherlands
|
Posted: Mon Jan 03, 2011 11:08 am Post subject:
|
 |
|
| I received the boards today, they look great, can't wait to start plugging components! |
|
|
Back to top
|
|
 |
|