electro-music.com   Dedicated to experimental electro-acoustic
and electronic music
 
    Front Page  |  Radio
 |  Media  |  Forum  |  Wiki  |  Links
Forum with support of Syndicator RSS
 FAQFAQ   CalendarCalendar   SearchSearch   MemberlistMemberlist   UsergroupsUsergroups   LinksLinks
 RegisterRegister   ProfileProfile   Log in to check your private messagesLog in to check your private messages   Log inLog in  Chat RoomChat Room 
 Forum index » DIY Hardware and Software » YuSynth
Balanced Modulator troubles
Post new topic   Reply to topic Moderators: Scott Stites
Page 2 of 2 [28 Posts]
View unread posts
View new posts in the last week
Mark the topic unread :: View previous topic :: View next topic
Goto page: Previous 1, 2
Author Message
vcfool



Joined: Jun 19, 2008
Posts: 23
Location: Barcelona

PostPosted: Thu Mar 01, 2012 6:45 pm    Post subject: Reply with quote  Mark this post and the followings unread

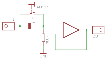
After some afternoon testing, I finally had to install the input resistors. Looks like the AC coupling caps would not discharge without those, and the AC mode wasn't working correctly.
I've attached a schematic of what I finally did to my inputs. Is this looking good? Sorry for my lack of electronics knowledge.

Thanks again!


Modulator_inputs.png
 Description:
YuSynth Balanced Modulator Input Mod
 Filesize:  2.35 KB
 Viewed:  3015 Time(s)

Modulator_inputs.png


Back to top
View user's profile Send private message
Jaba



Joined: Feb 27, 2009
Posts: 48
Location: Genova, Italy

PostPosted: Fri Mar 02, 2012 2:42 am    Post subject: Reply with quote  Mark this post and the followings unread

Hi vcfool,

yes, AFAIK your schematic is very good, and it works perfectly.

It actually is the same circuit I was suggesting as "option 1" in my message dated June 21st, 2011; no wonder we came to the same solution, I would say it's a standard one

Sorry for not answering sooner, but it's good to see that you found the correct answers on your own.

Jaba(Paolo)
Back to top
View user's profile Send private message
vcfool



Joined: Jun 19, 2008
Posts: 23
Location: Barcelona

PostPosted: Fri Mar 02, 2012 7:07 am    Post subject: Reply with quote  Mark this post and the followings unread

Great!
Thanks once more for the answer and the improving modification.
Back to top
View user's profile Send private message
Display posts from previous:   
Post new topic   Reply to topic Moderators: Scott Stites
Page 2 of 2 [28 Posts]
View unread posts
View new posts in the last week
Goto page: Previous 1, 2
Mark the topic unread :: View previous topic :: View next topic
 Forum index » DIY Hardware and Software » YuSynth
Jump to:  

You cannot post new topics in this forum
You cannot reply to topics in this forum
You cannot edit your posts in this forum
You cannot delete your posts in this forum
You cannot vote in polls in this forum
You cannot attach files in this forum
You can download files in this forum


Forum with support of Syndicator RSS
Powered by phpBB © 2001, 2005 phpBB Group
Copyright © 2003 through 2009 by electro-music.com - Conditions Of Use