Author |
Message |
Psyingo

Joined: Jun 11, 2009 Posts: 248 Location: Canada
|
Posted: Tue May 15, 2012 10:51 am Post subject:
Swing Generator Subject description: now with 100% more groove. |
 |
|
I've been asked several times about the swing generator in my Analog CMOS drum machine (http://electro-music.com/forum/topic-52786.html) so I have decided to post the schematic. The schematic is in two different versions, the original one that I did with the 4022 (octal counter) and a 4017 version (decade counter). I chose to do a 4017 version because I'm sure those are more common in peoples parts bins.
Basically the clock is divided by the counter, with the 1st output and a select-able second output going to an AND gate. The select-able second output is what makes the swing. If the selected output is the 5th output on the 4022 or the 6th on the 4017 it is straight, no swing. If it is any of the other outputs it makes swing either closer or further from the 1st output.
Reset is important if you want it to maintain proper synchronization.
the input is your clock and the output would go to a sequencer or similar device.
here are the schems.
4017 Version:
4022 Version:
 Last edited by Psyingo on Wed Mar 27, 2013 7:56 am; edited 2 times in total |
|
Back to top
|
|
 |
JingleJoe

Joined: Nov 10, 2011 Posts: 878 Location: Lancashire, England
Audio files: 14
|
Posted: Tue May 15, 2012 2:32 pm Post subject:
|
 |
|
That looks really interesting Some very nice ideas there old sport, I look forwards to trying it out! _________________ As a mad scientist I am ruled by the dictum of science: "I could be wrong about this but lets find out"
Green Dungeon Alchemist Laboratories |
|
Back to top
|
|
 |
-minus-
Joined: Oct 26, 2008 Posts: 787
Audio files: 13
|
Posted: Tue May 15, 2012 7:44 pm Post subject:
|
 |
|
any suggestions about modding this... adding a few random IC's and getting it to F*** up and make some cool noises?  |
|
Back to top
|
|
 |
Psyingo

Joined: Jun 11, 2009 Posts: 248 Location: Canada
|
Posted: Tue May 15, 2012 9:46 pm Post subject:
|
 |
|
-minus- wrote: | any suggestions about modding this... adding a few random IC's and getting it to F*** up and make some cool noises?  |
wire it backwards and upside down, add some heterodynes. |
|
Back to top
|
|
 |
-minus-
Joined: Oct 26, 2008 Posts: 787
Audio files: 13
|
Posted: Tue May 15, 2012 10:07 pm Post subject:
|
 |
|
I have a 24 square wave oscillator drone explosion machine on breadboard . I plan to make 4 of these onto vero and enclose it in an old toaster from the 70's. Can I hook it up to that and modulate the donres with the swing gen? What about feeding my dual LDR circuit bent Arari Punk Console into the clock input ? I think it might work but would I have to bypass my triple WSG filter on the APC first
Thanks in advance . Any ideas on what to do with the toaster light/dark pot and the pop up lever appreciated.  |
|
Back to top
|
|
 |
DGTom

Joined: Dec 08, 2008 Posts: 211 Location: Adelaide
Audio files: 3
G2 patch files: 1
|
Posted: Tue May 15, 2012 10:54 pm Post subject:
|
 |
|
I don't think the 4017 one will work the same as the 4022 unless you ping the reset every bar or add another diode between Q7 & the reset pin.
As drawn they will generate quite differant beats, which could be quite usefull.
I predict a mux being tacked onto this in the near future. |
|
Back to top
|
|
 |
efabric
Joined: Jan 05, 2012 Posts: 19 Location: Caen, France
|
|
Back to top
|
|
 |
Psyingo

Joined: Jun 11, 2009 Posts: 248 Location: Canada
|
Posted: Wed May 16, 2012 6:46 am Post subject:
|
 |
|
DGTom wrote: | I don't think the 4017 one will work the same as the 4022 unless you ping the reset every bar or add another diode between Q7 & the reset pin.
As drawn they will generate quite differant beats, which could be quite usefull.
I predict a mux being tacked onto this in the near future. |
actually, dgtom, this wouldnt be an issue. this isnt for generating rhythms itself, its meant to make a clock swung. You would feed a clock in and run everything you want to be run from that clock from the output of this module. so the number of beats that the 4022 has versus the 4017 wouldnt matter as its just a division as long as you arent running anything off the clock before hand. The 4017 version will give you different swing values than the 4022 version. but if you want exact performance between the 4022 and 4017 versions you can make it reset on the 9th step, Q8, and wire the switch like it is on the 4022. |
|
Back to top
|
|
 |
DGTom

Joined: Dec 08, 2008 Posts: 211 Location: Adelaide
Audio files: 3
G2 patch files: 1
|
Posted: Wed May 16, 2012 8:24 pm Post subject:
|
 |
|
Psyingo wrote: | this isnt for generating rhythms itself, its meant to make a clock swung. |
that makes sense, I was thinking it was running in parallel to other sequencers but you're using it to provide a funky master clock to multiple sequencers. nice. |
|
Back to top
|
|
 |
Psyingo

Joined: Jun 11, 2009 Posts: 248 Location: Canada
|
Posted: Wed May 16, 2012 10:05 pm Post subject:
|
 |
|
DGTom wrote: | Psyingo wrote: | this isnt for generating rhythms itself, its meant to make a clock swung. |
that makes sense, I was thinking it was running in parallel to other sequencers but you're using it to provide a funky master clock to multiple sequencers. nice. |
Yes, exactly. Sorry if i wasn't clear. |
|
Back to top
|
|
 |
efabric
Joined: Jan 05, 2012 Posts: 19 Location: Caen, France
|
|
Back to top
|
|
 |
Psyingo

Joined: Jun 11, 2009 Posts: 248 Location: Canada
|
Posted: Wed Mar 27, 2013 7:56 am Post subject:
|
 |
|
efabric wrote: | Hello,
Your swing generator schematics are not visible any more here !
Can you to repost your pictures ?
Thank you |
re-uploaded :> |
|
Back to top
|
|
 |
PHOBoS

Joined: Jan 14, 2010 Posts: 5863 Location: Moon Base
Audio files: 709
|
|
Back to top
|
|
 |
PHOBoS

Joined: Jan 14, 2010 Posts: 5863 Location: Moon Base
Audio files: 709
|
Posted: Tue Oct 14, 2014 5:23 pm Post subject:
Double Pulse Swing Divider |
 |
|
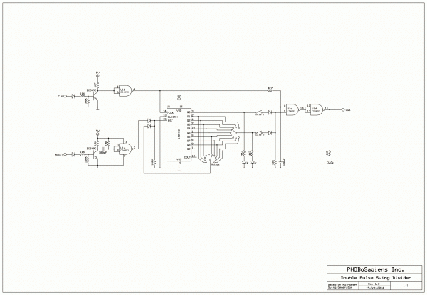
Here's a variation with some extra switches.
When using pulse 1+2 it works as the swing generator with an extra switch for the number of steps.
(of course the number of steps has to be greater or equal to what pulse 2 is set to).
When only using pulse 1 it works as a standard divider with /1, /2, /3, /4, /5, /6, /7, /8, /9, /10.
When only using pulse 2 it also works like a divider but with a delay. Which can be very useful in combination with the reset input.
I already finished it as a module, but don't have the right knobs yet, so photos will be uploaded at a later time.
Description: |
|
Filesize: |
50.65 KB |
Viewed: |
1104 Time(s) |
This image has been reduced to fit the page. Click on it to enlarge. |

|
_________________ "My perf, it's full of holes!"
http://phobos.000space.com/
SoundCloud BandCamp MixCloud Stickney Synthyards Captain Collider Twitch YouTube |
|
Back to top
|
|
 |
PHOBoS

Joined: Jan 14, 2010 Posts: 5863 Location: Moon Base
Audio files: 709
|
Posted: Sat Oct 18, 2014 3:31 pm Post subject:
|
 |
|
I got the knobs so here's what the module looks like.
The reset seems to be a bit over sensitive in that it picks up noise when I attach a cable to it.
Maybe increasing the value of the pulse capacitor will help, or a smaller resistor on the base of the transistor.
Description: |
Double Pulse Swing Divider |
|
Filesize: |
56.28 KB |
Viewed: |
559 Time(s) |
This image has been reduced to fit the page. Click on it to enlarge. |

|
Description: |
Double Pulse Swing Divider |
|
Filesize: |
47.27 KB |
Viewed: |
524 Time(s) |
This image has been reduced to fit the page. Click on it to enlarge. |

|
Description: |
Double Pulse Swing Divider |
|
Filesize: |
84.58 KB |
Viewed: |
550 Time(s) |
This image has been reduced to fit the page. Click on it to enlarge. |

|
_________________ "My perf, it's full of holes!"
http://phobos.000space.com/
SoundCloud BandCamp MixCloud Stickney Synthyards Captain Collider Twitch YouTube |
|
Back to top
|
|
 |
blue hell
Site Admin

Joined: Apr 03, 2004 Posts: 24476 Location: The Netherlands, Enschede
Audio files: 298
G2 patch files: 320
|
Posted: Sat Oct 18, 2014 3:56 pm Post subject:
|
 |
|
Nice panel PHOBoS, but also very nice pictures with the blackground. _________________ Jan
also .. could someone please turn down the thermostat a bit.
 |
|
Back to top
|
|
 |
PHOBoS

Joined: Jan 14, 2010 Posts: 5863 Location: Moon Base
Audio files: 709
|
|
Back to top
|
|
 |
|