ixtern
Joined: Jun 25, 2018 Posts: 145 Location: Poland
|
Posted: Wed Oct 30, 2019 5:55 am Post subject:
Frequency Central FC-Power mod Subject description: Modding FC +-12V power module |
 |
|
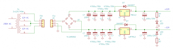
Original Frequency Central FC-Power module works with single 12V AC supply. It has two half-wave rectifiers. Maximum current is about 0.5-0.7A (depends on heat in regulators to dissipate).
I am used to double 12V AC transformers, which needs full-wave rectifier (bridge) but benefits in lower current needed from trafo and lower ripples, so I've modded this module a little.
Main changes:
1. Full-wave rectifier added. 2A diodes used instead of 1A. AC input connector added. All on additional mini-board soldered to the AC input of the module. Original rectifying diodes were removed. Needed additional connections were made by isolated wires.
2. 78S12 (2A max output current ) regulator was used instead of regular 7812. +12V line usually needs more current than -12V.
3. Bigger, black radiators were used to disspate more power. Some mechanical elements were added to hold them in place. As they were mounted by sides, whole module width is now twice the original.
4. Rectifier's capacitors (4700 uF) for 35V were used instead of 25V, as I've found them with the same diameter. There may be little higher
but it doesn't matter.
Module can provide +12V/1.2A and -12V/0.9A which was tested under load. 78S12 and 7912 temperature raised to 50 Celsius deg (at 25 Celsius deg ambient),. I think it's the maximum safe output power for a long time load, with such a small radiators.
The interesting thing is that lost (radiated) power was almost constant for the output current within 0.6-1.2A. It was due to a diminishing AC voltage from transformer under load. DC input voltage under 1.2A load was 15V, with no load was over 17V.
Trafo used was EI 66/23 212 from Reichelt (36W/2x12V).
Measured +12V ripples under 1.2A load were 10mV p-p.
| Description: |
| Modded power module in eurorack frame. |
|
| Filesize: |
3.28 MB |
| Viewed: |
374 Time(s) |
| This image has been reduced to fit the page. Click on it to enlarge. |

|
| Description: |
| Schematic of modded power module. |
|
| Filesize: |
34.8 KB |
| Viewed: |
384 Time(s) |
| This image has been reduced to fit the page. Click on it to enlarge. |

|
|
|