electro-music.com   Dedicated to experimental electro-acoustic
and electronic music
 
    Front Page  |  Radio
 |  Media  |  Forum  |  Wiki  |  Links
Forum with support of Syndicator RSS
 FAQFAQ   CalendarCalendar   SearchSearch   MemberlistMemberlist   UsergroupsUsergroups   LinksLinks
 RegisterRegister   ProfileProfile   Log in to check your private messagesLog in to check your private messages   Log inLog in  Chat RoomChat Room 
 Forum index » How-tos » Manuals, Instructions, and Documents
MXR Black Stereo chorus schematic request
Post new topic   Reply to topic
Page 1 of 1 [5 Posts]
View unread posts
View new posts in the last week
Mark the topic unread :: View previous topic :: View next topic
Author Message
paulmorison



Joined: Feb 27, 2013
Posts: 32
Location: UK

PostPosted: Mon Mar 04, 2013 7:55 am    Post subject: MXR Black Stereo chorus schematic request
Subject description: SAD4096 fault?
Reply with quote  Mark this post and the followings unread

Hi All
THis has a wiered fault-no clock at the clock inputs-clock osc OK?
No sig at BBD output-but its at the input of BBD-probably a knackered SAD4096

I would love a schemo if available

Thanks in anticipation

P
Back to top
View user's profile Send private message
StephenGiles



Joined: Apr 17, 2006
Posts: 507
Location: England

PostPosted: Sun Mar 10, 2013 4:10 am    Post subject: Reply with quote  Mark this post and the followings unread

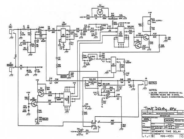
Possibly this one?


MXR Time Delay.jpg
 Description:
 Filesize:  742.02 KB
 Viewed:  1691 Time(s)
This image has been reduced to fit the page. Click on it to enlarge.

MXR Time Delay.jpg


Back to top
View user's profile Send private message
StephenGiles



Joined: Apr 17, 2006
Posts: 507
Location: England

PostPosted: Sun Mar 10, 2013 4:11 am    Post subject: Reply with quote  Mark this post and the followings unread

Not stereo but probably similar though!
Back to top
View user's profile Send private message
paulmorison



Joined: Feb 27, 2013
Posts: 32
Location: UK

PostPosted: Sun Mar 10, 2013 5:35 am    Post subject: Reply with quote  Mark this post and the followings unread

Many thanks-thats the one-AND.............youv'e guessed it....the 4096 is FUBAR
Another guitar pedal doorstop/projectile.!! Ho-Hum

Paul
Back to top
View user's profile Send private message
maoriente



Joined: Jun 19, 2013
Posts: 2
Location: USA

PostPosted: Wed Jun 19, 2013 7:36 pm    Post subject: SAD 4096 Reply with quote  Mark this post and the followings unread

I have a Reticon SAD 4096 if you are interested. Never installed or handled.
Back to top
View user's profile Send private message
Display posts from previous:   
Post new topic   Reply to topic
Page 1 of 1 [5 Posts]
View unread posts
View new posts in the last week
Mark the topic unread :: View previous topic :: View next topic
 Forum index » How-tos » Manuals, Instructions, and Documents
Jump to:  

You cannot post new topics in this forum
You cannot reply to topics in this forum
You cannot edit your posts in this forum
You cannot delete your posts in this forum
You cannot vote in polls in this forum
You cannot attach files in this forum
You can download files in this forum


Forum with support of Syndicator RSS
Powered by phpBB © 2001, 2005 phpBB Group
Copyright © 2003 through 2009 by electro-music.com - Conditions Of Use