| Author |
Message |
PHOBoS

Joined: Jan 14, 2010 Posts: 5881 Location: Moon Base
Audio files: 709
|
Posted: Sun Jul 06, 2014 11:26 am Post subject:
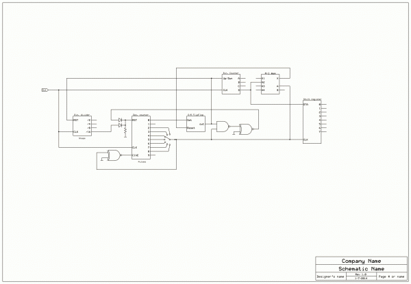
Euclidean rhythm generator Subject description: CMOS math |
 |
|
I noticed some talk about euclidean generators on the forum (here's a nice module, and here's some chuck code),
and I wondered how hard it would be to make one with some cmos chips.
I read the pdf that was posted which gave me an idea of using several counters but I was not really sure how yet.
It was this piece of code that Blue Hell posted that gave me the idea for the circuit.
| Code: | function EuclideanRhythm3( aPulses, aSteps: Integer): string;
var
Error : Integer;
i : Integer;
begin
Result := '';
if aSteps > 0
then begin
Error := 0;
for i := 0 to aSteps - 1
do begin
Error := Error + aPulses;
if Error > 0
then begin
Result := Result + '1';
Error := Error - aSteps;
end
else Result := Result + '0';
end;
end;
end;
|
focussing on this section
| Code: |
Error := Error + aPulses;
if Error > 0
then begin
Result := Result + '1';
Error := Error - aSteps;
end
else Result := Result + '0';
|
It starts with adding a value (the number of pulses), then compares it (in this case with 0) and based on the outcome it either puts out a 1 and
subtracts a value (the number of steps), or it puts out a 0. And then it loops back. Adding and subtracting is nothing more then counting up or
down, so it switches between counting up or down a preset amount (steps, pulses).
In the original code the error value also goes negative which would add some unnecessary complexity to the circuit so I had to shift it to use
positive values only. For 8 steps it needs to be shifted 7 places so the Error value stays between 0 and 15. So I basically changed
[if Error > 0] to [if Error > 7]
For counting up/down a CD4029 seemed like a logical choice (but a CD4510 should work as well). It can count from 0 to 15 and to check if it
has counted above 7 you only have to look if output D is high
Then 2 more counters, one for the number of steps and one for the number of pulses and some sort of comparator/switch.
So I tried patching something up on my modular lunetta to see how far I could get and I actually managed to get it working somewhat. However
the result wasn't synced to anything yet and the shiftregister was loaded at an uneven pace. And because I only have 1 decimal counter in there I
used a binary counter and could only do 2/4/8 steps. Since the results of 2 and 4 steps can also be achieved with 8 steps I didn't test those.
Here's what that first patch looked like:
| Code: |
Error := Error + aPulses; (up/dwn = 1, count 'aPulses' steps using digital counter)
if Error > 7 (output D of binary counter = 1)
then begin
Result := Result + '1'; (shiftregister data 1, CLK 1 step)
Error := Error - aSteps; (up/down = 0, count 'aSteps' steps using binary divider)
end
else Result := Result + '0'; (shiftregister data = 0, CLK 1 step)
|
When I tried to simplify the circuit (like replacing the NAND followed by an XNOR used as an inverter with a single AND) it didn't work anymore.
And although I got that part fixed after some small changes, it still looked a bit to chaotic compared to the code. It was after I changed the FlipFlop
from a Set/Reset to a D-type (with reset) that the circuit got it's current form. And by using a second FlipFlop I got it synced to an external CLK.
I also managed to get rid of the shiftregister for a lower chipcount, but it can still be added as an option. Might be fun with some resistors as a CV
generator
The circuit has an internal oscillator which basically 'runs' the circuit between CLK pulses. So it calculates and waits until the CLK goes high
before the result appears on the output. (and then it waits for the CLK to go low and calculates the next and so on). Because of this oscillator there
is a maximum CLK frequency for which the circuit works. I initially wanted to set the internal CLK frequency at 100KHz but at high speeds the circuit
doesn't work anymore . So I had to experiment a bit and with the current values it seems to work fine. However it's too slow to use it for
audio frequencies (not sure if that would be very useful and not what I designed it for anyway). If my calculations are correct it runs at ±200Hz
so with the counter having to count a maximum of 16 steps ( 8,8 ) the CLK could be 12.5Hz max.
The reset was the last addition to the circuit and although it seems to work there is a lag of 1 or 2 CLK pulses depending on when you press/release
the button, so I might do some more tests with that.
note: the connection between pin 2 and 5 of U2a is done for easy PCB design. The D input needs to be high when the CLK goes high and it
doesn't matter when the CLK is low, which happens to correspond with the /Q output. But you could tie pin 5 directly to (+) as well
!updated schematic 4 posts down!
| Description: |
|
| Filesize: |
38.88 KB |
| Viewed: |
788 Time(s) |
| This image has been reduced to fit the page. Click on it to enlarge. |

|
| Description: |
| Euclidean Rhythm Generator by PHOBoS |
|
| Filesize: |
143.88 KB |
| Viewed: |
1058 Time(s) |
| This image has been reduced to fit the page. Click on it to enlarge. |

|
_________________ "My perf, it's full of holes!"
http://phobos.000space.com/
SoundCloud BandCamp MixCloud Stickney Synthyards Captain Collider Twitch YouTube Last edited by PHOBoS on Mon Jul 07, 2014 5:43 am; edited 2 times in total |
|
|
Back to top
|
|
 |
DUBmatze

Joined: Feb 18, 2013 Posts: 150 Location: south Germaica (schwabilon)
|
Posted: Sun Jul 06, 2014 2:05 pm Post subject:
|
 |
|
WOW!
amzing!
i have also have read the post with the euclidean generator. (all i have done was order 2 of the LED matrixes in china... and store them somewehre 5 weeks later) Last edited by DUBmatze on Sun Jul 06, 2014 2:07 pm; edited 1 time in total |
|
|
Back to top
|
|
 |
blue hell
Site Admin

Joined: Apr 03, 2004 Posts: 24500 Location: The Netherlands, Enschede
Audio files: 298
G2 patch files: 320
|
Posted: Sun Jul 06, 2014 2:06 pm Post subject:
|
 |
|
Ah you did it!
 _________________ Jan
also .. could someone please turn down the thermostat a bit.
 |
|
|
Back to top
|
|
 |
commathe

Joined: Jul 26, 2013 Posts: 153 Location: Beijing
Audio files: 5
|
Posted: Sun Jul 06, 2014 6:30 pm Post subject:
|
 |
|
Fantastic! I'm really into Euclydian rhythms myself, though I usually do it in Max. I will definitely be looking into making one of these in the future! Incredible work!
EDIT: Seriously, mind blown by this. Very cool. |
|
|
Back to top
|
|
 |
PHOBoS

Joined: Jan 14, 2010 Posts: 5881 Location: Moon Base
Audio files: 709
|
|
|
Back to top
|
|
 |
piedwagtail

Joined: Apr 15, 2006 Posts: 297 Location: shoreditch
Audio files: 3
|
Posted: Mon Jul 07, 2014 12:45 pm Post subject:
|
 |
|
Exemplary.
and the 4051s ....
Robert |
|
|
Back to top
|
|
 |
PHOBoS

Joined: Jan 14, 2010 Posts: 5881 Location: Moon Base
Audio files: 709
|
Posted: Mon Jul 07, 2014 1:42 pm Post subject:
|
 |
|
Seems to work on perfboard as well
| piedwagtail wrote: | Exemplary.
and the 4051s .... |
I thought about that, assuming you mean using muxes instead of the switches, and I think that should work .
But I was also thinking about making a PIC version which could have 2 generators with 4bit inputs, and one 4bit input for the number of steps.
With 4051's you would need 7 chips for one 8 step generator, versus 1 chip (PIC) with two 16 step generators, hmm
but I bet it's a lot of fun  _________________ "My perf, it's full of holes!"
http://phobos.000space.com/
SoundCloud BandCamp MixCloud Stickney Synthyards Captain Collider Twitch YouTube Last edited by PHOBoS on Mon Jul 07, 2014 3:46 pm; edited 1 time in total |
|
|
Back to top
|
|
 |
piedwagtail

Joined: Apr 15, 2006 Posts: 297 Location: shoreditch
Audio files: 3
|
Posted: Mon Jul 07, 2014 2:08 pm Post subject:
|
 |
|
It seems contrary to your stripboard genius to put a PIC in there .
I'd like to try out Altera CPLDs and Quartus to accomplish CMOS extravaganzas of such scale. The directness of avoiding microprocessors and the schematic design input are very attractive. It's not 4000 series but it still feels like CMOS cookbook to me. Whereas PICs seem as detached as VSTi.
Robert |
|
|
Back to top
|
|
 |
piedwagtail

Joined: Apr 15, 2006 Posts: 297 Location: shoreditch
Audio files: 3
|
Posted: Fri Jul 11, 2014 12:42 am Post subject:
|
 |
|
Struggling to understand quite what you did here.
......
For anyone wondering what I was suggesting with 4051s the moment I saw the 8 way switches I saw a user control issue in music. The music would be rather rhythmically static with switches in that nothing changes until the musician actively changes a switch. Which is fine if you like hands always on.
Some people (or perhaps just me) want to set up CVs to change such parameters moving to the ultimate - hands always off.
Hence my jump to 8 into 1 mux.
Not that I'd thought about how to CV a 4051.
So I find the miracle that is the 3 bit flash ADC
which has the unique ability to play with the resistor string (comparator trigger points).
Empirical testing of resistor string between +/- supply will be necessary to suit the CV range needed.
Robert |
|
|
Back to top
|
|
 |
commathe

Joined: Jul 26, 2013 Posts: 153 Location: Beijing
Audio files: 5
|
Posted: Fri Jul 11, 2014 2:24 am Post subject:
|
 |
|
| What advantages are there to using the XORs over using a 4014 or 74HC148 (or some other priority encoder)? |
|
|
Back to top
|
|
 |
PHOBoS

Joined: Jan 14, 2010 Posts: 5881 Location: Moon Base
Audio files: 709
|
Posted: Fri Jul 11, 2014 2:50 am Post subject:
|
 |
|
| commathe wrote: | | What advantages are there to using the XORs over using a 4014 or 74HC148 (or some other priority encoder)? |
(from this page which also has the XOR/diode encoder)
I don't think there is an advantage in using XOR's, on the contrary you need an extra chip and some extra diodes.
But having said that, I think it'll be more common to have some XOR's and diodes lying around than a priority encoder.
You could also replace the opamps with a LM3914 for a 2 chip version. Someone actually suggested that combo recently,
but I forgot in which thread. _________________ "My perf, it's full of holes!"
http://phobos.000space.com/
SoundCloud BandCamp MixCloud Stickney Synthyards Captain Collider Twitch YouTube Last edited by PHOBoS on Sun Sep 11, 2016 7:54 am; edited 1 time in total |
|
|
Back to top
|
|
 |
piedwagtail

Joined: Apr 15, 2006 Posts: 297 Location: shoreditch
Audio files: 3
|
Posted: Fri Jul 11, 2014 6:47 am Post subject:
|
 |
|
| Quote: | | What advantages are there to using the XORs over using a 4014 or 74HC148 (or some other priority encoder)? |
4014 needs clocked loading doesn't it, though that could be a sync feature?
74HC148 is low voltage per the datasheets, not 15V.
4070s are gathering dust and the transfer function is in the pico second category for when you need a quick decision made fast
Didn't Ian Fritz mention about comparator switching problems with the LM3914?
plus as mentioned you can squeeze the string to suit your expected CVs whereas the 3914 is equal divisions as per the reference voltage which might be restricting or required in differing applications.
Robert |
|
|
Back to top
|
|
 |
PHOBoS

Joined: Jan 14, 2010 Posts: 5881 Location: Moon Base
Audio files: 709
|
Posted: Fri Jul 11, 2014 7:22 am Post subject:
|
 |
|
| piedwagtail wrote: | | 4014 needs clocked loading doesn't it, though that could be a sync feature? 74HC148 is low voltage per the datasheets, not 15V. |
Hmm I don't remember using a clock with a priority decoder, but I might be wrong or maybe I used a different one.
let me look that up,...
ah, I used the 4532, which doesn't have a CLK, the 4014 is a shiftregister . 74HC series is indeed 5V max.
| Quote: | | Didn't Ian Fritz mention about comparator switching problems with the LM3914? |
I think that 'problem' is that in dot mode the outputs overlap, so 2 outputs can be high at the same time and that could be a problem
for some circuits. However if you add a priority decoder that doesn't matter, and then you could also use it in bar mode. _________________ "My perf, it's full of holes!"
http://phobos.000space.com/
SoundCloud BandCamp MixCloud Stickney Synthyards Captain Collider Twitch YouTube |
|
|
Back to top
|
|
 |
piedwagtail

Joined: Apr 15, 2006 Posts: 297 Location: shoreditch
Audio files: 3
|
Posted: Fri Jul 11, 2014 7:47 am Post subject:
|
 |
|
4532!
Ok that wins!
But if one wanted to jiggle a +/- 5V CV into the LM3914 that needs a fair bit of support structure to align the response whereas the resistor string is a little more straightforward (I presume) and could be presettable.
musing
An outside clocked s/h can change the euclidean rhythm at points sync'd to the master clock or more probably its inverse, through a divider etc.
Robert |
|
|
Back to top
|
|
 |
PHOBoS

Joined: Jan 14, 2010 Posts: 5881 Location: Moon Base
Audio files: 709
|
|
|
Back to top
|
|
 |
PHOBoS

Joined: Jan 14, 2010 Posts: 5881 Location: Moon Base
Audio files: 709
|
Posted: Fri Jul 11, 2014 8:23 am Post subject:
|
 |
|
| piedwagtail wrote: | | But if one wanted to jiggle a +/- 5V CV into the LM3914 that needs a fair bit of support structure to align the response whereas the resistor string is a little more straightforward (I presume) and could be presettable. |
hmm it's actually not that hard to set the correct responce for the LM3914 and not using LED's makes it slightly easier.
However I'm not sure if you can tie the outputs directly to the priority decoder. I think the voltage levels are correct but I seem to recall
something about them being inverted or maybe that was a different chip. And yeah with resistors you can change the responce, heck go nuts
and use potentiometers (which you could replace with vactrols etc,..)
| Quote: | musing
An outside clocked s/h can change the euclidean rhythm at points sync'd to the master clock or more probably its inverse, through a divider etc. |
and then you could,..
there's no end to it as you probably already know
but please keep coming up with those ideas  _________________ "My perf, it's full of holes!"
http://phobos.000space.com/
SoundCloud BandCamp MixCloud Stickney Synthyards Captain Collider Twitch YouTube |
|
|
Back to top
|
|
 |
piedwagtail

Joined: Apr 15, 2006 Posts: 297 Location: shoreditch
Audio files: 3
|
Posted: Fri Jul 11, 2014 8:33 am Post subject:
|
 |
|
| Quote: | Basically it counts up the number of steps that is set with the pulses switch, then it checks if the binary counter (4029) has counted >7 using
the flipflop. If so it will count down the number of steps that is set with the steps switch and then count up again, if not it will count up again straight
away. |
Thanks!
Ok, there's a door creaking open in my head
| Quote: | | which you could replace with vactrols etc |
right - ldrs and hamsters in wheels to configure
| Quote: | | but please keep coming up with those ideas |
it's much easier for me to see those ideas with your solution than with code or the microprocessor versions.
Robert |
|
|
Back to top
|
|
 |
commathe

Joined: Jul 26, 2013 Posts: 153 Location: Beijing
Audio files: 5
|
Posted: Fri Jul 11, 2014 9:32 am Post subject:
|
 |
|
| PHOBoS wrote: | You could also replace the opamps with a LM3914 for a 2 chip version. Someone actually suggested that combo recently,
but I forgot in which thread. | That was actually me! It pulls low rather than high though, as it is for driving LEDs so it'd probably need some inverters in there. I think the 74xx 8 to 3 line encoder looks for negative, rather than positive, signals though so that could be a possibility |
|
|
Back to top
|
|
 |
PHOBoS

Joined: Jan 14, 2010 Posts: 5881 Location: Moon Base
Audio files: 709
|
Posted: Fri Jul 11, 2014 10:35 am Post subject:
|
 |
|
| piedwagtail wrote: | right - ldrs and hamsters in wheels to configure  |
you just made me visualize a hamsterwheel array
thanks for that.
| commathe wrote: | | PHOBoS wrote: | You could also replace the opamps with a LM3914 for a 2 chip version. Someone actually suggested that combo recently,
but I forgot in which thread. | That was actually me! It pulls low rather than high though, as it is for driving LEDs so it'd probably need some inverters in there. I think the 74xx 8 to 3 line encoder looks for negative, rather than positive, signals though so that could be a possibility |
ah so it does pull low, ok let me see what the 74xx does,
hmm there's the 74147, 74148, 74348, 74748, 74848
74147 & 74148 have both in- and outputs working on low levels (inverted).
The other ones don't seem to be very common, so there's not much use in looking that up.
In that case 8 7 opamps + CD4532 looks like the best option. _________________ "My perf, it's full of holes!"
http://phobos.000space.com/
SoundCloud BandCamp MixCloud Stickney Synthyards Captain Collider Twitch YouTube |
|
|
Back to top
|
|
 |
commathe

Joined: Jul 26, 2013 Posts: 153 Location: Beijing
Audio files: 5
|
Posted: Fri Jul 11, 2014 7:34 pm Post subject:
|
 |
|
Now I feel really silly. Because the 4532 is called an "8 bit priority encoder" rather than a "8-line to 3-line priority encoder" I always thought it didn't something else Seems I've been wasting my time with the 74HC148 when there was a CMOS chip that did exactly what I wanted... *sigh* The biggest bummer is I just put in a huge order and it already shipped out. I would have loved to have picked a few of those up if I realised what they were (as I ordered more 74HC148s...)
I always thought that the 8th op-amp could be used as a "clipping" detector if set up right. Use it to drive an LED to show a signal is exceeding the adc's range. Again, this is what I liked about the LM3914 - 10 outs, and they are already LED drivers so you could show negative and positive peak clipping. This'd be more useful for ac/audio than CV though. |
|
|
Back to top
|
|
 |
PHOBoS

Joined: Jan 14, 2010 Posts: 5881 Location: Moon Base
Audio files: 709
|
|
|
Back to top
|
|
 |
jeanpat
Joined: Jan 15, 2018 Posts: 7 Location: france
|
Posted: Mon Dec 24, 2018 5:25 am Post subject:
Re: Euclidean Rhythm Generator Subject description: updated schematic |
 |
|
Hi everyone !
I want to give a try to this euclidean sequencer.
I am wondering if it will work as it is with 16 steps and 16 pulses, or maybe 10 steps and 10 pulses so l don't need extra cd4017?
Other question where should be connected the C D S dots? |
|
|
Back to top
|
|
 |
PHOBoS

Joined: Jan 14, 2010 Posts: 5881 Location: Moon Base
Audio files: 709
|
Posted: Mon Dec 24, 2018 6:42 am Post subject:
Re: Euclidean Rhythm Generator Subject description: updated schematic |
 |
|
I think (but I am not 100% sure) you should be able to add a 9th step as that output is still free on both 4017's but that's the max.
If you want more steps you could try replacing the 4017's with a binarycounter+bin2dec decoder (CD4514) but I can't guarantee
that will work. It's been a while since I designed it and when I look at it now I wonder how I figured it out in the first place
| Quote: | | Other question where should be connected the C D S dots? |
The CDS connections are for the optional LED display and they just connect together (C-C, D-D, S-S) _________________ "My perf, it's full of holes!"
http://phobos.000space.com/
SoundCloud BandCamp MixCloud Stickney Synthyards Captain Collider Twitch YouTube |
|
|
Back to top
|
|
 |
jeanpat
Joined: Jan 15, 2018 Posts: 7 Location: france
|
Posted: Mon Dec 24, 2018 7:57 am Post subject:
Re: Euclidean Rhythm Generator Subject description: updated schematic |
 |
|
Thank you phobos for your reply.
Nice design!
I am still reading about all those cmos chips, to understand how they work together.
I just notice that the cd4017 start couting on Q1 ans not Q0 does it make a difference ? If not it could make 10 steps.
I will try to breadboard this to see how it work. |
|
|
Back to top
|
|
 |
PHOBoS

Joined: Jan 14, 2010 Posts: 5881 Location: Moon Base
Audio files: 709
|
|
|
Back to top
|
|
 |
|