| Author |
Message |
blue hell
Site Admin

Joined: Apr 03, 2004 Posts: 24484 Location: The Netherlands, Enschede
Audio files: 298
G2 patch files: 320
|
Posted: Thu Oct 12, 2017 4:43 pm Post subject:
|
 |
|
Nice trick with the zeners in the bridge :-) _________________ Jan
also .. could someone please turn down the thermostat a bit.
 |
|
|
Back to top
|
|
 |
PHOBoS

Joined: Jan 14, 2010 Posts: 5868 Location: Moon Base
Audio files: 709
|
Posted: Thu Oct 19, 2017 9:38 am Post subject:
|
 |
|
I have been working on a PCB design which I think is pretty much finished for fabrication. Because it is a double layer PCB
I was able to create some larger copper areas and make it a bit more compact than with perf as I am not stuck to a 0.1"grid.
the maximum size that would fit is 100x50mm or at least the 50mm is fixed. However the cheapest boards are 100x100mm
so I had some spare space. I thought about creating some small boards for a simple LM317/LM337 supply which can always
be useful but I also need some busboards. I can't fit a lot of connectors on such a small size but I wil have 10 of them so I
added some space for screw terminals to link them together. The reason it is upside down is because I cheated a bit to get the
maximum amount of board space. The demo version of eagle I am using allows a max size of ±100x85mm however I noticed
that this only seems to count for components. The boards can be larger and you can still add silkscreen, traces etc. just no
components. So I used this 'free' space for the connectors which don't have the solder pads close to the edge.
also, the fancy gold plated headers I'll be using for the connectors have arrived.
| Description: |
|
| Filesize: |
142.59 KB |
| Viewed: |
782 Time(s) |
| This image has been reduced to fit the page. Click on it to enlarge. |

|
| Description: |
|
| Filesize: |
282.28 KB |
| Viewed: |
818 Time(s) |
| This image has been reduced to fit the page. Click on it to enlarge. |

|
_________________ "My perf, it's full of holes!"
http://phobos.000space.com/
SoundCloud BandCamp MixCloud Stickney Synthyards Captain Collider Twitch YouTube |
|
|
Back to top
|
|
 |
PHOBoS

Joined: Jan 14, 2010 Posts: 5868 Location: Moon Base
Audio files: 709
|
Posted: Tue Oct 24, 2017 6:05 pm Post subject:
|
 |
|
I received most of the parts and immediately noticed the smaller value electrolytic caps (10uF, 22uF, 100uF)
are much larger in size than I anticipated. I did actually check a lot of datasheets when ordering the parts and
designing the PCBs but must have overlooked them. I did already order some new caps (also Nichicon low ESR)
that should fit the board and they will probably arrive tomorrow. I still have to wait 2-3 weeks before the PCBs
arrive though.
The LT1083 regulators haven't arrived either and I am pretty sure they will either be fakes or desoldered ones.
When I ordered them I had no idea they are discontinued and very expensive when available. According to some
comments I found online they do seem to work though but I have no idea what the specs are if they turn out to
be fakes or clones. So I will test them and see how well they perform. There is another option though: the LM350
which Robert mentioned here. They have the same pinout as the LT1083 (and LM317) and because I'll have
10 PCBs I could use those and spread the load.
I do have all the parts for the softstart circuit so soldered that one together and it seems to work fine.
I also did some tests with snubbing using the cheapomodo circuit (V3) by Mark Johnson. For all the details about it you
can find some threads on the diyaudio forums (see also quasimodo circuit). The reason for a snubbing network is that
the switching of the diodes in the bridge rectifier causes the transformer to 'ring' which produces very high frequency
oscillations that can pass by the decoupling caps and regulator. A snubber network will dampen these oscillations.
because they have such a high frequency it was a bit tricky to make it visible on my old scope but I managed to make
some photos that will give an idea how well it performs.
| Description: |
|
| Filesize: |
130.98 KB |
| Viewed: |
22698 Time(s) |

|
| Description: |
|
| Filesize: |
160.59 KB |
| Viewed: |
797 Time(s) |
| This image has been reduced to fit the page. Click on it to enlarge. |

|
| Description: |
|
| Filesize: |
180.66 KB |
| Viewed: |
798 Time(s) |
| This image has been reduced to fit the page. Click on it to enlarge. |

|
_________________ "My perf, it's full of holes!"
http://phobos.000space.com/
SoundCloud BandCamp MixCloud Stickney Synthyards Captain Collider Twitch YouTube Last edited by PHOBoS on Wed Oct 25, 2017 4:28 pm; edited 2 times in total |
|
|
Back to top
|
|
 |
PHOBoS

Joined: Jan 14, 2010 Posts: 5868 Location: Moon Base
Audio files: 709
|
Posted: Wed Oct 25, 2017 8:17 am Post subject:
|
 |
|
I received the LT1083 regulators and they are clearly refurbished parts. At first glance they seem to be ok but a closer inspection
reveals they are not what they seem to be.
The first clue is that there are some scratches on the packages. I guess this could happen if a lot of them would be packed
loosely in a bag and thrown around but that is usually not how components are handled.
The second clue is much more obvious and has to do with the pins. They look new and unsoldered, which they are, but if
you take a close look you can clearly see those are reattached pins and the old original ones are actually pretty short
and probably just cut off.
The third clue is that there are actually some slight differences between the packages of the two I have (this worries me a bit).
Not only do the mounting holes seem to have a different size but if you hold them back to back it also shows there is a small
size difference. There is also a difference between the embedded markings.
I also tested with acetone to see if the top layer comes off (which it shouldn't if original) and it does. This by itself doesn't
say much though. It could be an original although used LT1083 which they stamped a new code on so it looks new again.
I haven't removed the whole top layer yet (curiousity might get the best of me though) but I don't think it is likely I will
find anything underneath. If they are totally different components they'd probably grind off the original markings (I think
it is laser etched) but they would probably do this anyway to get a smooth surface for the new top layer.
I still have to test them to see what they do. Maybe I do some measurements between the pins to see if there are any obvious
differences between the two 'regulators' I have.
If they are actually just refurbished LT1083 regulators I don't mind at all as I only paid about 10% of what they should cost new,
as long as they work of course. However, because of the differences between the two I don't think they are.
edit: the readings I get (diode tests between pins) are consistent between the two devices and are different from a regular
transistor, so that is actually somewhat promising.
| Description: |
|
| Filesize: |
917.94 KB |
| Viewed: |
779 Time(s) |
| This image has been reduced to fit the page. Click on it to enlarge. |

|
| Description: |
|
| Filesize: |
850.05 KB |
| Viewed: |
768 Time(s) |
| This image has been reduced to fit the page. Click on it to enlarge. |

|
| Description: |
|
| Filesize: |
896.65 KB |
| Viewed: |
770 Time(s) |
| This image has been reduced to fit the page. Click on it to enlarge. |

|
| Description: |
|
| Filesize: |
843.19 KB |
| Viewed: |
787 Time(s) |
| This image has been reduced to fit the page. Click on it to enlarge. |

|
| Description: |
|
| Filesize: |
843.54 KB |
| Viewed: |
772 Time(s) |
| This image has been reduced to fit the page. Click on it to enlarge. |

|
_________________ "My perf, it's full of holes!"
http://phobos.000space.com/
SoundCloud BandCamp MixCloud Stickney Synthyards Captain Collider Twitch YouTube |
|
|
Back to top
|
|
 |
PHOBoS

Joined: Jan 14, 2010 Posts: 5868 Location: Moon Base
Audio files: 709
|
|
|
Back to top
|
|
 |
PHOBoS

Joined: Jan 14, 2010 Posts: 5868 Location: Moon Base
Audio files: 709
|
|
|
Back to top
|
|
 |
PHOBoS

Joined: Jan 14, 2010 Posts: 5868 Location: Moon Base
Audio files: 709
|
|
|
Back to top
|
|
 |
AlanP
Joined: Mar 11, 2014 Posts: 746 Location: New Zealand
Audio files: 41
|
Posted: Fri Oct 27, 2017 11:14 am Post subject:
|
 |
|
| Ni! Ni! |
|
|
Back to top
|
|
 |
PHOBoS

Joined: Jan 14, 2010 Posts: 5868 Location: Moon Base
Audio files: 709
|
Posted: Sun Oct 29, 2017 1:19 pm Post subject:
|
 |
|
I added rails to the backside of the case to mount the PSU, added panels for the busboards and did some work on the PSU itself,
I hope the heatsinks will be sufficient. (the whole panel and rails will act as a heatsink too of course). I also did a quick test with
the regulators and they do work, I have no idea how well they will hold up under load though.
| Description: |
|
| Filesize: |
212.87 KB |
| Viewed: |
723 Time(s) |
| This image has been reduced to fit the page. Click on it to enlarge. |

|
| Description: |
|
| Filesize: |
222.14 KB |
| Viewed: |
716 Time(s) |
| This image has been reduced to fit the page. Click on it to enlarge. |

|
| Description: |
|
| Filesize: |
207.22 KB |
| Viewed: |
691 Time(s) |
| This image has been reduced to fit the page. Click on it to enlarge. |

|
_________________ "My perf, it's full of holes!"
http://phobos.000space.com/
SoundCloud BandCamp MixCloud Stickney Synthyards Captain Collider Twitch YouTube |
|
|
Back to top
|
|
 |
PHOBoS

Joined: Jan 14, 2010 Posts: 5868 Location: Moon Base
Audio files: 709
|
|
|
Back to top
|
|
 |
AlanP
Joined: Mar 11, 2014 Posts: 746 Location: New Zealand
Audio files: 41
|
Posted: Thu Nov 09, 2017 9:17 am Post subject:
|
 |
|
| PHOBoS wrote: | I received the PCBs today.
 |
I see you're a fan of the Brothers Young. "High Voltage Rock N Roll!"
(Referring, of course, to the AC/DC silkscreen ) |
|
|
Back to top
|
|
 |
PHOBoS

Joined: Jan 14, 2010 Posts: 5868 Location: Moon Base
Audio files: 709
|
Posted: Thu Nov 16, 2017 3:15 pm Post subject:
|
 |
|
Almost finished, just need to make a panel for the mains switch and some LEDs. It does drop a bit under
load so I did a test with an LM350 but got the same (if not worse) results. So I guess it's good enough.
| Description: |
|
| Filesize: |
217.2 KB |
| Viewed: |
556 Time(s) |
| This image has been reduced to fit the page. Click on it to enlarge. |

|
| Description: |
|
| Filesize: |
227.83 KB |
| Viewed: |
563 Time(s) |
| This image has been reduced to fit the page. Click on it to enlarge. |

|
| Description: |
|
| Filesize: |
257.28 KB |
| Viewed: |
564 Time(s) |
| This image has been reduced to fit the page. Click on it to enlarge. |

|
| Description: |
|
| Filesize: |
265.83 KB |
| Viewed: |
556 Time(s) |
| This image has been reduced to fit the page. Click on it to enlarge. |

|
| Description: |
|
| Filesize: |
245.83 KB |
| Viewed: |
522 Time(s) |
| This image has been reduced to fit the page. Click on it to enlarge. |

|
_________________ "My perf, it's full of holes!"
http://phobos.000space.com/
SoundCloud BandCamp MixCloud Stickney Synthyards Captain Collider Twitch YouTube |
|
|
Back to top
|
|
 |
blue hell
Site Admin

Joined: Apr 03, 2004 Posts: 24484 Location: The Netherlands, Enschede
Audio files: 298
G2 patch files: 320
|
Posted: Thu Nov 16, 2017 4:31 pm Post subject:
|
 |
|
Nice build, looks pretty pro.
Re. the voltage drop on load .. how bad is it?
One 'but' I see is ... it may not be an issue at all ... you are not optimally using the heat sinks this way .. so when it runs too hot with the max current, mounting it a bit differently might help you out. _________________ Jan
also .. could someone please turn down the thermostat a bit.
 |
|
|
Back to top
|
|
 |
PHOBoS

Joined: Jan 14, 2010 Posts: 5868 Location: Moon Base
Audio files: 709
|
Posted: Fri Nov 17, 2017 11:43 am Post subject:
|
 |
|
With a 1.25A load (12V/15W lightbulb) it drops from 12.00V to 11.95V, not sure how much it exactly is as my meter
isn't accurate enough. It's a bit more than I was expecting but probably a lot better than my current wallwart supply.
I think it might actually be because the input voltage is too low, with the 1.25 load this drops to about 13.9V DC.
So I measured the mains voltage and at the moment that is only 216V The transformer is designed for 240V
so the output voltage will already be a bit lower with 230V. It could be that I just need a new DVM though.
You are absolutely right about the heat sinks. Idealy the regulators would be mounted to the base but that's not really
going to work with the way I have mounted them. Although I was thinking yesterday that if I could make some alumiunium
spacers with cutouts for the regulators that would work. Another easier option that would improve it is to mount the
regulators upside down so they are much closer to the base of the heat sinks which is about 1cm thick. _________________ "My perf, it's full of holes!"
http://phobos.000space.com/
SoundCloud BandCamp MixCloud Stickney Synthyards Captain Collider Twitch YouTube |
|
|
Back to top
|
|
 |
AlanP
Joined: Mar 11, 2014 Posts: 746 Location: New Zealand
Audio files: 41
|
Posted: Fri Nov 17, 2017 11:47 am Post subject:
|
 |
|
Use thermal epoxy to attach some fancy CPU cooler heatsinks to the regs?
Damn nice looking PSU. |
|
|
Back to top
|
|
 |
blue hell
Site Admin

Joined: Apr 03, 2004 Posts: 24484 Location: The Netherlands, Enschede
Audio files: 298
G2 patch files: 320
|
Posted: Fri Nov 17, 2017 12:58 pm Post subject:
|
 |
|
Ah ok 50 mV is not to be worried about .. but in case you do ... not sure if it is possible .. you could bring sense lines to the point where the voltage should be stable .. prolly the distribution board .. but this may cause instability and may need some caps then to slow down the feedback. _________________ Jan
also .. could someone please turn down the thermostat a bit.
 |
|
|
Back to top
|
|
 |
PHOBoS

Joined: Jan 14, 2010 Posts: 5868 Location: Moon Base
Audio files: 709
|
Posted: Mon Nov 20, 2017 7:57 pm Post subject:
|
 |
|
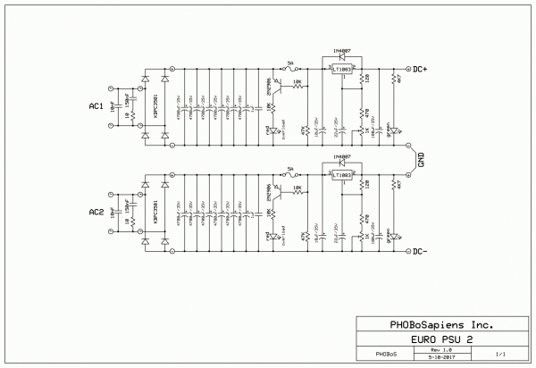
edit: added schematic
| Description: |
|
| Filesize: |
258.37 KB |
| Viewed: |
549 Time(s) |
| This image has been reduced to fit the page. Click on it to enlarge. |

|
| Description: |
|
| Filesize: |
176.01 KB |
| Viewed: |
544 Time(s) |
| This image has been reduced to fit the page. Click on it to enlarge. |

|
| Description: |
|
| Filesize: |
201.02 KB |
| Viewed: |
558 Time(s) |
| This image has been reduced to fit the page. Click on it to enlarge. |

|
| Description: |
|
| Filesize: |
236.68 KB |
| Viewed: |
541 Time(s) |
| This image has been reduced to fit the page. Click on it to enlarge. |

|
| Description: |
|
| Filesize: |
78.61 KB |
| Viewed: |
462 Time(s) |
| This image has been reduced to fit the page. Click on it to enlarge. |

|
_________________ "My perf, it's full of holes!"
http://phobos.000space.com/
SoundCloud BandCamp MixCloud Stickney Synthyards Captain Collider Twitch YouTube Last edited by PHOBoS on Sun Jan 20, 2019 6:58 am; edited 1 time in total |
|
|
Back to top
|
|
 |
PHOBoS

Joined: Jan 14, 2010 Posts: 5868 Location: Moon Base
Audio files: 709
|
Posted: Sat Jan 13, 2018 4:00 pm Post subject:
|
 |
|
I finished another module: Deus Ex machina.
It's made from 2 'prayer machines' similar to the FM3 buddha machines. One was a complete device with a small speaker,
the other one just a small PCB with a COB. They didn't have any options to change the pitch, which would have been nice,
but had some control buttons. The complete version had 3 buttons: 2 for volume (one also functions as an off button) and
a button to select a prayer. The other one had connections for 2 buttons to select a prayer (up/down). I added external
controls for the select buttons and level control.
Now I need some more patch cables so I can add it to my current patch.
| Description: |
|
| Filesize: |
75.3 KB |
| Viewed: |
604 Time(s) |
| This image has been reduced to fit the page. Click on it to enlarge. |

|
| Description: |
|
| Filesize: |
215.65 KB |
| Viewed: |
542 Time(s) |
| This image has been reduced to fit the page. Click on it to enlarge. |

|
| Description: |
|
| Filesize: |
226.29 KB |
| Viewed: |
546 Time(s) |
| This image has been reduced to fit the page. Click on it to enlarge. |

|
| Description: |
|
| Filesize: |
223.72 KB |
| Viewed: |
530 Time(s) |
| This image has been reduced to fit the page. Click on it to enlarge. |

|
_________________ "My perf, it's full of holes!"
http://phobos.000space.com/
SoundCloud BandCamp MixCloud Stickney Synthyards Captain Collider Twitch YouTube |
|
|
Back to top
|
|
 |
Grumble

Joined: Nov 23, 2015 Posts: 1318 Location: Netherlands
Audio files: 30
|
Posted: Sun Jan 14, 2018 12:26 am Post subject:
|
 |
|
I like those big round pushbuttos! Where did you got them from?  _________________ my synth |
|
|
Back to top
|
|
 |
PHOBoS

Joined: Jan 14, 2010 Posts: 5868 Location: Moon Base
Audio files: 709
|
Posted: Sun Jan 14, 2018 4:31 am Post subject:
|
 |
|
I got those from ebay and it's the TC-1212T. Caps* are often sold separately and I got a bag of 140 pcs in different colors.
I wish they were a bit heigher so they would stick out through the panel a little bit more but with Thonkiconn connectors
and a 3mm panel they are pretty much flush with it. I forgot to use those this time though so when I push them they can
slip under the panel, but for this module it's not so important.
*(search for 12x12 switch caps) _________________ "My perf, it's full of holes!"
http://phobos.000space.com/
SoundCloud BandCamp MixCloud Stickney Synthyards Captain Collider Twitch YouTube |
|
|
Back to top
|
|
 |
|