| Author |
Message |
zipzap
Joined: Nov 22, 2005 Posts: 559 Location: germany
Audio files: 24
|
Posted: Mon Jul 24, 2006 5:56 pm Post subject:
Delayed Design |
 |
|
Hi Folks
I´ve got that stuff about a great delax unit in my head and i need some input from you guys. I have this old delay, half working, and it contains a ML3005. I want to build something out of that one day when that vco buisenes has ended and now i´m thinking of ways this unit could function.
I already learned from this forum : Design before delay!
Here´s what i already know:
VC time and feedback
pos and neg feedback + feedback insert
connects to mixing desk (1/4"in/out) and modular (bananadelay)
Aliasing filters with independant and delaytime-follow mode
Now i think about this stuff:
how about pingpong mode? As faar as i understand it takes some 4000 clock ticks for a sound that has entered the chip to come again. So if i got some device that can count up to those 4000 and turn a switch i got a pingpong delay. (If one side conts 12000 and the other 8000 i get something else)
Or maybe not a swich but two vcas. Then the 4000 counter can turn one vca off and the other on. And the vcas can also be used for ext cvs
Also i want some darth vader sounding mode.
This chip can go as slow as i want it to, right? At least if i cut the highs.
What do you think should a decent delay bring? Coffee? |
|
|
Back to top
|
|
 |
Mikmo
Joined: Dec 01, 2005 Posts: 150 Location: Copenhagen - Denmark
|
Posted: Tue Jul 25, 2006 12:43 am Post subject:
|
 |
|
If the 3005 IC works like other delays, the sound quality will go down, when you run i slower, i mean this thing i basically a "sampler" running it slower will reduce the sample speed and of course sound quality.
I build a delay based on the PT2399 IC. (the one at www.tonepad.com), i know it's different from the 300X IC's.
I substituted a much larger pot for the suggested delay time pot and i get much longer delays, but, the sound quality goes drastically down.
i'm a noise head, i like it that way, i also modified it so it has "endless repeats". So you have very long grainy noisy endlessly repeating echoes -
pure bliss
I have two more of the PT2399 IC's and i'm planning on using one for a delay like the one i have and set them op with "mutual feedback", the last one i wold like to use in a VC delay synth module, one day, when my "unfinished projects" pile is a little smaller.... _________________ Stay Cool
Mikael
http://www.mikmo.dk |
|
|
Back to top
|
|
 |
bugbrand

Joined: Nov 27, 2005 Posts: 846 Location: Bristol, UK
Audio files: 1
G2 patch files: 1
|
|
|
Back to top
|
|
 |
zipzap
Joined: Nov 22, 2005 Posts: 559 Location: germany
Audio files: 24
|
Posted: Tue Jul 25, 2006 3:39 am Post subject:
|
 |
|
| Quote: | | i'm a noise head, i like it that way |
Me too. At least to have the possibilty to make it sound bad. And as much as i understand the high frequencies are affected. So a LP can smooth things - if you want it to be smooth.
I like the idea of using a fca in the feedback. Making it go nuts and coming back with an lfo or adsr. Or envelope follower controlling speed and feedback.
About the chips, i never really compared, but i think those old bbd ics sound different to their digital succesors like the PT2399.
In the datasheet it sais that the clock must be between 10 and 100khz.
That means, if i got that right, delay times from 1/10000/4096=0,4096sec and 1/100000/4096=0,04sec. Anyone know if it can be driven beyond those specs? What can happen if i just try? Can it harm the chip (would be bad) or will it just sound bad (would be bad in a positive sense)
What about that mn3101 chip. It´s basically a clock driver. But it also delivers some strange voltage to meet the strange power requierments of the 3005. That is V drain at -15v, V gate at Vdrain+1v and ground. Pretty unusual. It also sais minimum supply is -14. Can´t believe that. Guess i´ll just hook it to my +-12v supply. |
|
|
Back to top
|
|
 |
zipzap
Joined: Nov 22, 2005 Posts: 559 Location: germany
Audio files: 24
|
Posted: Tue Jul 25, 2006 3:41 am Post subject:
|
 |
|
| Oh, and anybody know what happens if it´s not driven by a clock but by a fast pattern sequencer? |
|
|
Back to top
|
|
 |
Scott Stites
Janitor


Joined: Dec 23, 2005 Posts: 4127 Location: Mount Hope, KS USA
Audio files: 96
|
Posted: Tue Jul 25, 2006 6:55 am Post subject:
|
 |
|
| Quote: | In the datasheet it sais that the clock must be between 10 and 100khz.
That means, if i got that right, delay times from 1/10000/4096=0,4096sec and 1/100000/4096=0,04sec. |
Actually, because half the buckets are dumping into the other half of the buckets (except that last bucket, which is dumping into your circuit), the equation is:
(Number of stages/2)/clock frequency
or 2048/clock frequency in this case.
So the delay for 10 kHz is 204.8 ms, delay for 100 kHz is 20.48 ms.
| Quote: | | Anyone know if it can be driven beyond those specs? What can happen if i just try? Can it harm the chip (would be bad) or will it just sound bad (would be bad in a positive sense) |
Back in the day, manufacturers routinely overclocked MN30XX devices, usually when applied in flangers. There wasn't much point in overclocking the larger stage devices, which generally were used for longer delays.
One exception would be the A/DA STD-1, which used the MN3011. It was swept from 30 kHz to 150 kHz. The A/DA Flanger, which used the MN3010, a smaller dual 512 stage device, was swept up to a whopping 650 kHz.
I believe the top end of the datasheet spec was a reflection of using the MN3101 clock - it can drive up to those frequencies with minimal distortion. The trick to driving them at higher frequencies involves either driving the MN3101 with an external oscillator and buffer the two clock ouputs, or just eschewing the MN3101 and using something like a multi-vibrator and buffers. The buffers are required because the capacitive load of the BBD tends to make the unbuffered clock pulse sag the higher in frequency it goes. If the clock pulses are allowed to sag, then the electrons begin to slop from bucket to bucket, rather than be poured neatly Buffering takes care of that problem.
As far as underclocking goes - that's more of a problem. The lower you go, the more clock bleedthrough you get, and it does get painful to listen to.
Cheers,
Scott |
|
|
Back to top
|
|
 |
zipzap
Joined: Nov 22, 2005 Posts: 559 Location: germany
Audio files: 24
|
Posted: Tue Jul 25, 2006 7:16 am Post subject:
|
 |
|
Hi scott, thanks for the info.
Yea, i belive it gets painful at 10khz already, but when cutting the highs with some steep slope (i´ve got some switched cab 24db ic somewhere that could follow the same clock) it should be possible. After all, if i want 5 minutes of clean delay i use a computer.
So if i want to drive it with a clock and buffer like you told me i would have to provide those vdd+1v myself. Is that critical for operation? Will a simple voltage divider work or is there actually current running? Those chips are hard to get by now and i don´t want to kill it... |
|
|
Back to top
|
|
 |
Scott Stites
Janitor


Joined: Dec 23, 2005 Posts: 4127 Location: Mount Hope, KS USA
Audio files: 96
|
Posted: Tue Jul 25, 2006 7:38 am Post subject:
|
 |
|
Hi ZipZap,
Yep - I PMed you an example. I'd hate for you to kill it too - those MN3005's are getting rarer (and more expensive) by the minute.
Right, if you filter it for slower clock frequencies, you'll be able to get rid of a lot of the clock whine. Audio signals will be a bit muffled, but the really slow clocks will sound pretty 'creaky' for want of a better word.
Cheers,
Scott |
|
|
Back to top
|
|
 |
zipzap
Joined: Nov 22, 2005 Posts: 559 Location: germany
Audio files: 24
|
Posted: Tue Jul 25, 2006 8:29 am Post subject:
|
 |
|
Ok, in this case a 4047 is clocking directly with no buffers. What you are talking about is using opamp buffers for even higher frequencies, right?
Doepfer has the A188-1 BBD module. They say that the chip cannot be harmed by overclocking, but that results might not be as expected.
What is good, if i understood correctly, is that the bbd uses pos and neg edge for clocking. So the bbd of 10khz giving 204ms actually a 20khz clock is used, so freq. range is larger than i thought.. |
|
|
Back to top
|
|
 |
Scott Stites
Janitor


Joined: Dec 23, 2005 Posts: 4127 Location: Mount Hope, KS USA
Audio files: 96
|
Posted: Tue Jul 25, 2006 9:59 am Post subject:
|
 |
|
Yes, not the greatest example when talking about buffers
I've seen re-workings of the circuit using 4041 buffers. STD-1 uses the 4041 buffer.
Cheers,
Scott |
|
|
Back to top
|
|
 |
zipzap
Joined: Nov 22, 2005 Posts: 559 Location: germany
Audio files: 24
|
|
|
Back to top
|
|
 |
Scott Stites
Janitor


Joined: Dec 23, 2005 Posts: 4127 Location: Mount Hope, KS USA
Audio files: 96
|
Posted: Tue Jul 25, 2006 1:50 pm Post subject:
|
 |
|
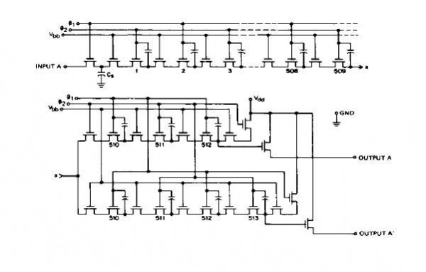
There are two outputs because the buckets alternate between empty and full. If you just took the output of one string of buckets, your signal would be 'empty' half of the time. So, the second output puts out the same level that the first output had once the first output goes low and is getting ready to be filled again with the next sample.
I've attached a couple of illustrations from the SAD1024 data sheet to illustrate. The SAD1024 is a different model of BBD, but they're all functionally the same. Inside_bbd shows that the A' output (the "second" output) has an extra little stage there to feed the signal out when A (the first output) is empty. That way, you get a more-or-less constant output of the BBD.
BBD_output.jpg illustrates what the signal looks like on the respective outputs. The MN30XX datasheets rarely show them (they usually show fixed resistors), but a good idea is to put the outputs to each side of a trimpot and the center tap of the trimpot is the output to feed to the rest of your circuit. This allows one to null the clock signal as best as possible, rather than relying on the linearity of the device and fixed resistors. The MN320X datasheets invariably show this trimmer.
As an aside, the SAD1024 was a dual 512 stage device (like the MN3010) so that made it easy to set it up for parallel multiplex of two different BBD devices (in this case, both devices are in one package). This technique switches the clock signals around from one device to the next, and then it just mixes the same phase output of each device together. This allows the signal to change with each clock pulse, rather than spitting out a copy of the first output on the second output. This doubles the sample rate and allows double the resolution for the same delay time, or doubles the delay for the same sample rate. Using it to double the resolution of the same delay time doubles the Nyquist frequency, and, one assumes, would make one hell of a nice flanger setup.
I recommend the SAD1024 datasheet as a good source of BBD theory. You can get it here:
http://www.synthdiy.com/show/getfile.asp?get=882
Cheers,
Scott
| Description: |
|
| Filesize: |
17.99 KB |
| Viewed: |
14442 Time(s) |

|
| Description: |
|
| Filesize: |
26.22 KB |
| Viewed: |
288 Time(s) |
| This image has been reduced to fit the page. Click on it to enlarge. |

|
|
|
|
Back to top
|
|
 |
StephenGiles
Joined: Apr 17, 2006 Posts: 507 Location: England
|
Posted: Tue Jul 25, 2006 2:28 pm Post subject:
|
 |
|
| Buffer the 4047 with a 4049 and get almost TZF with an SAD 1024! |
|
|
Back to top
|
|
 |
Yorky

Joined: Feb 14, 2005 Posts: 244 Location: Boston, UK
|
Posted: Tue Jul 25, 2006 11:09 pm Post subject:
|
 |
|
| there are 2 clock feeds because these are in opposite phase because in the BBD every other bucket is empty at any one time, ready to be 'filled' be its neighbor. This is also why the equation for the delay time has a /2 in it |
|
|
Back to top
|
|
 |
StephenGiles
Joined: Apr 17, 2006 Posts: 507 Location: England
|
|
|
Back to top
|
|
 |
zipzap
Joined: Nov 22, 2005 Posts: 559 Location: germany
Audio files: 24
|
|
|
Back to top
|
|
 |
|