Author |
Message |
Scott Stites
Janitor


Joined: Dec 23, 2005 Posts: 4127 Location: Mount Hope, KS USA
Audio files: 96
|
Posted: Mon May 28, 2007 5:45 pm Post subject:
Tales from the breadboard Subject description: A VCA for your VCO, sir? |
 |
|
A sample off of the breadboard - I'm trying out the next phase of Thomas' evil plan of world domination through design of analog synthesizer modules.
Yep, a VCA. Sheesh, Tom made this one ultra easy (one sheet schematic) yet effective. It's a nice companion to VCO-1.
Crude sample from the breadboard VCO-1 ->Mankato->VCA-1->delay->recorder
Controlling the Mankato and VCO-1 with the keyboard. I installed on my Ray Wilson EGs an end-of-cycle trigger pulse function. So, I can poke an EG in the gate while the EOS trigger is connected to the trigger in, and it'll start self triggering. That's what you hear here: Mankato and VCA-1 each modulated by the self-triggering EG. Towards the end I can't resist but flip in some delay, which makes it sound like it's going double time.
BTW, this same VCA design was used in both of Thomas' samples on the VCO-1 Resources page on my site.
Set the next CA3080 aside. Page coming soon.
Of course, this isn't all.......it's never all.........
Cheers,
Scott
Description: |
|
 Download (listen) |
Filename: |
VCA1_test.mp3 |
Filesize: |
709.79 KB |
Downloaded: |
1673 Time(s) |
_________________ My Site |
|
Back to top
|
|
 |
philpeery
Joined: Nov 08, 2006 Posts: 137 Location: new jersey, usa
|
Posted: Wed May 30, 2007 9:52 am Post subject:
|
 |
|
Cool demo! What would a Scott Stites mp3 be without delay? Gotta have it!
I can't wait to see the schematic for the VCA. I really need a bunch of good, simple VCA's!
Also, what is this "end of cycle" pulse function that you speak of? Where can I see it? Is it a MFOS design?
This forum gets better and better all the time!
Regards,
Phil |
|
Back to top
|
|
 |
Scott Stites
Janitor


Joined: Dec 23, 2005 Posts: 4127 Location: Mount Hope, KS USA
Audio files: 96
|
Posted: Wed May 30, 2007 2:25 pm Post subject:
|
 |
|
Ah yes - delay - the MSG of music
I think you'll find this design is as simple as it gets, but it works great!
The end of cycle thing was something I worked out with a dual TL072 - the first stage is a comparator and the second stage differentiates the output into a pulse and squares it up - something along those lines IIRC.
The comparator is set to go high when the voltage drops below a certain level (I can't remember off-hand the reference voltage I finally chose - close to the bottom of the EG's output). It would have been really great if I would have had room to put a reference level pot - that would have been really nice, but it works pretty good as it stands. I put three of them in my triple EG module (one for each EG). You can do all kinds of things - you can chain the EGs together with them, or you can use it as a sort of delayed trigger, or (as in the sample) turn an EG into a cool little LFO. I'll see if I can dig up the schematic and post it.
Cheers,
Scott _________________ My Site |
|
Back to top
|
|
 |
v-un-v
Janitor


Joined: May 16, 2005 Posts: 8932 Location: Birmingham, England, UK
Audio files: 11
G2 patch files: 1
|
Posted: Wed May 30, 2007 3:38 pm Post subject:
Re: Tales from the breadboard Subject description: A VCA for your VCO, sir? |
 |
|
Scott Stites wrote: |
Crude sample from the breadboard VCO-1 ->Mankato->VCA-1->delay->recorder
|
Scott, do you dig Raymond Scott and Tom Dissevelt?
very nice sample I presume that will be on the LP too? _________________ ACHTUNG!
ALLES TURISTEN UND NONTEKNISCHEN LOOKENPEEPERS!
DAS KOMPUTERMASCHINE IST NICHT FÜR DER GEFINGERPOKEN UND MITTENGRABEN! ODERWISE IST EASY TO SCHNAPPEN DER SPRINGENWERK, BLOWENFUSEN UND POPPENCORKEN MIT SPITZENSPARKSEN.
IST NICHT FÜR GEWERKEN BEI DUMMKOPFEN. DER RUBBERNECKEN SIGHTSEEREN KEEPEN DAS COTTONPICKEN HÄNDER IN DAS POCKETS MUSS.
ZO RELAXEN UND WATSCHEN DER BLINKENLICHTEN. |
|
Back to top
|
|
 |
Thomas Henry
Joined: Mar 25, 2007 Posts: 298 Location: Southern Minnesota
Audio files: 2
|
Posted: Wed May 30, 2007 10:23 pm Post subject:
Re: Tales from the breadboard Subject description: A VCA for your VCO, sir? |
 |
|
Scott Stites wrote: | A sample off of the breadboard - I'm trying out the next phase of Thomas' evil plan of world domination through design of analog synthesizer modules. |
Hey, I may be evil, but at least I have nothing to do Haliburton (I mean apart from supporting the firm by my income taxes like the rest of us clueless Yankees).
The VCA-1 is a simple one, but since it runs at +/-5V throughput I didn't worry too much about hiss and thump, since these will be padded considerably by mixdown time. But let me know what you think.
Thomas Henry |
|
Back to top
|
|
 |
Randaleem
Joined: May 17, 2007 Posts: 456 Location: Northern CA, USA
|
Posted: Thu May 31, 2007 12:34 am Post subject:
Re: Tales from the breadboard Subject description: A VCA for your VCO, sir? |
 |
|
Scott Stites wrote: | I installed on my Ray Wilson EGs an end-of-cycle trigger pulse function. So, I can poke an EG in the gate while the EOS trigger is connected to the trigger in, and it'll start self triggering. Scott |
Scott,
I've seen a few people mention adding this to Ray's EG's.
Would you mind sharing link, info or schematic of how you did this?
Thank you,
Randal |
|
Back to top
|
|
 |
Scott Stites
Janitor


Joined: Dec 23, 2005 Posts: 4127 Location: Mount Hope, KS USA
Audio files: 96
|
Posted: Thu May 31, 2007 6:24 am Post subject:
|
 |
|
I'll dig up the schematic for the EOC trigger I put into my EGs.
I really dig this VCA, BTW. For such a simple to build thing, I'm very pleased with the results - my KS-01 is going to get some of these, for sure!
Cheers,
Scott _________________ My Site |
|
Back to top
|
|
 |
germaniac
Joined: Aug 04, 2006 Posts: 200 Location: California
Audio files: 7
|
Posted: Fri Jun 01, 2007 3:43 pm Post subject:
|
 |
|
Nice and snappy sample Mr. Stites. Thanks!
BTW, speaking of 3080s, will "Making Music with the 3080" be available soon? Alas, I missed my opportunity to buy it first time around. (Hope this is the right place to ask about this.) |
|
Back to top
|
|
 |
Tim Servo

Joined: Jul 16, 2006 Posts: 924 Location: Silicon Valley
Audio files: 11
|
Posted: Sat Jun 02, 2007 9:12 pm Post subject:
|
 |
|
germaniac wrote: | Nice and snappy sample Mr. Stites. Thanks!
BTW, speaking of 3080s, will "Making Music with the 3080" be available soon? Alas, I missed my opportunity to buy it first time around. (Hope this is the right place to ask about this.) |
Hi G,
Yes, Thomas' 3080 book is next up from Magic Smoke. We already have the "Electronic Drum Cookbook" and "Making Music with the 566." The 3080 book should be out within the next month.
Tim (speaking of 3080s) Servo |
|
Back to top
|
|
 |
Scott Stites
Janitor


Joined: Dec 23, 2005 Posts: 4127 Location: Mount Hope, KS USA
Audio files: 96
|
Posted: Sun Jun 03, 2007 1:46 pm Post subject:
|
 |
|
Quote: | Yes, Thomas' 3080 book is next up from Magic Smoke. |
That's great - it's one of my favorites. Reading it finally allowed me to understand OTAs. Nice thing about it is that a lot of it can be applied to OTAs other than the 3080.
Quote: | Nice and snappy sample Mr. Stites. Thanks! |
Why thank ye, Sir Germ! It's compliments o' Mr. Henry.
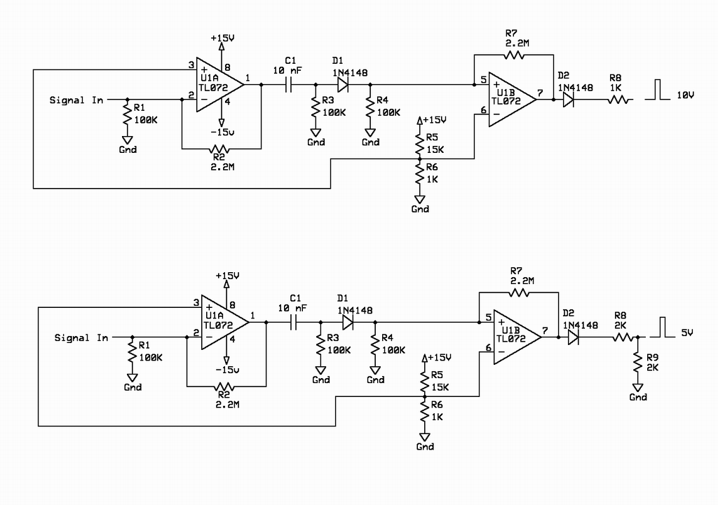
I found my notes concerning the EOC trigger - I used a TL072, sure enough. It's fairly crude, but works like a bat out of hell on my Ray Wilson EGs.
The first section is a comparator with a reference to the positive input and the signal going into the negative input - it uses a 2.2M resistor for some 'snap'. So, while the EG is low, its output is high, but blocked by the 10n mylar cap. I breadboarded it today again just to make sure my notes were correct.
As soon as the EG goes above the reference, the output of the first comparator (U1A) goes low and produces a negative going spike through the cap, which is blocked by the diode. When the EG falls back below the reference, the comparator snaps high, producing a positive pulse through the cap, which the diode passes. The other section of the TL072 (U1B) is configured as a comparator with a 1V reference to the negative input, and a 2.2M resistor for hysterisis. When it sees that positive pulse come through to its positive input, it snaps high then low - it's there to turn the sloppy capacitor pulse into a crisper pulse wave and to prevent any loading on the output of the first comparator.
I've got two configurations illustrated here - they differ in only the output resistors - the top one uses a 1K resistor for output impedance. It delivers right around 10V - the TL072 doesn't top out at the rail, and there's the diode gap there, and it just happens to get to around 10V.
The bottom illustration has a 2K/2K divider, so it cuts the voltage in half - the output is a 5V trigger. The 2K/2K divider gives this version a 1K output impedance as well.
The 15K/1K voltage divider renders a 1V reference - this is fine for my Ray Wilson EGs that provide a pretty stiff (better than 10V) EG signal. The EG hasn't quite fallen all the way before it gets triggered again - that seems to work out pretty the best for this application. If you have 5V envelopes, you might want to consider reducing the 1K resistor to catch more of the EG signal before it's retriggered. In fact, a separate voltage divider using the 15K/reduced-from-1K value for the first comparator reference may be in order. This will keep the same reference voltage for the second comparator, which doesn't care if they're five or ten volt envelopes.
Cheers,
Scott
Description: |
End of Cycle Trigger Circuit |
|
Filesize: |
56.57 KB |
Viewed: |
849 Time(s) |
This image has been reduced to fit the page. Click on it to enlarge. |

|
_________________ My Site Last edited by Scott Stites on Mon Feb 18, 2008 3:22 pm; edited 1 time in total |
|
Back to top
|
|
 |
philpeery
Joined: Nov 08, 2006 Posts: 137 Location: new jersey, usa
|
Posted: Sun Jun 03, 2007 8:20 pm Post subject:
re-triggers, anyone...? |
 |
|
Thanks Scott! I can see a few different applications for this! As a start, I am gonna mod one of my MFOS envelope generators for some fun!
But ya know, I'm thinking maybe a separate module with 4 of these (or more!) to be patched in anywhere.....
Phil
 |
|
Back to top
|
|
 |
Scott Stites
Janitor


Joined: Dec 23, 2005 Posts: 4127 Location: Mount Hope, KS USA
Audio files: 96
|
Posted: Sun Jun 03, 2007 9:04 pm Post subject:
|
 |
|
Actually, this EOC thing is not too far removed from Thomas' Potpourri module from BABMS. The Potpourri design may just deserve a thread here - it's really a nice little utility module along the lines of what you're describing here, not quite like it, but in the same vein.
Cheers,
Scott _________________ My Site |
|
Back to top
|
|
 |
Scott Stites
Janitor


Joined: Dec 23, 2005 Posts: 4127 Location: Mount Hope, KS USA
Audio files: 96
|
Posted: Sun Jun 10, 2007 10:57 am Post subject:
|
 |
|
I put a sample in the Klee thread that uses the VCA. It actually uses the Thomas Henry VCO, the VCA and the Mankato - this patch provides a kick sort of sound and the bass line.
I think I may be wrong a tad in the Klee thread description - I think I may be using the triangle out instead of the sine out (I'll have to go back and look), but anyway, this signal is patched to the mixer module straight, no filter. The pulse wave goes through the VCA and the Mankato to provide the individual notes. The VCA and Mankato share the same EG, so I vary the time constant of the EG with a switch to make longer notes and kick notes. I fade the signal applied to the mixer in and out to get the constant bass pattern.
It's in this thread:
http://electro-music.com/forum/topic-12940-425.html&postdays=0&postorder=asc&highlight=
I'm off to the breadboard to try this latest TH freebie - stay tuned!
Cheers,
Scott _________________ My Site |
|
Back to top
|
|
 |
Randaleem
Joined: May 17, 2007 Posts: 456 Location: Northern CA, USA
|
Posted: Mon Jun 11, 2007 7:17 pm Post subject:
|
 |
|
Thank you for posting this, Scott!
I too see a world of possibilities here. It makes ya go Hmmm...
Randal
Scott Stites wrote: | I found my notes concerning the EOC trigger - I used a TL072, sure enough. It's fairly crude, but works like a bat out of hell on my Ray Wilson EGs.
Cheers,
Scott |
|
|
Back to top
|
|
 |
|