| Author |
Message |
vladosh

Joined: Aug 02, 2010 Posts: 678 Location: macedonia
Audio files: 51
|
Posted: Thu Jan 31, 2013 4:48 am Post subject:
|
 |
|
Polysynth's envelope generator by Roman Sowa as he describes it in his page : http://membres.multimania.fr/romcio/poly/adsr.html Envelope generator in my Polysynth is rather typical and as simple as I could make it. All voltage controlled.
Specifications
Control voltages: -4.5..+4.5V for times, and 0..+4V for levels. -4.5V gives longest time, +4.5 the shortest.
Time range: from 2.5ms to about 60s. Attack time may be shorter if Attack level is set low
Power supply: +/- 5V, never measured supply current. Higher voltage (+/-7V) for opamps would improove performance.
Parts
CMOS:
U3 - 4001 - quad NOR
U4 - 4016 - quad analog switch (might use 4066)
linear:
U1 - TL084 - quad opamp (may be replaced by any FET input opamp)
U2 - CA3080 - OTA
T1, T3 - any pnp transistor (BC557)
T2 - any npn transistor (BC547)
D1 - any diode; D2, D3 - those parts, as well as R5, R6 and R7 may be replaced by exp converter, or single 10k resistor depending on your control needs (linear, exponential, or any kind)
C3 - 1 uF tantalum. Use different value if you don't like 2.5ms-60s ADR time range
R1, R2 divider set the feedback rate for OTA
How does it work
Gate rest level is +5V. Anything between +2 and -5V sets sr flop through C2,R9 network. U3C-4 is low and opens transistor T3. Voltage at (+) of the OTA rises and OTA charges up the C3. Meanwhile U3A-3 is high and opens switch U4B which connects Attack control voltage to 'exp' network D1,2,3,R5,6,7. Other switches are closed if you look at control logic. U2A serves as a buffer, so when C3 is charged up to Attack Level, the comparator U2B changes state to high and resets sr flop (U3A-3 is low and U3B-4 is high). T3 closes, and voltage at (+) of OTA is determined only by Sustain Level voltage and envelope output voltage. Now U4D switch is open and others are closed. OTA gain is now set to value determined by Decay Rate control voltage. C3 is discharged exponentially to Sustain Level voltage.
When gate goes off (to +5V) U3C-10 goes high opening U4C switch and T2 transistor. OTA's (+) input is near 0V (few mV) and C3 is discharged exponentially to 0V at rate set by Release control voltage.
C1 is useful when gate goes off before attack peak is reached. It resets sr flop and EG goes directly into release stage. Otherwise release rate would be the same as attack.
The use of U2C inverting amplifier make sense only together with other modules. In this particular synth EG voltage is actually a reference voltage for sampler's DAC, so it becomes a component of audio signal (it is somehow similar to VCA control voltage bleedthrough). U2C removes this.
Hope this description was helpful in any way. After all this is very simple circuit.
more info ,sdiy and midi on Roman Sowa's website : http://www.sowa.synth.net/
| Description: |
|
| Filesize: |
10.92 KB |
| Viewed: |
4692 Time(s) |
| This image has been reduced to fit the page. Click on it to enlarge. |

|
|
|
|
Back to top
|
|
 |
vladosh

Joined: Aug 02, 2010 Posts: 678 Location: macedonia
Audio files: 51
|
Posted: Thu Jan 31, 2013 5:59 am Post subject:
|
 |
|
Maplin 4600 ETI Synthesizer Envelope Generator design by Trevor Marshall ,more detailed info of this amazing synthesizer on the link http://www.eti4600synthesiser.org.uk/ as well as more technical details on the circuitry of ETI synthesizers
| Description: |
|
| Filesize: |
1.03 MB |
| Viewed: |
2227 Time(s) |
| This image has been reduced to fit the page. Click on it to enlarge. |

|
| Description: |
|
| Filesize: |
2.17 MB |
| Viewed: |
1671 Time(s) |
| This image has been reduced to fit the page. Click on it to enlarge. |

|
|
|
|
Back to top
|
|
 |
vladosh

Joined: Aug 02, 2010 Posts: 678 Location: macedonia
Audio files: 51
|
|
|
Back to top
|
|
 |
vladosh

Joined: Aug 02, 2010 Posts: 678 Location: macedonia
Audio files: 51
|
|
|
Back to top
|
|
 |
vladosh

Joined: Aug 02, 2010 Posts: 678 Location: macedonia
Audio files: 51
|
|
|
Back to top
|
|
 |
vladosh

Joined: Aug 02, 2010 Posts: 678 Location: macedonia
Audio files: 51
|
Posted: Thu Jan 31, 2013 7:04 am Post subject:
|
 |
|
Buchla 281 function generator as presented on this thread : http://electro-music.com/forum/topic-23218.html it is described by Buchla : The model 281 Quad Envelope Generator replaces models 280 and 284, and features independent voltage control of times, expanded time ranges (.001 seconds to 5 minutes), quadrature outputs, internal looping for repetitive function generation, remote control for digitally aided systems, and combining networks for creating complex transient functions.
more on the clone of this module on topobrillo web site : http://www.toppobrillo.com/twoeightyone.html
| Description: |
|
| Filesize: |
34.41 KB |
| Viewed: |
87616 Time(s) |

|
| Description: |
|
| Filesize: |
604.05 KB |
| Viewed: |
2395 Time(s) |
| This image has been reduced to fit the page. Click on it to enlarge. |

|
|
|
|
Back to top
|
|
 |
vladosh

Joined: Aug 02, 2010 Posts: 678 Location: macedonia
Audio files: 51
|
Posted: Thu Jan 31, 2013 8:30 am Post subject:
|
 |
|
Voltage controlled envelope generator by Rene Schmitz
His description : I did build this circuit arround an up-down integrator made from a half LM3900. The logic produces signals for each phase of the envelope, these can be made visible with LEDs, and can act to trigger various events, i.e. delayed vibrato.
Operation overview: When the gate goes high the flipflop inside the 555 sets, the output is the attack signal which switches the attack CV to the exponentiator and the current from the exponentiator to the "up" input of the 3900-integrator. When the output of the integrator reaches 10V the 555 resets and "attack" goes low. The decay signal is asserted when gate input is high, and attack is low, and the output is higher than the sustain level. The current is now switched to the "down" input of the 3900. The output now decays until the output is less than the sustain CV. Then both switches to the 3900 are open and the integrator goes to a hold mode. (The logic signal for this part can be simply derived from the others.) Finally when the gate goes low, the circuit goes to the sustain mode, which is like decay mode, but switched to a different input. The supply bypassing is not shown, use a 4.7uF cap across the 555s power rails. The supplies of the other logic ICs should be decoupled with 100nF each. Also one should add adders for more inputs. The schematic is not 100% ready. Although I will give it a redesign, eliminating the need for the negative supply (and using up the spare amp of the 3900) , the circuit is fully functioning.
visit : http://www.uni-bonn.de/~uzs159/index.html
| Description: |
|
| Filesize: |
22.52 KB |
| Viewed: |
1997 Time(s) |
| This image has been reduced to fit the page. Click on it to enlarge. |

|
|
|
|
Back to top
|
|
 |
vladosh

Joined: Aug 02, 2010 Posts: 678 Location: macedonia
Audio files: 51
|
|
|
Back to top
|
|
 |
vladosh

Joined: Aug 02, 2010 Posts: 678 Location: macedonia
Audio files: 51
|
|
|
Back to top
|
|
 |
vladosh

Joined: Aug 02, 2010 Posts: 678 Location: macedonia
Audio files: 51
|
|
|
Back to top
|
|
 |
PHOBoS

Joined: Jan 14, 2010 Posts: 5881 Location: Moon Base
Audio files: 709
|
|
|
Back to top
|
|
 |
vladosh

Joined: Aug 02, 2010 Posts: 678 Location: macedonia
Audio files: 51
|
Posted: Thu Jan 31, 2013 10:58 am Post subject:
|
 |
|
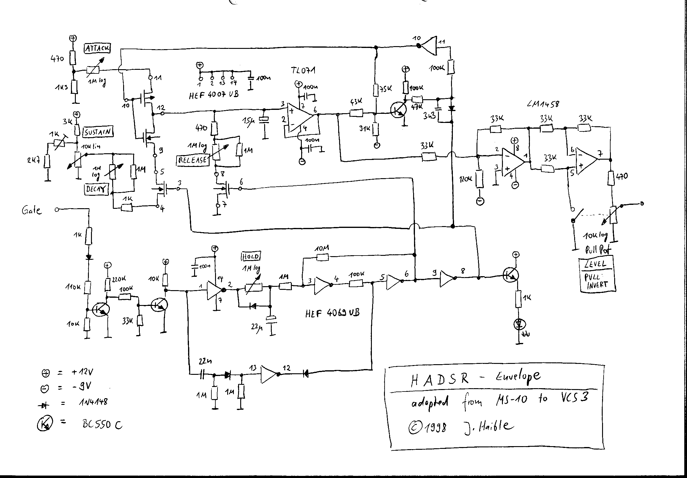
Dual Linear CV-ADSR by Marc Bareille ,from the notes on his page : The Dual ADSR module is adapted from the "EnvyLope" schematic of Mr Aaron Cram. This envelope generator design use the "J.Haible 4 transistors core". It is a Linear Envelope Generator, with voltage control. No OTA,CMOS, TTL,555, inside. 4 state leds shows each step of the ADSR.
Unlike the original schematic, my idea was to build a simple linear (CV) ADSR module. Not a multimode beast ... So this version do not work as an LFO, and CV control inputs are wired to potentiometers only . No external CVIN, this will be for the next time ! It is rather easy to add anyway with an extra " pcb patch..."
Envelope outputs are available on Jacks 6.35, direct (+) and inverse (-). The "INV" switch is a to add offset to keep the inverse (-) signal in positive domain.
The envelope output level is internaly trimmable. There is also 3 trimers to setup range times of stages A,D and R . They are not very obvious to tune ... 10/25 turns stable cermets advised... Envelope times are ranged from fast ( <5ms> 3 mins).
Logic i/o are bananas plugs. It is a personal choice , you can use jacks as well ...They are from left to rigth.
visit http://m.bareille.free.fr/modular1/adsr/mb_cvadsr2.htm for more detailed info ,construction manual and pcb's
| Description: |
|
| Filesize: |
574.6 KB |
| Viewed: |
2122 Time(s) |
| This image has been reduced to fit the page. Click on it to enlarge. |

|
|
|
|
Back to top
|
|
 |
vladosh

Joined: Aug 02, 2010 Posts: 678 Location: macedonia
Audio files: 51
|
|
|
Back to top
|
|
 |
vladosh

Joined: Aug 02, 2010 Posts: 678 Location: macedonia
Audio files: 51
|
|
|
Back to top
|
|
 |
vladosh

Joined: Aug 02, 2010 Posts: 678 Location: macedonia
Audio files: 51
|
Posted: Thu Jan 31, 2013 4:55 pm Post subject:
|
 |
|
Slope Detector for music synthesizers by Ken Stone http://www.cgs.synth.net/ as Ken describes it : The slope detector is an event-driven gate/trigger generating device. It monitors a control voltage, and responds according to what that voltage is doing. If the voltage is rising, the slope detector gives a "gate" output (approx. 5V) on its "rising" output. Likewise, if the voltage is falling, the slope detector gives an output on its "falling" output. The duration of this gate signal depends on the incoming CV and the setting of the sensitivity pot. When the CV is remaining constant, the "steady" output activates.
These gate signals can be used to fire envelope generators dependent on the action of the CV, for example opening a filter when a melody is rising in pitch, and closing it when the melody is falling in pitch. It can also be used to generate gate signals from LFOs, envelope generators, to advance sequencers etc.
The sensitivity pot allows the slope detector to work with either relatively fast events, like the edges of a square wave pulse train, or very slow events, such as the sine output of an LFO being used to drive filter/phaser sweeps.
For more detailed info on this module visit : http://www.cgs.synth.net/modules/cgs62_sd.html
| Description: |
|
| Filesize: |
9.12 KB |
| Viewed: |
87455 Time(s) |

|
|
|
|
Back to top
|
|
 |
vladosh

Joined: Aug 02, 2010 Posts: 678 Location: macedonia
Audio files: 51
|
Posted: Thu Jan 31, 2013 5:09 pm Post subject:
|
 |
|
Bi-N-Tic Filter by Ken Stone http://www.cgs.synth.net/
from there : This is a strange mixture of a VCO and a switched capacitor filter based on the filter presented by Jan Hall in Electronotes. If you are after something different, this fits the bill. After all, how many filters have a sync input?
This filter is based on the original idea by Jan Hall, as presented in Electronotes EN92 P14-15, which was in turn based on an idea in a 1974 issue of Electronic Design on a Biquart (twice the order) filter.
A VCO drives a pair of analog switches, switching two banks of eight 0.047uF (47nF) capacitors across op-amps (effectively creating multiple integrators), and this a multi-passband or comb filter is created at f0, f1, f2 etc.. The overall filter configuration itself should be easily recognized. Two controls are provided within the structure of the filter - damping and bandwidth. Not all combinations of these two are actually valid, some resulting in silence, but none the less, quite an array of variations is possible.
for more detailed information on this Filter/Oscillator visit : http://www.cgs.synth.net/modules/cgs57_bintic.html
| Description: |
|
| Filesize: |
18.73 KB |
| Viewed: |
1850 Time(s) |
| This image has been reduced to fit the page. Click on it to enlarge. |

|
|
|
|
Back to top
|
|
 |
vladosh

Joined: Aug 02, 2010 Posts: 678 Location: macedonia
Audio files: 51
|
Posted: Thu Jan 31, 2013 5:16 pm Post subject:
|
 |
|
VCO555 by Thomas Henry presented by himself on the following thread : http://electro-music.com/forum/topic-54623.html
from there his description on this circuit :
Hi all,
As alluded to previously, I have four projects that have been sitting around way too long and have been panting to get out the door for the past couple of years.
So, here's the first:
VCO using easy to find parts. If I may be so immodest, this is my best design to date. The waveforms look great and if you check the measurements, below, you'll see it's the most accurate I've ever come up with. If I were younger and had more energy, I'd turn this into an article and make some moolah from it. Unfortunately, my strength for such endeavors is ebbing, so instead I'll post it here for you to play with. All I ask is that you respect the rights and don't republish the design or rip it off for any commercial purposes. I'm not opposed to someone doing a PCB for noncommercial uses, but please secure permission from me first.
Okay, without that out of the way, here's the dope. My favorite VCO of all times is the CEM3340, and I've always wanted to approximate it somehow. After nearly thirty years, I finally have a design which comes the closest. The accuracy on my breadboard was very good.
There are ramp, triangle, pulse and sine outputs, all of which are decent looking. The sync is a real treat and basically comes along for free. And, of course, there are the usual VCO features such as coarse and fine tuning, exponential and linear FM, etc. If you're looking for cleverness, then be sure to check out how I did the sync, the ramp, and buffered the sine to keep the chip count down.
So there it is. Have fun with it and be sure to post your results here. Three modules are in the wings and should be out the door in the next week or so. And then school starts yet again and another year evaporates...
Thomas Henry
| Description: |
|
| Filesize: |
68.5 KB |
| Viewed: |
1831 Time(s) |
| This image has been reduced to fit the page. Click on it to enlarge. |

|
| Description: |
|
| Filesize: |
45.65 KB |
| Viewed: |
1821 Time(s) |
| This image has been reduced to fit the page. Click on it to enlarge. |

|
| Description: |
|
| Filesize: |
42.74 KB |
| Viewed: |
1448 Time(s) |
| This image has been reduced to fit the page. Click on it to enlarge. |

|
|
|
|
Back to top
|
|
 |
elmegil

Joined: Mar 20, 2012 Posts: 2179 Location: Chicago
Audio files: 16
|
Posted: Thu Jan 31, 2013 5:47 pm Post subject:
|
 |
|
Vladosh, thank you for doing the legwork so we don't have to
PHOBoS that is a very interesting circuit.... |
|
|
Back to top
|
|
 |
vladosh

Joined: Aug 02, 2010 Posts: 678 Location: macedonia
Audio files: 51
|
Posted: Fri Feb 01, 2013 2:22 am Post subject:
|
 |
|
MS20 inspired VCO by Pantheon ,follow this thread for more details on this module http://www.electro-music.com/forum/topic-46571.html&postorder=asc
| Description: |
|
| Filesize: |
509.45 KB |
| Viewed: |
3180 Time(s) |
| This image has been reduced to fit the page. Click on it to enlarge. |

|
| Description: |
|
| Filesize: |
288.38 KB |
| Viewed: |
2097 Time(s) |
| This image has been reduced to fit the page. Click on it to enlarge. |

|
| Description: |
|
| Filesize: |
139.15 KB |
| Viewed: |
1493 Time(s) |
| This image has been reduced to fit the page. Click on it to enlarge. |

|
| Description: |
|
| Filesize: |
164.16 KB |
| Viewed: |
1496 Time(s) |
| This image has been reduced to fit the page. Click on it to enlarge. |

|
|
|
|
Back to top
|
|
 |
vladosh

Joined: Aug 02, 2010 Posts: 678 Location: macedonia
Audio files: 51
|
Posted: Fri Feb 01, 2013 2:48 am Post subject:
|
 |
|
Richard Brewster's version of CGS/ASM VCO ,from the notes on his website : It all goes back to 1976 when Bernie Hutchins published the schematics for the ENS-76 VCO Option #1.If you are into the design of circuits, I highly recommend getting hold of your own hard copy of Electronotes. The issues from the 1970′s are the best, including the Musical Engineer’s Handbook.You can study all four different schematics: Electronotes, ASM-1, Ken Stone’s, and mine, which is built on Ken’s PC board.
Specifications :
Coarse and Fine tuning pots
1V/OCT CV input
FM Input with attenuator pot, switchable between EXPONENTIAL and LINEAR resonse
LINEAR FM can be AC or DC coupled
Hard Sync input
Pulse Width Modulation iInput
Sawtooth and Pulse wave outputs, both +/-5V
visit : http://pugix.com/synth/cgs-vco-project/ for more detailed information on this vco , http://www.cgs.synth.net/modules/cgs48_vco.html Ken Stone's version ,very detailed overview on the ASM synth by Gene Stopp and additional text by Magnus Danielson on the following link : http://home.swipnet.se/cfmd/synths/friends/stopp/
| Description: |
|
| Filesize: |
638.44 KB |
| Viewed: |
1910 Time(s) |
| This image has been reduced to fit the page. Click on it to enlarge. |

|
|
|
|
Back to top
|
|
 |
vladosh

Joined: Aug 02, 2010 Posts: 678 Location: macedonia
Audio files: 51
|
Posted: Fri Feb 01, 2013 4:04 am Post subject:
|
 |
|
A CD4046 Based VCO by Thomas Henry ,visit http://www.birthofasynth.com/Thomas_Henry/Pages/X-4046.html for a complete analysis and demo of this circuit ,also on this thread on the forum : http://electro-music.com/forum/topic-42721.html from the notes on birth of a synth website :
The X-4046 VCO uses only four ICs to provide five output waveforms, exponential control, linear modulation, and an absolutely scorching hard sync effect.
a word from Thomas Henry on the use of CD4046 :
..Be sure to pay heed to what he found about this project: 4046 chips from some manufacturers just don't hit spec for whatever reason. But it's easy to deal with the problem. Don't waste time with the instruments. Just try tuning this by ear first. If you've got a bad brand, you'll know it at once---you won't be able to tune the VCO anywhere in its range. On the other hand, if you've got it nailed down by ear, then either:
1. Quit tuning, since your ears are the final arbiter anyway. Otherwise,
2. Pull out the frequency counter and DVM and have at it.
I used the CD4046 from National Semiconductor with no problems at all.
Thomas Henry
PCB Layout by Ryk John Miller Thekreator
| Description: |
|
| Filesize: |
923.18 KB |
| Viewed: |
1548 Time(s) |
| This image has been reduced to fit the page. Click on it to enlarge. |

|
| Description: |
|
| Filesize: |
974.19 KB |
| Viewed: |
1564 Time(s) |
| This image has been reduced to fit the page. Click on it to enlarge. |

|
| Description: |
|
| Filesize: |
760.24 KB |
| Viewed: |
1754 Time(s) |
| This image has been reduced to fit the page. Click on it to enlarge. |

|
| Description: |
|
| Filesize: |
291.77 KB |
| Viewed: |
2098 Time(s) |
| This image has been reduced to fit the page. Click on it to enlarge. |

|
|
|
|
Back to top
|
|
 |
vladosh

Joined: Aug 02, 2010 Posts: 678 Location: macedonia
Audio files: 51
|
Posted: Fri Feb 01, 2013 4:15 am Post subject:
|
 |
|
Moog Minisonic inspired VCO by EFM ,follow this link for Yusynth modifications on this circuit : http://yusynth.net/Projects/Wildcat/vco-modules.html ,all EFM documents are archived at Fonitronik's page http://www.modular.fonik.de/
| Description: |
|
| Filesize: |
1.1 MB |
| Viewed: |
1491 Time(s) |
| This image has been reduced to fit the page. Click on it to enlarge. |

|
| Description: |
|
| Filesize: |
745.36 KB |
| Viewed: |
2017 Time(s) |
| This image has been reduced to fit the page. Click on it to enlarge. |

|
| Description: |
|
| Filesize: |
1.65 MB |
| Viewed: |
1573 Time(s) |
| This image has been reduced to fit the page. Click on it to enlarge. |

|
| Description: |
|
| Filesize: |
59.4 KB |
| Viewed: |
1883 Time(s) |
| This image has been reduced to fit the page. Click on it to enlarge. |

|
|
|
|
Back to top
|
|
 |
vladosh

Joined: Aug 02, 2010 Posts: 678 Location: macedonia
Audio files: 51
|
|
|
Back to top
|
|
 |
vladosh

Joined: Aug 02, 2010 Posts: 678 Location: macedonia
Audio files: 51
|
Posted: Fri Feb 01, 2013 5:59 am Post subject:
|
 |
|
VCO by Yves Usson ,for details and BoM on construction on this VCO visit : http://yusynth.net/Modular/EN/VCO/index.html Description from the page :
Should modular DIYing compare to a meal, the VCO is the main course ! It is the heart of the system, the module without which a system cannot be called a Music Synthesizer.
The design of such a module is not easy and building one with good accuracy, low drift and good thermal stability is not simple. I have tried various architectures and eventually came up with quite a classical design.
the layout presented here is for matched BC547
| Description: |
|
| Filesize: |
168.8 KB |
| Viewed: |
3119 Time(s) |
| This image has been reduced to fit the page. Click on it to enlarge. |

|
| Description: |
|
| Filesize: |
249.64 KB |
| Viewed: |
1679 Time(s) |
| This image has been reduced to fit the page. Click on it to enlarge. |

|
| Description: |
|
| Filesize: |
46.51 KB |
| Viewed: |
1717 Time(s) |
| This image has been reduced to fit the page. Click on it to enlarge. |

|
| Description: |
|
| Filesize: |
178.01 KB |
| Viewed: |
1455 Time(s) |
| This image has been reduced to fit the page. Click on it to enlarge. |

|
|
|
|
Back to top
|
|
 |
vladosh

Joined: Aug 02, 2010 Posts: 678 Location: macedonia
Audio files: 51
|
Posted: Fri Feb 01, 2013 6:11 am Post subject:
|
 |
|
ETI 5600 VCO designed by Trevor Marshall ,more detailed info of this amazing synthesizer on the link http://www.eti4600synthesiser.org.uk/ as well as Demo , historical and more technical details on the circuitry of ETI synthesizers
| Description: |
|
| Filesize: |
2.27 MB |
| Viewed: |
1483 Time(s) |
| This image has been reduced to fit the page. Click on it to enlarge. |

|
| Description: |
|
| Filesize: |
1.85 MB |
| Viewed: |
1532 Time(s) |
| This image has been reduced to fit the page. Click on it to enlarge. |

|
| Description: |
|
| Filesize: |
879.94 KB |
| Viewed: |
1970 Time(s) |
| This image has been reduced to fit the page. Click on it to enlarge. |

|
|
|
|
Back to top
|
|
 |
|