Author |
Message |
PHOBoS

Joined: Jan 14, 2010 Posts: 5868 Location: Moon Base
Audio files: 709
|
Posted: Tue May 10, 2016 5:22 pm Post subject:
|
 |
|
Thanks guys!
So what's in the Asylum ?
starting on he bottom row from left to right:
- Chromatic Melody Generator. The SAW output is connected to the mixer, so now you know what that was doing on the inputs/mixer panel.
- Skrogger. Indicated with the little sheep on the panel. I guess it's a bit of an inside joke and for the same reason I used the blue wooly fabric, but I am pretty sure Dave will appreciate it
- Bay-B-Key. Indicated by the yellow with red stripes and small colored keyboard.
In the center on top of the Skrogger my:
- Yellow Case PWM Lunetta. It is connected to the internal mixer but because it already has it's own build in stereo mixer there are no seperate level/pan controls for it.
and next to it on top of the Bay-B-Key:
- Lun-A-Key. Indicated by the light blue with small white keyboard.
Then there are two towers on either side with some lunetta modules. These where originally CD storage systems in which I
mounted some wooden rails and I used some thick solid core copper wire to create some busbars for power distribution.
On the left side from top to bottom:
- Master Clock Divider.
- Fibonacci Sequence Generator.
- Morse Code Generator.
The Master Clock Divider and The Morse Code Generator where originally mounted in the other tower but I wanted them on the left side.
Because the CD storage systems have some inwards sloped sides (which are now top and bottom since I put them on there sides)
and the Master Clock Divider module has a rather large PCB mounted on the top I had to leave some space above it for another module.
On the right side from top to bottom:
- Double Pulse Swing Divider. (2x)
- 4089 Rhythm Generator.
- 8bit random generator.
- "Little gate" Sequencer.
And the centrepiece is my:
- Modular Lunetta. This one also has it's own little mixer so doesn't have seperate level/pan controls.
(there are 2 panels on both sides of it but I will explain some more about that tomorrow)
And located on the top on the left side:
- RGB Shroom Synth.
and on the right side:
- RGB Shroom Drums.
Outputs of both of these are also connected to the mixer.
And here are some more photos.
Description: |
|
Filesize: |
160.21 KB |
Viewed: |
658 Time(s) |
This image has been reduced to fit the page. Click on it to enlarge. |

|
Description: |
|
Filesize: |
256.31 KB |
Viewed: |
677 Time(s) |
This image has been reduced to fit the page. Click on it to enlarge. |

|
Description: |
|
Filesize: |
241.28 KB |
Viewed: |
677 Time(s) |
This image has been reduced to fit the page. Click on it to enlarge. |

|
_________________ "My perf, it's full of holes!"
http://phobos.000space.com/
SoundCloud BandCamp MixCloud Stickney Synthyards Captain Collider Twitch YouTube |
|
Back to top
|
|
 |
Cfish

Joined: Feb 24, 2016 Posts: 477 Location: Indiana
|
Posted: Tue May 10, 2016 6:20 pm Post subject:
|
 |
|
Really love how you did this project. Was a lot of fun. Turned out beautiful.
you should do a YouTube video with that. Seeing and hearing it made me think of this video (A profectionist at work)
https://youtu.be/IvUU8joBb1Q |
|
Back to top
|
|
 |
AlanP
Joined: Mar 11, 2014 Posts: 746 Location: New Zealand
Audio files: 41
|
Posted: Tue May 10, 2016 10:09 pm Post subject:
|
 |
|
Brilliant execution, both in end result, and playing with the forumites!  |
|
Back to top
|
|
 |
RingMad

Joined: Jan 15, 2011 Posts: 428 Location: Montreal, Canada
Audio files: 4
|
Posted: Wed May 11, 2016 3:06 am Post subject:
|
 |
|
Meh... there's no swimming pool.
Hahaha, no, seriously... a great bit of engineering and construction of a PHOBoPHOniC meta-synth!
Thanks for the fun ride.
.:James:.
P.S. What are the approximate dimensions of this thing? |
|
Back to top
|
|
 |
PHOBoS

Joined: Jan 14, 2010 Posts: 5868 Location: Moon Base
Audio files: 709
|
Posted: Wed May 11, 2016 8:52 am Post subject:
|
 |
|
Cfish wrote: | you should do a YouTube video with that. Seeing and hearing it made me think of this video (A profectionist at work)
https://youtu.be/IvUU8joBb1Q |
that's incredible, almost looks and sounds to good to be true. But the prologue and how it works videos were interesting
and explain some things.
RingMad wrote: | P.S. What are the approximate dimensions of this thing? |
Width = 82cm
Depth = 45cm
Height = 57cm + 19cm for the ' interdimensional portals' _________________ "My perf, it's full of holes!"
http://phobos.000space.com/
SoundCloud BandCamp MixCloud Stickney Synthyards Captain Collider Twitch YouTube |
|
Back to top
|
|
 |
Skrog Productions

Joined: Jan 07, 2009 Posts: 1220 Location: Scottish Borders
Audio files: 159
|
Posted: Wed May 11, 2016 10:37 am Post subject:
|
 |
|
FANTASTIC
Great work Phobos , i can see this appearing on the summer solstice gig and more .
Heheheh , sheep panel legend ,
Nice blue lining too
Dave |
|
Back to top
|
|
 |
PHOBoS

Joined: Jan 14, 2010 Posts: 5868 Location: Moon Base
Audio files: 709
|
Posted: Wed May 11, 2016 11:06 am Post subject:
|
 |
|
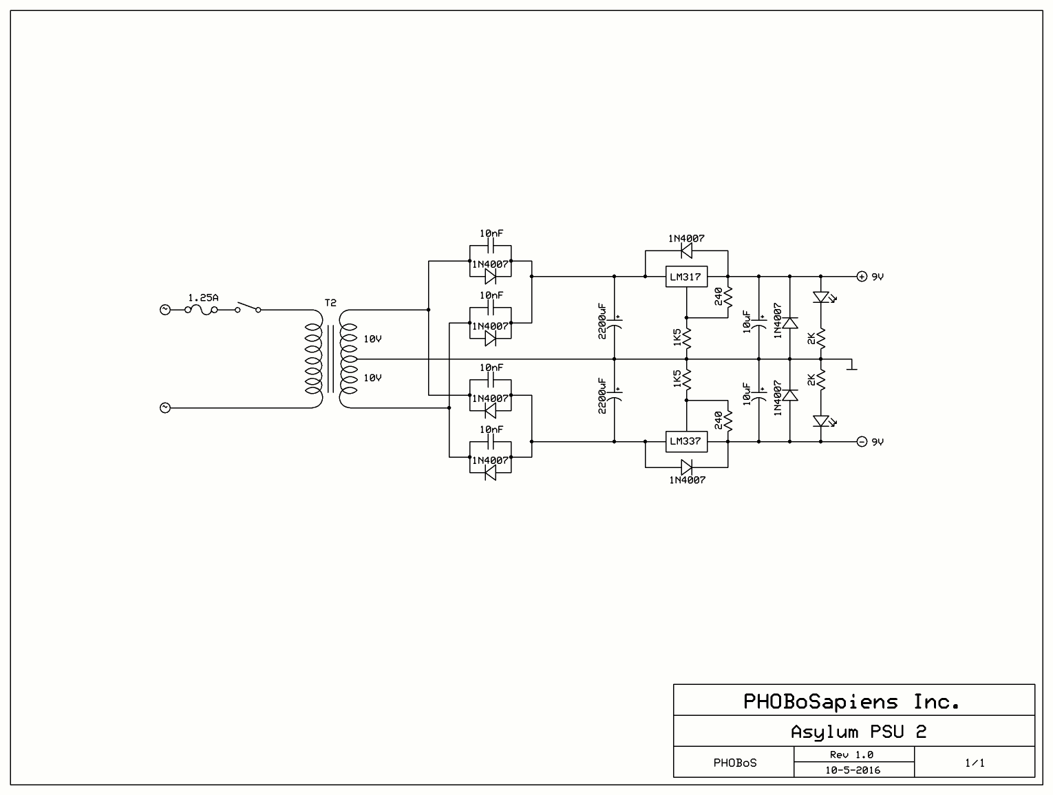
POWERSUPPLY
The main transformer I used was something I got many years ago but I don't have any info on it, or if I do I don't know where it is.
It has a lot of connections (on 2 sides) so I started measuring all the different voltages between them. For a stable 12V DC voltage
I'd need about 12VAC and I found 12,6VAC between two of the connections, they also had the thickest wires attached to them.
To be sure it would be able to supply enough current I attached a low resistance high wattage resistor and measured the voltage to
see if it would drop. It didn't seem to drop at all so those are the connections I used. Although the total power consumption isn't
very high all the digital circuits can be rather noisy, so for that reason I used 5 seperate 12V voltage regulators (the amount I had left).
fun fact: I ordered 10m cable to make the power connections and used all of it.
I wanted to use a seperate transformer winding for the Console Light (there where more than enough anyway) so I looked for another
suitable voltage. I found two sets of connections but one of those dropped to 0V when I attached a resistor to it, the other one seemed
stable and gave an output voltage of 8.75VAC which results in 10V DC. For the Console Light dimmer I used a variable current source
using a circuit I found here. The LED I used is a Nichia NSDL570GS-K1 which is a warm white (2700K) 23lm 140º 5mm LED with a current
rating of 70mA (but I stayed a bit below that). The light is not as warm as I had hoped it would be but it is bright enough.
For the mixer section I wanted a dual supply and I used a seperate transformer. I had a salvaged one that has an output voltage
of 2x 10VAC and by using some adjustable regulators turned it into a nice dual 9V supply.
Both transformers are connected to 1 switch and 1 protective fuse, but I noticed they also both have a built in thermal fuse.
Description: |
|
Filesize: |
180.79 KB |
Viewed: |
640 Time(s) |
This image has been reduced to fit the page. Click on it to enlarge. |

|
Description: |
|
Filesize: |
155.07 KB |
Viewed: |
620 Time(s) |
This image has been reduced to fit the page. Click on it to enlarge. |

|
Description: |
|
Filesize: |
194.13 KB |
Viewed: |
637 Time(s) |
This image has been reduced to fit the page. Click on it to enlarge. |

|
Description: |
|
Filesize: |
43.3 KB |
Viewed: |
660 Time(s) |
This image has been reduced to fit the page. Click on it to enlarge. |

|
Description: |
|
Filesize: |
21.64 KB |
Viewed: |
643 Time(s) |
This image has been reduced to fit the page. Click on it to enlarge. |

|
_________________ "My perf, it's full of holes!"
http://phobos.000space.com/
SoundCloud BandCamp MixCloud Stickney Synthyards Captain Collider Twitch YouTube |
|
Back to top
|
|
 |
PHOBoS

Joined: Jan 14, 2010 Posts: 5868 Location: Moon Base
Audio files: 709
|
|
Back to top
|
|
 |
PHOBoS

Joined: Jan 14, 2010 Posts: 5868 Location: Moon Base
Audio files: 709
|
|
Back to top
|
|
 |
Cfish

Joined: Feb 24, 2016 Posts: 477 Location: Indiana
|
Posted: Wed May 11, 2016 5:47 pm Post subject:
|
 |
|
Very cool. |
|
Back to top
|
|
 |
blue hell
Site Admin

Joined: Apr 03, 2004 Posts: 24488 Location: The Netherlands, Enschede
Audio files: 298
G2 patch files: 320
|
Posted: Thu May 12, 2016 2:37 am Post subject:
|
 |
|
Nice summer track :-) _________________ Jan
also .. could someone please turn down the thermostat a bit.
 |
|
Back to top
|
|
 |
Grumble

Joined: Nov 23, 2015 Posts: 1319 Location: Netherlands
Audio files: 30
|
Posted: Thu May 12, 2016 3:00 am Post subject:
|
 |
|
 |
|
Back to top
|
|
 |
MusicMan11712
Joined: Aug 08, 2009 Posts: 1082 Location: Out scouting . . .
|
Posted: Thu May 12, 2016 8:22 am Post subject:
|
 |
|
Very nice Kolorful Kaleidoscopic Kaliope music! |
|
Back to top
|
|
 |
1:11

Joined: Oct 15, 2010 Posts: 468 Location: The Desert
Audio files: 109
|
|
Back to top
|
|
 |
robsol
Stream Operator

Joined: Apr 24, 2009 Posts: 2498 Location: Bristol UK
Audio files: 495
|
|
Back to top
|
|
 |
PHOBoS

Joined: Jan 14, 2010 Posts: 5868 Location: Moon Base
Audio files: 709
|
Posted: Mon May 16, 2016 3:18 pm Post subject:
|
 |
|
Thanks guys
You are all an inspiration to me and although I built it for myself to play with it wouldn't be so much fun without you!
MIXER
The mixer has 9 inputs: 6 of them are mono channels with panning and level control, 2 of them are stereo channels without any controls
and there is one input that can be used both as a stereo or mono input with level control.
All the inputs have AC coupling and a preset level control because there is some variation between the levels of the different synths.
They are also buffered to get a stable signal for the rest of the mixer circuit. I used NE5534 low noise opamps because I had a bunch
of those which I got years ago but never used. I did some calculations for the panning section and if I did them correct than it should
be -3dB at 50% ('constant power' law). It also adds a log responce to the Level pot.
The level/panning control inverts the signal which is needed for the summing mixer so for the other 3 channels I added an inverting
amplifier. The 11K resistors parallel to the level pot of the mono/stereo channel are added to give it a log responce as well. The mixer
itself is just a basic summing amp. I used the 16K resistors because I had ordered 100 of them for the panning section.
After the mixer the signal is split 4 ways:
- the main output which has level control and output buffers.
- the monitor output which has output buffers but no level control.
- the VU meters.
- the Headphones amplifier.
For the VU meters I did some calculation to get close to the levels of -10dB (consumer line level), 0dB, +4dB (pro line level)
and clipping at 7.5V. The headphones amplifier is pretty much the ciruit that I found here, but with less gain and only
one (stereo) output.
Although the stereo/mono in/outputs work fine I realized too late that because I combined mono with the Left channel and Stereo
with the Right channel the channels are reversed when using a stereo (TRS) connector.
Description: |
|
Filesize: |
22.25 KB |
Viewed: |
18793 Time(s) |

|
Description: |
|
Filesize: |
69.29 KB |
Viewed: |
506 Time(s) |
This image has been reduced to fit the page. Click on it to enlarge. |
![Asylum Mixer - [BLOCK].gif](phpbb-files/thumbs/t_asylum_mixer__block_154.gif)
|
Description: |
|
Filesize: |
120.6 KB |
Viewed: |
512 Time(s) |
This image has been reduced to fit the page. Click on it to enlarge. |

|
Description: |
|
Filesize: |
22.33 KB |
Viewed: |
515 Time(s) |
This image has been reduced to fit the page. Click on it to enlarge. |

|
Description: |
|
Filesize: |
197.5 KB |
Viewed: |
484 Time(s) |
This image has been reduced to fit the page. Click on it to enlarge. |

|
_________________ "My perf, it's full of holes!"
http://phobos.000space.com/
SoundCloud BandCamp MixCloud Stickney Synthyards Captain Collider Twitch YouTube |
|
Back to top
|
|
 |
AlanP
Joined: Mar 11, 2014 Posts: 746 Location: New Zealand
Audio files: 41
|
Posted: Mon May 16, 2016 10:00 pm Post subject:
|
 |
|
Careful not to clip your alligator clips onto your mixer pots! |
|
Back to top
|
|
 |
|