| Author |
Message |
PHOBoS

Joined: Jan 14, 2010 Posts: 5973 Location: Moon Base
Audio files: 709
|
Posted: Wed Sep 27, 2017 12:38 pm Post subject:
PHOMETHEUS Subject description: putting some left-over circuits to use |
 |
|
Over the years I built a lot of circuits that I never put in an enclosure or behind a panel. So I decided to combine a bunch
of those into a 'synth' which I named PHOMETHEUS. It's all going to be housed in one of those metal suitcases for easy
storage and it also saves me the trouble of building a case myself. Because it is going to incorporate a lot of circuits and
I don't have it fully planned out I will built it in parts.
I finished the first section which contains some digital/lunetta circuits. I will go into more depth and post some schematics
later but here's what's in it so far:
1 Stupid (patchable) pattern generator
2 gated oscillators
1 4060 oscillator/divider
1 4046SPACE+
3 AXN gates
2 3-phase oscillators
2 4015 based CMOS waveshapers
1 miniARP (with oscillator)
1 4017/4051 melody generator
and here are some gut pics
| Description: |
|
| Filesize: |
314.75 KB |
| Viewed: |
918 Time(s) |
| This image has been reduced to fit the page. Click on it to enlarge. |

|
| Description: |
|
| Filesize: |
331.79 KB |
| Viewed: |
947 Time(s) |
| This image has been reduced to fit the page. Click on it to enlarge. |

|
| Description: |
|
| Filesize: |
403.63 KB |
| Viewed: |
952 Time(s) |
| This image has been reduced to fit the page. Click on it to enlarge. |

|
| Description: |
|
| Filesize: |
406.8 KB |
| Viewed: |
932 Time(s) |
| This image has been reduced to fit the page. Click on it to enlarge. |

|
_________________ "My perf, it's full of holes!"
http://phobos.000space.com/
SoundCloud BandCamp MixCloud Stickney Synthyards Captain Collider Twitch YouTube |
|
|
Back to top
|
|
 |
PHOBoS

Joined: Jan 14, 2010 Posts: 5973 Location: Moon Base
Audio files: 709
|
Posted: Wed Sep 27, 2017 1:16 pm Post subject:
|
 |
|
Here are some more photos and an excerpt of the first test which also used my RGB shroom drum and a bit of reverb.
Now I want to incorporate some drums as well but I don't know yet if I will built some simple circuits or use a drum
toy as I have a couple of those still waiting to be used. I also took a photo of the patch after the test. (some leads
are disconnected to shut it up at the end).
| Description: |
|
| Filesize: |
334.09 KB |
| Viewed: |
931 Time(s) |
| This image has been reduced to fit the page. Click on it to enlarge. |

|
| Description: |
|
| Filesize: |
387.56 KB |
| Viewed: |
950 Time(s) |
| This image has been reduced to fit the page. Click on it to enlarge. |

|
| Description: |
|
| Filesize: |
393.31 KB |
| Viewed: |
921 Time(s) |
| This image has been reduced to fit the page. Click on it to enlarge. |

|
| Description: |
| PHOBoS - PHOMETHEUS test 1 (excerpt) |
|
 Download (listen) |
| Filename: |
PHOBoS - PHOMETHEUS test 1 (excerpt).mp3 |
| Filesize: |
26.13 MB |
| Downloaded: |
1530 Time(s) |
_________________ "My perf, it's full of holes!"
http://phobos.000space.com/
SoundCloud BandCamp MixCloud Stickney Synthyards Captain Collider Twitch YouTube |
|
|
Back to top
|
|
 |
RingMad

Joined: Jan 15, 2011 Posts: 430 Location: Montreal, Canada
Audio files: 4
|
Posted: Fri Sep 29, 2017 6:12 am Post subject:
|
 |
|
That sounds pretty cool! The repetitive bassline/drumline reminds me of Suicide, and the rest is like replacing Alan Vega's vocals with a crazy binary-bleep robot freaking out on Phobonetics and shooting lasers. Or something.
What a mess of patch wires! Sometimes I try to think of a better way for patching, one that doesn't obscure the LEDs and make it hard to manipulate pots and switches and require untangling to make changes. But there just isn't any other way, really.
Speaking of wires, it is most un-messy inside the box. I'm always amazed how your stuff seems so clean and orderly. I've gotten better, but I always seem to get into situations that require having wires cross and fly all over the place.
Thanks for the guts photos... they give me some clues on how to better organize things. I think the way I layout/solder my circuits has to change in order to be able to use ribbon cables... it's an extra step and requires more room... one has to bring the wires to a header.
Those rainbow ribbons you use... do they already have the female headers on one end, or do you solder those on yourself?
.:James:. |
|
|
Back to top
|
|
 |
PHOBoS

Joined: Jan 14, 2010 Posts: 5973 Location: Moon Base
Audio files: 709
|
Posted: Fri Sep 29, 2017 7:30 am Post subject:
|
 |
|
| RingMad wrote: | | That sounds pretty cool! The repetitive bassline/drumline reminds me of Suicide, and the rest is like replacing Alan Vega's vocals with a crazy binary-bleep robot freaking out on Phobonetics and shooting lasers. Or something. |
thanks
The bassline is done with the miniARP. Although the number of notes it produces is limited (and I didn't actually use all of them)
it is nice to have something that is always in tune.
| Quote: | | What a mess of patch wires! Sometimes I try to think of a better way for patching, one that doesn't obscure the LEDs and make it hard to manipulate pots and switches and require untangling to make changes. But there just isn't any other way, really. |
I did try to put all the controls at the bottom as much as possible but once you start patching a tangled mess is pretty
much unavoidable. The only thing you can do is indeed repatch and untangle it a bit once you have it patched up.
| Quote: | | Those rainbow ribbons you use... do they already have the female headers on one end, or do you solder those on yourself? |
Nope, it just comes from a big roll I got very cheap many moons ago. It has no female headers btw. I did think about using
connectors and add an extra PCB with headers so I could unplug the whole panel but besides not having connectors for it that
seemed like an unnecessary extra step. I do add male pin headers on the PCBs to make soldering a bit easier though. I actually
don't really like to solder the ribboncable but it has a nice amount of colors and does make the end result a bit cleaner.
this is also a nice example of a pretty clean wiring job. _________________ "My perf, it's full of holes!"
http://phobos.000space.com/
SoundCloud BandCamp MixCloud Stickney Synthyards Captain Collider Twitch YouTube |
|
|
Back to top
|
|
 |
gabbagabi

Joined: Nov 29, 2008 Posts: 652 Location: Berlin by n8
Audio files: 23
|
Posted: Tue Oct 03, 2017 4:41 am Post subject:
|
 |
|
very nice,
sounds cool looks cool. |
|
|
Back to top
|
|
 |
wackelpeter
Joined: May 05, 2013 Posts: 461 Location: germany
Audio files: 10
|
Posted: Wed Oct 04, 2017 7:18 am Post subject:
|
 |
|
Prometheus brought fire to mankind... Phometheus brought headache to mankind...
Nope, just joking... As usual very impressive and stunning work Phobos!
Congrats! _________________ https://soundcloud.com/bastian-j |
|
|
Back to top
|
|
 |
PHOBoS

Joined: Jan 14, 2010 Posts: 5973 Location: Moon Base
Audio files: 709
|
|
|
Back to top
|
|
 |
stolenfat

Joined: Apr 17, 2008 Posts: 476 Location: Sunny Oakland California
Audio files: 1
|
Posted: Thu Oct 26, 2017 1:25 am Post subject:
|
 |
|
that recording is amazing. well played!
Are most of the upper end (higher) notes coming from the space+ circuit? _________________ home made noise and electronic ill-logic |
|
|
Back to top
|
|
 |
PHOBoS

Joined: Jan 14, 2010 Posts: 5973 Location: Moon Base
Audio files: 709
|
|
|
Back to top
|
|
 |
PHOBoS

Joined: Jan 14, 2010 Posts: 5973 Location: Moon Base
Audio files: 709
|
Posted: Mon Jul 16, 2018 6:49 am Post subject:
|
 |
|
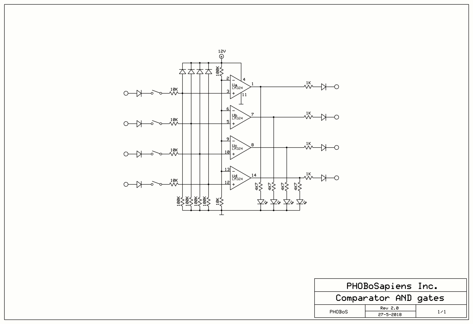
Some more circuits have been added.
I wanted to have some controls so I added a couple of switches. I added some comparators to these as I sometimes
run into problems if I want to use a 5V signal (from my modular synths) to control my lunetta's that mostly run on 12V.
I also used some diodes to protect agains negative and over voltage.
The little drummer circuit was kept simple, I had been thinking about incorporating some kind of priority encoder as
only one drum sound can sound at the same time but eventually discarded that idea. As it turns out it looks like it
already has it built in. I had a bit of trouble to get a decent output but eventually managed to get something useful.
The PT2399 delay was something I made years ago as a test circuit and I added some in/output buffers to it.
| Description: |
|
| Filesize: |
49.27 KB |
| Viewed: |
699 Time(s) |
| This image has been reduced to fit the page. Click on it to enlarge. |

|
| Description: |
|
| Filesize: |
51.78 KB |
| Viewed: |
700 Time(s) |
| This image has been reduced to fit the page. Click on it to enlarge. |

|
| Description: |
|
| Filesize: |
73.33 KB |
| Viewed: |
722 Time(s) |
| This image has been reduced to fit the page. Click on it to enlarge. |

|
| Description: |
|
| Filesize: |
385.95 KB |
| Viewed: |
655 Time(s) |
| This image has been reduced to fit the page. Click on it to enlarge. |

|
| Description: |
|
| Filesize: |
331.43 KB |
| Viewed: |
619 Time(s) |
| This image has been reduced to fit the page. Click on it to enlarge. |

|
_________________ "My perf, it's full of holes!"
http://phobos.000space.com/
SoundCloud BandCamp MixCloud Stickney Synthyards Captain Collider Twitch YouTube |
|
|
Back to top
|
|
 |
PHOBoS

Joined: Jan 14, 2010 Posts: 5973 Location: Moon Base
Audio files: 709
|
|
|
Back to top
|
|
 |
PHOBoS

Joined: Jan 14, 2010 Posts: 5973 Location: Moon Base
Audio files: 709
|
Posted: Mon Sep 16, 2019 5:22 am Post subject:
|
 |
|
Finished the mixer. I didn't have enough knobs of the same color so for now it has an assortment of colors, which is also nice
The circuit is based on the mixer I used in the asylum but without the input buffers.
Next I want to add some trigger inputs for the little drummer. It can only play one drum sound at a time and because of this it can't play
a new drum sound untill all the other inputs are low, eventhough the sound is long gone.
There also 2 oscillators in there that have a tendency to sync up. Not sure why it happens but it would be nice to get them isolated.
I do recall JovianPyx mentioning LEDs in the powerline for a PAIA module that had a similar problem, so maybe I give that a go.
Although I think they only run on 3V to begin with so the voltage drop would probably be to much. Maybe some resistors will
already do the trick. They' re actyally RGB LED drivers btw.
| Description: |
|
| Filesize: |
312.55 KB |
| Viewed: |
420 Time(s) |
| This image has been reduced to fit the page. Click on it to enlarge. |

|
| Description: |
|
| Filesize: |
324.45 KB |
| Viewed: |
432 Time(s) |
| This image has been reduced to fit the page. Click on it to enlarge. |

|
_________________ "My perf, it's full of holes!"
http://phobos.000space.com/
SoundCloud BandCamp MixCloud Stickney Synthyards Captain Collider Twitch YouTube |
|
|
Back to top
|
|
 |
|