| Author |
Message |
analogmonster

Joined: May 30, 2011 Posts: 99 Location: Germany
|
Posted: Wed Jun 19, 2024 1:53 am Post subject:
Oberheim SEM clone - Oberheim Four Voice clone Subject description: Oberheim clones in SMT |
 |
|
Hello everyone,
as work is making progress, I decided to open a thread concerning my Oberheim SEM cloning activities. And – perhaps this will be my Oberheim 4-Voice thread someday, who knows…
By the way – I will clone this thread in other forums as well.
All started with an SMT finger exercise, and I decided to do this by cloning sub modules / sub functions of the Oberheim SEM as mini projects, just to try SMT in small functional units.
Yes, I know, there are a lot of SEM cloning projects out there, and affordable cloned instruments, but I wanted to dive into and gain experience in SMT and I want a clone which is quite close to the original, to learn and understand how the original SEM works, the pros and cons of the SEM concepts, so to say to “look under the skirt” of the SEM technology etc.
By the way - I did this by cloning the Moog System 55 the same way.
And although I try to keep the original analogue circuitry of the SEM, I changed / added some concepts surrounding the SEM like Autotune, additional wave shapers and probably some more I don’t know yet.
I published some information in the 2024 Build Pictures thread already, so I start my thread with chapter 4.
Chapter 1: SEM LFO clone
Chapter 2: SEM ENV clone
Chapter 3: SEM VCA clone
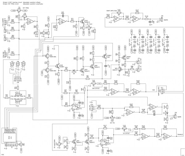
So this is Chapter 4, the SEM VCO:
Things I changed:
I simplified the Init Frequency – circuitry.
I adapted component values and types to SMT availability.
Things I added:
I added a triangle wave shaper together with offset and amplitude adjustment and the possibility of morphing between saw and triangle (see video below).
I added a “Tune Fine” option, as the dual pot of the original is not available anymore, so I split the “Frequency” adjustment into two pots “Tune Coarse” and “Tune Fine”.
I added an offset adjustment for the saw wave.
I added an amplitude adjustment for the saw / triangle – mix ( = “Ramp Output”).
I added a 30 kHz low pass filter to the ramp output to reduce the distortion of the reset slope of the saw core.
Things I kept:
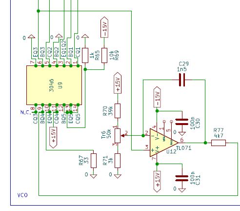
The saw core uses a tempco based exponentiator with a 3046 transistor array. It needs a warm up time of 15 minutes like the original does. Before that the scale and the tuning do not fit; the difference is up to a semi-octave. I will add Autotune functionality to compensate that.
The rest of the circuit I kept as well, beside the changes mentioned above.
| Description: |
|
| Filesize: |
2.13 MB |
| Viewed: |
180 Time(s) |
| This image has been reduced to fit the page. Click on it to enlarge. |

|
| Description: |
|
| Filesize: |
241.22 KB |
| Viewed: |
219 Time(s) |
| This image has been reduced to fit the page. Click on it to enlarge. |

|
| Description: |
| Video: Waveforms and Morphing |
|
 Download (listen) |
| Filename: |
TSEM_VCO_Waveforms.mp4 |
| Filesize: |
52.86 MB |
| Downloaded: |
159 Time(s) |
_________________ Analogmonster: https://www.analog-monster.de/index_en.html
YouTube: https://www.youtube.com/user/TheAnalogmonster
SoundCloud: https://soundcloud.com/analogmonster-1 |
|
|
Back to top
|
|
 |
analogmonster

Joined: May 30, 2011 Posts: 99 Location: Germany
|
Posted: Thu Jun 20, 2024 5:51 am Post subject:
|
 |
|
Further improvements of the VCO:
I protected the expo-tempco arrangement on the board with a small block of polyurethan to increase temperature stability. As the SEM VCO does not provide a chip heater by concept, the PCB, especially the tempco <=> transistor-array arrangement, needs at least a bit of thermo isolation. If I would not plan to add autotune to all SEM VCOs anyway I would place the scale trim pot on the front panel to allow climatic adjustments more easily.
So one disadvantage of the original SEM VCO clearly is the lack of a chip heater.
Another correction I had to do was to add another 30kHz low pass filter behind the triangle wave shaper to reduce the distortion of the reset slope of the saw core as well as I had to do behind the ramp output / saw output.
These adds will be integrated in the TSEM Clone PCB. _________________ Analogmonster: https://www.analog-monster.de/index_en.html
YouTube: https://www.youtube.com/user/TheAnalogmonster
SoundCloud: https://soundcloud.com/analogmonster-1 |
|
|
Back to top
|
|
 |
analogmonster

Joined: May 30, 2011 Posts: 99 Location: Germany
|
|
|
Back to top
|
|
 |
analogmonster

Joined: May 30, 2011 Posts: 99 Location: Germany
|
Posted: Wed Oct 02, 2024 3:44 am Post subject:
Chapter 5 Subject description: Oberheim SEM VCF clone |
 |
|
Hello everyone,
now I finished the fifth chapter of my Oberheim SEM cloning activities, cloning the SEM VCF.
This VCF is basically a state variable filter. It creates highpass, bandpass and lowpass outputs in parallel.
Following the original SEM my clone processes three input signal groups of two input signals (see schematic below). Each input group can morph between its input signals with a balance pot (in this stand alone version of my clone I use only one of them ("PULSE IN" <=> "RAMP IN")).
Each filter stage is implemented with a standard OTA cell.
An interesting aspect is the way the resonance function works: it works as damper, not as amplifier. That means that omitting the resonance circuitry means maximum of resonance!
Additionally the module processes three selectable modulation sources for voltage control.
Remark: The "NOTCH" filter function of the original SEM module is created by its VCA by addition of the high- and lowpass VCF outputs. My VCA clone of the SEM sub functions offers the same possibility with morphing between lowpass, notch and highpass.
The resonance adjustment is done manually and can't be voltage controlled.
Component changes:
- OTA CA3086 is LM13700
- All OpAmps are TL072
- N-Channel FET are MMBF4391
- All NPNs are BC847C
- All PNPs are BC857C
The basic functions of the module are the same as in the original. I added some enhancements though:
- Adjustable zero symmetry of the filter outputs (LP, BP and HP) for internal post processing (like being used in a complete SEM clone)
- Adjustable output amplitude of the filter outputs (LP, BP and HP) for internal post processing (like being used in a complete SEM clone)
| Description: |
|
| Filesize: |
250.35 KB |
| Viewed: |
210 Time(s) |
| This image has been reduced to fit the page. Click on it to enlarge. |

|
| Description: |
|
| Filesize: |
31.09 KB |
| Viewed: |
152 Time(s) |
| This image has been reduced to fit the page. Click on it to enlarge. |

|
| Description: |
|
| Filesize: |
100.61 KB |
| Viewed: |
146 Time(s) |
| This image has been reduced to fit the page. Click on it to enlarge. |

|
| Description: |
|
| Filesize: |
140.98 KB |
| Viewed: |
169 Time(s) |
| This image has been reduced to fit the page. Click on it to enlarge. |

|
| Description: |
|
 Download (listen) |
| Filename: |
TSEM_VCF.mp4 |
| Filesize: |
249.64 MB |
| Downloaded: |
147 Time(s) |
_________________ Analogmonster: https://www.analog-monster.de/index_en.html
YouTube: https://www.youtube.com/user/TheAnalogmonster
SoundCloud: https://soundcloud.com/analogmonster-1 |
|
|
Back to top
|
|
 |
analogmonster

Joined: May 30, 2011 Posts: 99 Location: Germany
|
Posted: Wed Oct 30, 2024 3:33 am Post subject:
TSEM VCA ENV Subject description: Chapter 2 and 3 (VCA and ENV) as combination module |
 |
|
Chapter 2 and 3 of my Oberheim-SEM-Clone-2-SMD - activities handle the VCA- and ENV- sub function of the Oberheim SEM (see above). At the beginning just a feasibility study, I integrated them into my third modular system now as combination module, or better to say as module with two functions, because I built it, so I use it.
If you compare the front panel of this clone with the original (see below), you see the additional control elements and connectors at the front panel immediately, which you can't find at the original. These are the outer equivalents of the internal connections and functions of the original SEM which are not needed as external elements there. The TSEM VCA ENV as stand-alone module must expose them obviously to be usable.
Please find any technical description and details, circuit explainations etc. at
https://www.analog-monster.de/tsem_vcaenv_en.html
| Description: |
|
| Filesize: |
36.99 KB |
| Viewed: |
156 Time(s) |
| This image has been reduced to fit the page. Click on it to enlarge. |

|
| Description: |
|
| Filesize: |
70.45 KB |
| Viewed: |
155 Time(s) |
| This image has been reduced to fit the page. Click on it to enlarge. |

|
_________________ Analogmonster: https://www.analog-monster.de/index_en.html
YouTube: https://www.youtube.com/user/TheAnalogmonster
SoundCloud: https://soundcloud.com/analogmonster-1 |
|
|
Back to top
|
|
 |
analogmonster

Joined: May 30, 2011 Posts: 99 Location: Germany
|
Posted: Mon Nov 11, 2024 6:30 am Post subject:
Second combi module Subject description: Combination module from chapter 1 and 3 of my Oberheim SEM cloning activities |
 |
|
So this is the next combination module of my Oberheim SEM Clone goes SMT activities. This time I built a combination of the TSEM LFO and TSEM ENV in one module.
As an original SEM contains two envelopes I built another TSEM ENV to add it to my modular synthesizer representation of an Oberheim SEM. Together with some helper modules this will be my test platform for SEM evaluation.
| Description: |
| TSEM clone and helper modules |
|
| Filesize: |
200.1 KB |
| Viewed: |
157 Time(s) |
| This image has been reduced to fit the page. Click on it to enlarge. |

|
| Description: |
|
| Filesize: |
113.37 KB |
| Viewed: |
152 Time(s) |
| This image has been reduced to fit the page. Click on it to enlarge. |

|
| Description: |
|
| Filesize: |
32.68 KB |
| Viewed: |
136 Time(s) |
| This image has been reduced to fit the page. Click on it to enlarge. |

|
_________________ Analogmonster: https://www.analog-monster.de/index_en.html
YouTube: https://www.youtube.com/user/TheAnalogmonster
SoundCloud: https://soundcloud.com/analogmonster-1 |
|
|
Back to top
|
|
 |
analogmonster

Joined: May 30, 2011 Posts: 99 Location: Germany
|
|
|
Back to top
|
|
 |
analogmonster

Joined: May 30, 2011 Posts: 99 Location: Germany
|
|
|
Back to top
|
|
 |
analogmonster

Joined: May 30, 2011 Posts: 99 Location: Germany
|
|
|
Back to top
|
|
 |
analogmonster

Joined: May 30, 2011 Posts: 99 Location: Germany
|
|
|
Back to top
|
|
 |
analogmonster

Joined: May 30, 2011 Posts: 99 Location: Germany
|
|
|
Back to top
|
|
 |
analogmonster

Joined: May 30, 2011 Posts: 99 Location: Germany
|
Posted: Tue Jan 28, 2025 12:36 am Post subject:
TSEM Clone of Oberheim SEM now complete Subject description: Second VCO added |
 |
|
Now my clone of the famous Oberheim SEM is complete - at least as modular solution.
With adding the second VCO the amount of SEM sub functions cloned as modules is identical to the original.
This is the second version of my VCO clone. This time I added a chip heater solution for expo stabilization, in contrast to the original SEM which utilizes a tempco approach.
| Description: |
| Heater for 3046 transistor array |
|
| Filesize: |
34.53 KB |
| Viewed: |
7197 Time(s) |

|
| Description: |
|
| Filesize: |
184.25 KB |
| Viewed: |
135 Time(s) |
| This image has been reduced to fit the page. Click on it to enlarge. |

|
| Description: |
| PCB for TSEM VCO version 2 chip heater variant |
|
| Filesize: |
119.29 KB |
| Viewed: |
140 Time(s) |
| This image has been reduced to fit the page. Click on it to enlarge. |

|
_________________ Analogmonster: https://www.analog-monster.de/index_en.html
YouTube: https://www.youtube.com/user/TheAnalogmonster
SoundCloud: https://soundcloud.com/analogmonster-1 |
|
|
Back to top
|
|
 |
blue hell
Site Admin

Joined: Apr 03, 2004 Posts: 24582 Location: The Netherlands, Enschede
Audio files: 308
G2 patch files: 320
|
Posted: Tue Jan 28, 2025 5:26 am Post subject:
Re: TSEM Clone of Oberheim SEM now complete Subject description: Second VCO added |
 |
|
| analogmonster wrote: | | This is the second version of my VCO clone. This time I added a chip heater solution for expo stabilization, in contrast to the original SEM which utilizes a tempco approach. |
So, your first version has a tempco stiil and the 2nd an oven thingie ... when you still have both ... this would be an interesting test to see which one is stabilized best.
Anyway, this a nice series here :) _________________ Jan
also .. could someone please turn down the thermostat a bit.
 |
|
|
Back to top
|
|
 |
analogmonster

Joined: May 30, 2011 Posts: 99 Location: Germany
|
Posted: Wed Feb 05, 2025 12:28 am Post subject:
Re: TSEM Clone of Oberheim SEM now complete Subject description: Second VCO added |
 |
|
| blue hell wrote: |
...
So, your first version has a tempco stiil and the 2nd an oven thingie ... when you still have both ... this would be an interesting test to see which one is stabilized best.
Anyway, this a nice series here  |
Thanks
As I assumed the chip heater approach is better. The tempco solution is not that bad, but difficult in linearity, so a scale re-adjustment must be done from time to time. The chip-heater is better, but still not perfect, so I work on a third SEM VCO version with further improvements. _________________ Analogmonster: https://www.analog-monster.de/index_en.html
YouTube: https://www.youtube.com/user/TheAnalogmonster
SoundCloud: https://soundcloud.com/analogmonster-1 |
|
|
Back to top
|
|
 |
analogmonster

Joined: May 30, 2011 Posts: 99 Location: Germany
|
|
|
Back to top
|
|
 |
blue hell
Site Admin

Joined: Apr 03, 2004 Posts: 24582 Location: The Netherlands, Enschede
Audio files: 308
G2 patch files: 320
|
Posted: Sun Feb 16, 2025 5:41 am Post subject:
|
 |
|
Ok, the synth needs a good fever - good to know that  _________________ Jan
also .. could someone please turn down the thermostat a bit.
 |
|
|
Back to top
|
|
 |
analogmonster

Joined: May 30, 2011 Posts: 99 Location: Germany
|
|
|
Back to top
|
|
 |
blue hell
Site Admin

Joined: Apr 03, 2004 Posts: 24582 Location: The Netherlands, Enschede
Audio files: 308
G2 patch files: 320
|
Posted: Fri Mar 14, 2025 5:55 am Post subject:
|
 |
|
nice  _________________ Jan
also .. could someone please turn down the thermostat a bit.
 |
|
|
Back to top
|
|
 |
|