| Author |
Message |
dnny

Joined: Mar 12, 2005 Posts: 519 Location: Helsinki, Finland
Audio files: 8
|
|
|
Back to top
|
|
 |
Macaba
Joined: Jul 13, 2005 Posts: 160 Location: UK
|
Posted: Wed Aug 03, 2005 3:28 pm Post subject:
|
 |
|
This is excellent! I've been wanting to make lots of simple sequencer's for my modular synth, and this is just the ticket! I've been thinking of how i could do it, but didn't have the knowledge to work it out, but having gone through your design, it makes perfect sense, and is very logical!
Its a shame that only the 555 chip is in my IC collection, i'll just have to put them in my next order.
Will be watching this thread closely, 'Notify me when a reply is posted' Check! |
|
|
Back to top
|
|
 |
v-un-v
Janitor


Joined: May 16, 2005 Posts: 8932 Location: Birmingham, England, UK
Audio files: 11
G2 patch files: 1
|
Posted: Wed Aug 03, 2005 3:49 pm Post subject:
|
 |
|
those diodes could be led's too?- as you are running 4016's off a 4017? :D
Or are they meant to be led's? :oops: |
|
|
Back to top
|
|
 |
dnny

Joined: Mar 12, 2005 Posts: 519 Location: Helsinki, Finland
Audio files: 8
|
Posted: Wed Aug 03, 2005 8:49 pm Post subject:
|
 |
|
| v-un-v wrote: | those diodes could be led's too?- as you are running 4016's off a 4017?
Or are they meant to be led's?  |
they are first drawn as diodes - but your right, those can be leds.
daniel _________________ Association of experimental electronics
www.koelse.org
flickr: cable porn group |
|
|
Back to top
|
|
 |
Afro88

Joined: Jun 20, 2004 Posts: 701 Location: Brisbane, Australia
Audio files: 12
G2 patch files: 79
|
Posted: Wed Aug 03, 2005 10:34 pm Post subject:
|
 |
|
| Is there was a way you could chain 2 of these for a 16 step? |
|
|
Back to top
|
|
 |
v-un-v
Janitor


Joined: May 16, 2005 Posts: 8932 Location: Birmingham, England, UK
Audio files: 11
G2 patch files: 1
|
Posted: Thu Aug 04, 2005 12:32 am Post subject:
|
 |
|
| Afro88 wrote: | | Is there was a way you could chain 2 of these for a 16 step? |
hehe- that's where it gets a bit difficult. But it can be done :) |
|
|
Back to top
|
|
 |
dnny

Joined: Mar 12, 2005 Posts: 519 Location: Helsinki, Finland
Audio files: 8
|
Posted: Thu Aug 04, 2005 6:57 am Post subject:
|
 |
|
| v-un-v wrote: | | Afro88 wrote: | | Is there was a way you could chain 2 of these for a 16 step? |
hehe- that's where it gets a bit difficult. But it can be done  |
Afro88
i were just thinking the same - to cascade many or lets say 2 of 74HC4017s
v-un-v
i don´t mind if it gets a bit difficult but, if someone knows how please share the wisdom.
but you can make pretty cool things whit just 8 steps
i will update the schematic soon (Leds and gate on/off)
daniel _________________ Association of experimental electronics
www.koelse.org
flickr: cable porn group |
|
|
Back to top
|
|
 |
v-un-v
Janitor


Joined: May 16, 2005 Posts: 8932 Location: Birmingham, England, UK
Audio files: 11
G2 patch files: 1
|
Posted: Thu Aug 04, 2005 11:00 am Post subject:
|
 |
|
| dnny wrote: | you can make pretty cool things whit just 8 steps
|
you bet :) Just listen to Raymond Scott or Dissevelt/ Baltan |
|
|
Back to top
|
|
 |
dnny

Joined: Mar 12, 2005 Posts: 519 Location: Helsinki, Finland
Audio files: 8
|
Posted: Fri Aug 05, 2005 11:12 am Post subject:
|
 |
|
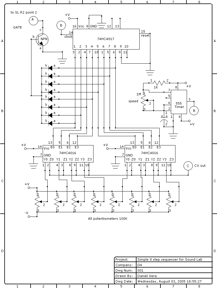
just had my proto board set up - and here it is
flash animation
so here is some comments:
on the first schematic there is a mistake - : connect the cathodes of the leds to ground.
the cap on 555 timer is 100uF.
there is a need for fine tuner for the clock circuit.
(the range is very wide)
if you want to "walk" the steps manually connect the point A to ground via momentary push button.
there is some problems resetting the steps (if you want to reset before it hits the last step)
i will draw new corrected schematic soon
daniel _________________ Association of experimental electronics
www.koelse.org
flickr: cable porn group |
|
|
Back to top
|
|
 |
jksuperstar

Joined: Aug 20, 2004 Posts: 2503 Location: Denver
Audio files: 1
G2 patch files: 18
|
Posted: Fri Aug 05, 2005 11:49 am Post subject:
|
 |
|
dnny- you could use a counter (like the HC163), that feeds 2x 3->8 decoders (HC138). Use the 4th output of the counter to select which decoder is used.
The benefit of this scheme, besides having 16 steps, is the fact that 4 switches into the counter can force it to be "presetable", so the counter *starts* at whatever number you choose. This means the length of the step sequencer is programmable This preset is loaded on reset. Use the "TC" output of the 163 to reset the counter itself. Since the 163 is synchronous reset, everything happens on a clock edge, an stays in beat. |
|
|
Back to top
|
|
 |
mosc
Site Admin

Joined: Jan 31, 2003 Posts: 18276 Location: Durham, NC
Audio files: 233
G2 patch files: 60
|
Posted: Fri Aug 05, 2005 12:09 pm Post subject:
|
 |
|
Better yet, use the 74--193 chip. It has preset and also up/down.
That you are using the bilateral switches is very cool. Instead of just switching a voltage to the output posts, you can hook up 8 audio sources and switch between them. _________________ --Howard
my music and other stuff |
|
|
Back to top
|
|
 |
dnny

Joined: Mar 12, 2005 Posts: 519 Location: Helsinki, Finland
Audio files: 8
|
|
|
Back to top
|
|
 |
v-un-v
Janitor


Joined: May 16, 2005 Posts: 8932 Location: Birmingham, England, UK
Audio files: 11
G2 patch files: 1
|
Posted: Sat Aug 06, 2005 7:02 am Post subject:
and another cup of coffee..... |
 |
|
Dnny, I don't want to state the obvious (I will) but shouldn't the reset switches just come from one single rotary? All those switches would be expensive and pointless. The gate switch idea on the other hand is excellent.
hmmmmm.....sequencer.........
Just need to do one thing at a time- get my friggin SL finished!
PS I don't recommend nicotine stick-on patches. These things have a far worse withdrawal than plain cigarettes. It's been two months now of smoking no tabs. Now I'm addicted to the patches!!
There howabout that for surrealism on a Saturday afternoon? I'm so spaced-out! |
|
|
Back to top
|
|
 |
blue hell
Site Admin

Joined: Apr 03, 2004 Posts: 24581 Location: The Netherlands, Enschede
Audio files: 308
G2 patch files: 320
|
Posted: Sat Aug 06, 2005 7:40 am Post subject:
|
 |
|
| dnny wrote: |
if you want to reset before it hits the last step just close one switch from the reset DIPswitches (but just one - if you close multiple switches it results as weird blinking - what can be of course used as an effect)
|
When you close two ore more switches you are effectively shorting outputs of your counter which could give some funny effects.
You could prevent this by inserting a diode for each switch, or by using a rotary switch instead of the dips (as Tom suggested). But even with the rotary you might want to use diodes, unless you are sure the rotaries steps don't overlap.
As Howard suggested it would be interesting to make inputs for the analog switches instead of just pots. Not only to sequence audio signals, but using one or more LFOs instead of (a) pot(s) could be interesting as well for generating sequencer variations. You could just add some input conectors with switches built in that select the pot when nothing is inserted. Maybe you could even come up with someting where the pots would work as input attenuators for the inserted signals ... but that doesn't seem to be easy :-)
Jan. |
|
|
Back to top
|
|
 |
mosc
Site Admin

Joined: Jan 31, 2003 Posts: 18276 Location: Durham, NC
Audio files: 233
G2 patch files: 60
|
Posted: Sat Aug 06, 2005 12:33 pm Post subject:
|
 |
|
No need to remove the first schematic. The forum is a good historical document. It's neat to see how things evolve over time.
As for the bilateral switches: you can use normalizing jacks. Without something plugged in, it will work exactly as you have now. Plug in a signal and it works as a multiplexer. I would run the jacks throught the same posts. Not hard at all. Imagine plugging 8 radios into this beast.  _________________ --Howard
my music and other stuff |
|
|
Back to top
|
|
 |
Uncle Krunkus
Moderator

Joined: Jul 11, 2005 Posts: 4761 Location: Sydney, Australia
Audio files: 52
G2 patch files: 1
|
Posted: Tue Aug 09, 2005 4:35 am Post subject:
|
 |
|
I did a bit of experimenting with cascading 4017's and you can create any number of steps you like, it involves using AND gates on the clk inhibit/enable pins so that the last (unused) step on the first chip inhibits it from stepping back to the start and simultaneously enables the stepping of the second chip. The first output of which is not used as this is where the second chip rests while the first steps. This principle should allow more chips to be added to the cascade, but as far as I remember it gets more complicated the further you go (multiple input AND gates etc) and you end up being better off using other chips.
Great idea circuit idea, especially for people who already have lots of 4017's hanging around doin nothing!! Like me! I've just got to get my soundlab built so I can start to experiment with all this stuff. _________________ What makes a space ours, is what we put there, and what we do there. |
|
|
Back to top
|
|
 |
dnny

Joined: Mar 12, 2005 Posts: 519 Location: Helsinki, Finland
Audio files: 8
|
Posted: Wed Aug 10, 2005 12:34 am Post subject:
dip switches vs. rotary switch |
 |
|
| v-un-v wrote: | | Dnny, I don't want to state the obvious (I will) but shouldn't the reset switches just come from one single rotary? All those switches would be expensive and pointless. |
at least here in Helsinki the DIP switches are cheaper (0.20€) than rotary switches (1.50€) and they are smaller so they fit better to my small case. and not to mention the experimental point of switching multiple resets at same time.
but of course you can use what switches you like better - and yes i agree that rotary is easier to operate _________________ Association of experimental electronics
www.koelse.org
flickr: cable porn group |
|
|
Back to top
|
|
 |
Uncle Krunkus
Moderator

Joined: Jul 11, 2005 Posts: 4761 Location: Sydney, Australia
Audio files: 52
G2 patch files: 1
|
Posted: Thu Aug 11, 2005 5:19 am Post subject:
|
 |
|
I realised this arvo that I have a collection of SPDT mini toggles that are centre off. When I have a go at this sequencer I'm going to use those so that each step has the choice of CVonly(centre), +Gate, and last step all on one switch. Combined with the cascaded 4017 idea to give 16 outputs this would result in a very cool and still simple sequencer. Next thing is to dial up different banks of flip flops with a rotary and we have almost built a Dr Rythm!! _________________ What makes a space ours, is what we put there, and what we do there. |
|
|
Back to top
|
|
 |
Uncle Krunkus
Moderator

Joined: Jul 11, 2005 Posts: 4761 Location: Sydney, Australia
Audio files: 52
G2 patch files: 1
|
Posted: Mon Aug 15, 2005 2:55 am Post subject:
|
 |
|
Here's a link to a pdf data sheet that includes how to cascade 4017s.
It's near the end of the pdf. _________________ What makes a space ours, is what we put there, and what we do there. |
|
|
Back to top
|
|
 |
Macaba
Joined: Jul 13, 2005 Posts: 160 Location: UK
|
Posted: Mon Aug 15, 2005 4:32 am Post subject:
|
 |
|
| Maybe i'm blind but i can't see a link. |
|
|
Back to top
|
|
 |
Pehr

Joined: Aug 14, 2005 Posts: 1307 Location: Björkvik, Sweden
Audio files: 2
|
Posted: Tue Aug 16, 2005 11:29 pm Post subject:
|
 |
|
What voltage is this sequencer running on? +/- 9V or +/- 12 V ?
It says that point B should go to point 2 on R2, but is it possible to make it work on the ext. gate in on the SL?  |
|
|
Back to top
|
|
 |
Macaba
Joined: Jul 13, 2005 Posts: 160 Location: UK
|
Posted: Wed Aug 17, 2005 9:53 am Post subject:
|
 |
|
I believe that the following figures are correct when researching:
The 4017 chip can run on 0, +3 - 15v
And the 4016 can run on 0, +0.5 - 11v
So its safe to say that +9v is ok, and +12 when used with a pair of voltage dividing resistors for the 4016 to reduce voltage to 9v. |
|
|
Back to top
|
|
 |
dnny

Joined: Mar 12, 2005 Posts: 519 Location: Helsinki, Finland
Audio files: 8
|
Posted: Wed Aug 17, 2005 11:45 am Post subject:
|
 |
|
| Pehr wrote: | What voltage is this sequencer running on? +/- 9V or +/- 12 V ?
It says that point B should go to point 2 on R2, but is it possible to make it work on the ext. gate in on the SL?  |
hi Pehr good to have some more scandinavians here - welcome .
i run my prototype from 9V battery but its no prob if you are using 12V just ad some resistance to 4016 power as Macaba cleared.
i have done this little expansion to original schematic so you can run patch from sequencer to your SL gate input. in the original SL schematic there is this 9.1V zener diode ( D8 ) that will protect it. so you cant fry your SL. but you might want to ad bigger resistor on the sequencer if you are using 12V
hope this helps
daniel _________________ Association of experimental electronics
www.koelse.org
flickr: cable porn group |
|
|
Back to top
|
|
 |
Pehr

Joined: Aug 14, 2005 Posts: 1307 Location: Björkvik, Sweden
Audio files: 2
|
Posted: Thu Aug 18, 2005 1:39 am Post subject:
|
 |
|
0k, great
Another question I have is how this sequencer is started/stopped? And how the manual step fw works  |
|
|
Back to top
|
|
 |
Macaba
Joined: Jul 13, 2005 Posts: 160 Location: UK
|
Posted: Thu Aug 18, 2005 9:09 am Post subject:
|
 |
|
| Put a switch on the power to switch it on or off, or experiment with putting a switch on the clock. |
|
|
Back to top
|
|
 |
|