| Author |
Message |
PHOBoS

Joined: Jan 14, 2010 Posts: 5881 Location: Moon Base
Audio files: 709
|
|
|
Back to top
|
|
 |
piedwagtail

Joined: Apr 15, 2006 Posts: 297 Location: shoreditch
Audio files: 3
|
Posted: Wed Dec 30, 2015 5:27 pm Post subject:
|
 |
|
Exemplary stuff!
You could use the other half of the '72 as an attenuverter on the CV input either as replacement or complement to the 100k attenuator.
R |
|
|
Back to top
|
|
 |
PHOBoS

Joined: Jan 14, 2010 Posts: 5881 Location: Moon Base
Audio files: 709
|
Posted: Thu Dec 31, 2015 3:28 pm Post subject:
|
 |
|
good idea. And I will be able to fit that on the board, which I am going to make a little bit larger anyway.
I do have a bit of mixed feeling about attenuverters though. It's great to attenuate and invert a signal with one knob,
but it's not as easy to set to 0 as a simple attenuater. I've only tried a very simple version though, don't know
if the one with the trimpot makes any difference. So let me try that one too  _________________ "My perf, it's full of holes!"
http://phobos.000space.com/
SoundCloud BandCamp MixCloud Stickney Synthyards Captain Collider Twitch YouTube |
|
|
Back to top
|
|
 |
piedwagtail

Joined: Apr 15, 2006 Posts: 297 Location: shoreditch
Audio files: 3
|
Posted: Thu Dec 31, 2015 4:00 pm Post subject:
|
 |
|
Ok stick a switch in to.....er switch it out when you need a dead null!
Looking forward to what you do in 2016!
R |
|
|
Back to top
|
|
 |
PHOBoS

Joined: Jan 14, 2010 Posts: 5881 Location: Moon Base
Audio files: 709
|
Posted: Thu Dec 31, 2015 5:11 pm Post subject:
|
 |
|
best wishes for 2016!
I just tried the one with the trimpot and as I was somewhat suspecting it is to zero the center of the pot.
That would work great with one of those pots with a center click.
I am thinking of indeed making 2 CV inputs, one with an attenuator and the other one with an attenuverter.
If I then add a positive voltage using the switch contact of the jack I could replace the wipe pot with it.
At the moment I designed it so that the wipe pot can add so much offset voltage that in the most outward
positions it will "override" the CV in. The nice thing with the attenuverter is that by changing the resistor that supplies
the positive voltage (when no CV connected) I can still set a larger range than when using a CV.
So the circuit would function exactly the same as it does now but with the added bonus of having an extra CV input
and for that one the wipe pot acts as an attenuverter. Also if I add the trimpot I can zero the center of the wipe pot.
It doesn't have that option now but I guess that would be nice. _________________ "My perf, it's full of holes!"
http://phobos.000space.com/
SoundCloud BandCamp MixCloud Stickney Synthyards Captain Collider Twitch YouTube |
|
|
Back to top
|
|
 |
PHOBoS

Joined: Jan 14, 2010 Posts: 5881 Location: Moon Base
Audio files: 709
|
|
|
Back to top
|
|
 |
piedwagtail

Joined: Apr 15, 2006 Posts: 297 Location: shoreditch
Audio files: 3
|
Posted: Thu Dec 31, 2015 9:29 pm Post subject:
|
 |
|
Yep, Happy New Year!
On Moonbase, you appear to be working hard at the synth diy couture detailing!
In the atelier, I've just received the VCO motherboards from Shenzhen which feature, amongst a few things, two attenuverter inputs and an attenuator input with a log pot .
R |
|
|
Back to top
|
|
 |
PHOBoS

Joined: Jan 14, 2010 Posts: 5881 Location: Moon Base
Audio files: 709
|
|
|
Back to top
|
|
 |
piedwagtail

Joined: Apr 15, 2006 Posts: 297 Location: shoreditch
Audio files: 3
|
Posted: Sat Jan 09, 2016 12:17 pm Post subject:
|
 |
|
panic!
yes it's addictive.
R |
|
|
Back to top
|
|
 |
Paradigm X
Joined: Feb 15, 2011 Posts: 363 Location: Null and void
Audio files: 2
|
Posted: Tue Jan 12, 2016 5:22 am Post subject:
|
 |
|
interesting, great work
ill be up for a pcb if youre selling any... |
|
|
Back to top
|
|
 |
PHOBoS

Joined: Jan 14, 2010 Posts: 5881 Location: Moon Base
Audio files: 709
|
Posted: Tue Jan 12, 2016 8:14 am Post subject:
|
 |
|
great
yes I will sell them, I don't need 10 boards myself but I will probably keep 2. 1 to build and test and 1 just to keep
because it's the first time I am having boards made, maybe I'll frame it
First run will be the set of both boards for a special price and if there is enough interest I'll have more made which
will be sold seperately. I also made part kits for it if you are interested. I'll probably make a seperate thread for it once
I have the boards and all the parts and can calculate all the costs. And I am now looking into frontpanels as well.
And yes it is addictive I definitely want to make more designs, but let me stick to this one for now. _________________ "My perf, it's full of holes!"
http://phobos.000space.com/
SoundCloud BandCamp MixCloud Stickney Synthyards Captain Collider Twitch YouTube |
|
|
Back to top
|
|
 |
Paradigm X
Joined: Feb 15, 2011 Posts: 363 Location: Null and void
Audio files: 2
|
Posted: Tue Jan 12, 2016 10:01 am Post subject:
|
 |
|
cool!
whats the 'set of two boards' tho? does it need 2 pcbs?
I got a few pcbs made (someone else did the layout, i just paid!) and they arrived looking like that, they (almost certainly) aren't pre-soldered! just eh shrunken plastic looks metallic due to the warping
seeed etc are so cheap these days. like you i have spares of everything.
cheers |
|
|
Back to top
|
|
 |
PHOBoS

Joined: Jan 14, 2010 Posts: 5881 Location: Moon Base
Audio files: 709
|
Posted: Tue Jan 12, 2016 10:49 am Post subject:
|
 |
|
One board has the actual WaveWiper circuit, the other board is for pots and connectors for a euro-rack module
(the boards are sandwiched together with some printheaders in between). And yeah if I look at the 3,5mm connectors at
the top I can see that they are indeed not filled with solder, but it does look like it. I hope they arrive this week . _________________ "My perf, it's full of holes!"
http://phobos.000space.com/
SoundCloud BandCamp MixCloud Stickney Synthyards Captain Collider Twitch YouTube |
|
|
Back to top
|
|
 |
Paradigm X
Joined: Feb 15, 2011 Posts: 363 Location: Null and void
Audio files: 2
|
Posted: Thu Jan 14, 2016 7:31 am Post subject:
|
 |
|
ah ok cool.
euro pot/jack boards are all the rage at the mo.
i build in 5u so prob not required but these no wiring projects are really popular. are there pads etc for easier/easy wiring of pots etc
cheers |
|
|
Back to top
|
|
 |
PHOBoS

Joined: Jan 14, 2010 Posts: 5881 Location: Moon Base
Audio files: 709
|
Posted: Thu Jan 14, 2016 9:01 am Post subject:
|
 |
|
yeah, you wouldn't need it for 5U but it should make wiring easier since the holes/pads are larger and it is easier to see
how to wire everything up. Besides that you can wire it up and still take the circuit board off if needed for whatever reason.
Or you can use it as a keychain, christmas ornament, ice scraper, coaster or whatever you come up with  _________________ "My perf, it's full of holes!"
http://phobos.000space.com/
SoundCloud BandCamp MixCloud Stickney Synthyards Captain Collider Twitch YouTube |
|
|
Back to top
|
|
 |
Paradigm X
Joined: Feb 15, 2011 Posts: 363 Location: Null and void
Audio files: 2
|
Posted: Thu Jan 14, 2016 9:37 am Post subject:
|
 |
|
ha
looking at the picture a bit more makes it painfully obvious what youve done. doh!
Shame theres no MOTM power connector, if youre doing a second run it might be worth adding one maybe? (4 pin 0.156 molex).
You can cleverly incorporate the two with very little extra board space -
eg;
 |
|
|
Back to top
|
|
 |
PHOBoS

Joined: Jan 14, 2010 Posts: 5881 Location: Moon Base
Audio files: 709
|
Posted: Thu Jan 14, 2016 1:47 pm Post subject:
|
 |
|
yes! a double power connector was something I had in mind for a second run. I don't think I have something existing in one
of the eagle libraries so might have to draw it myself. But maybe i can find one that has been tested somewhere.
It shoudn't be very hard to power it with the connector it has now though. you could either solder wires to the double pin header
or solder a piece of perf to it and either add wires directly or a MOTM connector to it. I actually thought about making a little
converter board you could just stick on top of it.
If you have any other suggestions please let me know.
hmm, looks like the one in the photo you posted can actually support 3 different kinds that's really neat. _________________ "My perf, it's full of holes!"
http://phobos.000space.com/
SoundCloud BandCamp MixCloud Stickney Synthyards Captain Collider Twitch YouTube |
|
|
Back to top
|
|
 |
PHOBoS

Joined: Jan 14, 2010 Posts: 5881 Location: Moon Base
Audio files: 709
|
|
|
Back to top
|
|
 |
piedwagtail

Joined: Apr 15, 2006 Posts: 297 Location: shoreditch
Audio files: 3
|
Posted: Wed Jan 20, 2016 8:33 am Post subject:
|
 |
|
PHOBoporn!  |
|
|
Back to top
|
|
 |
PHOBoS

Joined: Jan 14, 2010 Posts: 5881 Location: Moon Base
Audio files: 709
|
|
|
Back to top
|
|
 |
piedwagtail

Joined: Apr 15, 2006 Posts: 297 Location: shoreditch
Audio files: 3
|
Posted: Wed Jan 20, 2016 9:51 am Post subject:
|
 |
|
I can see from your neat parts placements how this is an extension of your enjoyment of drawing schematics.
Did you use auto-routing? I never do puzzles, but I really enjoy the 'puzzle' of routing a pcb.
R |
|
|
Back to top
|
|
 |
PHOBoS

Joined: Jan 14, 2010 Posts: 5881 Location: Moon Base
Audio files: 709
|
Posted: Wed Jan 20, 2016 3:41 pm Post subject:
|
 |
|
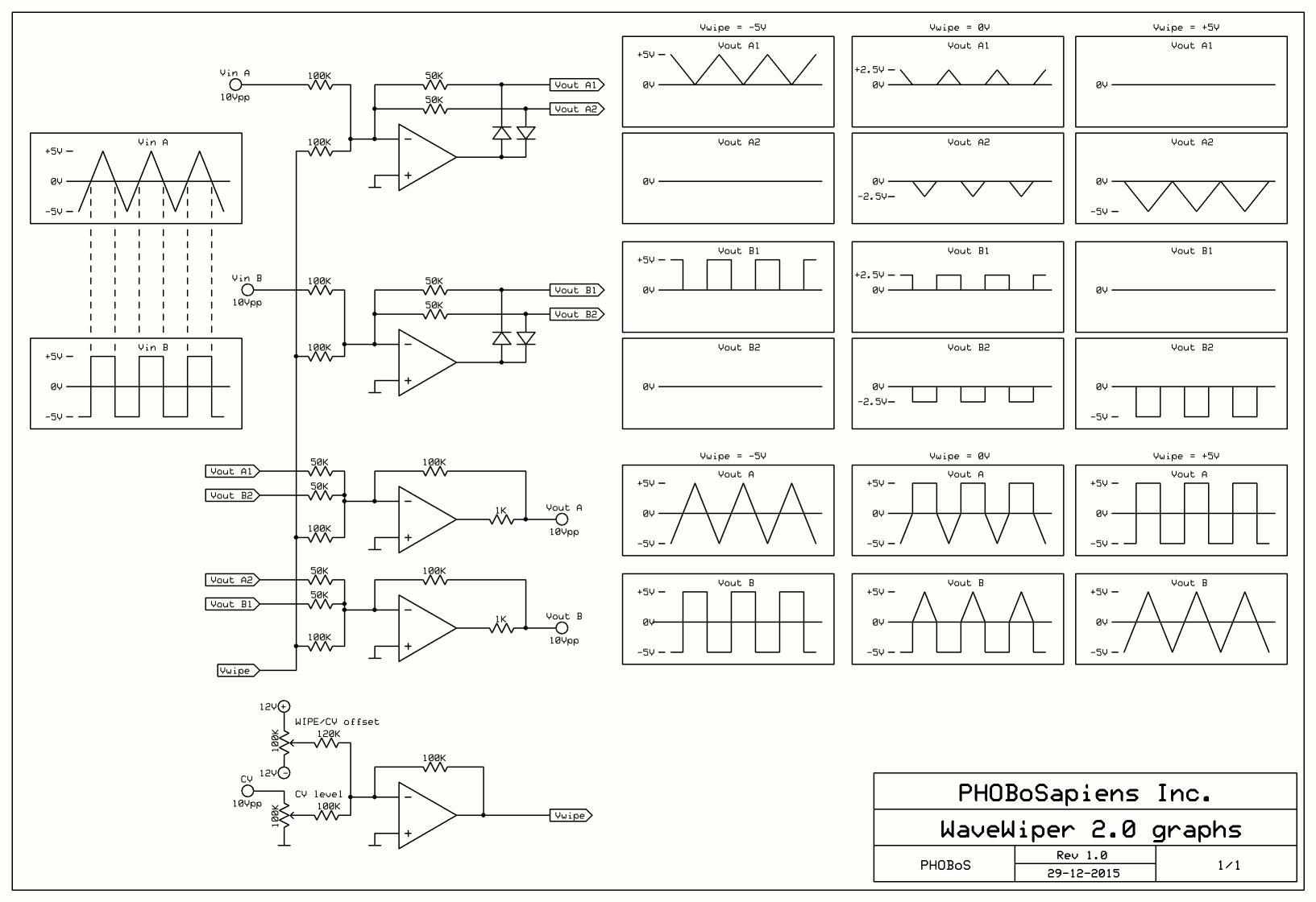
Dave breadboarded the WaveWiper v2.1 to do some tests but he had some problems with the attenuverter part.
I breadboarded it too and got the same results he did while I knew it should work. As it turns out I made an error
in the schematic, so I just uploaded the corrected version. Luckily the Eagle schematic I used to design the PCB is correct.
| piedwagtail wrote: | I can see from your neat parts placements how this is an extension of your enjoyment of drawing schematics.
Did you use auto-routing? I never do puzzles, but I really enjoy the 'puzzle' of routing a pcb. |
auto-routing ?!
And yes I do enjoy those puzzles a lot too . And I am used to it, I always design a PCB when building to perf.
But good thing it isn' t my job else would have probably been fired for spending so much time on 1 small PCB. _________________ "My perf, it's full of holes!"
http://phobos.000space.com/
SoundCloud BandCamp MixCloud Stickney Synthyards Captain Collider Twitch YouTube |
|
|
Back to top
|
|
 |
piedwagtail

Joined: Apr 15, 2006 Posts: 297 Location: shoreditch
Audio files: 3
|
Posted: Wed Jan 20, 2016 4:09 pm Post subject:
|
 |
|
I've always used the Ian Fritz version with 220k signal to - terminal and 220k feedback resistor.100k pot. With 15/0/-15 I found it worked as advertised with CV signals until -13V then it wasn't happy; which is pretty extreme.
R |
|
|
Back to top
|
|
 |
PHOBoS

Joined: Jan 14, 2010 Posts: 5881 Location: Moon Base
Audio files: 709
|
Posted: Thu Jan 21, 2016 7:33 pm Post subject:
|
 |
|
it works!
here is some more pr0n
| Description: |
|
| Filesize: |
381.36 KB |
| Viewed: |
656 Time(s) |
| This image has been reduced to fit the page. Click on it to enlarge. |

|
| Description: |
|
| Filesize: |
498.27 KB |
| Viewed: |
658 Time(s) |
| This image has been reduced to fit the page. Click on it to enlarge. |

|
| Description: |
|
| Filesize: |
1.42 MB |
| Viewed: |
672 Time(s) |
| This image has been reduced to fit the page. Click on it to enlarge. |

|
_________________ "My perf, it's full of holes!"
http://phobos.000space.com/
SoundCloud BandCamp MixCloud Stickney Synthyards Captain Collider Twitch YouTube |
|
|
Back to top
|
|
 |
AlanP
Joined: Mar 11, 2014 Posts: 746 Location: New Zealand
Audio files: 41
|
Posted: Thu Jan 21, 2016 9:36 pm Post subject:
|
 |
|
I'm still not sure what these do, but could I buy a set off you? Any panel plans?  |
|
|
Back to top
|
|
 |
|