| Author |
Message |
vaktmesterj
Joined: Jul 24, 2018 Posts: 6 Location: norway
|
Posted: Wed Jul 25, 2018 6:50 am Post subject:
|
 |
|
I want to build this x8 in rows for a drum machine im making for my daughter, where each row triggers individual drum samples from a seperate module.
Does this "still" work, have there been any changes etc?
Any help/advice is greatly apriciated! |
|
|
Back to top
|
|
 |
PHOBoS

Joined: Jan 14, 2010 Posts: 5881 Location: Moon Base
Audio files: 709
|
Posted: Wed Jul 25, 2018 9:42 am Post subject:
|
 |
|
I am not aware of any changes, except for adding some fancy LEDs, and version 2.0 works.
You mentioned in the pm that you want to use it to trigger drum sounds from a tsunami wav trigger so I don't think you need
the short/long switch. Just hardwire it for the short pulses and that should work fine. The question is how simple/modular do
you want it to be ? because you could also leave out the external reset input and the x1/loop switch (loop is standard mode).
Of course you also need a circuit to provide a clock as it doesn't run by itself. With multiple circuits you could use a master clock
signal for all or have individual clock signals but this depends a bit on how you built it, which brings me to the next point.
It would be most versatile if you make several 'little gate' circuits, this has the advantage that you can set different lengths and
different tempo's for every circuit which can create some very nice patterns. A simple divider like a CD4040 could be used to
run them at different tempo's from one clock source but still have them in sync and you could add a rotary switch for each to
choose a tempo setting.
If however you want to keep it very simple you could get away with using just one 4017 and add more switches in parallel. You'd
also only need one row of LEDs. If you do that I would just use standard toggle switches (without center position) and add a
seperate row for reset switches. (or use a rotary switch, or leave it out if you don't want to change length). Since you mentioned
you want it for your daughter who is still very young this might be easier to understand then having a bunch of toggle switches with
3 positions.
Instead of toggle switches you could also use self latching buttons which might be a bit more kid friendly. They are available in different
colors some with built in LEDs. (for example these) _________________ "My perf, it's full of holes!"
http://phobos.000space.com/
SoundCloud BandCamp MixCloud Stickney Synthyards Captain Collider Twitch YouTube |
|
|
Back to top
|
|
 |
vaktmesterj
Joined: Jul 24, 2018 Posts: 6 Location: norway
|
Posted: Wed Jul 25, 2018 10:45 am Post subject:
|
 |
|
| PHOBoS wrote: | You mentioned in the pm that you want to use it to trigger drum sounds from a tsunami wav trigger so I don't think you need
the short/long switch. Just hardwire it for the short pulses and that should work fine. |
Yep no need for short/long.
| PHOBoS wrote: | The question is how simple/modular do
you want it to be ? because you could also leave out the external reset input and the x1/loop switch (loop is standard mode).
Of course you also need a circuit to provide a clock as it doesn't run by itself. With multiple circuits you could use a master clock
signal for all or have individual clock signals but this depends a bit on how you built it, which brings me to the next point.
It would be most versatile if you make several 'little gate' circuits, this has the advantage that you can set different lengths and
different tempo's for every circuit which can create some very nice patterns.
|
This would be really nice, it doesnt have to be super-simple functionwise.
| PHOBoS wrote: | A simple divider like a CD4040 could be used to
run them at different tempo's from one clock source but still have them in sync and you could add a rotary switch for each to
choose a tempo setting. |
This would also be nice, but ive only done a couple of compressor DIY kits before so, my skills limits me to schematics and instructions as for now.
If you got the time, could you explain/draw it up for me?
| PHOBoS wrote: | If however you want to keep it very simple you could get away with using just one 4017 and add more switches in parallel. You'd
also only need one row of LEDs. If you do that I would just use standard toggle switches (without center position) and add a
seperate row for reset switches. (or use a rotary switch, or leave it out if you don't want to change length). Since you mentioned
you want it for your daughter who is still very young this might be easier to understand then having a bunch of toggle switches with
3 positions. |
The "reset" position; does it make the sequence start over at the beginning?
It would be nice with leds for each row which indicates where the sequence is at and - one row of leds which indicate which step is turned on. Is this easy to implement? |
|
|
Back to top
|
|
 |
vaktmesterj
Joined: Jul 24, 2018 Posts: 6 Location: norway
|
|
|
Back to top
|
|
 |
PHOBoS

Joined: Jan 14, 2010 Posts: 5881 Location: Moon Base
Audio files: 709
|
Posted: Wed Jul 25, 2018 1:33 pm Post subject:
|
 |
|
| Quote: | | The "reset" position; does it make the sequence start over at the beginning? |
yep. If you don't connect it (or actually connect it to GND as you shouldn't leave it unconnected) the 4017 will step through 0~9 and start with 0 again.
If you would connect it to one of the outputs, for example Q7 it well only step through 0~6 and then start at 0 again.
| Quote: | | It would be nice with leds for each row which indicates where the sequence is at and - one row of leds which indicate which step is turned on. Is this easy to implement? |
Pretty easy to do if you use double pole switches, then you can just use 1 half of the switches to turn the LEDs on/off. _________________ "My perf, it's full of holes!"
http://phobos.000space.com/
SoundCloud BandCamp MixCloud Stickney Synthyards Captain Collider Twitch YouTube |
|
|
Back to top
|
|
 |
vaktmesterj
Joined: Jul 24, 2018 Posts: 6 Location: norway
|
Posted: Wed Jul 25, 2018 1:49 pm Post subject:
|
 |
|
Okay thanks
Ill get the parts and build a proto to get familiar with the circuit.
Since im a beginner at this i have to ask where the power goes in?
I see the 5+v symbol on the schematic - but wheres the negative?
Edit: can i make it 8 steps, and just hardwire it to reset after the eight? |
|
|
Back to top
|
|
 |
PHOBoS

Joined: Jan 14, 2010 Posts: 5881 Location: Moon Base
Audio files: 709
|
Posted: Wed Jul 25, 2018 2:08 pm Post subject:
|
 |
|
| Quote: | | I see the 5+v symbol on the schematic - but wheres the negative? |
It's a single supply circuit so in this case negative is the ground connection (what pin 8 of the 4017 and other components are connected to).
| Quote: | | can i make it 8 steps, and just hardwire it to reset after the eight? |
yes, just connect the reset to Q8 (pin 9) so it will cound from Q0~Q7. _________________ "My perf, it's full of holes!"
http://phobos.000space.com/
SoundCloud BandCamp MixCloud Stickney Synthyards Captain Collider Twitch YouTube |
|
|
Back to top
|
|
 |
vaktmesterj
Joined: Jul 24, 2018 Posts: 6 Location: norway
|
|
|
Back to top
|
|
 |
PHOBoS

Joined: Jan 14, 2010 Posts: 5881 Location: Moon Base
Audio files: 709
|
|
|
Back to top
|
|
 |
vaktmesterj
Joined: Jul 24, 2018 Posts: 6 Location: norway
|
Posted: Fri Jul 27, 2018 3:04 pm Post subject:
|
 |
|
| What kind of powersupply would you recommend? Can i use a eurorack? |
|
|
Back to top
|
|
 |
PHOBoS

Joined: Jan 14, 2010 Posts: 5881 Location: Moon Base
Audio files: 709
|
|
|
Back to top
|
|
 |
synaesthesia

Joined: May 27, 2014 Posts: 291 Location: Germany
Audio files: 85
|
Posted: Sat Jul 28, 2018 2:45 pm Post subject:
|
 |
|
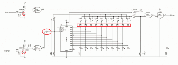
You drew little red circles around the emitter diodes of the transistor symbols on the left side as well.
Mind that you should not insert diodes at these places in your circuit. The triangle is a part of the transistor symbol.
Inserting diodes at these places would increase your LOW logic level output and the circuit might not work. |
|
|
Back to top
|
|
 |
CHRISKELLY
Joined: Apr 08, 2018 Posts: 103 Location: England
Audio files: 3
|
Posted: Wed Sep 05, 2018 3:50 pm Post subject:
|
 |
|
I really like the use of on-off-on switches on each step!
Would it be possible to have one of the ON sides connected to the base.of a transistor which acts as a switch to send high/low to a logic gate, as well as gating the CV?
What I'm thinking is you could then have one ON triggering a long note (full clock cycle) and the other ON triggering a short note (half clock cycle). The OFF would mean no note.
If the transistor was used correctly could it be used to drive logic without affecting the CV, as in - acting as a buffer? You could tie each of the 4017 outputs to a common transistor using diodes. |
|
|
Back to top
|
|
 |
CHRISKELLY
Joined: Apr 08, 2018 Posts: 103 Location: England
Audio files: 3
|
|
|
Back to top
|
|
 |
PHOBoS

Joined: Jan 14, 2010 Posts: 5881 Location: Moon Base
Audio files: 709
|
|
|
Back to top
|
|
 |
CHRISKELLY
Joined: Apr 08, 2018 Posts: 103 Location: England
Audio files: 3
|
Posted: Fri Sep 07, 2018 3:46 am Post subject:
|
 |
|
| Tried this out and works if i send into either a 4081 or 4093. Strangely though if it went into a 4069BE inverter then this affected the CV alot. |
|
|
Back to top
|
|
 |
PHOBoS

Joined: Jan 14, 2010 Posts: 5881 Location: Moon Base
Audio files: 709
|
|
|
Back to top
|
|
 |
CHRISKELLY
Joined: Apr 08, 2018 Posts: 103 Location: England
Audio files: 3
|
Posted: Fri Sep 07, 2018 11:12 am Post subject:
|
 |
|
Aaaaaand I'm officially an idiot
They're 4069UBE.
Guess that explains it  |
|
|
Back to top
|
|
 |
|