| Author |
Message |
PHOBoS

Joined: Jan 14, 2010 Posts: 5868 Location: Moon Base
Audio files: 709
|
Posted: Wed Mar 07, 2018 2:25 pm Post subject:
(4)bit shuffler/permuter Subject description: think-along thread |
 |
|
I already briefly mentioned this in the CMUSE thread, but what I would like is a circuit that has a
4 bit input and with some control signals can create permutations of these 4 bits (one at a time).
If you are unfamiliar with the term permutations it basically just means all the possible ways you
can rearrange the bits. I mainly want to test it with my chromatic melody generator but there are
other uses for it.
4bits has 4!=24 permutations. If the bits are labeled ABCD these are:
ABCD BACD CBAD DBCA
ABDC BADC CBDA DBAC
ACBD BCAD CABD DCBA
ACDB BCDA CADB DCAB
ADCB BDCA CDAB DACB
ADBC BDAC CDBA DABC
I have some ideas on how to achieve this but before I go into that I am curious if someone else can
come up with a nice solution. Using something like a PIC would be very easy btw but I'd like to do it
with logic chips. Although with something like a PIC it would be very simple to implement a CV input
and do all kinds of other things as well.
Instead of permutations it might also be useful to route an input to multiple outputs (like AABC or BDCD).
This would result in 4^4=256 different 'combinations'. A circuit for this would actually be very simple to
make. Just 4 muxes that route 1 of the inputs to 1 of the outputs controlled by 2 bits, so it would need 8
control bits in total. _________________ "My perf, it's full of holes!"
http://phobos.000space.com/
SoundCloud BandCamp MixCloud Stickney Synthyards Captain Collider Twitch YouTube Last edited by PHOBoS on Fri Mar 09, 2018 5:09 pm; edited 1 time in total |
|
|
Back to top
|
|
 |
Steveg

Joined: Apr 23, 2015 Posts: 184 Location: Perth, Australia
|
Posted: Wed Mar 07, 2018 5:00 pm Post subject:
|
 |
|
It is easier to do this with DPDT relays. You set up a bunch of crossovers to gain all the permutations. Each round swaps (or not) a pair of bits. Have a look at Knuth's work on minimal sorting networks and then imagine each sorting node is a crossover controlled by a signal line. You can make a crossover in CMOS using 4053 chips but two chips yields 3 crossovers so you will need a lot of them.
You can cut down on the number of permutations you need by following you permuter with a barrel shifter type arrangement to generate permutations that are just rotations of other permutations. DABC is ABCD rotated right one step. Two 4052s should create a barrel shifter for 4 bits with 2 control lines.
Actually I think I would use 4052s - each pair of chips gets you 2 permutations and their combinations ... You would probably need 4 pairs with 8 control lines. |
|
|
Back to top
|
|
 |
Steveg

Joined: Apr 23, 2015 Posts: 184 Location: Perth, Australia
|
Posted: Wed Mar 07, 2018 5:22 pm Post subject:
|
 |
|
Okay I've done the permutations, you need 3 pairs of 4052s with 6 control lines.
One wired as a barrel shifter.
One that swaps A<->B and C<->D
One that swaps A<->D and B<->C
Instead of the barrel shifter you could use one that swaps A<->C and B<->D you just get a different set of duplicates. |
|
|
Back to top
|
|
 |
PHOBoS

Joined: Jan 14, 2010 Posts: 5868 Location: Moon Base
Audio files: 709
|
Posted: Wed Mar 07, 2018 8:00 pm Post subject:
|
 |
|
| Steveg wrote: | | It is easier to do this with DPDT relays. You set up a bunch of crossovers to gain all the permutations. Each round swaps (or not) a pair of bits. Have a look at Knuth's work on minimal sorting networks and then imagine each sorting node is a crossover controlled by a signal line. You can make a crossover in CMOS using 4053 chips but two chips yields 3 crossovers so you will need a lot of them. |
Swapping bits was one of the things I thought about. I wasn't sure how many I needed to swap and which would
be the best bits to swap or in what order so last night I just picked some and drew up a logic table for them.
| Code: | 2/3 1/3 2/4 1/2 3/4 1234
--------------------------------
0 0 0 0 0 ABCD
0 0 0 0 1 ABDC
0 0 0 1 0 BACD
0 0 0 1 1 BADC
0 0 1 0 0 ADCB
0 0 1 0 1 ADBC
0 0 1 1 0 DACB
0 0 1 1 1 DABC
0 1 0 0 0 CBAD
0 1 0 0 1 CBDA
0 1 0 1 0 BCAD
0 1 0 1 1 BCDA
0 1 1 0 0 CDAB
0 1 1 0 1 CDBA
0 1 1 1 0 DCAB
0 1 1 1 1 DCBA
1 0 0 0 0 ACBD
1 0 0 0 1 ACDB
1 0 0 1 0 CABD
1 0 0 1 1 CADB
! 1 0 1 0 0 ADBC
! 1 0 1 0 1 ADCB
! 1 0 1 1 0 DABC
! 1 0 1 1 1 DACB
! 1 1 0 0 0 BCAD
! 1 1 0 0 1 BCDA
! 1 1 0 1 0 CBAD
! 1 1 0 1 1 CBDA
1 1 1 0 0 BDAC
1 1 1 0 1 BDCA
1 1 1 1 0 DBAC
1 1 1 1 1 DBCA |
The ones marked with an ! are duplicates that already appear earlier in the table. As you know duplicates
are pretty much unavoidable as for 24 permutations you need at least 5bits (control lines) which gives you
32 permutations so 8 duplicates. The 4053 did indeed seem like a logical choice to do this. I will have a look
at Knuth's work, thanks for the tip.
| Quote: | | You can cut down on the number of permutations you need by following you permuter with a barrel shifter type arrangement to generate permutations that are just rotations of other permutations. DABC is ABCD rotated right one step. Two 4052s should create a barrel shifter for 4 bits with 2 control lines. |
yes, I thought about rotating bits and when I started thinking about it a couple years ago I actually drew up
a schematic. I didn't know it was called a barrel shifter untill now, so I called it a bit rotator. There is a downside
to it though. I didn't mention it but I would like to have it function asynchronous, so without the need
for a clock signal. wikipedia mentioned a clock cycle but of course it doesn't need a clock. Another thing
I thought about is that half the permutations are mirrored versions, like ABCD & DCBA. So it is possible to
create 12 permutations, and then just swap all the bits to get the other 12.
| Steveg wrote: | Okay I've done the permutations, you need 3 pairs of 4052s with 6 control lines.
One wired as a barrel shifter.
One that swaps A<->B and C<->D
One that swaps A<->D and B<->C
Instead of the barrel shifter you could use one that swaps A<->C and B<->D you just get a different set of duplicates. |
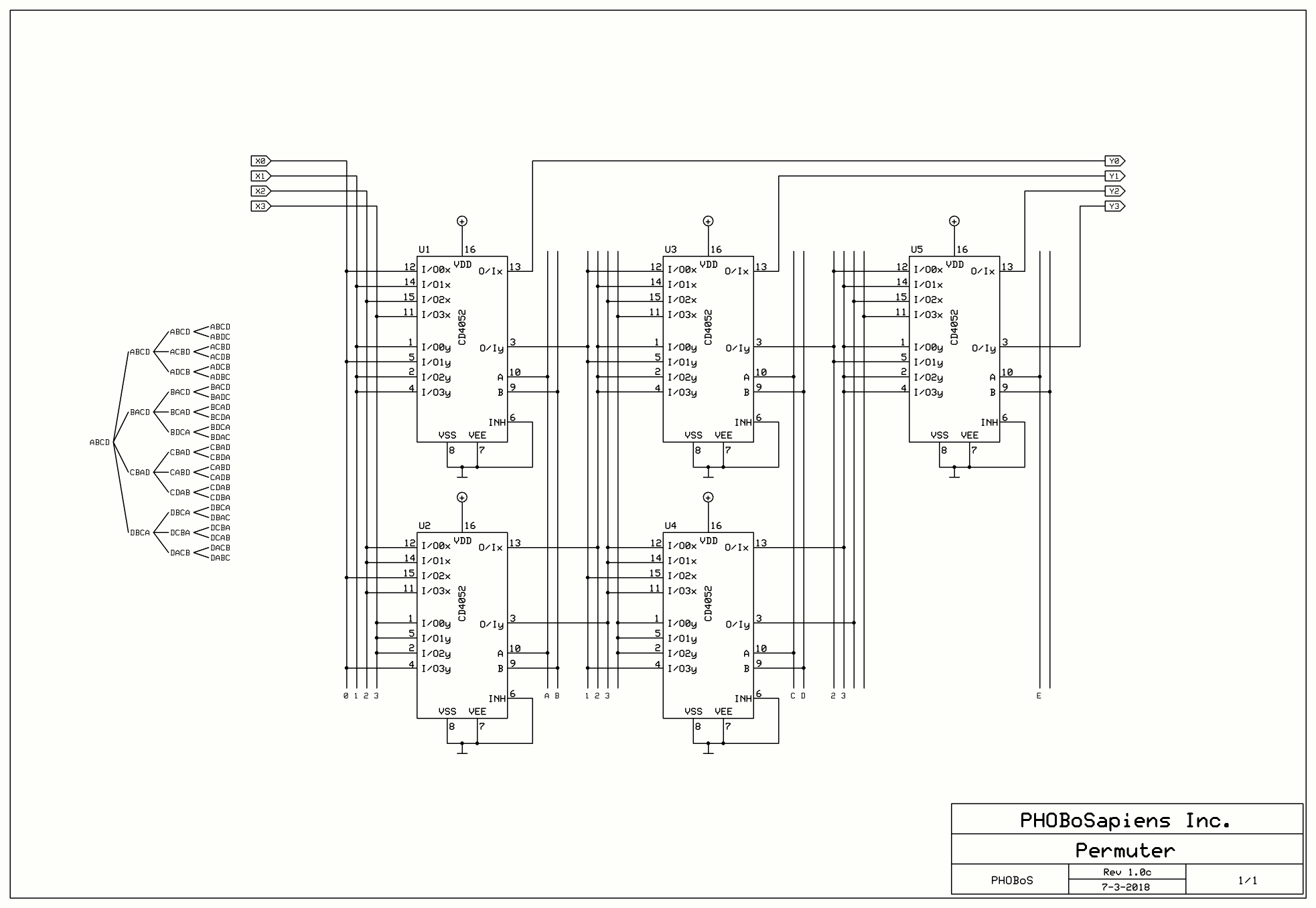
I drew up a version with 2 pairs + 1 (which can be a 4052 or 4053) and 5 control lines. I translated it from the
tree structure on the left which I got after reading up a bit about how to create permutations. A nice thing
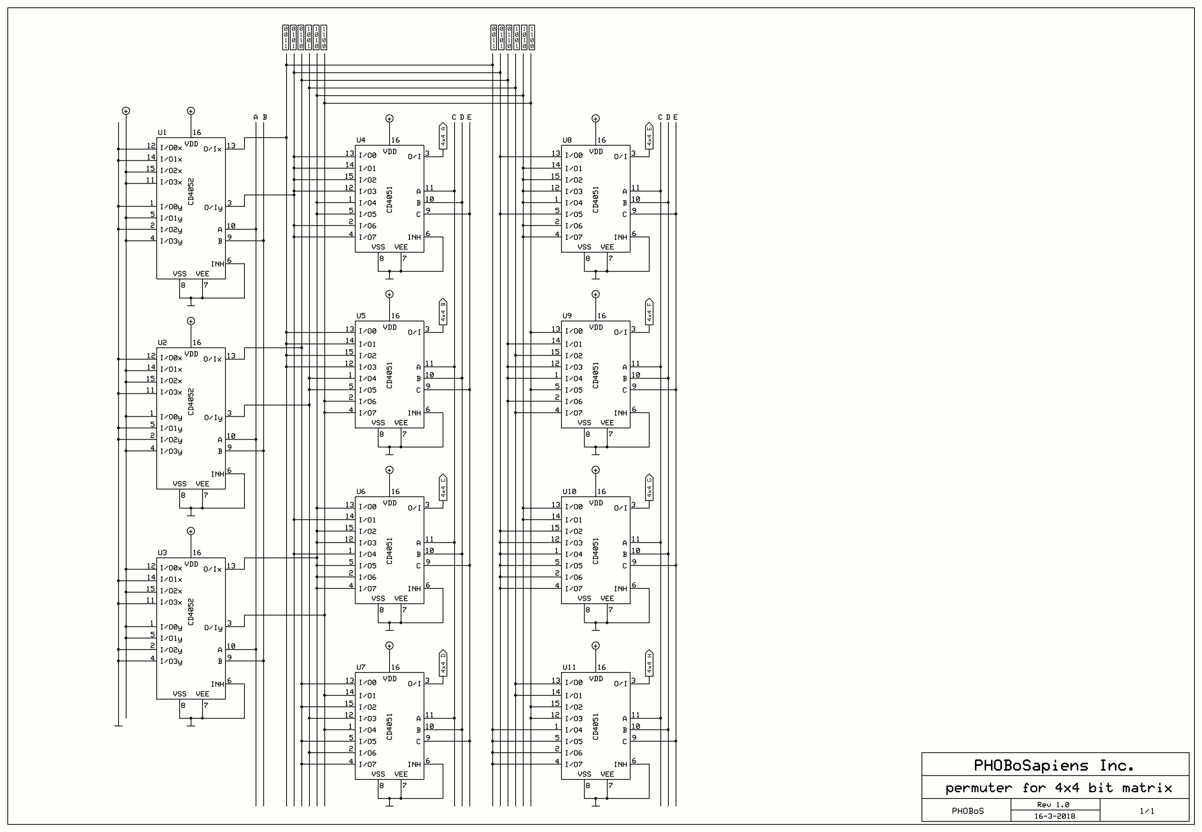
about is that it is rather recursive. To show this more clearly I also drew up a version with some unnecessary
connections. If you would do something like that in code you would put it in a loop and/or function. So just for
fun I also started on a schematic which does just that. It isn't practical, needs more chips and a Clock, but it's
a nice challenge.
Here are the schematics, the permuter ones aren't complete as they have some floating inputs and some pull
down resistors on the other inputs would be needed for a standalone version.
note: X0..X3 are the inputs, Y0..Y3 are the outputs, A..E are the control lines.
Thanks for thinking along
| Description: |
|
| Filesize: |
26.14 KB |
| Viewed: |
346 Time(s) |
| This image has been reduced to fit the page. Click on it to enlarge. |

|
| Description: |
|
| Filesize: |
48.54 KB |
| Viewed: |
335 Time(s) |
| This image has been reduced to fit the page. Click on it to enlarge. |

|
| Description: |
|
| Filesize: |
54.62 KB |
| Viewed: |
354 Time(s) |
| This image has been reduced to fit the page. Click on it to enlarge. |

|
_________________ "My perf, it's full of holes!"
http://phobos.000space.com/
SoundCloud BandCamp MixCloud Stickney Synthyards Captain Collider Twitch YouTube Last edited by PHOBoS on Thu Mar 08, 2018 3:20 am; edited 2 times in total |
|
|
Back to top
|
|
 |
PHOBoS

Joined: Jan 14, 2010 Posts: 5868 Location: Moon Base
Audio files: 709
|
Posted: Wed Mar 07, 2018 8:13 pm Post subject:
|
 |
|
hah, I am currently watching some lectures from Stanford University about C++ as one of them was about
permutations, which made me curious about the rest. In the current one about strings there is an example
code which uses the string "Donald Knuth".  _________________ "My perf, it's full of holes!"
http://phobos.000space.com/
SoundCloud BandCamp MixCloud Stickney Synthyards Captain Collider Twitch YouTube Last edited by PHOBoS on Wed Mar 07, 2018 8:21 pm; edited 1 time in total |
|
|
Back to top
|
|
 |
PHOBoS

Joined: Jan 14, 2010 Posts: 5868 Location: Moon Base
Audio files: 709
|
|
|
Back to top
|
|
 |
PHOBoS

Joined: Jan 14, 2010 Posts: 5868 Location: Moon Base
Audio files: 709
|
Posted: Thu Mar 08, 2018 1:24 pm Post subject:
|
 |
|
| PHOBoS wrote: | oh something I forgot to mention. A permuter can of course be used as a barrel shifter. I want to look into it
if it is possible to rearrange it in such a way that it can rotate by connecting a counter to 2 of the control
lines. |
I think starting with a barrel shifter is probably the easiest way to make it possible to do this with 2 control lines,
I also like the idea of using the fact that half of the permutations are mirrored versions so I want to make
that possible with 1 control line. Mirroring is of course swapping A<->D and B<->C.
You've already done both things, shifting and mirroring in this version :
| Steveg wrote: | Okay I've done the permutations, you need 3 pairs of 4052s with 6 control lines.
One wired as a barrel shifter.
One that swaps A<->B and C<->D
One that swaps A<->D and B<->C |
However, I don't like the A<->B and C<->D step as I'd like to keep the same bit at the first place after the barrelshift and
only change it at the mirror stage. After a bit of puzling I think I figured it out. It does produce some duplicates of course
but it makes it very easy to use to shift bits or mirror them.
Rev1.1 uses 6x 4052 and is probably the easiest to understand. Because the last (mirroring) stage only uses half of U5 and U6
it makes it possible to add some extra options.
Rev1.2 makes use of this.
- When CTRL X = 0 and CTRL E = 0, all the outputs are 0
- When CTRL X = 0 and CTRL E = 1, the permuter is disabled and the outputs (Y0..Y3) are the same as the inputs (X0..X3)
- When CTRL X = 1, the permuter is enabled and CTRL E works as the mirror control input.
Rev1.3 works the same as Rev1.1 but with 2x CD4053 and only has 5 chips in total instead of 6.
| Description: |
|
| Filesize: |
60.38 KB |
| Viewed: |
304 Time(s) |
| This image has been reduced to fit the page. Click on it to enlarge. |

|
| Description: |
|
| Filesize: |
71.31 KB |
| Viewed: |
320 Time(s) |
| This image has been reduced to fit the page. Click on it to enlarge. |

|
| Description: |
|
| Filesize: |
58.14 KB |
| Viewed: |
325 Time(s) |
| This image has been reduced to fit the page. Click on it to enlarge. |

|
_________________ "My perf, it's full of holes!"
http://phobos.000space.com/
SoundCloud BandCamp MixCloud Stickney Synthyards Captain Collider Twitch YouTube |
|
|
Back to top
|
|
 |
PHOBoS

Joined: Jan 14, 2010 Posts: 5868 Location: Moon Base
Audio files: 709
|
Posted: Fri Mar 09, 2018 10:44 am Post subject:
|
 |
|
Here's the logic table for Rev1.2
note: I think there is an error in there which might also be in the schematics, will fix it when I found it.
found it and fixed it. (schematics are ok)
| Code: | X E D C B A | Y0 Y1 Y2 Y3
------------------------------
0 0 - - - - | 0 0 0 0
0 1 - - - - | X0 X1 X2 X3
------------------------------
1 0 0 0 0 0 | X0 X1 X2 X3
1 0 0 0 0 1 | X1 X2 X3 X0
1 0 0 0 1 0 | X2 X3 X0 X1
1 0 0 0 1 1 | X3 X0 X1 X2
------------------------------
1 0 0 1 0 0 | X0 X2 X1 X3
1 0 0 1 0 1 | X1 X3 X2 X0
1 0 0 1 1 0 | X2 X0 X3 X1
1 0 0 1 1 1 | X3 X1 X0 X2
1 0 1 0 0 0 | X0 X1 X3 X2 !a
1 0 1 0 0 1 | X1 X2 X0 X3 !b
1 0 1 0 1 0 | X2 X3 X1 X0 !c
1 0 1 0 1 1 | X3 X0 X2 X1 !d
1 0 1 1 0 0 | X0 X3 X1 X2 !e
1 0 1 1 0 1 | X1 X0 X2 X3 !f
1 0 1 1 1 0 | X2 X1 X3 X0 !g
1 0 1 1 1 1 | X3 X2 X0 X1 !h
------------------------------
1 1 0 0 0 0 | X3 X2 X1 X0
1 1 0 0 0 1 | X0 X3 X2 X1
1 1 0 0 1 0 | X1 X0 X3 X2
1 1 0 0 1 1 | X2 X1 X0 X3
------------------------------
1 1 0 1 0 0 | X3 X1 X2 X0
1 1 0 1 0 1 | X0 X2 X3 X1
1 1 0 1 1 0 | X1 X3 X0 X2
1 1 0 1 1 1 | X2 X0 X1 X3
1 1 1 0 0 0 | X2 X3 X1 X0 !c
1 1 1 0 0 1 | X3 X0 X2 X1 !d
1 1 1 0 1 0 | X0 X1 X3 X2 !a
1 1 1 0 1 1 | X1 X2 X0 X3 !b
1 1 1 1 0 0 | X2 X1 X3 X0 !g
1 1 1 1 0 1 | X3 X2 X0 X1 !h
1 1 1 1 1 0 | X0 X3 X1 X2 !e
1 1 1 1 1 1 | X1 X0 X2 X3 !f
------------------------------ |
_________________ "My perf, it's full of holes!"
http://phobos.000space.com/
SoundCloud BandCamp MixCloud Stickney Synthyards Captain Collider Twitch YouTube |
|
|
Back to top
|
|
 |
Steveg

Joined: Apr 23, 2015 Posts: 184 Location: Perth, Australia
|
Posted: Fri Mar 09, 2018 4:57 pm Post subject:
|
 |
|
| Looks good. An impressive set of optimisations there. |
|
|
Back to top
|
|
 |
PHOBoS

Joined: Jan 14, 2010 Posts: 5868 Location: Moon Base
Audio files: 709
|
|
|
Back to top
|
|
 |
PHOBoS

Joined: Jan 14, 2010 Posts: 5868 Location: Moon Base
Audio files: 709
|
Posted: Thu Mar 15, 2018 1:17 pm Post subject:
|
 |
|
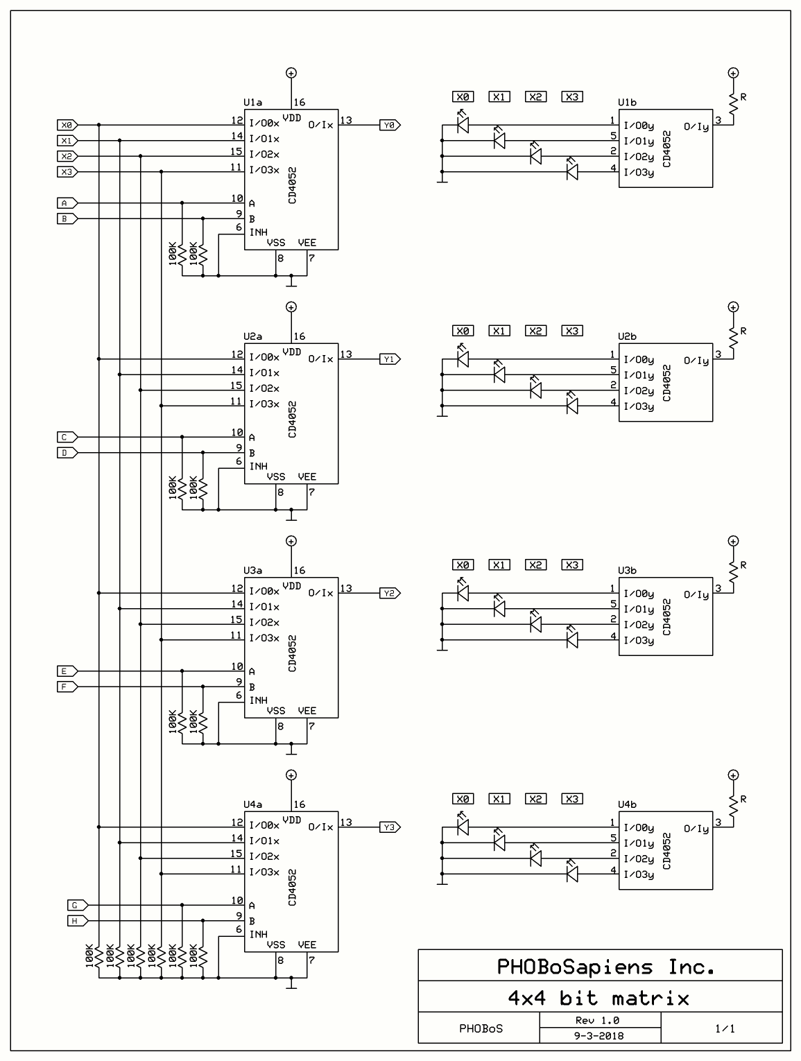
I took me longer than I expected but I found a solution to add LEDs to the permuter. I don't know if this is the most efficient
way to do it (with logic chips) but I think it should work. Note that it can only be used with either Rev1.1 or Rev1.3 as it
doesn't have an X input for Rev1.2. (I am not sure yet how easy it is to add this)
The idea is to construct the LEDs in 4x4 grid where the rows are the inputs (X0..X3) and the columns are the outputs (Y0..Y3).
Note that the LEDs don't show the actual status of the outputs just how the in/outputs are routed. For the permuter each input
is routed to a different output so there can never be more than 1 LED on in a single row or column. Because of this you could
either use muxes to control rows or columns.
The permuter uses 1 control input (E) to mirror (reverse) the outputs, this can easily be done by using a 1<>8 mux (CD4051)
for each row of LEDs. The LEDs are connected in the order Y0..Y3 to 'outputs' 0..3 and in the reverse order Y3..Y0 to 'outputs'
4..7. This way the A&B inputs are used to turn on 1 of the LEDs in a row and the C input is used to reverse the whole row. So
the C input of all the 4 muxes will be connected to Control input E. This is the part of the schematic that I started with (U8..U11)
but then I got a bit stuck. So I had to shake it loose and it dropped on the floor and I couldn't find it at first and,..
ok enough sillyness.
Somehow I needed to turn the Control inputs A,B,C,D into 4 sets of 2 bits to control the muxes. I could use a 1<>16 mux for
each bit but that would require 8 of them which seemed a bit ridiculous. I typed out some logic tables to see if that woud give
me any ideas. It became a bit clearer after I typed one similar to the one posted above but with inputs and outputs swapped
as this made it easier to see how the ABCD inputs correlate with the Y0..Y3 outputs.
| Code: | E D C B A | X0 | X1 | X2 | X3 |
=====================================================
0 0 0 0 0 | Y0 | Y1 | Y2 | Y3 |
0 0 0 0 1 | Y3 | Y0 | Y1 | Y2 |
0 0 0 1 0 | Y2 | Y3 | Y0 | Y1 |
0 0 0 1 1 | Y1 | Y2 | Y3 | Y0 |
-----------------------------------------------------
0 0 1 0 0 | Y0 | Y2 | Y1 | Y3 |
0 0 1 0 1 | Y3 | Y0 | Y2 | Y1 |
0 0 1 1 0 | Y1 | Y3 | Y0 | Y2 |
0 0 1 1 1 | Y2 | Y1 | Y3 | Y0 |
-----------------------------------------------------
0 1 0 0 0 | Y0 | Y1 | Y3 | Y2 |
0 1 0 0 1 | Y2 | Y0 | Y1 | Y3 |
0 1 0 1 0 | Y3 | Y2 | Y0 | Y1 |
0 1 0 1 1 | Y1 | Y3 | Y2 | Y0 |
-----------------------------------------------------
0 1 1 0 0 | Y0 | Y2 | Y3 | Y1 |
0 1 1 0 1 | Y1 | Y0 | Y2 | Y3 |
0 1 1 1 0 | Y3 | Y1 | Y0 | Y2 |
0 1 1 1 1 | Y2 | Y3 | Y1 | Y0 |
=====================================================
1 0 0 0 0 | Y3 | Y2 | Y1 | Y0 |
1 0 0 0 1 | Y0 | Y3 | Y2 | Y1 |
1 0 0 1 0 | Y1 | Y0 | Y3 | Y2 |
1 0 0 1 1 | Y2 | Y1 | Y0 | Y3 |
-----------------------------------------------------
1 0 1 0 0 | Y3 | Y1 | Y2 | Y0 |
1 0 1 0 1 | Y0 | Y3 | Y1 | Y2 |
1 0 1 1 0 | Y2 | Y0 | Y3 | Y1 |
1 0 1 1 1 | Y1 | Y2 | Y0 | Y3 |
-----------------------------------------------------
1 1 0 0 0 | Y3 | Y2 | Y0 | Y1 |
1 1 0 0 1 | Y1 | Y3 | Y2 | Y0 |
1 1 0 1 0 | Y0 | Y1 | Y3 | Y2 |
1 1 0 1 1 | Y2 | Y0 | Y1 | Y3 |
-----------------------------------------------------
1 1 1 0 0 | Y3 | Y1 | Y0 | Y2 |
1 1 1 0 1 | Y2 | Y3 | Y1 | Y0 |
1 1 1 1 0 | Y0 | Y2 | Y3 | Y1 |
1 1 1 1 1 | Y1 | Y0 | Y2 | Y3 |
===================================================== |
Changing Y0..Y3 to the actual bits I needed for the A&B inputs of the muxes resulted in the following logic table. I relabeled
them O..V to prevent any more confusion and also left out Control input E as this has already been taken care of.
| Code: | | X0 | X1 | X2 | X3 |
D C B A | P O | R Q | T S | V U |
==================================================
0 0 0 0 | 0 0 | 0 1 | 1 0 | 1 1 |
0 0 0 1 | 1 1 | 0 0 | 0 1 | 1 0 |
0 0 1 0 | 1 0 | 1 1 | 0 0 | 0 1 |
0 0 1 1 | 0 1 | 1 0 | 1 1 | 0 0 |
--------------------------------------------------
0 1 0 0 | 0 0 | 1 0 | 0 1 | 1 1 |
0 1 0 1 | 1 1 | 0 0 | 1 0 | 0 1 |
0 1 1 0 | 0 1 | 1 1 | 0 0 | 1 0 |
0 1 1 1 | 1 0 | 0 1 | 1 1 | 0 0 |
--------------------------------------------------
1 0 0 0 | 0 0 | 0 1 | 1 1 | 1 0 |
1 0 0 1 | 1 0 | 0 0 | 0 1 | 1 1 |
1 0 1 0 | 1 1 | 1 0 | 0 0 | 0 1 |
1 0 1 1 | 0 1 | 1 1 | 1 0 | 0 0 |
--------------------------------------------------
1 1 0 0 | 0 0 | 1 0 | 1 1 | 0 1 |
1 1 0 1 | 0 1 | 0 0 | 1 0 | 1 1 |
1 1 1 0 | 1 1 | 0 1 | 0 0 | 1 0 |
1 1 1 1 | 1 0 | 1 1 | 0 1 | 0 0 |
================================================== |
After staring at it for while I noticed something. If you look at the columns O..V you can see that for every time Control inputs
A & B cycle from 00 to 11 there are 0's and 1's but there are always 2 of both. If for example you look at the column beneath
P you get 0110 for the first cycle (DC=00), 0101 for the second cycle (DC=01), 0110 for the third (DC=10) and 0011 for the
fourth (DC=11). There are only 6 combinations of 1's and 0's that can be made this way: 0011, 0101, 0110, 1001, 1010, 1100.
After I realized this it became clear how to do it.
I used 6 4<>1 muxes (U1..U3) to create the 6 possible combinations. A CD4052 already has 2 4<>1 muxes but they share the
A&B inputs. Since all the A&B inputs need to be wired together anyway this isn't a problem so it only needs 3 chips for this.
What's left is to route one of the outputs of these muxes to the (O..V) inputs of U8..U11 which can be done with, you probably
guessed it, more muxes. 8 4<>1 muxes to be precise. As with U1..U3 the C&D inputs are all connected together so it can be
done with 4 chips (U4..U7).
Let's take a look at the column beneath P again. For the first cycle (DC=00) the order of bits is 0110 which corresponds with
the x 'output' of U2 so that's what it is connected to. For the second cycle (DC=01) the order is 0101 which corresponds with
the y 'output' of U1. The order for the third cycle (DC=10) is 0110 again so that's also connected to the x 'output' of U2. The
order for the fourth cycle (DC=11) is 0011 which corresponds with the x 'output' of U1.
It's still a silly amount of chips especially in combination with the permuter itself. Something like an (E)EPROM would be ideal for
this but I've never used them and I have no idea if they are readily available with the amount of outputs that would be needed
for both circuits, which is a minimum of 12 if you'd still use U8..U11. Of course you could simply use more than 1 if needed. Also
the 4x4 bit matrix I posted above can do all the permutations and much more + control the LEDs with only 4 chips in total.
hmm, I wonder if it would be easier to make some sort of converter, which could be very similar to this circuit for the LEDs, that
can be used in combination with the 4x4 bit matrix.
| Description: |
|
| Filesize: |
107.66 KB |
| Viewed: |
321 Time(s) |
| This image has been reduced to fit the page. Click on it to enlarge. |

|
_________________ "My perf, it's full of holes!"
http://phobos.000space.com/
SoundCloud BandCamp MixCloud Stickney Synthyards Captain Collider Twitch YouTube |
|
|
Back to top
|
|
 |
PHOBoS

Joined: Jan 14, 2010 Posts: 5868 Location: Moon Base
Audio files: 709
|
|
|
Back to top
|
|
 |
PHOBoS

Joined: Jan 14, 2010 Posts: 5868 Location: Moon Base
Audio files: 709
|
Posted: Fri Mar 16, 2018 4:16 pm Post subject:
|
 |
|
U1, U2, U3 of the Leds for permuter schematic can be replaced with just a single XOR chip.
| Quote: | | There are only 6 combinations of 1's and 0's that can be made this way: 0011, 0101, 0110, 1001, 1010, 1100 |
Half of those are actually just the inverse of the other ones: 0011 <> 1100, 0101 <> 1010, 0110 <> 1001. I changed how
U1, U2, U3 are connected so this is easier to see. By doing this only 3 1<>4 muxes would be needed + 3 inverters. Even
better, they can be replaced with 1<>2 muxes. 0011 <> 1100 can be directly derived from Control input B, 0101 <> 1010
can be directly derived from Control input A and 0110 <> 1001 can be done by using an XOR gate. But it gets even better.
The 1<>2 muxes just switch between 1 and 0 so they can be left out completely.
I guess that with all those muxes I almost forgot you can also do things with logic gates.
| Description: |
|
| Filesize: |
134.4 KB |
| Viewed: |
257 Time(s) |
| This image has been reduced to fit the page. Click on it to enlarge. |

|
_________________ "My perf, it's full of holes!"
http://phobos.000space.com/
SoundCloud BandCamp MixCloud Stickney Synthyards Captain Collider Twitch YouTube Last edited by PHOBoS on Sat Mar 17, 2018 2:18 pm; edited 1 time in total |
|
|
Back to top
|
|
 |
PHOBoS

Joined: Jan 14, 2010 Posts: 5868 Location: Moon Base
Audio files: 709
|
|
|
Back to top
|
|
 |
PHOBoS

Joined: Jan 14, 2010 Posts: 5868 Location: Moon Base
Audio files: 709
|
|
|
Back to top
|
|
 |
PHOBoS

Joined: Jan 14, 2010 Posts: 5868 Location: Moon Base
Audio files: 709
|
|
|
Back to top
|
|
 |
|