electro-music.com   Dedicated to experimental electro-acoustic
and electronic music
 
    Front Page  |  Radio
 |  Media  |  Forum  |  Wiki  |  Links
Forum with support of Syndicator RSS
 FAQFAQ   CalendarCalendar   SearchSearch   MemberlistMemberlist   UsergroupsUsergroups   LinksLinks
 RegisterRegister   ProfileProfile   Log in to check your private messagesLog in to check your private messages   Log inLog in  Chat RoomChat Room 
go to the radio page Live at electro-music.com radio 1 Please visit the chat
  host / artist show at your time
today> Twyndyllyngs tonight Chez Mosc
 Forum index » DIY Hardware and Software » Lunettas - circuits inspired by Stanley Lunetta
Yet another sequencer ((edit: answered) question) thread
Post new topic   Reply to topic Moderators: mosc
Page 1 of 2 [29 Posts]
View unread posts
View new posts in the last week
Mark the topic unread :: View previous topic :: View next topic
Goto page: 1, 2 Next
Author Message
solaneu



Joined: Oct 21, 2014
Posts: 5
Location: suburban base

PostPosted: Tue Oct 21, 2014 2:50 pm    Post subject: Yet another sequencer ((edit: answered) question) thread
Subject description: this time with switches!
Reply with quote  Mark this post and the followings unread

Howdy folks,

For the last few weeks I have been studying the forums for my sequencer project, which has been VERY helpful, and I thought I can ask a question since something has been bugging me lately and I couldn't find a solution for it. What I want is a sequencer that is switchable between 2x8 and 16 steps.

Right now I have 2 4017s for two 8 step sequences. I thought with a switch, I can route the clock first to a third 4017 with a two-step cycle. So first step of it would go to the clock input of first 4017 and second step to the clock input of second 4017. That way even though it jumps between two rows I have 16 steps. Same switch would also route the cv and gate outputs of second 4017 to first one so cv out1 and gate out1 recieve all 16 steps.

The problem is of course, two cv outputs overlap. That's why I thought I can add a SPDT switch that, with each clock signal changes its position, but from what I could see with most switches (4016, 4066) they rather respond if Enable is high or low and not the way I need, that is, switch when Enable is high and chillax and wait for the next clock when low.

So, I was wondering if it makes sense, if there is a way to do it or is there an easier way to do it?

Last edited by solaneu on Wed Oct 22, 2014 2:56 pm; edited 1 time in total
Back to top
View user's profile Send private message
PHOBoS



Joined: Jan 14, 2010
Posts: 5881
Location: Moon Base
Audio files: 709

PostPosted: Tue Oct 21, 2014 3:56 pm    Post subject: Reply with quote  Mark this post and the followings unread

welcome party!

Do you want the 2x8 to be in sync,. so just 8 steps but with 2 CV outputs, or do you want them to be completely seperate
so they can work at different speeds ?

it shouldn't be to hard to chain 2 4017's without the need for a third one if you use the CLK enable pins.
Have the first 4017 count to 9 steps, where the 9th steps disables the CLK of the first but resets the second 4017.
The second one then also counts 9 steps where the 9th steps disables its CLK and resets the first 4017. (and so on)
It's actually somewhat similar to what I did for the Euclidean Rhythm Generator.

_________________
"My perf, it's full of holes!"
http://phobos.000space.com/
SoundCloud BandCamp MixCloud Stickney Synthyards Captain Collider Twitch YouTube

Last edited by PHOBoS on Wed Oct 22, 2014 10:04 am; edited 1 time in total
Back to top
View user's profile Send private message Visit poster's website AIM Address Yahoo Messenger MSN Messenger
solaneu



Joined: Oct 21, 2014
Posts: 5
Location: suburban base

PostPosted: Wed Oct 22, 2014 8:56 am    Post subject: Reply with quote  Mark this post and the followings unread

Hi PHOBoS,

They don't need to be completely in sync in 2x8 mode. I added 4040s before 4017 clock inputs so that their speeds may vary in relation to eachother. So 2 CV outputs and 2 Gate outputs in that mode.

I tried cascading the two 4017s the way its described in its data sheet and it works that way. I am not much of an electronics-savvy person but the logic behind it looks similiar to what you desribed. The problem with it is though, in cascaded mode, Q1 thru Q8 are the outputs, as in your schematic, but in 2x8 mode Q0 thru Q7 are the outputs. So it is kinda hard to make the sequencer switchable between 2x8 and 16 steps.

I also tried it with two 4015s, while it's easier to switch between 2x8 and 16 (with a DPDT switch), adjusting the sequence lengths with 4015s is just too complicated.
Back to top
View user's profile Send private message
PHOBoS



Joined: Jan 14, 2010
Posts: 5881
Location: Moon Base
Audio files: 709

PostPosted: Wed Oct 22, 2014 10:26 am    Post subject: Reply with quote  Mark this post and the followings unread

This is what I had in mind for cascading (not tested) which uses outputs Q0-Q7 on both 4017's.
I do have another idea without capacitors involving AND gates (different from the datasheet) and if that works
you should be able to run it faster, but I'd really need to test that first.
This one should work well into (and probably beyond) the audiorange though.


cascaded 4017s.gif
 Description:
 Filesize:  39.74 KB
 Viewed:  1473 Time(s)
This image has been reduced to fit the page. Click on it to enlarge.

cascaded 4017s.gif



_________________
"My perf, it's full of holes!"
http://phobos.000space.com/
SoundCloud BandCamp MixCloud Stickney Synthyards Captain Collider Twitch YouTube
Back to top
View user's profile Send private message Visit poster's website AIM Address Yahoo Messenger MSN Messenger
solaneu



Joined: Oct 21, 2014
Posts: 5
Location: suburban base

PostPosted: Wed Oct 22, 2014 11:45 am    Post subject: Reply with quote  Mark this post and the followings unread

Just tried it out on breadboard and it works! I also clocked it externally and its stable at least at 600 bpm so no problems there either. Now it's time to figure out how to switch it.

Thanks PHOBoS!
Back to top
View user's profile Send private message
PHOBoS



Joined: Jan 14, 2010
Posts: 5881
Location: Moon Base
Audio files: 709

PostPosted: Wed Oct 22, 2014 12:18 pm    Post subject: Reply with quote  Mark this post and the followings unread

that's great to hear Very Happy
for switching a mux (CD4053) might be useful.

_________________
"My perf, it's full of holes!"
http://phobos.000space.com/
SoundCloud BandCamp MixCloud Stickney Synthyards Captain Collider Twitch YouTube
Back to top
View user's profile Send private message Visit poster's website AIM Address Yahoo Messenger MSN Messenger
DUBmatze



Joined: Feb 18, 2013
Posts: 150
Location: south Germaica (schwabilon)

PostPosted: Thu Oct 23, 2014 1:59 pm    Post subject: Reply with quote  Mark this post and the followings unread

maybe this work....


4017_casc.png
 Description:
untested
 Filesize:  11.66 KB
 Viewed:  1016 Time(s)
This image has been reduced to fit the page. Click on it to enlarge.

4017_casc.png


Back to top
View user's profile Send private message Visit poster's website
PHOBoS



Joined: Jan 14, 2010
Posts: 5881
Location: Moon Base
Audio files: 709

PostPosted: Thu Oct 23, 2014 5:05 pm    Post subject: Reply with quote  Mark this post and the followings unread

That would need a couple more resistors and diodes to properly work.

I drew up something too, but before I knew how the 2x8 had to function. So this one has them in sync (and no external reset).
Might aswell post it, maybe it's usefull.


cascaded 4017s v1.1.gif
 Description:
cascaded 4017's with 2x8/1x16 switch.
 Filesize:  40.46 KB
 Viewed:  1003 Time(s)
This image has been reduced to fit the page. Click on it to enlarge.

cascaded 4017s v1.1.gif



_________________
"My perf, it's full of holes!"
http://phobos.000space.com/
SoundCloud BandCamp MixCloud Stickney Synthyards Captain Collider Twitch YouTube
Back to top
View user's profile Send private message Visit poster's website AIM Address Yahoo Messenger MSN Messenger
PHOBoS



Joined: Jan 14, 2010
Posts: 5881
Location: Moon Base
Audio files: 709

PostPosted: Tue Jul 25, 2017 1:14 pm    Post subject: Reply with quote  Mark this post and the followings unread

Dukester (who has yet to make an appearance on the forum) send me a message that he tested the switchable
version I posted and although the 1x16 mode worked the 2x8 mode skips step 1. I did a test myself and that is
indeed the case.

I think this actually makes sense if you look at the internal structure of the 4017. The CLK INH pin is internally
connected to an AND port (after being inverted) together with the CLK input. If you look at the circuit in 2x8 mode
then up untill the 8th step (Q7) it works fine. When Q8 goes high two things happen:
The CLK INH pin goes high which disables the CLK input but it also gets immediately reset. Because of this the CLK INH
pin goes low again. However because the CLK IN is still high this high to low transistion of the CLK INH pin creates a CLK
pulse through the internal AND gate. The result is that it skips step 1. I am slightly confused why it works fine in 1x16
mode.

I did some tests to see if I could come up with a solution that wasn't too complex and I did manage to get something
working using a 3-pole switch (V2.0). It doesn't always work well when you switch to 1x16 mode though. Because I didn't
like the idea of using a 3-pole switch I tested if I could replace it with a mux so that only a single pole switch could be used
(V2.1). This worked and I managed to use the same switch to send a reset pulse to the first counter which makes the 1x16
mode work every time. Dukester has also tested this version and confirmed that it works. Very Happy

So I was going to post it (actually I am doing that now or I did when you read this) and I looked up the thread where I noticed
the schematic by DUBmatze. It doesn't work how it is drawn but I was curious what it would need to get it functioning. It first
got a bit more complex needing more diodes and a 3-pole switch but when I compared that to version I drew I noticed it could
be simplified. When I drew V2.0 I did had the suspicion that there was an easier way but just didn't see it, so thanks DUBmatze!
The end result is a version (V2.2) that needs a 2-pole switch and no mux and seems to work every time, at least it does on my
breadboard. (you could probably replace the switch with a mux).


Personally I would go for a different approach; 2 seperate sequencers that have individual CLK and reset inputs and a switch to
select the number of steps with an option to chain them. I think it would be possible to make it so you can chain more than 1.
I do recall drawing something like that once before so I will look into it or maybe come up with a new version.


cascaded 4017s v2.0.gif
 Description:
note: doesn't alway seem to work well when switching from 2x8 to 1x16 mode.
 Filesize:  44.51 KB
 Viewed:  851 Time(s)
This image has been reduced to fit the page. Click on it to enlarge.

cascaded 4017s v2.0.gif



cascaded 4017s v2.1.gif
 Description:
tested and confirmed.
 Filesize:  55.44 KB
 Viewed:  1016 Time(s)
This image has been reduced to fit the page. Click on it to enlarge.

cascaded 4017s v2.1.gif



cascaded 4017s v2.2.gif
 Description:
only tested by myself.
 Filesize:  45.05 KB
 Viewed:  1071 Time(s)
This image has been reduced to fit the page. Click on it to enlarge.

cascaded 4017s v2.2.gif



_________________
"My perf, it's full of holes!"
http://phobos.000space.com/
SoundCloud BandCamp MixCloud Stickney Synthyards Captain Collider Twitch YouTube
Back to top
View user's profile Send private message Visit poster's website AIM Address Yahoo Messenger MSN Messenger
Dukester



Joined: Jul 22, 2017
Posts: 1
Location: Ireland

PostPosted: Tue Jul 25, 2017 4:29 pm    Post subject: Reply with quote  Mark this post and the followings unread

I am here now, I made the account to message you about this haha Smile

I will have a go with that last design, see how i get on.

i would like to try a design in the future with more features but for now this works for me.


Cheers Smile
Back to top
View user's profile Send private message
Matthijn_Brink



Joined: Jun 04, 2019
Posts: 5
Location: Netherlands

PostPosted: Sun Jun 09, 2019 3:09 pm    Post subject: Reply with quote  Mark this post and the followings unread

PHOBoS wrote:

Personally I would go for a different approach; 2 seperate sequencers that have individual CLK and reset inputs and a switch to
select the number of steps with an option to chain them. I think it would be possible to make it so you can chain more than 1.
I do recall drawing something like that once before so I will look into it or maybe come up with a new version.


I'm a 'bit' late to this thread, but I was wondering if you managed to figure this out eventually. It sounds like a really nice project. For now I'll try building your v2.2 design, thank you for posting it!
Back to top
View user's profile Send private message
PHOBoS



Joined: Jan 14, 2010
Posts: 5881
Location: Moon Base
Audio files: 709

PostPosted: Sun Jun 09, 2019 6:12 pm    Post subject: Reply with quote  Mark this post and the followings unread

welcome party!

I don't think I looked into it any further but let me see if I can come up with something. Cool

_________________
"My perf, it's full of holes!"
http://phobos.000space.com/
SoundCloud BandCamp MixCloud Stickney Synthyards Captain Collider Twitch YouTube
Back to top
View user's profile Send private message Visit poster's website AIM Address Yahoo Messenger MSN Messenger
PHOBoS



Joined: Jan 14, 2010
Posts: 5881
Location: Moon Base
Audio files: 709

PostPosted: Sun Jun 09, 2019 7:28 pm    Post subject: Reply with quote  Mark this post and the followings unread

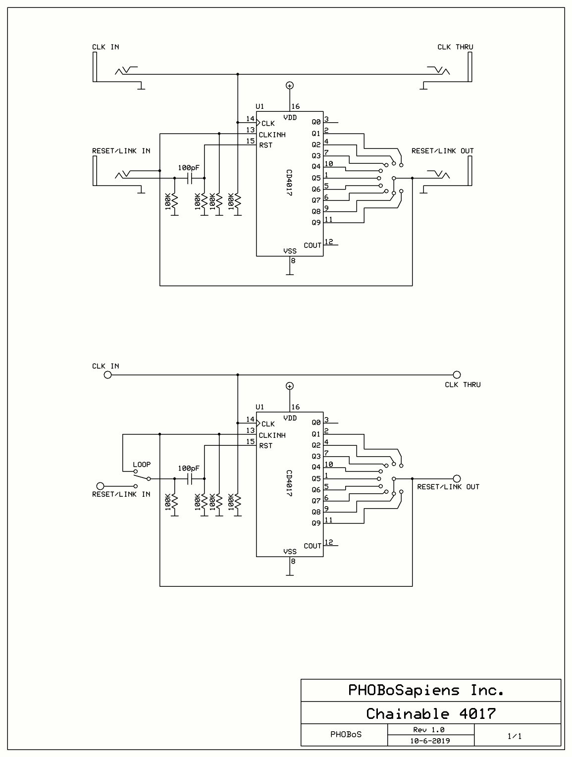
I think this should work, but it's not tested.

If you use connectors with a switch/normalize contact you can use the top version, otherwise you will have to use the other version which
requires an extra switch. However, this one does have the option to choose between looping (standard behaviour) or single run.
If you chain them you should connect the link out from the last one back to the link in from the first one.

The switch to select the number of steps is of course optional and personally I prefer the method used in the "little gate" sequencer,
which is more performance friendly. Note that if you want to chain them the maximum amount of steps is 9, not the usual 10*.

It might be a good idea to add some buffers and protection for the in/outputs. I'll see if I can draw up a version with some extra bits.


* hmm, actually I think it could be possible with the carry out as it seems to go high after the last step.


Chainable 4017 v1.0.gif
 Description:
not tested
 Filesize:  29.42 KB
 Viewed:  695 Time(s)
This image has been reduced to fit the page. Click on it to enlarge.

Chainable 4017 v1.0.gif



_________________
"My perf, it's full of holes!"
http://phobos.000space.com/
SoundCloud BandCamp MixCloud Stickney Synthyards Captain Collider Twitch YouTube
Back to top
View user's profile Send private message Visit poster's website AIM Address Yahoo Messenger MSN Messenger
PHOBoS



Joined: Jan 14, 2010
Posts: 5881
Location: Moon Base
Audio files: 709

PostPosted: Sun Jun 09, 2019 8:10 pm    Post subject: Reply with quote  Mark this post and the followings unread

Here's a version with some buffers and protection and a reset switch.
You could use the spare inverters to make an oscillator for the clock.


Chainable 4017 v1.1.gif
 Description:
not tested
 Filesize:  53.7 KB
 Viewed:  674 Time(s)
This image has been reduced to fit the page. Click on it to enlarge.

Chainable 4017 v1.1.gif



_________________
"My perf, it's full of holes!"
http://phobos.000space.com/
SoundCloud BandCamp MixCloud Stickney Synthyards Captain Collider Twitch YouTube
Back to top
View user's profile Send private message Visit poster's website AIM Address Yahoo Messenger MSN Messenger
Matthijn_Brink



Joined: Jun 04, 2019
Posts: 5
Location: Netherlands

PostPosted: Mon Jun 10, 2019 12:56 pm    Post subject: Reply with quote  Mark this post and the followings unread

Thank you so much for the reply Very Happy
After my exams are done I'll be attempting to to piece this together, really hyped for it.
Back to top
View user's profile Send private message
Matthijn_Brink



Joined: Jun 04, 2019
Posts: 5
Location: Netherlands

PostPosted: Wed Jun 12, 2019 9:35 am    Post subject: Reply with quote  Mark this post and the followings unread

PHOBoS wrote:
Here's a version with some buffers and protection and a reset switch.
You could use the spare inverters to make an oscillator for the clock.


I tried to simulate this one in MultiSim, but I can't quite figure out how to link the two. By just connecting the reset links I only ended up with the two chips running in sync...
Is there some obvious thing I'm missing that I should be connecting/disconnecting?
Thanks in advance!
Back to top
View user's profile Send private message
PHOBoS



Joined: Jan 14, 2010
Posts: 5881
Location: Moon Base
Audio files: 709

PostPosted: Wed Jun 12, 2019 12:57 pm    Post subject: Reply with quote  Mark this post and the followings unread

Let's see. You need an oscillator connected to the CLK IN and connect the CLK THRU to the CLK IN of the next one, you probably did that part ok.
LINK OUT of the first one needs to be connected to the LINK IN of the second one and the LINK OUT of that connected to the LINK IN of the first one.
You probably did that right too, but,..
you see that 1K resistor on the LINK IN (connected to pin 13), leave it out so you only connect to the 100K/10K resistors. If you use a connector with
a switch contact this connection will be broken automatically when you plug something in. With nothing plugged in it will never stop running.
So if you simulate a single one without that connection it should only run once and than stop at the 'last' step (whatever you select).
For simulating you could also test the other version I posted (with the switch) as it should work exactly the same.

Although I haven't tested the circuit as drawn I did patch up something similar and that worked fine.

_________________
"My perf, it's full of holes!"
http://phobos.000space.com/
SoundCloud BandCamp MixCloud Stickney Synthyards Captain Collider Twitch YouTube
Back to top
View user's profile Send private message Visit poster's website AIM Address Yahoo Messenger MSN Messenger
Matthijn_Brink



Joined: Jun 04, 2019
Posts: 5
Location: Netherlands

PostPosted: Sun Jun 16, 2019 12:00 pm    Post subject: Reply with quote  Mark this post and the followings unread

Thanks, I can't seem to figure it out in Multisim, so I'll just have to wait until my breadboard comes in :b
Back to top
View user's profile Send private message
Matthijn_Brink



Joined: Jun 04, 2019
Posts: 5
Location: Netherlands

PostPosted: Sun Jun 16, 2019 12:26 pm    Post subject: Reply with quote  Mark this post and the followings unread

Okay so I got the one with the switch kind of working. Am I correct in thinking that Q9 (pin 11) should not be connected to an LED or pot? Because right now pin 11 stays high until the other chip has reached its pin 11 and resets the chip again. (This is without a step selector, just running both chips from Q1-Q9).
Back to top
View user's profile Send private message
PHOBoS



Joined: Jan 14, 2010
Posts: 5881
Location: Moon Base
Audio files: 709

PostPosted: Sun Jun 16, 2019 2:55 pm    Post subject: Reply with quote  Mark this post and the followings unread

yep, thats correct and what you describe is exactly what it should do. Very Happy
so the amount of steps is always 1 less than what is set with the step selector swltch.

_________________
"My perf, it's full of holes!"
http://phobos.000space.com/
SoundCloud BandCamp MixCloud Stickney Synthyards Captain Collider Twitch YouTube
Back to top
View user's profile Send private message Visit poster's website AIM Address Yahoo Messenger MSN Messenger
maltasynth65



Joined: Jul 20, 2016
Posts: 10
Location: MALTA

PostPosted: Fri May 29, 2020 9:13 pm    Post subject: seq step selector option Reply with quote  Mark this post and the followings unread

PHOBoS wrote:
This is what I had in mind for cascading (not tested) which uses outputs Q0-Q7 on both 4017's.
I do have another idea without capacitors involving AND gates (different from the datasheet) and if that works
you should be able to run it faster, but I'd really need to test that first.
This one should work well into (and probably beyond) the audiorange though.
this refers to the post posted by PHOBoS on 22 oct 2014 10:26 with drawing CASCADED 4017'S ver. 1.0

I have built this as a stand-alone 16 step seq and can confirm that this works, but i am struggling to add to it a variable step count before reset. My idea is to use a 12-way selector switch to get anything from 1-4 and 1-16 step sequence. Any help would be appreciated. Thanks
Back to top
View user's profile Send private message
Lysol



Joined: Mar 06, 2012
Posts: 12
Location: PA

PostPosted: Wed Jul 29, 2020 8:59 pm    Post subject: Reply with quote  Mark this post and the followings unread

PHOBoS wrote:
This is what I had in mind for cascading (not tested) which uses outputs Q0-Q7 on both 4017's.
I do have another idea without capacitors involving AND gates (different from the datasheet) and if that works
you should be able to run it faster, but I'd really need to test that first.
This one should work well into (and probably beyond) the audiorange though.


Posted Image, might have been reduced in size. Click Image to view fullscreen.

I have this breadboarded and it works! What I'd like to do now is figure out how to add in toggle switches to select the amount of steps in a sequence.

I was under the impression that it would just be a matter of connecting the output of a given step to the reset pin, but this does not appear to be working (or at least to any degree of predictability).

It sometimes works if the sequence has not advanced to the 2nd IC yet (ex. cycling through steps #1-4), but also sometimes doesn't (the sequence will just fully stop - no step outputs at all - and have to be reset.

If it has advanced to the 2nd IC (if I would want to have it cycle, for example, steps 1-12) then all sorts of unpredictable things may happen: again, it may just completely stop, or a step may be skipped and then both 4017s are counting in sync, etc

Is there a way to use this schem and have this functionality?
Back to top
View user's profile Send private message
PHOBoS



Joined: Jan 14, 2010
Posts: 5881
Location: Moon Base
Audio files: 709

PostPosted: Thu Jul 30, 2020 7:59 am    Post subject: Reply with quote  Mark this post and the followings unread

Lysol wrote:
PHOBoS wrote:
This is what I had in mind for cascading (not tested) which uses outputs Q0-Q7 on both 4017's.
I do have another idea without capacitors involving AND gates (different from the datasheet) and if that works
you should be able to run it faster, but I'd really need to test that first.
This one should work well into (and probably beyond) the audiorange though.


Posted Image, might have been reduced in size. Click Image to view fullscreen.

I have this breadboarded and it works! What I'd like to do now is figure out how to add in toggle switches to select the amount of steps in a sequence.

I was under the impression that it would just be a matter of connecting the output of a given step to the reset pin, but this does not appear to be working (or at least to any degree of predictability).

It sometimes works if the sequence has not advanced to the 2nd IC yet (ex. cycling through steps #1-4), but also sometimes doesn't (the sequence will just fully stop - no step outputs at all - and have to be reset.

If it has advanced to the 2nd IC (if I would want to have it cycle, for example, steps 1-12) then all sorts of unpredictable things may happen: again, it may just completely stop, or a step may be skipped and then both 4017s are counting in sync, etc

Is there a way to use this schem and have this functionality?


it should be possible to adjust the amount of steps by using the connection to Q8 and connecting it to another output. This could cause some initial weirdness
but it should work after 1 or 2 cycles. There is indeed a chance of it latching up which is also possible with the orginal circuit. And no, using the reset pin like
you usually see doesn't work for this. If you look at the first 4017 it counts through the steps untill Q8 becomes high (this step is not used as an output btw).
When that happens it disables its own CLK input by making the CLKINH pin high so it just stops counting untill it gets reset. The second 4017 works the same
way but there is a cross coupling between the 2 so when one halts the other gets reset and vice versa.

The chainable version is basically the same but with a switch to select the number of steps. You could use toggle switches, which I personally find to work much
nicer than a rotary switch, but you do need to add some diodes to prevent shorting outputs together. The 'Little Gate' Sequencer might help you out with that.

_________________
"My perf, it's full of holes!"
http://phobos.000space.com/
SoundCloud BandCamp MixCloud Stickney Synthyards Captain Collider Twitch YouTube
Back to top
View user's profile Send private message Visit poster's website AIM Address Yahoo Messenger MSN Messenger
Lysol



Joined: Mar 06, 2012
Posts: 12
Location: PA

PostPosted: Thu Jul 30, 2020 8:54 am    Post subject: Reply with quote  Mark this post and the followings unread

PHOBoS wrote:
Lysol wrote:
PHOBoS wrote:
This is what I had in mind for cascading (not tested) which uses outputs Q0-Q7 on both 4017's.
I do have another idea without capacitors involving AND gates (different from the datasheet) and if that works
you should be able to run it faster, but I'd really need to test that first.
This one should work well into (and probably beyond) the audiorange though.


I have this breadboarded and it works! What I'd like to do now is figure out how to add in toggle switches to select the amount of steps in a sequence.

I was under the impression that it would just be a matter of connecting the output of a given step to the reset pin, but this does not appear to be working (or at least to any degree of predictability).

It sometimes works if the sequence has not advanced to the 2nd IC yet (ex. cycling through steps #1-4), but also sometimes doesn't (the sequence will just fully stop - no step outputs at all - and have to be reset.

If it has advanced to the 2nd IC (if I would want to have it cycle, for example, steps 1-12) then all sorts of unpredictable things may happen: again, it may just completely stop, or a step may be skipped and then both 4017s are counting in sync, etc

Is there a way to use this schem and have this functionality?


it should be possible to adjust the amount of steps by using the connection to Q8 and connecting it to another output. This could cause some initial weirdness
but it should work after 1 or 2 cycles. There is indeed a chance of it latching up which is also possible with the orginal circuit. And no, using the reset pin like
you usually see doesn't work for this. If you look at the first 4017 it counts through the steps untill Q8 becomes high (this step is not used as an output btw).
When that happens it disables its own CLK input by making the CLKINH pin high so it just stops counting untill it gets reset. The second 4017 works the same
way but there is a cross coupling between the 2 so when one halts the other gets reset and vice versa.

The chainable version is basically the same but with a switch to select the number of steps. You could use toggle switches, which I personally find to work much
nicer than a rotary switch, but you do need to add some diodes to prevent shorting outputs together. The 'Little Gate' Sequencer might help you out with that.


Yes, I am interested in wiring in center off toggles like in the "Little Gate" sequencer for "STEP ON" - "OFF" - "RESET" for each step!

So for the schem I used (the first one your posted in the thread) are you saying that connecting steps to Q8 for resetting should work? Apologies if I am not fully understanding.

Is there a way to cascade the "little gate" sequencer to an additional 4017 to get 16 steps?

Or, to get the functionality that I want would it be more wise to just attempt cascading them as outlined in fig. 19 in the manual? (via an AND gate?).

Much appreciated!
Back to top
View user's profile Send private message
PHOBoS



Joined: Jan 14, 2010
Posts: 5881
Location: Moon Base
Audio files: 709

PostPosted: Sat Aug 01, 2020 12:01 pm    Post subject: Reply with quote  Mark this post and the followings unread

Quote:
So for the schem I used (the first one your posted in the thread) are you saying that connecting steps to Q8 for resetting should work? Apologies if I am not fully understanding.


No, you need to change the connection from Q8 to any of the other ouputs. So instead of connecting the ouputs to the reset pin
as you would normally do (with a single 4017) you have to connect it to the CLKINH pin and (through a capacitor) to the reset pin of the other 4017.
You will end up with 2 sets of toggle switches, one set for each 4017 so if for example you want 12 steps, you could set both to 6 steps, or one to 7
and the other to 5 steps or any combination that results in a total of 12.

HOWEVER: It will do some weird stuff when you change the step length and a much better solution for more steps would be to use a binary counter
(4040, 4029, 4520) and a binary to decimal decoder (4514) or a mux (4067) instead of 2 4017s.


Quote:
Or, to get the functionality that I want would it be more wise to just attempt cascading them as outlined in fig. 19 in the manual? (via an AND gate?).

Although the version in the datasheet is different it works somewhat similar and I don't think it would be muich of an improvement.

_________________
"My perf, it's full of holes!"
http://phobos.000space.com/
SoundCloud BandCamp MixCloud Stickney Synthyards Captain Collider Twitch YouTube
Back to top
View user's profile Send private message Visit poster's website AIM Address Yahoo Messenger MSN Messenger
Display posts from previous:   
Post new topic   Reply to topic Moderators: mosc
Page 1 of 2 [29 Posts]
View unread posts
View new posts in the last week
Goto page: 1, 2 Next
Mark the topic unread :: View previous topic :: View next topic
 Forum index » DIY Hardware and Software » Lunettas - circuits inspired by Stanley Lunetta
Jump to:  

You cannot post new topics in this forum
You cannot reply to topics in this forum
You cannot edit your posts in this forum
You cannot delete your posts in this forum
You cannot vote in polls in this forum
You cannot attach files in this forum
You can download files in this forum


Forum with support of Syndicator RSS
Powered by phpBB © 2001, 2005 phpBB Group
Copyright © 2003 through 2009 by electro-music.com - Conditions Of Use