| Author |
Message |
frijitz
Joined: May 04, 2007 Posts: 1734 Location: NM USA
Audio files: 54
|
Posted: Sun Nov 23, 2008 9:20 am Post subject:
Re: S&H sequence generator |
 |
|
| Tim Servo wrote: | | So I'm a tad confused on the concept. I haven't actually tried this, but if you had several S/Hs connected in series and triggered by the same pulse, wouldn't they all "capture" the same voltage level? | Right. (Not sure exactly what Hal had in mind. Perhaps the kind of S/H that holds the old value while the new one is being sampled. From his text, he was clearly assuming a bucket brigade-type setup.)
| Quote: | | I would think that you would actually need to pulse the last S/H first, and then pulse the upstream units in turn. | Bernie's S/H design has an output pulse, whose intended use was to trigger the previous S/H in a cascade.
| Quote: | | I await wisdom (sic) from those who have actually hooked this up and looked at the various S/H outputs. | I used my TGTSH modules:
http://home.comcast.net/~ijfritz/ch_cir3.htm ,
with the same signal driving all the trigger inputs, but with different trigger threshold levels down the chain.
Ian |
|
|
Back to top
|
|
 |
andrewF

Joined: Dec 29, 2006 Posts: 1176 Location: australia
Audio files: 4
|
Posted: Wed Feb 04, 2009 8:32 pm Post subject:
|
 |
|
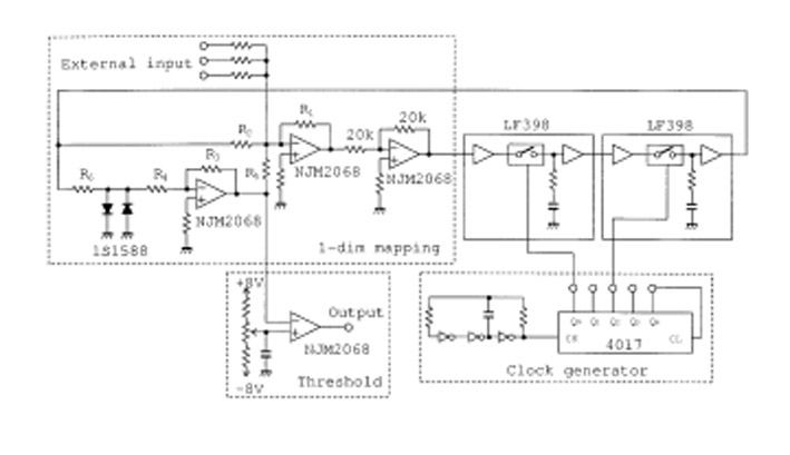
I have tried a few versions of this idea without much success -mainly thru trying to shortcut by building dodgy S&H sections.
Tim was on the money regarding clocking, i used a 4017 to trigger each stage, starting from the last stage.
then earlier this week, whilst researching chaos circuits, i discovered this circuit. it is supposed to be a chaos generator, though the article is in Japanese.
built a version of it except with three LF398 stages, left out the threshold subcircuit and added two buffered outputs from the 1st and 3rd LF398s.
Also replaced the clock circuit with an input circuit copied straight from Ken's CGS gate sequencer.
unmarked resistors - i just used 100k.
S&H caps - 10nF
i am unsure if it is chaotic, as the 'scope waveforms don't confirm it, but the changes can be very slow, i have left it running for a couple of hours and it seems to be a constantly shifting sequence.
the soundfile is, the circuit being clocked by a CGS LFO, external input is from Tillman's thru-0 VCO (running very slowly). one output of the cct is driving an early Serge oscillator (from Houshu's schematic). the 2nd output is connected to the Cv input of a 292LPG (as if you can't tell).
tri output of the oscillator to the 292LPG and into the mixer.
Possible mods could be more S&H stages, feedback from between S&H stages and a different nonlinear feedback subcircuit.
| Description: |
|
| Filesize: |
45.52 KB |
| Viewed: |
316 Time(s) |
| This image has been reduced to fit the page. Click on it to enlarge. |

|
| Description: |
|
 Download (listen) |
| Filename: |
Audio.mp3 |
| Filesize: |
4.59 MB |
| Downloaded: |
1547 Time(s) |
|
|
|
Back to top
|
|
 |
Photon

Joined: Mar 22, 2005 Posts: 363 Location: Boston
Audio files: 1
|
Posted: Thu Feb 05, 2009 10:25 am Post subject:
|
 |
|
You might check out Dr. Mabuse's Modern Implement Company page.
There are several designs that use multiple stages of sample and holds. These are block diagrams more than schematics. Some pretty cool ideas for crazy cv generation.
http://www.musicsynthesizer.com/MIC/mic.html
p. |
|
|
Back to top
|
|
 |
|