| Author |
Message |
diablojoy

Joined: Sep 07, 2008 Posts: 809 Location: melbourne australia
Audio files: 11
|
Posted: Tue Apr 19, 2011 3:21 pm Post subject:
|
 |
|
I had another thought, as i dont require a pulse to be any longer than about 5mSec for the sync signal have tried one section of CD40106 as a one shot with a second section needed as an inverter. there are a couple of issues with this idea though
A] the ramp wave at TP1 is not of high enough a voltage to reliably
trigger the one shot as is with a +15V supply if i lower the supply voltage to the CD40106 to obtain a lower trigger voltage the resulting output pulse is not high enough for long enough to reliably switch the DG413
B] if i increase the output at TP1 by adjusting the level on the clock board
this works ok but needs to be at roughly 8 volts though
this then obviously affects the pulse width control of the clock
making the mininum pulse width obtainable about 35-40% no good!
so i need to increase the level another way
so i will try adding an non inverting opamp with a gain of 2 before the one shot cct
I think this should work out well, will try it out tonight.
edited: to remove stupidity! Last edited by diablojoy on Wed Apr 20, 2011 3:05 am; edited 2 times in total |
|
|
Back to top
|
|
 |
diablojoy

Joined: Sep 07, 2008 Posts: 809 Location: melbourne australia
Audio files: 11
|
Posted: Tue Apr 19, 2011 10:01 pm Post subject:
|
 |
|
Doh ! haha or i could simply adjust the level of the comparator on the master clock boards upward by changing a resistor - R13 so that it compares above 8 volts instead of 5 will try that first [less components]
edit : will also have to check if this change will have any adverse effects concerning the PWM attenuverter's sensitivity |
|
|
Back to top
|
|
 |
diablojoy

Joined: Sep 07, 2008 Posts: 809 Location: melbourne australia
Audio files: 11
|
Posted: Wed Apr 20, 2011 2:30 pm Post subject:
|
 |
|
| Quote: | | will also have to check if this change will have any adverse effects concerning the PWM attenuverter's sensitivity |
hmm does lower the sensitivity of the PWM input too much
will go with the opamp with some gain into the cd40106 oneshot idea
i first had
and now apparently chasing a ghost as well that infuriatingly comes and goes:?
may take a while to track that down very very frustrating  |
|
|
Back to top
|
|
 |
blue hell
Site Admin

Joined: Apr 03, 2004 Posts: 24587 Location: The Netherlands, Enschede
Audio files: 309
G2 patch files: 320
|
Posted: Wed Apr 20, 2011 2:53 pm Post subject:
|
 |
|
| diablojoy wrote: | and now apparently chasing a ghost as well that infuriatingly comes and goes:?
may take a while to track that down very very frustrating  |
I know the feeling, you'll get there tho! _________________ Jan
also .. could someone please turn down the thermostat a bit.
 |
|
|
Back to top
|
|
 |
diablojoy

Joined: Sep 07, 2008 Posts: 809 Location: melbourne australia
Audio files: 11
|
Posted: Wed Apr 20, 2011 4:03 pm Post subject:
|
 |
|
thanks blue hell
I will get there eventually i think
it is what i used to do a long long time ago tracking down hard to find intermittant faults in telecomunication networks [ last man in, some of those took months and had been on going for years ] but i have forgotten much since then. |
|
|
Back to top
|
|
 |
diablojoy

Joined: Sep 07, 2008 Posts: 809 Location: melbourne australia
Audio files: 11
|
Posted: Thu Apr 21, 2011 7:59 pm Post subject:
|
 |
|
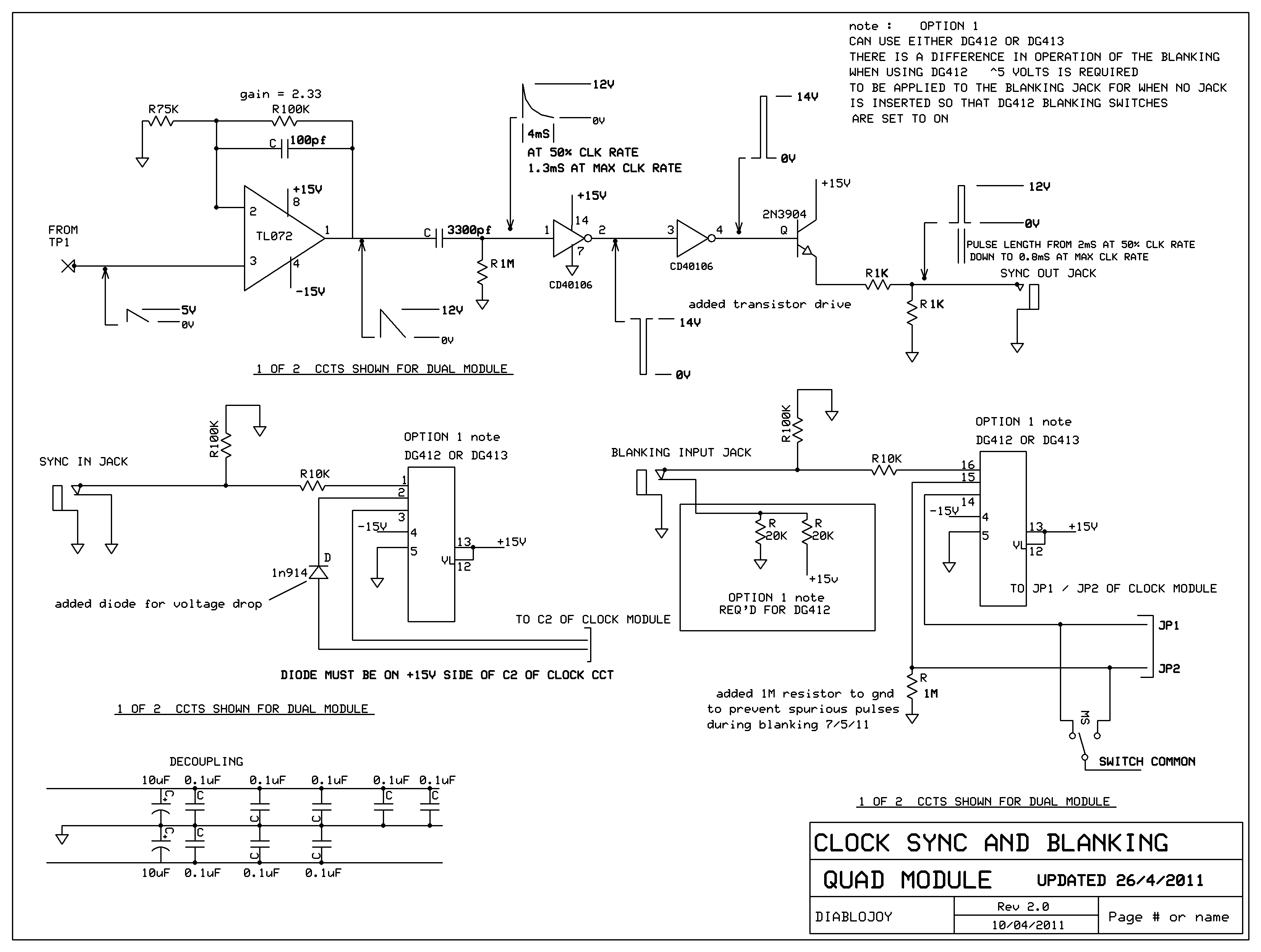
updated new scheme with now preferred sync cct
tested a single cct on breadboard which worked great
will see how four perform soon as i can get a board done hopefully by tomorrow |
|
|
Back to top
|
|
 |
emdot_ambient
Joined: Nov 22, 2009 Posts: 667 Location: Frederick, MD
|
|
|
Back to top
|
|
 |
brother303

Joined: Nov 02, 2010 Posts: 139 Location: ruhr-area/germany
|
Posted: Sat Apr 23, 2011 5:25 pm Post subject:
|
 |
|
Hi,
| emdot_ambient wrote: | Hang in there! |
+1
 _________________ Best regards
Greg |
|
|
Back to top
|
|
 |
diablojoy

Joined: Sep 07, 2008 Posts: 809 Location: melbourne australia
Audio files: 11
|
Posted: Tue Apr 26, 2011 12:11 am Post subject:
|
 |
|
have decided that i will only do a dual board layout and concentrate on that
I think i may be the only one doing a quad unit and i can always just stack 2 boards for that. so its not a big issue and much easier to layout
oh and an issue maybe finally understood somewhat
when breadboarding as usual i did not use 22R resistors at the supply
[fortunately it seems or i would never have got this far]
but i did use 22R when doing the sync board itself and ran into a problem most of the time but not always with the clock almost locking solidly high C2 has +15v on one side of it on fonik's cct which I am trying to switch
through one section of a DG413 chip which going off the data sheet it should do apparently not so much it seems. hours and hours of ensued as i naturally looked for other board issues and couldn't find any
It is fine when the DG chip is supplied at 15V on the breadboard and the clock boards are supplied via their 22R resistors here as there is a very slight voltage drop on the clock board so 15v on C2 is not 15v exactly but slightly less.
so this is a bit of a problem and worse for people using ferrite beads say instead of resistors. so i think i will keep the usual spots for 22R resistors on the sync board but suggest that they be replaced with straps or ferrite beads once the board has been smoke tested.I will also see if adding a spot on the sync board for a diode to go in between the +15v side of C2 and the DG chip switch section to get a voltage drop there will work just to be on the safe side for those that did build their clock boards with ferrite beads. if both work out it should cover everything |
|
|
Back to top
|
|
 |
diablojoy

Joined: Sep 07, 2008 Posts: 809 Location: melbourne australia
Audio files: 11
|
Posted: Tue Apr 26, 2011 2:40 am Post subject:
|
 |
|
needed to do both, the diode and using straps instead of F1 / F2 on sync board to get it working reliably every time. maybe slightly out of spec DG chips ? may have to check some other manufacturers models. any way lots of wiring to do now so i can check if all 4 ccts will perform together, though not till next weekend now i fear.
also updated previous scheme to reflect latest changes.
after some more study of the DG413 data sheet i got over my normal paranoia and have removed most of the protection circuitry it was way overkill and not really required .
added a 2n3904 after the schmidt trigger for a drive cct. I think you would definitely want the option of running a couple of outputs for sync |
|
|
Back to top
|
|
 |
brother303

Joined: Nov 02, 2010 Posts: 139 Location: ruhr-area/germany
|
Posted: Tue Apr 26, 2011 10:38 am Post subject:
|
 |
|
Hi,
thanks for the update! It´s good to see things moving in the right direction...  _________________ Best regards
Greg |
|
|
Back to top
|
|
 |
diablojoy

Joined: Sep 07, 2008 Posts: 809 Location: melbourne australia
Audio files: 11
|
Posted: Sun May 01, 2011 6:52 pm Post subject:
|
 |
|
completed wiring up of quad clock panel with 2 x DG413 dual sync/ blanking boards last night so far so good. though there may still be some minor changes yet
but it all seems to be behaving itself reasonably well
will test over the next week or two if that goes well
I will then do a test build of another quad module using DG412 switches requires a small addition on the board to enable blanking switches to be held high when no jack is inserted, only an additional 2 resistors and a connector. fits on the [then hopefully] final board layout easily enough. |
|
|
Back to top
|
|
 |
emdot_ambient
Joined: Nov 22, 2009 Posts: 667 Location: Frederick, MD
|
|
|
Back to top
|
|
 |
diablojoy

Joined: Sep 07, 2008 Posts: 809 Location: melbourne australia
Audio files: 11
|
Posted: Wed May 11, 2011 10:56 pm Post subject:
|
 |
|
pretty happy with this now just a couple of very minor things left
so I thought i would put up a couple of tracks with it thru one of fonik's
sequencers
there is no knob twiddling with these whatsoever and no ADC used, all of the seq steps are set to on
A master clock syncing a slave and also blanking the slave output only the slaves output is used to clock the seq and an eg set on gate with very low settings for attack and release
morphing is all down to an LFO only changing the pulse width on the master clock on the first track and both master and slave on the second track [hope i get them the right way round ]+ the LFO is also modifying the filter to give indication of where its at.
edit : nope they were right in preview but flipped when posted
OK so test 6 has both master and slave pulse width's modified by an LFO
test 7 has only the masters pulse width modified its actually pretty easy to pick it anyway oh and before anyone asks no there was no varying of clock speeds at all, and yes that does add yet more flavour ! as do the slave /master switches but to be honest about those it just gets a little too weird with everything else going on.
| Description: |
|
 Download (listen) |
| Filename: |
clock test 6 Rendered.mp3 |
| Filesize: |
3.45 MB |
| Downloaded: |
1371 Time(s) |
| Description: |
|
 Download (listen) |
| Filename: |
clock test 7 Rendered.mp3 |
| Filesize: |
2.84 MB |
| Downloaded: |
1290 Time(s) |
|
|
|
Back to top
|
|
 |
diablojoy

Joined: Sep 07, 2008 Posts: 809 Location: melbourne australia
Audio files: 11
|
|
|
Back to top
|
|
 |
emdot_ambient
Joined: Nov 22, 2009 Posts: 667 Location: Frederick, MD
|
Posted: Sat May 14, 2011 7:59 pm Post subject:
|
 |
|
Pretty wild! And I mean wild as in untamed Sounds like it might be a bit of a struggle to get something intentional out of this mod but also like fiddling around with them is inevitably going to take you into unexpected and interesting places. I'm stoked! _________________ Looking for a certain ratio since 1978 |
|
|
Back to top
|
|
 |
diablojoy

Joined: Sep 07, 2008 Posts: 809 Location: melbourne australia
Audio files: 11
|
Posted: Sun May 15, 2011 6:40 pm Post subject:
|
 |
|
yes it can get a little unpredictable but then there is a fair bit of modulation of the pulse widths and the slave clock rate going on by that last one
the sync by itself is very predictable now
the blanking is predictable also
but when you start changing the pulse widths and clock rates with CV over time the final output can get a little on the wild and quite good fun side.
An additional fine rate pot could be benificial on the clocks
I may try another build with coarse and fine switching for the clock rates
as i still have quite a few 1v per octave/semitone switching boards spare from my VCO builds , that should make patches easier to recall. |
|
|
Back to top
|
|
 |
diablojoy

Joined: Sep 07, 2008 Posts: 809 Location: melbourne australia
Audio files: 11
|
Posted: Mon May 16, 2011 11:47 pm Post subject:
|
 |
|
a couple of home etched prototype boards
came up quite nice
| Description: |
|
| Filesize: |
749.52 KB |
| Viewed: |
557 Time(s) |
| This image has been reduced to fit the page. Click on it to enlarge. |

|
| Description: |
|
| Filesize: |
520.16 KB |
| Viewed: |
481 Time(s) |
| This image has been reduced to fit the page. Click on it to enlarge. |

|
|
|
|
Back to top
|
|
 |
brother303

Joined: Nov 02, 2010 Posts: 139 Location: ruhr-area/germany
|
Posted: Tue May 17, 2011 2:47 am Post subject:
|
 |
|
Hey,
this looks real good!
Please make the files and a little wiring instructions available for us home-brewers.
 _________________ Best regards
Greg |
|
|
Back to top
|
|
 |
diablojoy

Joined: Sep 07, 2008 Posts: 809 Location: melbourne australia
Audio files: 11
|
Posted: Wed May 18, 2011 8:44 pm Post subject:
|
 |
|
| Quote: | | Please make the files and a little wiring instructions available for us home-brewers |
It all seems to be working acceptably now and i have tested it every which way i can without any magic smoke coming out , so
i think this is about as ready as its getting. therefore here you go
hope the doc's are up to scratch but if anyone has any queries or any probs just let me know here and I will help to the best of my limited abilities
cheers
denis
| Description: |
|
| Filesize: |
173.45 KB |
| Viewed: |
29145 Time(s) |

|
| Description: |
|
| Filesize: |
523.5 KB |
| Viewed: |
29146 Time(s) |

|
| Description: |
|
 Download (listen) |
| Filename: |
DUAL SYNC BLANKING BRD.pdf |
| Filesize: |
25.81 KB |
| Downloaded: |
574 Time(s) |
| Description: |
|
 Download (listen) |
| Filename: |
DUAL SYNC BLANKING BRD OVERLAY.pdf |
| Filesize: |
19.89 KB |
| Downloaded: |
562 Time(s) |
| Description: |
|
 Download (listen) |
| Filename: |
CLOCK SYNC AND BLANKING MODULE NEW.bmp |
| Filesize: |
866.31 KB |
| Downloaded: |
582 Time(s) |
|
|
|
Back to top
|
|
 |
brother303

Joined: Nov 02, 2010 Posts: 139 Location: ruhr-area/germany
|
Posted: Thu May 19, 2011 8:37 am Post subject:
|
 |
|
Hi,
| diablojoy wrote: |
It all seems to be working acceptably now and i have tested it every which way i can without any magic smoke coming out , so
i think this is about as ready as its getting. therefore here you go
|
Great! Thanks so much for making this happen.
Cheers... _________________ Best regards
Greg |
|
|
Back to top
|
|
 |
diablojoy

Joined: Sep 07, 2008 Posts: 809 Location: melbourne australia
Audio files: 11
|
Posted: Thu May 19, 2011 5:38 pm Post subject:
|
 |
|
I made an extra dual sync board beyond my requirements during my testing. it is the one with coloured straps in the photo
and is up for grabs
comes fully populated except for the DG chip.
it has been tested .
first come first served please PM me if you want it |
|
|
Back to top
|
|
 |
diablojoy

Joined: Sep 07, 2008 Posts: 809 Location: melbourne australia
Audio files: 11
|
Posted: Fri May 20, 2011 2:10 am Post subject:
|
 |
|
board is gone .  |
|
|
Back to top
|
|
 |
emdot_ambient
Joined: Nov 22, 2009 Posts: 667 Location: Frederick, MD
|
|
|
Back to top
|
|
 |
diablojoy

Joined: Sep 07, 2008 Posts: 809 Location: melbourne australia
Audio files: 11
|
Posted: Fri May 20, 2011 5:58 pm Post subject:
|
 |
|
just a bit of clarification on the master/slave panel switches
with this board they probably shouldn't be called master and slave
at all in this case as they just do rather odd things
as you start to work out how this cct board interacts with 2 clock boards
with different switch settings, different patches and different pot settings
both clocks can at times be master or slave or neither or something else
inbetween
I have some idea's using DPDT center off switches but
to be honest it's doing my head in trying to work it all out and in the end
i am not sure that its actually worth the effort for an addition that is not that usefull any longer
so i think i will just refer to the switches as Dave and the other Daves for now on my quad build. they can be interesting to flick on occasionally but
I probably won't include them on any more of my builds . so if someone comes up with a master/slave solution thats works correctly please post it here for any others that may want it |
|
|
Back to top
|
|
 |
|