| Author |
Message |
Inventor
Stream Operator

Joined: Oct 13, 2007 Posts: 6221 Location: near Austin, Tx, USA
Audio files: 267
|
Posted: Fri Mar 30, 2012 9:46 pm Post subject:
Solar Music Box Subject description: with parts mostly from sparkfun.com |
 |
|
Now that i am nearly done with the first Thermaview prototype, I am looking forward to the next project. I have practically fallen in love with this little company at www.sparkfun.com, which has the coolest parts at the best prices, so most of the parts will be from them.
I'm using these excellent little clear plastic cases now for my projects (gasp! yes, I finally learned to put stuff in boxes!), see attached pdf for engineering drawings of the box. I will run the power from a solar cell they sell that fits almost precisely within the box and use CDS cells (LDRs) for all controls. That way I accomplish my goal of having no batteries and no wallwarts to worry about. Plus the solar cell can be covered by the hands to do suply starving of the circuit. The solar cell is specified at 4.5Voc and 100mAcc, so the circuit will have plenty of juice even in low lighting conditions but the voltage will be on the low side.
The top of the box will hold all the CDS cells and the solar cell, and will connect by ribbon cable to the bottom of the box where the circuit board (designed to fit the box) and two audio jacks exist. The audio jacks take line-in and deliver line-out on 3.5mm stereo lines. The line-in is for any audio input, but specifically to come from the line-out of my computer so that my fancy Blue Yet microphone and ChucK pre/post processing can get in on the action if desired. However teh box will also act stand-alone.
I like that stand-alone idea such that I can bring this box and nothing else to an electro-music festival and do an full hour or half hour performance with it.
Oh, and the design will be BSKS2, which stands for Boolean Sequenced Karplus Strong Duo. Note that this is different from a BSKSKS, which has a BS feeding a KS feeding a KS. I am not entirely sure what a KS2 will be exactly like, but i believe it will be a KS with two feedback paths and only one summing amp.
That should make for a most interesting project, and I have just ordered the first $77.78 worth of parts for it! (well i already have the case.) I'll keep you posted.
Les
| Description: |
| The sexiest little project box in town! |
|
 Download (listen) |
| Filename: |
SFE_Box-1.pdf |
| Filesize: |
128.25 KB |
| Downloaded: |
1145 Time(s) |
_________________ "Let's make noise for peace." - Kijjaz Last edited by Inventor on Mon Apr 02, 2012 11:55 pm; edited 1 time in total |
|
|
Back to top
|
|
 |
Inventor
Stream Operator

Joined: Oct 13, 2007 Posts: 6221 Location: near Austin, Tx, USA
Audio files: 267
|
|
|
Back to top
|
|
 |
Inventor
Stream Operator

Joined: Oct 13, 2007 Posts: 6221 Location: near Austin, Tx, USA
Audio files: 267
|
Posted: Sat Mar 31, 2012 12:32 am Post subject:
|
 |
|
See this page:
http://www.sparkfun.com/products/10917
for a fascinating concept in speaker technology, again available at www.sparkfun.com. It is a transducer that acts like a speaker with no cone. You just mount it on an object and press the other side against something and the resulting vibrations will cause a sound. In other words it turns anything you put it on into a speaker.
I plan to use it on this BSKS2 project by attaching it to the circuit board and the other side to the enclosure top. That way the case itself will be the speaker and i'll pick up the audio with a microphone.
This removes the 3.5: jack and associated wire, which also does something amazing: it makes the entire project a sealed-in-the-case device. The power will come from the solar cell which is mounted to the bottom of the circuit board, and the CDS cells (LDRs) will be mounted inside the case also. So the thing will be fully self-contained and will operate non-stop (put it in a dark box to shut it up).
Wow, how cool is that? This is turning out to be a very fun design!
Les _________________ "Let's make noise for peace." - Kijjaz |
|
|
Back to top
|
|
 |
Inventor
Stream Operator

Joined: Oct 13, 2007 Posts: 6221 Location: near Austin, Tx, USA
Audio files: 267
|
|
|
Back to top
|
|
 |
drapdap

Joined: Oct 11, 2004 Posts: 204 Location: London
Audio files: 1
G2 patch files: 1
|
Posted: Sat Mar 31, 2012 6:16 am Post subject:
|
 |
|
| Inventor wrote: | | Design critiques anyone? |
i don't think you'll have any, this is too small to read.
almost like politics!  |
|
|
Back to top
|
|
 |
Inventor
Stream Operator

Joined: Oct 13, 2007 Posts: 6221 Location: near Austin, Tx, USA
Audio files: 267
|
Posted: Sat Mar 31, 2012 9:52 am Post subject:
|
 |
|
| drapdap wrote: | | Inventor wrote: | | Design critiques anyone? |
i don't think you'll have any, this is too small to read.
almost like politics!  |
LOL, yes, I was just hoping folks could look at the topology, the values are not finalized. Essentially all of the resistors are CDS cells.
Les _________________ "Let's make noise for peace." - Kijjaz |
|
|
Back to top
|
|
 |
drapdap

Joined: Oct 11, 2004 Posts: 204 Location: London
Audio files: 1
G2 patch files: 1
|
Posted: Sat Mar 31, 2012 10:30 am Post subject:
|
 |
|
Ah, ok, i see it now. Please post a bigger if you get on with this, i like to read schematics.  |
|
|
Back to top
|
|
 |
Inventor
Stream Operator

Joined: Oct 13, 2007 Posts: 6221 Location: near Austin, Tx, USA
Audio files: 267
|
Posted: Mon Apr 02, 2012 11:58 pm Post subject:
|
 |
|
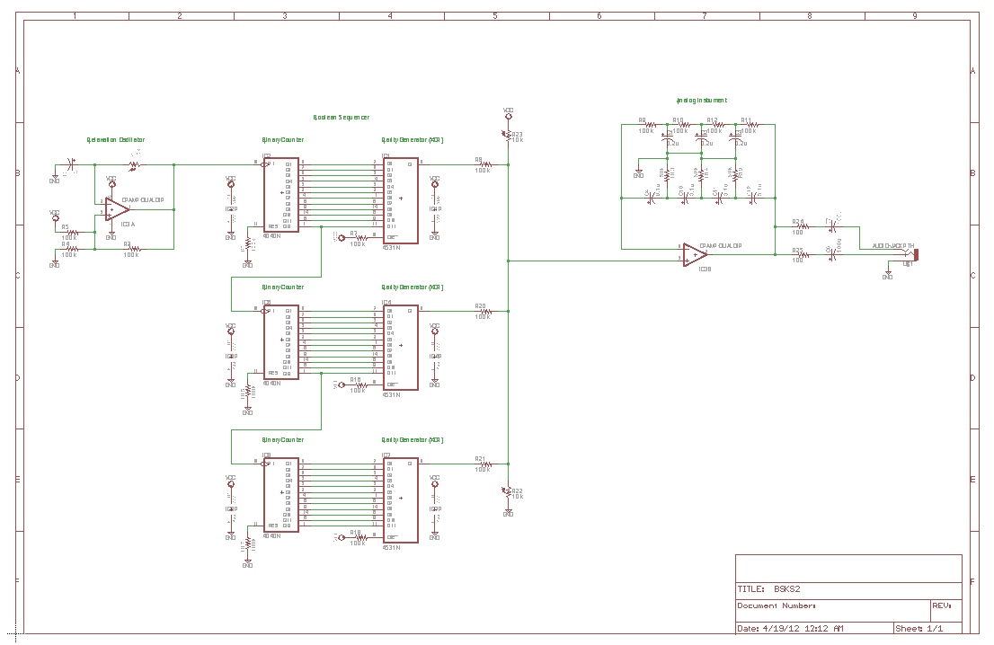
ask and ye shall receive, drapdap! Here are close-ups of the current, simplified design. I found some problems with my previous design so I scrapped it and created this simpler one. The design works as follows:
1. Relaxation Oscillator
This is a classic square wave oscillator whose frequency is controlled by the light incident on the CDS cell. The tempo will increase with decreasing light.
2. Boolean Sequencer
I was very excited to discover the CD4531 12 bit parity generator IC as it is the perfect companion to the CD4040 12 bit binary counter, generating an XOR sequence on a 12 bit count with only two chips. I have tested the XOR of all bits in ChucK and it makes a pleasantly musical sequence. Nice!
3. Analog Instrument
The concept here is that it's a twin-T network extended into a ladder network. I don't know what the frequency response will be but it should be periodic in some sense, yet controlled by the CDS cells, it will change with the incident light. I will mount the CDS cells close to each other so they have similar values for proper periiodic response.
4. The Little Gem
This is the simplest of the LM386 speaker drivers. The speaker it drives is a special cone-less device that turns whatever you mount it to into a speaker, in this case - the case!
As mentioned previously due to the solar power cell, CDS cells for control, and special speaker, the entire music box can be mounted in a clear Sparkfun case and selaed to become a stand-alone fully solar music box.
Critiques and suggestions are very welcome!
Les
| Description: |
|
| Filesize: |
103.75 KB |
| Viewed: |
1046 Time(s) |
| This image has been reduced to fit the page. Click on it to enlarge. |

|
| Description: |
|
| Filesize: |
179.67 KB |
| Viewed: |
1026 Time(s) |
| This image has been reduced to fit the page. Click on it to enlarge. |

|
| Description: |
|
| Filesize: |
193.09 KB |
| Viewed: |
1025 Time(s) |
| This image has been reduced to fit the page. Click on it to enlarge. |

|
| Description: |
|
| Filesize: |
111.26 KB |
| Viewed: |
1070 Time(s) |
| This image has been reduced to fit the page. Click on it to enlarge. |

|
_________________ "Let's make noise for peace." - Kijjaz |
|
|
Back to top
|
|
 |
Inventor
Stream Operator

Joined: Oct 13, 2007 Posts: 6221 Location: near Austin, Tx, USA
Audio files: 267
|
Posted: Wed Apr 18, 2012 8:56 pm Post subject:
|
 |
|
OK folks, here is the constructed prototype minus the output stage. I have made a few design changes, but first let's talk about the physical construction.
The box is a Sparkfun clear project case, which i truly enjoy working with (on two projects now). The red board is a printed through-hole prototyping board which mounts in the case with perfect alignment, dividing it into a top and bottom section. I am not using the board to solder parts onto, but rather as a structural element. Adhering to the top of the board is a small breadboard that fits nicely with chips, resistors, and wires in it (no caps in inventory yet). On the flip side (not shown) is just barely enough room for a 4.5V solar cell designed for Sparkfun.
So in the physical situation we have a nice tightly packed arrangement showcasing a breadboard with chips running down the middle and the noticeable white wires on the sides. The use of the breadboard instead of soldering into the protoboard allows me to easily make design changes, which I have done a few times.
Electrically we have power from the solar cell with intentionally zero power conditioning circuitry such as bypass caps (might add those later) for maximum weirdness in the sound. The 8 pin opamp chip at the top has a relaxation oscillator with LDR (CdS cell) frequency control on the right side and an incompleted output amp on the left (more later on that). Then we have my old friend the CD4040 counter with a 12 bit output + clock in is 13 bits of counter bus, or 8192 step sequence. The third chip (on the bottom of the photo) is a CD4531 parity encoder chip which is pretty much just a giant 12 bit XOR dealie with a separate XOR input for odd/even parity.
Rather than wire the parity chip as shown above in the schematic, with bit 0 goint to bit 0 and so on, i put bit 12 (the MSB, or most significant bit) on the even/odd parity control and assigned all the other bits including clock to the remaining 12 inputs according to physical proximity on the board. This makes the board neat and clean instead of the tangled wire mess it would have been, and also makes for a different sound than the pure parity would. This is because there are upper bits in lower places and lower bits in upper places, resulting in a scramble of the even/odd parity function which affects only the upper 1/3 of the bits as near as I can tell from the schematic.
Anyway so we have a boolean sequencer with light-dependet frequency control (brighter slower, dimmer faster) and a funky XOR output of one bit from all 13 input bits. This will go into the modified twin-tee bass drum analog section powered by the left half of the opamp chip. More on the twin-tee modification in the next post since this post is getting long.
Finally, I have decided not to use the speaker transducer thingie to vibrate the case for sound, and instead to have a 3.5mm (1/8") jack for headphone, computer, or mixer output. That's it so far, read on for info about the analog section.
Les
| Description: |
| Gasp! It's in an enclosure! |
|
| Filesize: |
73.81 KB |
| Viewed: |
1019 Time(s) |
| This image has been reduced to fit the page. Click on it to enlarge. |

|
_________________ "Let's make noise for peace." - Kijjaz |
|
|
Back to top
|
|
 |
Inventor
Stream Operator

Joined: Oct 13, 2007 Posts: 6221 Location: near Austin, Tx, USA
Audio files: 267
|
|
|
Back to top
|
|
 |
elmegil

Joined: Mar 20, 2012 Posts: 2179 Location: Chicago
Audio files: 16
|
Posted: Wed Apr 18, 2012 9:23 pm Post subject:
|
 |
|
pretty cool looking  |
|
|
Back to top
|
|
 |
Inventor
Stream Operator

Joined: Oct 13, 2007 Posts: 6221 Location: near Austin, Tx, USA
Audio files: 267
|
Posted: Wed Apr 18, 2012 10:23 pm Post subject:
|
 |
|
Ty elmegil, I'm having fun to boot! The circuit is quite interesting as well, to me anyway.
In the illustration below we have the analog section detailed. I have made a generalization of the twin-tee circuit shown two posts ago, making it into a ladder network or more accurately a pair of ladder networks combined together. in a twin-tee fashion.
The idea here is that the ladder networks will form a notch filter with multiple notches due to the multiple resonant points that are formed by the network. For example, we should have resonances at RC, RRC, and RRRC at least, and probably other cross-resonances if you will permit that term.
In this way the circuit is not just a drum, but multiple drums of different sizes related by harmonic intervals, all being struck at the same time. It should sound rich, full, and unique.
That is, if the thing doesn't self-oscillate because of runaway Q, we shall see.
Les
| Description: |
The weirdness continues with this Multi-Drum Amplifier Based on the Twin-Tee amplifier shown above |
|
| Filesize: |
172.18 KB |
| Viewed: |
863 Time(s) |
| This image has been reduced to fit the page. Click on it to enlarge. |

|
_________________ "Let's make noise for peace." - Kijjaz |
|
|
Back to top
|
|
 |
Inventor
Stream Operator

Joined: Oct 13, 2007 Posts: 6221 Location: near Austin, Tx, USA
Audio files: 267
|
|
|
Back to top
|
|
 |
wmonk
Joined: Sep 15, 2008 Posts: 529 Location: Enschede, the Netherlands
Audio files: 15
|
Posted: Thu Apr 19, 2012 8:52 am Post subject:
|
 |
|
Way cool Les!
Bbbuuut where did you leave the beard?  _________________ Weblog! |
|
|
Back to top
|
|
 |
RingMad

Joined: Jan 15, 2011 Posts: 430 Location: Montreal, Canada
Audio files: 4
|
Posted: Thu Apr 19, 2012 3:46 pm Post subject:
|
 |
|
| Inventor wrote: | | This way the circuit does not repeat it's sequence for well over 100 years of music playback, wow! |
How are you going to change the battery quick enough so that the pattern doesn't restart? But seriously, that is a rather long sequence! Good stuff.
It's beyond my understanding right now, but that resistor network ladder thing looks really cool. |
|
|
Back to top
|
|
 |
Inventor
Stream Operator

Joined: Oct 13, 2007 Posts: 6221 Location: near Austin, Tx, USA
Audio files: 267
|
Posted: Thu Apr 19, 2012 4:36 pm Post subject:
|
 |
|
| wmonk wrote: | Way cool Les!
Bbbuuut where did you leave the beard?  |
wmonk, the beard got trimmed 5 months ago and the head hair is now gone also! My head is an egg, i'm an egghead! (scrambled inside)...
Les _________________ "Let's make noise for peace." - Kijjaz |
|
|
Back to top
|
|
 |
Inventor
Stream Operator

Joined: Oct 13, 2007 Posts: 6221 Location: near Austin, Tx, USA
Audio files: 267
|
Posted: Thu Apr 19, 2012 4:37 pm Post subject:
|
 |
|
| RingMad wrote: | | Inventor wrote: | | This way the circuit does not repeat it's sequence for well over 100 years of music playback, wow! |
How are you going to change the battery quick enough so that the pattern doesn't restart? But seriously, that is a rather long sequence! Good stuff.
It's beyond my understanding right now, but that resistor network ladder thing looks really cool. |
It's solar powered, so just keep it lit for 100 years...
Yeah I like that Twin Ladder filter, I just hope it works!
Les _________________ "Let's make noise for peace." - Kijjaz |
|
|
Back to top
|
|
 |
Inventor
Stream Operator

Joined: Oct 13, 2007 Posts: 6221 Location: near Austin, Tx, USA
Audio files: 267
|
Posted: Sun Jun 10, 2012 2:27 am Post subject:
|
 |
|
I finally finished wiring up the circuit and tested it at night by holding it up to a light bulb (incandescent), and guess what? It works! well, I just heard some thumping bass-drum-like sounds but that's enough to verify that at least something is working right.
The circuit does not have the LM386 driver, instead I chose to send the output to an 1/8" stereo jack directly from an opamp. Since the opamp can drive 25mA, it does a good job delivering the signal to my 64 Ohm Sennheiser Headphones. So at sunrise I'll be walking around the place with my headphones on carrying this little box in my hand and wearing a big smile on my face!
In marginal lighting conditions there is a slight buzz/hum type sound which quickly changes into a soft thumping sound when the light becomes sufficient to power the device. I can't wait to try it in bright sunlight because there will be better control of frequency and offset for varying sounds.
Unfortunately the design has only two output levels, on and off, however I can easily improve that with the addition of more CDS cells from the binary counter output to the summing node. I'll play around with that tomorrow. How exciting!
Les _________________ "Let's make noise for peace." - Kijjaz |
|
|
Back to top
|
|
 |
Inventor
Stream Operator

Joined: Oct 13, 2007 Posts: 6221 Location: near Austin, Tx, USA
Audio files: 267
|
|
|
Back to top
|
|
 |
Inventor
Stream Operator

Joined: Oct 13, 2007 Posts: 6221 Location: near Austin, Tx, USA
Audio files: 267
|
Posted: Sun Jun 10, 2012 11:18 am Post subject:
|
 |
|
I played around with the device and modified the circuit somewhat today. It definitely needs the light in the shade of a sunny day to operate. It's kind of like an optical Cracklebox in a way, though not quite as harsh. I can get sounds like motorcycle engine revving in direct sunlight and birds chirping in low light condictions. I will record a jam session with it tomorrow when the light is in my room by the computer through the window.
Les _________________ "Let's make noise for peace." - Kijjaz |
|
|
Back to top
|
|
 |
Inventor
Stream Operator

Joined: Oct 13, 2007 Posts: 6221 Location: near Austin, Tx, USA
Audio files: 267
|
|
|
Back to top
|
|
 |
Inventor
Stream Operator

Joined: Oct 13, 2007 Posts: 6221 Location: near Austin, Tx, USA
Audio files: 267
|
|
|
Back to top
|
|
 |
Inventor
Stream Operator

Joined: Oct 13, 2007 Posts: 6221 Location: near Austin, Tx, USA
Audio files: 267
|
|
|
Back to top
|
|
 |
RingMad

Joined: Jan 15, 2011 Posts: 430 Location: Montreal, Canada
Audio files: 4
|
Posted: Thu Jun 21, 2012 5:50 am Post subject:
|
 |
|
Nice bass rhythms indeed! I could not tell from the photos where the LDRs are located, but a fun thing to do with such things in a darkened room is to have each one looking at a candle of its own, and the random flickering and light changes as it burns down makes changes in the sounds. Distance from the candle to the LDR is also a factor. If one uses the "LED tea candles" found in dollar stores, the flickering is generally faster.
Candles worked well with my Triowaverator (triple oscillator sine/triangle dronebox), and perhaps could produce nice results with this box.
James. |
|
|
Back to top
|
|
 |
Inventor
Stream Operator

Joined: Oct 13, 2007 Posts: 6221 Location: near Austin, Tx, USA
Audio files: 267
|
Posted: Thu Jun 21, 2012 7:37 pm Post subject:
|
 |
|
Candles and other flickering light sources - what a great idea! I am realizing as I play with this new toy that I shall have to build and/or obtain a collection of light sources as I go down this path... Nice ideas!
Les _________________ "Let's make noise for peace." - Kijjaz |
|
|
Back to top
|
|
 |
|