| Author |
Message |
Thomas_Henry
Joined: Jul 24, 2009 Posts: 170 Location: N. Mankato, MN
Audio files: 3
|
Posted: Sun Aug 05, 2012 10:07 pm Post subject:
The VCO-555 Subject description: The Start of a New Series of Projects |
 |
|
Hi all,
As alluded to previously, I have four projects that have been sitting around way too long and have been panting to get out the door for the past couple of years.
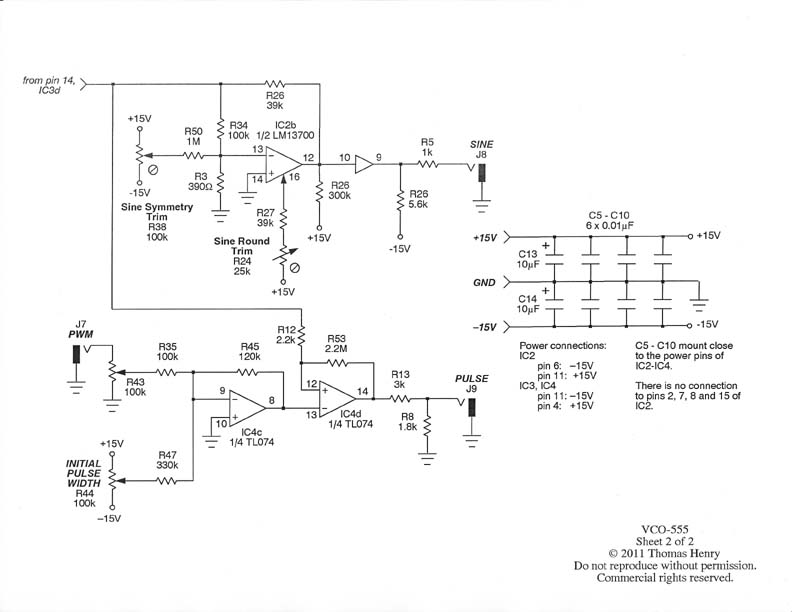
So, here's the first: a VCO using easy to find parts. If I may be so immodest, this is my best design to date. The waveforms look great and if you check the measurements, below, you'll see it's the most accurate I've ever come up with. If I were younger and had more energy, I'd turn this into an article and make some moolah from it. Unfortunately, my strength for such endeavors is ebbing, so instead I'll post it here for you to play with. All I ask is that you respect the rights and don't republish the design or rip it off for any commercial purposes. I'm not opposed to someone doing a PCB for noncommercial uses, but please secure permission from me first.
Okay, without that out of the way, here's the dope. My favorite VCO of all times is the CEM3340, and I've always wanted to approximate it somehow. After nearly thirty years, I finally have a design which comes the closest. The accuracy on my breadboard was very good.
There are ramp, triangle, pulse and sine outputs, all of which are decent looking. The sync is a real treat and basically comes along for free. And, of course, there are the usual VCO features such as coarse and fine tuning, exponential and linear FM, etc. If you're looking for cleverness, then be sure to check out how I did the sync, the ramp, and buffered the sine to keep the chip count down.
So there it is. Have fun with it and be sure to post your results here. Three modules are in the wings and should be out the door in the next week or so. And then school starts yet again and another year evaporates...
Thomas Henry
| Description: |
|
| Filesize: |
68.5 KB |
| Viewed: |
15060 Time(s) |
| This image has been reduced to fit the page. Click on it to enlarge. |

|
| Description: |
|
| Filesize: |
45.65 KB |
| Viewed: |
8938 Time(s) |
| This image has been reduced to fit the page. Click on it to enlarge. |

|
| Description: |
|
| Filesize: |
42.74 KB |
| Viewed: |
8252 Time(s) |
| This image has been reduced to fit the page. Click on it to enlarge. |

|
| Description: |
|
 Download (listen) |
| Filename: |
Measurements.pdf |
| Filesize: |
51.68 KB |
| Downloaded: |
4094 Time(s) |
|
|
|
Back to top
|
|
 |
JingleJoe

Joined: Nov 10, 2011 Posts: 878 Location: Lancashire, England
Audio files: 14
|
Posted: Sun Aug 05, 2012 11:56 pm Post subject:
|
 |
|
This is the kind of circuit I love simple and made with easy to find parts, this provides my favorite electronic circuit quality; longevity!
Jolly good work old chap  _________________ As a mad scientist I am ruled by the dictum of science: "I could be wrong about this but lets find out"
Green Dungeon Alchemist Laboratories |
|
|
Back to top
|
|
 |
v-un-v
Janitor


Joined: May 16, 2005 Posts: 8932 Location: Birmingham, England, UK
Audio files: 11
G2 patch files: 1
|
Posted: Mon Aug 06, 2012 1:33 am Post subject:
|
 |
|
Nice one Thomas! Look forward to seeing the others too.  _________________ ACHTUNG!
ALLES TURISTEN UND NONTEKNISCHEN LOOKENPEEPERS!
DAS KOMPUTERMASCHINE IST NICHT FÜR DER GEFINGERPOKEN UND MITTENGRABEN! ODERWISE IST EASY TO SCHNAPPEN DER SPRINGENWERK, BLOWENFUSEN UND POPPENCORKEN MIT SPITZENSPARKSEN.
IST NICHT FÜR GEWERKEN BEI DUMMKOPFEN. DER RUBBERNECKEN SIGHTSEEREN KEEPEN DAS COTTONPICKEN HÄNDER IN DAS POCKETS MUSS.
ZO RELAXEN UND WATSCHEN DER BLINKENLICHTEN. |
|
|
Back to top
|
|
 |
Uncle Krunkus
Moderator

Joined: Jul 11, 2005 Posts: 4761 Location: Sydney, Australia
Audio files: 52
G2 patch files: 1
|
Posted: Mon Aug 06, 2012 2:04 am Post subject:
|
 |
|
Elegant design Thomas.
 _________________ What makes a space ours, is what we put there, and what we do there. |
|
|
Back to top
|
|
 |
bubzy

Joined: Oct 27, 2010 Posts: 594 Location: United Kingdom
Audio files: 64
|
Posted: Mon Aug 06, 2012 2:42 am Post subject:
|
 |
|
wooo!
if theres one thing i cant get enough of its vcos
and vcas
and vcfs
oh and sequencers
and.........
*goes off into a list of things you cant get enough of*
thanks thomas! _________________ _Richard_  |
|
|
Back to top
|
|
 |
EdisonRex
Site Admin

Joined: Mar 07, 2007 Posts: 4579 Location: London, UK
Audio files: 172
|
Posted: Mon Aug 06, 2012 3:44 am Post subject:
|
 |
|
Woot! And with standard parts too! _________________ Garret: It's so retro.
EGM: What does retro mean to you?
Parker: Like, old and outdated.
Home,My Studio,and another view |
|
|
Back to top
|
|
 |
bod
Joined: Apr 28, 2009 Posts: 148 Location: Glasgow
|
Posted: Mon Aug 06, 2012 3:58 am Post subject:
|
 |
|
this looks awesome!!  |
|
|
Back to top
|
|
 |
Cynosure
Site Admin

Joined: Dec 11, 2010 Posts: 1025 Location: Toronto, Ontario - Canada
Audio files: 82
|
Posted: Mon Aug 06, 2012 6:37 am Post subject:
|
 |
|
Wow! Very cool. Thanks for sharing. _________________ JacobWatters.com |
|
|
Back to top
|
|
 |
J3RK
Joined: Jun 05, 2006 Posts: 123 Location: Seattle
|
Posted: Mon Aug 06, 2012 11:49 pm Post subject:
|
 |
|
| Nice work as always! VERY cool!!! Can't wait to give it a try! |
|
|
Back to top
|
|
 |
LFLab
Joined: Dec 17, 2009 Posts: 497 Location: Rosmalen, Netherlands
|
Posted: Tue Aug 07, 2012 2:42 am Post subject:
|
 |
|
| VERY nice! |
|
|
Back to top
|
|
 |
andrewF

Joined: Dec 29, 2006 Posts: 1176 Location: australia
Audio files: 4
|
Posted: Tue Aug 07, 2012 3:59 am Post subject:
|
 |
|
its great!
following the schematic it looks like a normal OTA based VCO and then suddenly there is a 555 in the middle  |
|
|
Back to top
|
|
 |
Peake

Joined: Jun 29, 2007 Posts: 1113 Location: Loss Angeles
Audio files: 3
|
Posted: Tue Aug 07, 2012 12:00 pm Post subject:
|
 |
|
| andrewF wrote: | its great!
following the schematic it looks like a normal OTA based VCO and then suddenly there is a 555 in the middle  |
Exactly
I've gotta build some of these just because it's the 555 turned into something entirely new. Yay Thomas! _________________ We are selling emotions, there are no emotions in a grid. -mwagener
"IC 741. Sometimes you don't want fidelity." -Small Bear Electronics Catalog |
|
|
Back to top
|
|
 |
frijitz
Joined: May 04, 2007 Posts: 1734 Location: NM USA
Audio files: 54
|
|
|
Back to top
|
|
 |
frijitz
Joined: May 04, 2007 Posts: 1734 Location: NM USA
Audio files: 54
|
Posted: Tue Aug 07, 2012 1:30 pm Post subject:
|
 |
|
| andrewF wrote: | its great!
following the schematic it looks like a normal OTA based VCO and then suddenly there is a 555 in the middle  |
Yes, the 555 is being used as the current-reversing switch in a standard (EN) core design. The novel and very clever parts are the almost free reset and saw waveshaper.
Good work!
Ian |
|
|
Back to top
|
|
 |
LFLab
Joined: Dec 17, 2009 Posts: 497 Location: Rosmalen, Netherlands
|
|
|
Back to top
|
|
 |
jojjelito
Joined: Jun 27, 2007 Posts: 50 Location: Stockholm, Sweden
|
Posted: Tue Aug 07, 2012 2:24 pm Post subject:
|
 |
|
Fantastic work! Clever and low parts count I can't resist experimenting with these. Like I don't have a ridiculous backlog. Grrr
Oh, and thanks Thomas! |
|
|
Back to top
|
|
 |
cleaninglady
Joined: Dec 01, 2010 Posts: 13 Location: creeping up behind you...
|
Posted: Wed Aug 08, 2012 12:43 am Post subject:
|
 |
|
Excellent , can't wait to try this.
Thanks for posting it , Thomas ! |
|
|
Back to top
|
|
 |
fonik

Joined: Jun 07, 2006 Posts: 3950 Location: Germany
Audio files: 23
|
Posted: Wed Aug 08, 2012 1:27 am Post subject:
|
 |
|
i designed a PCB for this VCO end of last year, the prototype PCB is in my drawer since then.
i will start to build it this week in order to test it and to apply any changes that have been made to the original schematic i got in 2011.
i got thomas kind permission to do a PCB run for this project, which is really generous.
i will keep you posted on this, and will start a new thread when i am ready to take orders. _________________
cheers,
matthias
____________
Big Boss at fonitronik
Tech Buddy at Random*Source |
|
|
Back to top
|
|
 |
andrewF

Joined: Dec 29, 2006 Posts: 1176 Location: australia
Audio files: 4
|
Posted: Wed Aug 08, 2012 1:44 am Post subject:
Re: The VCO-555 Subject description: The Start of a New Series of Projects |
 |
|
| frijitz wrote: | | Thomas_Henry wrote: | | ... so instead I'll post it here for you to play with. All I ask is that you respect the rights and don't republish the design or rip it off for any commercial purposes. I'm not opposed to someone doing a PCB for noncommercial uses, but please secure permission from me first. |
Unfortunately, that's not how things work any more. Good luck.
Here's what I recently spent the better part of nine months battling.
http://www.muffwiggler.com/forum/topic-47127.html
.... |
Blue Lantern tried it on Thomas/magic smoke back in '09
http://electro-music.com/forum/post-239724.html |
|
|
Back to top
|
|
 |
Designator
Joined: Jul 18, 2012 Posts: 9 Location: Northern Hemisphere
|
Posted: Wed Aug 08, 2012 2:18 am Post subject:
|
 |
|
Would like to mention that 'sync' (re-)sets the loading current here, not the entire waveform, so you don't have the usual hardsync.
If hardsync is desired some extension to the circuit would be nessecary.For inspiration have a look at the bassdrum of the TR909(sic!)! |
|
|
Back to top
|
|
 |
AlasdairMoons

Joined: Dec 03, 2011 Posts: 105 Location: East-Belgium
|
|
|
Back to top
|
|
 |
vladosh

Joined: Aug 02, 2010 Posts: 679 Location: macedonia
Audio files: 51
|
Posted: Thu Aug 09, 2012 5:17 am Post subject:
|
 |
|
Yuhoo )) i don't visit for two days and there is another VCO
Thank you Thomas for sharing it ! |
|
|
Back to top
|
|
 |
fonik

Joined: Jun 07, 2006 Posts: 3950 Location: Germany
Audio files: 23
|
Posted: Tue Aug 21, 2012 1:36 am Post subject:
|
 |
|
just wanted to give you an update (almost the same as for the verstaile LFO controller):
the timeframe is not set, yet. i could offer the PCB as i originally designed it very soon (will finish my build this week), however, quite a few people wanted an additional PCB for front panel components in eurorack format.
in order to achieve this, i have to re-design and modify the layout and design th eadditional front panel components PCB.
i will have to order another set of these new layouts for testing purposes befor i can offer the final product.
i will NOT offer front panels. _________________
cheers,
matthias
____________
Big Boss at fonitronik
Tech Buddy at Random*Source |
|
|
Back to top
|
|
 |
AlasdairMoons

Joined: Dec 03, 2011 Posts: 105 Location: East-Belgium
|
|
|
Back to top
|
|
 |
fonik

Joined: Jun 07, 2006 Posts: 3950 Location: Germany
Audio files: 23
|
Posted: Tue Aug 21, 2012 11:00 am Post subject:
|
 |
|
| ungleichklang wrote: | | they can wait => frontpanel PCB's are overrated *LOL* |
honestly, they ARE! i think PCB mounted front panel components make more sense for production modules. it simply safes costs.
nevertheless, i think wiring the front panel components is much more reliable: less stress on the PCB, and you can swap faulty components very easily... _________________
cheers,
matthias
____________
Big Boss at fonitronik
Tech Buddy at Random*Source |
|
|
Back to top
|
|
 |
|