Author |
Message |
PHOBoS

Joined: Jan 14, 2010 Posts: 5868 Location: Moon Base
Audio files: 709
|
|
Back to top
|
|
 |
PHOBoS

Joined: Jan 14, 2010 Posts: 5868 Location: Moon Base
Audio files: 709
|
|
Back to top
|
|
 |
PHOBoS

Joined: Jan 14, 2010 Posts: 5868 Location: Moon Base
Audio files: 709
|
|
Back to top
|
|
 |
DES

Joined: Feb 28, 2003 Posts: 796 Location: New Jersey
Audio files: 8
|
Posted: Sun Feb 16, 2014 11:44 am Post subject:
|
 |
|
Wow! Amazing what you're doing here. _________________ Dave
www.davesneed.com |
|
Back to top
|
|
 |
PHOBoS

Joined: Jan 14, 2010 Posts: 5868 Location: Moon Base
Audio files: 709
|
Posted: Sun Feb 16, 2014 3:03 pm Post subject:
|
 |
|
Thanks
--
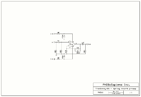
So what I'm working on is a spring reverb as is probably clear by now. I used the transducer + amplifier (the little board on the car/sled) from a
Paper Jamz guitar amplifier, the spring from a (toy) echo microphone and a piezo pickup connected to a preamp I found in my box of old circuits.
While I was thinking about how to construct it I got the idea to make one end of the spring adjustable to control the length/tension. The next idea
was to control it with a servo. At first I thought it was just a silly idea, but I gave it go to see if I could do it. I used some curtain rails + rollers
to make the adjustable part and then figured out a way to control it with the servo. I already had a simple servo tester to control it with which
was my original plan, but since a servo is pulse width controlled it's pretty easy to make that voltage controlled.
I'll post the circuit for that + more info later. _________________ "My perf, it's full of holes!"
http://phobos.000space.com/
SoundCloud BandCamp MixCloud Stickney Synthyards Captain Collider Twitch YouTube |
|
Back to top
|
|
 |
RingMad

Joined: Jan 15, 2011 Posts: 428 Location: Montreal, Canada
Audio files: 4
|
Posted: Mon Feb 17, 2014 11:29 am Post subject:
|
 |
|
Flabbergasting.
Re "Space car"... uh, I guess LEGO didn't make any Frankenstein monster figures?
James. |
|
Back to top
|
|
 |
PHOBoS

Joined: Jan 14, 2010 Posts: 5868 Location: Moon Base
Audio files: 709
|
|
Back to top
|
|
 |
elmegil

Joined: Mar 20, 2012 Posts: 2179 Location: Chicago
Audio files: 16
|
Posted: Mon Feb 17, 2014 1:26 pm Post subject:
|
 |
|
They made a series of "Monster Hunters" in the last couple of years
Edit: duh, that's what those are.  |
|
Back to top
|
|
 |
RingMad

Joined: Jan 15, 2011 Posts: 428 Location: Montreal, Canada
Audio files: 4
|
Posted: Mon Feb 17, 2014 3:28 pm Post subject:
|
 |
|
HAR HAR HAR.
I repeat: Flabbergasting.
Back in my day, I think the most specialized LEGO piece was the one you could stick a wheel in. No people.
Now maybe they even have VCO, VCF, VCA pieces
Anyway, I can't wait to hear that reverb and the effect of tension-changing.
James. |
|
Back to top
|
|
 |
DUBmatze

Joined: Feb 18, 2013 Posts: 150 Location: south Germaica (schwabilon)
|
Posted: Mon Feb 17, 2014 3:36 pm Post subject:
|
 |
|
is hard to get the Lego Frankenstein... ist from serie 1 or 2 Minifigures i think... Somewhre in the 70Kg Lego arround here must be a frankenstein....
RingMad wrote: | Now maybe they even have VCO, VCF, VCA pieces  | must be possible to get some Squarewaves out of the intelligent brick:
RingMad wrote: | Anyway, I can't wait to hear that reverb and the effect of tension-changing. | me to |
|
Back to top
|
|
 |
PHOBoS

Joined: Jan 14, 2010 Posts: 5868 Location: Moon Base
Audio files: 709
|
|
Back to top
|
|
 |
PHOBoS

Joined: Jan 14, 2010 Posts: 5868 Location: Moon Base
Audio files: 709
|
Posted: Mon Feb 17, 2014 4:00 pm Post subject:
|
 |
|
RingMad wrote: | Back in my day, I think the most specialized LEGO piece was the one you could stick a wheel in. No people.
Now maybe they even have VCO, VCF, VCA pieces . |
I think they went a bit too far with the specialized pieces, there are a lot of parts now that seem to be made for only one purpose. It's like
playmobil. I haven't seen any synth stuff yet but I have thought about making a LEGO modular. The LEGO part would just be the case, panels
and knobs that are made of LEGO with some synth circuits behind it. Also standard 5mm LED's fit perfect in LEGO technics holes (that's actually
what got me started with electronics ) and you could use gears and a motor to modulate pots.
hmm, a mechanically patchable synth by attaching gears instead of patchcables.
anyway, that's too expensive for me to build right now, but it's an idea,.. _________________ "My perf, it's full of holes!"
http://phobos.000space.com/
SoundCloud BandCamp MixCloud Stickney Synthyards Captain Collider Twitch YouTube |
|
Back to top
|
|
 |
PHOBoS

Joined: Jan 14, 2010 Posts: 5868 Location: Moon Base
Audio files: 709
|
Posted: Mon Feb 17, 2014 4:16 pm Post subject:
|
 |
|
DUBmatze wrote: | RingMad wrote: | Now maybe they even have VCO, VCF, VCA pieces  | must be possible to get some Squarewaves out of the intelligent brick:
 |
"let's put some mounting holes on it and call it LEGO" nice though. I don't think I'd seen that one, but I did see some videos of the mindstorms stuff,
pretty amazing what some people can do with it.
DUBmatze wrote: | RingMad wrote: | Anyway, I can't wait to hear that reverb and the effect of tension-changing. | me to |
I think I recorded a short demo while I was testing the servo control, let me look it up,.. _________________ "My perf, it's full of holes!"
http://phobos.000space.com/
SoundCloud BandCamp MixCloud Stickney Synthyards Captain Collider Twitch YouTube |
|
Back to top
|
|
 |
PHOBoS

Joined: Jan 14, 2010 Posts: 5868 Location: Moon Base
Audio files: 709
|
|
Back to top
|
|
 |
PHOBoS

Joined: Jan 14, 2010 Posts: 5868 Location: Moon Base
Audio files: 709
|
|
Back to top
|
|
 |
elmegil

Joined: Mar 20, 2012 Posts: 2179 Location: Chicago
Audio files: 16
|
Posted: Mon Feb 17, 2014 5:58 pm Post subject:
|
 |
|
PHOBoS wrote: | I think they went a bit too far with the specialized pieces, there are a lot of parts now that seem to be made for only one purpose. It's like
playmobil. |
I would respectfully disagree. There are some very creative people out there working out how to use those specialized pieces for very sculptural works. Check out The Brothers Brick sometime if you want to see real jaw dropping LEGO work.
PHOBoS wrote: | I haven't seen any synth stuff yet but I have thought about making a LEGO modular. The LEGO part would just be the case, panels
and knobs that are made of LEGO with some synth circuits behind it. Also standard 5mm LED's fit perfect in LEGO technics holes (that's actually
what got me started with electronics ) and you could use gears and a motor to modulate pots.
hmm, a mechanically patchable synth by attaching gears instead of patchcables.
anyway, that's too expensive for me to build right now, but it's an idea,.. |
http://techcrunch.com/2010/03/04/lego-synth-has-you-build-your-sound/ |
|
Back to top
|
|
 |
PHOBoS

Joined: Jan 14, 2010 Posts: 5868 Location: Moon Base
Audio files: 709
|
Posted: Mon Feb 17, 2014 6:42 pm Post subject:
|
 |
|
elmegil wrote: | http://techcrunch.com/2010/03/04/lego-synth-has-you-build-your-sound/ |
ah yes I remember that one, I like that you can build a 3D sculpture .
I will check out the brothers brick. What I do think is nice nowadays is that
you can use software to design and then just order the parts you need
(and share the designs online). _________________ "My perf, it's full of holes!"
http://phobos.000space.com/
SoundCloud BandCamp MixCloud Stickney Synthyards Captain Collider Twitch YouTube |
|
Back to top
|
|
 |
PHOBoS

Joined: Jan 14, 2010 Posts: 5868 Location: Moon Base
Audio files: 709
|
Posted: Mon Feb 17, 2014 6:52 pm Post subject:
Frankensynth spring reverb Subject description: Servo Controller |
 |
|
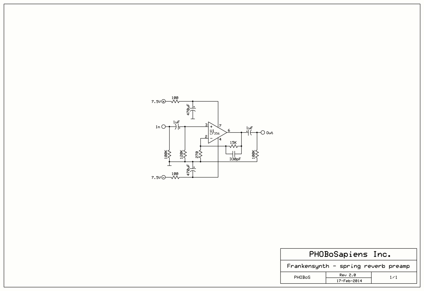
SERVO CONTROLLER:
So I got this silly idea of making the spring adjustable and voltage controlled (thanks brain ). When I first tested the servo with the
tester it worked fine, but when I tried to control it with a circuit consisting of a triangle wave oscillator + comparator it started to behave very
randomly. It was actually quite fun to watch but not exactly what I had in mind. (I might have a recording of it). Turned out that it was caused by
the servo causing noise in the powerline eventhough I was using a seperate supply for it, but then again that one isn't very powerful.
Also the servo moves to one end position with a pulsewidth of 1mS and the other end at 2mS which translated to a control voltage of only 2mV.
So I did a couple of things. Instead of using the same 5v powersupply as I used for the servo I used the dual main supply and added some regulators
for a more stable dual voltage of +/- 5 V. Besides a more stable voltage this also increases the amplitude of the saw wave which in turn increases the
range of the control voltage. It's still pretty small though.
For the CV input I used the same setup as used for the waveshaper, with offset control, level control and limiters (so the servo isn't forced to move
beyond it's range). I also added a glide control for smoother movement which makes it possible to modulate it with a slow square wave aswell.
I used an optocoupler to keep it isolated from the servo supply to prevent any noise. There's also a switch to turn the control signal off which halts
the servo (it doesn't move by the spring tension). This can also be controlled by an external signal which can work as a sample track and hold together
with the CV input.
Description: |
Frankensynth servo controller schematic |
|
Filesize: |
77.68 KB |
Viewed: |
597 Time(s) |
This image has been reduced to fit the page. Click on it to enlarge. |

|
Description: |
|
Filesize: |
122.91 KB |
Viewed: |
602 Time(s) |
This image has been reduced to fit the page. Click on it to enlarge. |

|
_________________ "My perf, it's full of holes!"
http://phobos.000space.com/
SoundCloud BandCamp MixCloud Stickney Synthyards Captain Collider Twitch YouTube Last edited by PHOBoS on Thu Feb 20, 2014 4:22 pm; edited 2 times in total |
|
Back to top
|
|
 |
PHOBoS

Joined: Jan 14, 2010 Posts: 5868 Location: Moon Base
Audio files: 709
|
|
Back to top
|
|
 |
PHOBoS

Joined: Jan 14, 2010 Posts: 5868 Location: Moon Base
Audio files: 709
|
Posted: Mon Feb 17, 2014 7:50 pm Post subject:
Frankensynth spring reverb Subject description: finished module |
 |
|
Some additional information.
Besides the springreverb I also mounted a passive tonecontrol circuit on the same panel. It also came from my box of circuits and it's something I
took out of an old amplifier many years ago. Because it is passive it just has 2 inputs and 2 outputs and no active components, so I just added 4
connectors for the inputs and outputs. I wired the output from the reverb to the left input by using the switch contact on the socket and wired the
input of the reverb to the right channel also using the switch contact. This turns the balance control into a sort of wet/dry control when the outputs
are mixed together. The in-/outputs of the reverb also have attenuators to adjust the levels.
I used foam on the top and bottom of the reverb chamber to dampen vibrations from the case and I also used rubber grommets between the
panel and chamber for the same reason. I had to cut a bit off to be able to get it mounted in the case and this left a gap which I simply covered
with a piece of masking tape.
Here's the finished module
Description: |
Frankensynth spring reverb |
|
Filesize: |
119.35 KB |
Viewed: |
559 Time(s) |
This image has been reduced to fit the page. Click on it to enlarge. |

|
Description: |
Frankensynth spring reverb |
|
Filesize: |
105.54 KB |
Viewed: |
552 Time(s) |
This image has been reduced to fit the page. Click on it to enlarge. |

|
Description: |
Frankensynth spring reverb (backside) |
|
Filesize: |
120.69 KB |
Viewed: |
555 Time(s) |
This image has been reduced to fit the page. Click on it to enlarge. |

|
Description: |
Frankensynth spring reverb (powerboard for servo & amplifier and foam on the bottom) |
|
Filesize: |
115.88 KB |
Viewed: |
559 Time(s) |
This image has been reduced to fit the page. Click on it to enlarge. |

|
_________________ "My perf, it's full of holes!"
http://phobos.000space.com/
SoundCloud BandCamp MixCloud Stickney Synthyards Captain Collider Twitch YouTube |
|
Back to top
|
|
 |
robsol
Stream Operator

Joined: Apr 24, 2009 Posts: 2498 Location: Bristol UK
Audio files: 495
|
Posted: Tue Feb 18, 2014 6:06 am Post subject:
|
 |
|
Looks and sounds amazing! The grille looks nice too, although I thought you may have wanted direct access to the spiring for plucking it. _________________ Muied Lumens Sub Forum
Bandcamp |
|
Back to top
|
|
 |
PHOBoS

Joined: Jan 14, 2010 Posts: 5868 Location: Moon Base
Audio files: 709
|
Posted: Tue Feb 18, 2014 9:08 am Post subject:
|
 |
|
Muied Lumens wrote: | Looks and sounds amazing! The grille looks nice too, although I thought you may have wanted direct access to the spiring for plucking it. |
thanks
yeah plucking the spring was a reason why I wasn't sure about the grille (I can still remove it btw). But plucking the grille gives a similar sound,
without overdriving the preamp. And I still have more springs and piezo's which I could use for a springboard anyway. _________________ "My perf, it's full of holes!"
http://phobos.000space.com/
SoundCloud BandCamp MixCloud Stickney Synthyards Captain Collider Twitch YouTube |
|
Back to top
|
|
 |
JingleJoe

Joined: Nov 10, 2011 Posts: 878 Location: Lancashire, England
Audio files: 14
|
Posted: Thu Feb 20, 2014 12:28 pm Post subject:
|
 |
|
great work I love the sound of the reverb malfunctioning, if your Cv is too high for it, why not just put it through a voltage divider? _________________ As a mad scientist I am ruled by the dictum of science: "I could be wrong about this but lets find out"
Green Dungeon Alchemist Laboratories |
|
Back to top
|
|
 |
PHOBoS

Joined: Jan 14, 2010 Posts: 5868 Location: Moon Base
Audio files: 709
|
|
Back to top
|
|
 |
PHOBoS

Joined: Jan 14, 2010 Posts: 5868 Location: Moon Base
Audio files: 709
|
|
Back to top
|
|
 |
|