| Author |
Message |
PHOBoS

Joined: Jan 14, 2010 Posts: 5888 Location: Moon Base
Audio files: 709
|
Posted: Mon Feb 24, 2014 11:27 am Post subject:
Frankensynth Subject description: Sir. Envelope |
 |
|
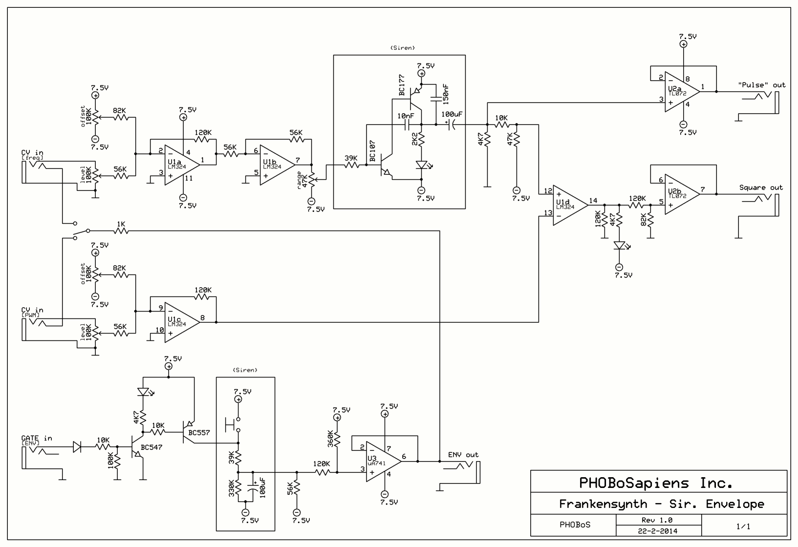
I finished Sir. Envelope (and might finish another module today).
Sir. Envelope is made from a siren circuit which I split into two parts: an envelope generator and a VCO. The envelope generator is very basic, a
capacitor is charged through a resistor and discharged with another resistor. The two resistors also make up a voltage divider which set the maximum
amplitude. I added a gate input and shifted the ouput level to -2.5V/+2.5V. I added level and offset control to the VCO. No limiters since it works over
almost the full supply range. The output is sort of a pulse wave and I added a comparator to turn it into a squarewave with voltage controlled pulse width.
There's also a switch to patch the envelope generator to the freq CV input (siren) or PWM CV input.
I made 2 changes to the original circuit, I replaced a 470 ohms resistor with a LED + 2K2 resistor in the VCO part and I added a resistor parallel
to the envelope capacitor to make it discharge faster. The circuit was designed to drive a speaker which caused a faster decay, and replacing
the 470 ohms resistor also lengthened it.
| Description: |
|
| Filesize: |
88.5 KB |
| Viewed: |
871 Time(s) |
| This image has been reduced to fit the page. Click on it to enlarge. |

|
| Description: |
|
| Filesize: |
104.18 KB |
| Viewed: |
781 Time(s) |
| This image has been reduced to fit the page. Click on it to enlarge. |

|
| Description: |
|
| Filesize: |
106.74 KB |
| Viewed: |
781 Time(s) |
| This image has been reduced to fit the page. Click on it to enlarge. |

|
| Description: |
|
| Filesize: |
115.52 KB |
| Viewed: |
782 Time(s) |
| This image has been reduced to fit the page. Click on it to enlarge. |

|
_________________ "My perf, it's full of holes!"
http://phobos.000space.com/
SoundCloud BandCamp MixCloud Stickney Synthyards Captain Collider Twitch YouTube |
|
|
Back to top
|
|
 |
PHOBoS

Joined: Jan 14, 2010 Posts: 5888 Location: Moon Base
Audio files: 709
|
Posted: Mon Feb 24, 2014 7:10 pm Post subject:
Frankensynth Subject description: LFO Circus |
 |
|
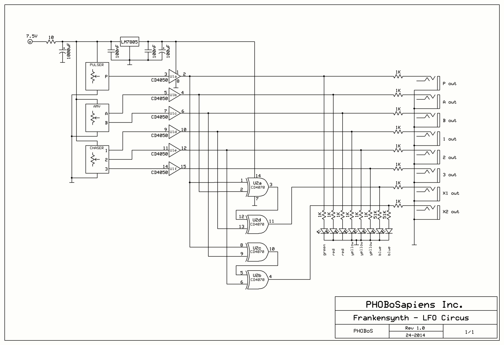
And another one finished "LFO Circus".
For this one I used 3 small circuits; an oscillator made with a 555 timer that gives a pulse (used for experiments with timelapse photography), a simple 2
transistor AMV and a 3 channel chaser made with a 555 + 4017. Only the last one had tempo control but I modified the other two circuits to be adjustable
aswell. I added buffers and by powering the 4050 chip with 5 volts I get 0/5V gate outputs. I also added some XOR's for two extra outputs that give a sort
of semi-random signal related to the 3 LFO's.
| Description: |
|
| Filesize: |
78.83 KB |
| Viewed: |
834 Time(s) |
| This image has been reduced to fit the page. Click on it to enlarge. |

|
| Description: |
|
| Filesize: |
115.92 KB |
| Viewed: |
772 Time(s) |
| This image has been reduced to fit the page. Click on it to enlarge. |

|
| Description: |
|
| Filesize: |
118.95 KB |
| Viewed: |
792 Time(s) |
| This image has been reduced to fit the page. Click on it to enlarge. |

|
| Description: |
|
| Filesize: |
108.25 KB |
| Viewed: |
740 Time(s) |
| This image has been reduced to fit the page. Click on it to enlarge. |

|
| Description: |
|
| Filesize: |
111.64 KB |
| Viewed: |
751 Time(s) |
| This image has been reduced to fit the page. Click on it to enlarge. |

|
_________________ "My perf, it's full of holes!"
http://phobos.000space.com/
SoundCloud BandCamp MixCloud Stickney Synthyards Captain Collider Twitch YouTube |
|
|
Back to top
|
|
 |
PHOBoS

Joined: Jan 14, 2010 Posts: 5888 Location: Moon Base
Audio files: 709
|
|
|
Back to top
|
|
 |
PHOBoS

Joined: Jan 14, 2010 Posts: 5888 Location: Moon Base
Audio files: 709
|
|
|
Back to top
|
|
 |
blue hell
Site Admin

Joined: Apr 03, 2004 Posts: 24549 Location: The Netherlands, Enschede
Audio files: 301
G2 patch files: 320
|
Posted: Tue Feb 25, 2014 12:54 pm Post subject:
|
 |
|
You go fast!
Looks nice :-) _________________ Jan
also .. could someone please turn down the thermostat a bit.
 |
|
|
Back to top
|
|
 |
PHOBoS

Joined: Jan 14, 2010 Posts: 5888 Location: Moon Base
Audio files: 709
|
Posted: Wed Feb 26, 2014 6:19 pm Post subject:
|
 |
|
Some more info on how I did the graphics on the last two panels, which are printed with a laserprinter and then transferred to the wood. I have
experimented with this before and I think it included clear coating and heat (iron) but wasn't exactly sure how, so I searched the web. What I mostly
found however was a method involving something called Mod Podge. And after a bit more research I discovered that it's some sort of PVA glue so I
tested with the (PVA) woodglue I have. (here is an example of the mod podge method.)
For the first test I had printed on glossy paper from a magazine (with the idea to use heat transfer) And although it worked I also got a lot of the full
color print from the magazine on the panel. (might be an idea to use magazines, books, comics,. etc) and by the time I got that off I didn't
have anything left. For the second test I put too much glue on it, and the paper ripped apart while I was trying to press it on the wood. The third
test went better but I used too much water which disolved all the glue (I only let it dry for a short period) and so the toner came off too. So by the
fourth time I tried it I was very careful and I got a much better result. For the "LFO Circus" panel I let it dry overnight which was already an
improvement, but the next time I will try it with waterproof woodglue. _________________ "My perf, it's full of holes!"
http://phobos.000space.com/
SoundCloud BandCamp MixCloud Stickney Synthyards Captain Collider Twitch YouTube |
|
|
Back to top
|
|
 |
blue hell
Site Admin

Joined: Apr 03, 2004 Posts: 24549 Location: The Netherlands, Enschede
Audio files: 301
G2 patch files: 320
|
Posted: Thu Feb 27, 2014 4:15 am Post subject:
|
 |
|
Sounds like a nice trick .. PVA is just the normal white glue? _________________ Jan
also .. could someone please turn down the thermostat a bit.
 |
|
|
Back to top
|
|
 |
PHOBoS

Joined: Jan 14, 2010 Posts: 5888 Location: Moon Base
Audio files: 709
|
|
|
Back to top
|
|
 |
DES

Joined: Feb 28, 2003 Posts: 796 Location: New Jersey
Audio files: 8
|
Posted: Sat Mar 01, 2014 7:59 am Post subject:
|
 |
|
I've been looking at various methods for printing onto panels and one suggestion I found on the web was to use 'parchment' paper (I believe that's what its called) you can find it in the baking section of most supermarkets. Its heat resistant but it doesn't hold onto the toner as strongly as regular paper does. I've purchased some and hopefully will be able to test it out soon... _________________ Dave
www.davesneed.com |
|
|
Back to top
|
|
 |
Skrog Productions

Joined: Jan 07, 2009 Posts: 1224 Location: Scottish Borders
Audio files: 160
|
Posted: Mon Mar 03, 2014 10:19 am Post subject:
|
 |
|
Good works Phobos , the synth is coming along nicely.
Dave. |
|
|
Back to top
|
|
 |
PHOBoS

Joined: Jan 14, 2010 Posts: 5888 Location: Moon Base
Audio files: 709
|
Posted: Mon Mar 03, 2014 3:40 pm Post subject:
|
 |
|
| DES wrote: | | I've been looking at various methods for printing onto panels and one suggestion I found on the web was to use 'parchment' paper (I believe that's what its called) you can find it in the baking section of most supermarkets. Its heat resistant but it doesn't hold onto the toner as strongly as regular paper does. I've purchased some and hopefully will be able to test it out soon... |
I think I know what you mean, not sure if it would work well for this method but it could be very useful for a heat transfer method .
I did another panel this time using the waterproof glue which works much better. I didn't get a perfect print (which I wouldn't want anyway for these
panels) but the toner damage mostly happened when removing the first layer of paper, so it just didn't stick well to the panel. But using some water
to rub the rest of the paper off didn't cause as much (if any) damage as it did with the previous panels.
| Skrog Productions wrote: | | Good works Phobos , the synth is coming along nicely. |
thanks Dave  _________________ "My perf, it's full of holes!"
http://phobos.000space.com/
SoundCloud BandCamp MixCloud Stickney Synthyards Captain Collider Twitch YouTube |
|
|
Back to top
|
|
 |
PHOBoS

Joined: Jan 14, 2010 Posts: 5888 Location: Moon Base
Audio files: 709
|
Posted: Sat Mar 08, 2014 1:26 pm Post subject:
|
 |
|
I finished another module last week. This one uses 2 circuits: One is some sort of mono/stereo control, or actually I don't know what it is or where I
got the schematic from, maybe someone recognizes it. The other circuit is a windsound generator consisting of a noise source and a bandpass filter.
So I split it up in those two parts and added an amplifier and a switch to choose between wind mode (output of the filter amplified) or split mode
(output of noise source amplified). I also added a vactrol to have a bit of control over the filter frequency.
| Description: |
|
| Filesize: |
34.97 KB |
| Viewed: |
776 Time(s) |
| This image has been reduced to fit the page. Click on it to enlarge. |

|
| Description: |
|
| Filesize: |
139.8 KB |
| Viewed: |
715 Time(s) |
| This image has been reduced to fit the page. Click on it to enlarge. |

|
| Description: |
|
| Filesize: |
144.73 KB |
| Viewed: |
694 Time(s) |
| This image has been reduced to fit the page. Click on it to enlarge. |

|
| Description: |
|
| Filesize: |
154.63 KB |
| Viewed: |
703 Time(s) |
| This image has been reduced to fit the page. Click on it to enlarge. |

|
| Description: |
|
| Filesize: |
126.83 KB |
| Viewed: |
707 Time(s) |
| This image has been reduced to fit the page. Click on it to enlarge. |

|
_________________ "My perf, it's full of holes!"
http://phobos.000space.com/
SoundCloud BandCamp MixCloud Stickney Synthyards Captain Collider Twitch YouTube |
|
|
Back to top
|
|
 |
RingMad

Joined: Jan 15, 2011 Posts: 429 Location: Montreal, Canada
Audio files: 4
|
Posted: Sun Mar 09, 2014 1:16 pm Post subject:
|
 |
|
I like the art on the wind thing!
James. |
|
|
Back to top
|
|
 |
PHOBoS

Joined: Jan 14, 2010 Posts: 5888 Location: Moon Base
Audio files: 709
|
Posted: Sat Apr 26, 2014 6:23 am Post subject:
|
 |
|
I added a sequencer made from a simple light chaser. The original circuit used two 4017's, one was used as a divider for a slower speed setting and
the other to sequence 4 lights. Tempo was controlled by either the build in 555 LFO but an external CLK could be used aswell. I added a transistor to
the output of the 555 to invert the output, since the dutycycle was ±95/5 (on/off).
I made use of having 2 4017's by adding a swinggenerator. Because I only have 12 step rotary switches I just wired all the outputs to the switch.
The 2 leftover NAND gates are used for a buffered CLK and reset input. I used slidepots and glued some LED's to them secured with some heatshrink.
The pots are 25K log stereo pots and not really great, which is why I nevered used them before. Some of them are so bad that I had to use the
other 'side' (stereopots) to get it working. The whole circuit is powered by 5V using a 7805 regulator that was already on the PCB. Well actually it
wasn't on there anymore but there used to be one so I just had to put it back.
I made a panel out of MDF covered with a woodgrain print because I didn't have anything else left. But I didn't really like it, so I kept my eyes
open and found a nicer piece of wood in a container at the side of the road. So I used that to make a new panel and it looks much better.
An old meccano set (not the real stuff though) came in handy for mounting the slidepots and PCB.
I will probably make 2 simple 555 based VCO's next , made from 2 similar strobelight controller circuits.
| Description: |
| Swing step baby 10 sequencer |
|
| Filesize: |
95.48 KB |
| Viewed: |
706 Time(s) |
| This image has been reduced to fit the page. Click on it to enlarge. |

|
| Description: |
| Frankensynth sequencer (no labels yet but I might put something on the panel) |
|
| Filesize: |
73.85 KB |
| Viewed: |
688 Time(s) |
| This image has been reduced to fit the page. Click on it to enlarge. |

|
| Description: |
|
| Filesize: |
83.78 KB |
| Viewed: |
675 Time(s) |
| This image has been reduced to fit the page. Click on it to enlarge. |

|
_________________ "My perf, it's full of holes!"
http://phobos.000space.com/
SoundCloud BandCamp MixCloud Stickney Synthyards Captain Collider Twitch YouTube |
|
|
Back to top
|
|
 |
bamboombaps
Joined: Oct 23, 2015 Posts: 66 Location: Glasgow
|
Posted: Mon Nov 30, 2015 9:12 am Post subject:
|
 |
|
this is awesome- any more pics/videos?  |
|
|
Back to top
|
|
 |
PHOBoS

Joined: Jan 14, 2010 Posts: 5888 Location: Moon Base
Audio files: 709
|
|
|
Back to top
|
|
 |
Cfish

Joined: Feb 24, 2016 Posts: 477 Location: Indiana
|
Posted: Sun Apr 17, 2016 7:58 pm Post subject:
|
 |
|
Can't wait for some sound samples.
Very cool project.
Listening to Tom waits while viewing really adds to the experience.  |
|
|
Back to top
|
|
 |
|