| Author |
Message |
synaesthesia

Joined: May 27, 2014 Posts: 291 Location: Germany
Audio files: 85
|
Posted: Sat Sep 27, 2014 11:26 am Post subject:
|
 |
|
Half way through your last posts I started thinking about a smaller version of your circuit that could be used to generate arpeggios.
Now you post the complete circuit - plus all the tables. That's great work again. Thanks a lot for posting this! |
|
|
Back to top
|
|
 |
PHOBoS

Joined: Jan 14, 2010 Posts: 5883 Location: Moon Base
Audio files: 709
|
|
|
Back to top
|
|
 |
PHOBoS

Joined: Jan 14, 2010 Posts: 5883 Location: Moon Base
Audio files: 709
|
Posted: Wed Oct 01, 2014 11:07 am Post subject:
|
 |
|
I'm putting the Chromatic Melody Generator in an enclosure. everything is mounted and some things wired up,
but I can't finished it before I have figured something else out first: Can I rearrange the noteorder to get more musical combinations ?
Of course I can already make all the combinations/chords but I want to group them to correspond with the binary inputs combinations.
note:I'll be ignoring the higher C for now and just work with 1 octave
By changing only 2 inputs at a time you end up with the following 24 permutations:
| Code: | DCBA DCBA DCBA DCBA
00xx 01xx 10xx 11xx
-------------------
0000 0100 1000 1100
0001 0101 1001 1101
0010 0110 1010 1110
0011 0111 1011 1111
DCBA DCBA DCBA DCBA
0x0x 0x1x 1x0x 1x1x
-------------------
0000 0010 1000 1010
0001 0011 1001 1011
0100 0110 1100 1110
0101 0111 1101 1111
DCBA DCBA DCBA DCBA
x00x x01x x10x x11x
-------------------
0000 0010 0100 0110
0001 0011 0101 0111
1000 1010 1100 1110
1001 1011 1101 1111
DCBA DCBA DCBA DCBA
x0x0 x0x1 x1x0 x1x1
-------------------
0000 0001 0100 0101
0010 0011 0110 0111
1000 1001 1100 1101
1010 1011 1110 1111
DCBA DCBA DCBA DCBA
xx00 xx01 xx10 xx11
-------------------
0000 0001 0010 0011
0100 0101 0110 0111
1000 1001 1010 1011
1100 1101 1110 1111
DCBA DCBA DCBA DCBA
0xx0 0xx1 1xx0 1xx1
-------------------
0000 0001 1000 1001
0010 0011 1010 1011
0100 0101 1100 1101
0110 0111 1110 1111 |
Having the notes in the current order (C,C#,D,#,....B) results in the following tables:
| Code: | DCBA DCBA DCBA DCBA
00xx 01xx 10xx 11xx
-------------------
C E G# _
C# F A _
D F# A# _
D# G B _
DCBA DCBA DCBA DCBA
0x0x 0x1x 1x0x 1x1x
-------------------
C D G# A#
C# D# A B
E F# _ _
F G _ _
DCBA DCBA DCBA DCBA
x00x x01x x10x x11x
-------------------
C D E F#
C# D# F G
G# A# _ _
A B _ _
DCBA DCBA DCBA DCBA
x0x0 x0x1 x1x0 x1x1
-------------------
C C# E F
D D# F# G
G# A _ _
A# B _ _
DCBA DCBA DCBA DCBA
xx00 xx01 xx10 xx11
-------------------
C C# D D#
E F F# G
G# A A# B
_ _ _ _
DCBA DCBA DCBA DCBA
0xx0 0xx1 1xx0 1xx1
-------------------
C C# G# A
D D# A# B
E F _ _
F# G _ _ |
which produces some augmented triads:
xx00: augmented C triad = C E G#
xx01: augmented C# triad = C# F A
xx01: augmented D triad = D F# A#
xx11: augmented D# triad = D# G B
I was trying out some different combinations, reshuffling some notes and typing out all the tables, but after
having done a couple combinations I decided that I might aswell let the computer do it for me
It would probably be possibe to do it in excel but I hardly know anything about it, and I don't even have it installed.
The only thing that I do know a bit about and that's usefull to do it is a combination of html & javascript.
So I started programming, first letting it draw the tables, then automating the chord detection, starting with
just the C chords and after that worked I added the rest. I've uploaded that version here in case anybody wants to play with it
or geek out at the source code
edit: uploaded an updated version that can calculate some permutations
Of course I still have to shuffle the notes around manually to find usefull combinations so I was thinking of automating that process too.
However,. 12 note + 4 empty spaces means there are 16! permutations,. that's: 209.722.789.888.000
Of course the 4 empty spaces in there will produces a multitude of equal results so taking those out results in
16!/4! = 871.782.912.000 and there are also a lot of combinations that will produce the same groups of notes.
Actually once I know the first 4 notes it would be most logical to spread the other 8 in an equal manner,
which would reduce the number of possibilities dramatically.
 _________________ "My perf, it's full of holes!"
http://phobos.000space.com/
SoundCloud BandCamp MixCloud Stickney Synthyards Captain Collider Twitch YouTube Last edited by PHOBoS on Mon Sep 20, 2021 11:40 am; edited 3 times in total |
|
|
Back to top
|
|
 |
RingMad

Joined: Jan 15, 2011 Posts: 429 Location: Montreal, Canada
Audio files: 4
|
Posted: Thu Oct 02, 2014 10:27 am Post subject:
|
 |
|
I'm totally lost, but I think all you need to do is find that 216 digit number from which all patterns stem.
James. |
|
|
Back to top
|
|
 |
PHOBoS

Joined: Jan 14, 2010 Posts: 5883 Location: Moon Base
Audio files: 709
|
Posted: Thu Oct 02, 2014 11:48 am Post subject:
When I was a little kid my mom told me Subject description: not to stare into the sun. So, once when I was six I did |
 |
|
| RingMad wrote: | I'm totally lost, but I think all you need to do is find that 216 digit number from which all patterns stem.  |
I know, I have to get that number!
this was useful.
I was already testing with the circle of fifths, and drawing other circles with groups of notes.
by skipping a certain number of notes I get these strings:
| Code: | 1] C C# D D# E F F# G G# A A# B
2] C D E F# G# A# C# D# F G A B
3] C D# F# A C# E G A# D F G# B
4] C E G# C# F A D F# A# D# G B
5] C F A# D# G# C# F# B E A D G
6] C F# C# G D G# D# A E A# F B
7] C G D A E B F# C# G# D# A# F
8] C G# E C# A F D A# F# D# B G
9] C A F# D# C# A# G E D B G# F
10] C A# G# F# E D C# B A G F D#
11] C B A# A G# G F# F E D# D C# |
So now I'm thinking to divide those strings up either in 3x4 (and add 1x4 empty spaces)
so for the first string that would be:
C C# D D# | E F F# G | G# A A# B | _ _ _ _
or divide in 4x3 and add an empty space for each group so for the first string that would result in:
C C# D _ | D# E F _ | F# G G# _ | A A# B _
Then shuffle the notes of each group around in the same way.
so if you take: C C# D _ | D# E F _ | F# G G# _ | A A# B _
and you switch C# & D then you also need to switch E & F, G & G#, A# & B.
which leaves only 24 permutations for each string. Actually since I want the first note to be a C it's only 6 permutations
hmm let's see 11 strings, can be divided in 2 ways, 6 permutations, that's 132 different options,. and a couple of the strings
actually result in the same groups of notes when divided so it's even less then that.
I did already find this nice combination:
| Code: | inputstring = C,G,E,B,A,D,C#,F#,G#,D#,_,_,F,A#,_,_,
-------------------------------------------------------------
detected chords:
Major seventh, rootnote: C, notes: C G E B
Major seventh, rootnote: D, notes: A D C# F#
Major seventh, rootnote: G#, notes: C G G# D#
Major seventh, rootnote: A#, notes: A D F A#
Augmented triad, rootnote: C, notes: C E G# _
Augmented triad, rootnote: E, notes: C E G# _
Augmented triad, rootnote: G#, notes: C E G# _
Augmented triad, rootnote: D#, notes: G B D# _
Augmented triad, rootnote: G, notes: G B D# _
Augmented triad, rootnote: B, notes: G B D# _
Augmented triad, rootnote: C#, notes: A C# F _
Augmented triad, rootnote: F, notes: A C# F _
Augmented triad, rootnote: A, notes: A C# F _
Augmented triad, rootnote: D, notes: D F# A# _
Augmented triad, rootnote: F#, notes: D F# A# _
Augmented triad, rootnote: A#, notes: D F# A# _
Major seventh, rootnote: D#, notes: G D D# A#
Major seventh, rootnote: G, notes: G B D F#
------------------------------------------------------------- |
_________________ "My perf, it's full of holes!"
http://phobos.000space.com/
SoundCloud BandCamp MixCloud Stickney Synthyards Captain Collider Twitch YouTube |
|
|
Back to top
|
|
 |
PHOBoS

Joined: Jan 14, 2010 Posts: 5883 Location: Moon Base
Audio files: 709
|
Posted: Thu Oct 02, 2014 3:31 pm Post subject:
|
 |
|
I think this should work
| Code: | C,E,G#,_,A,C#,F,_,G,B,D#,_,D,F#,A#,_,
detected chords:
Augmented triad, rootnote: C, notes: C E G# _
Augmented triad, rootnote: C#, notes: A C# F _
Augmented triad, rootnote: D, notes: D F# A# _
Augmented triad, rootnote: D#, notes: G B D# _
Augmented triad, rootnote: E, notes: C E G# _
Augmented triad, rootnote: F, notes: A C# F _
Augmented triad, rootnote: F#, notes: D F# A# _
Augmented triad, rootnote: G, notes: G B D# _
Augmented triad, rootnote: G#, notes: C E G# _
Augmented triad, rootnote: A, notes: A C# F _
Augmented triad, rootnote: A#, notes: D F# A# _
Augmented triad, rootnote: B, notes: G B D# _
Major seventh, rootnote: C, notes: C E G B
Major seventh, rootnote: D, notes: A C# D F#
Major seventh, rootnote: D#, notes: G D# D A#
Major seventh, rootnote: G, notes: G B D F#
Major seventh, rootnote: G#, notes: C G# G D#
Major seventh, rootnote: A#, notes: A F D A# |
great, a string of notes and some chords but what the hell does it mean ?!
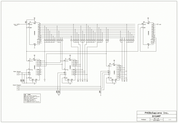
The string of notes is the order in which I will wire the outputs from the diode matrix to the mux. (of the chromatic melody generator)
Which will have the effect that when cycling the bits of 2 of the note CTRL inputs it will produce notes that form a chord.
So it's like the ARP circuits and it can cycle through multiple chords.
| Code: |
note inputs DCBA = [0000,0001,0010,0011] = C E G# _ = Augmented triad: C,E,G#*
note inputs DCBA = [0100,0101,0110,0111] = A C# F _ = Augmented triad: C#,A,F*
note inputs DCBA = [1000,1001,1010,1011] = G B D# _ = Augmented triad: D#,G,B*
note inputs DCBA = [1100,1101,1110,1111] = D F# A# _ = Augmented triad: D,F#,A#*
note inputs DCBA = [0000,0001,1000,1001] = C E G B = Major seventh: C
note inputs DCBA = [0100,0101,1100,1101] = A C# D F# = Major seventh: D
note inputs DCBA = [1000,1010,1100,1110] = G D# D A# = Major seventh: D#
note inputs DCBA = [1000,1001,1100,1101] = G B D F# = Major seventh: G
note inputs DCBA = [0000,0010,1000,1010] = C G# G D# = Major seventh: G#
note inputs DCBA = [0100,0110,1100,1110] = A F D A# = Major seventh: A# |
*the only difference between these is the order of the notes.
Also all the notes it produces will be within one octave (unless the octave CTRL inputs are controlled too),
so notes that should be spread apart to form a chord will now be closer together. _________________ "My perf, it's full of holes!"
http://phobos.000space.com/
SoundCloud BandCamp MixCloud Stickney Synthyards Captain Collider Twitch YouTube |
|
|
Back to top
|
|
 |
PHOBoS

Joined: Jan 14, 2010 Posts: 5883 Location: Moon Base
Audio files: 709
|
Posted: Sat Oct 04, 2014 4:42 pm Post subject:
|
 |
|
I finished wiring it up and it works great
I connected some resistors to the octave divider for a stepped saw output,
(fixed octave) and added a CV input aswell.
Maybe I'll add an attenuator to that later using the spare opamp.
Here are some photos and an updated schematic.
edit: I noticed some mistakes in the schematic, so uploaded a fixed version.
| Description: |
| Chromatic Melody Generator |
|
| Filesize: |
80.27 KB |
| Viewed: |
711 Time(s) |
| This image has been reduced to fit the page. Click on it to enlarge. |

|
| Description: |
| Chromatic Melody Generator |
|
| Filesize: |
61.37 KB |
| Viewed: |
682 Time(s) |
| This image has been reduced to fit the page. Click on it to enlarge. |

|
| Description: |
| Chromatic Melody Generator |
|
| Filesize: |
108.11 KB |
| Viewed: |
692 Time(s) |
| This image has been reduced to fit the page. Click on it to enlarge. |

|
| Description: |
|
| Filesize: |
137.17 KB |
| Viewed: |
1028 Time(s) |
| This image has been reduced to fit the page. Click on it to enlarge. |

|
_________________ "My perf, it's full of holes!"
http://phobos.000space.com/
SoundCloud BandCamp MixCloud Stickney Synthyards Captain Collider Twitch YouTube Last edited by PHOBoS on Wed Oct 15, 2014 5:45 am; edited 2 times in total |
|
|
Back to top
|
|
 |
droffset

Joined: Feb 02, 2009 Posts: 515 Location: London area
Audio files: 2
|
|
|
Back to top
|
|
 |
PHOBoS

Joined: Jan 14, 2010 Posts: 5883 Location: Moon Base
Audio files: 709
|
|
|
Back to top
|
|
 |
PHOBoS

Joined: Jan 14, 2010 Posts: 5883 Location: Moon Base
Audio files: 709
|
|
|
Back to top
|
|
 |
trav

Joined: Sep 11, 2012 Posts: 108 Location: Auckland
Audio files: 16
|
Posted: Wed Oct 22, 2014 10:56 pm Post subject:
|
 |
|
How did I miss this thread?! (with references to my muddling experiments and everything)
This is very nice. Something like it will have to find its way into my new project (will start a new thread soon). Already have a bunch of spare 16bit stuff due to an overthought sequencer idea. |
|
|
Back to top
|
|
 |
trav

Joined: Sep 11, 2012 Posts: 108 Location: Auckland
Audio files: 16
|
Posted: Sat Oct 25, 2014 1:19 am Post subject:
|
 |
|
| PHOBoS, did you look at the possibility of using a 4059 divide-by-n counter to do the same? Use a mux to programme the jam inputs, or even use 12 (or 13) 4059s for polyphony. I am still getting my head around the datasheet for this chip, but should work. |
|
|
Back to top
|
|
 |
PHOBoS

Joined: Jan 14, 2010 Posts: 5883 Location: Moon Base
Audio files: 709
|
Posted: Sat Oct 25, 2014 4:07 am Post subject:
|
 |
|
Thought about it but haven't really looked into it. Though it looks like it's not just a matter of making some pins high/low
to set the division, but there is some feedback involved aswell. So switching between the notes might not be very easy
and require a networks of logic gates. It should work pretty well for polyphonic use, although I'm not sure if it
would be much easier then using a bunch of 4040's. hmm it would be nice if there's a chip with several /2 counters.  _________________ "My perf, it's full of holes!"
http://phobos.000space.com/
SoundCloud BandCamp MixCloud Stickney Synthyards Captain Collider Twitch YouTube |
|
|
Back to top
|
|
 |
synaesthesia

Joined: May 27, 2014 Posts: 291 Location: Germany
Audio files: 85
|
Posted: Sat Oct 25, 2014 4:37 am Post subject:
|
 |
|
PHOBoS said: | Quote: | | it would be nice if there's a chip with several /2 counters. |
Looked for this as well. The quad FF chips I know all have a common clock. But you could use a dual FF chip like the 4013 and connect NOTQ to D, which gives you two toggle-FF per chip. |
|
|
Back to top
|
|
 |
PHOBoS

Joined: Jan 14, 2010 Posts: 5883 Location: Moon Base
Audio files: 709
|
|
|
Back to top
|
|
 |
Cynosure
Site Admin

Joined: Dec 11, 2010 Posts: 1025 Location: Toronto, Ontario - Canada
Audio files: 82
|
Posted: Sun Oct 26, 2014 8:47 am Post subject:
|
 |
|
| What about using a 4007 to build several latching transistor pairs? They have 3 N/P pairs, so you should be able to make 3 divide by 2 circuits on one chip. |
|
|
Back to top
|
|
 |
PHOBoS

Joined: Jan 14, 2010 Posts: 5883 Location: Moon Base
Audio files: 709
|
|
|
Back to top
|
|
 |
mike page

Joined: Sep 26, 2016 Posts: 134 Location: norwich, uk
|
Posted: Mon Apr 02, 2018 7:04 am Post subject:
|
 |
|
| PHOBoS wrote: | Back to what I started with, a 4 bit Melody Generator. I had ordered some CMOS comparator chips (CD4063), but not tested yet.
Just did that so here's a working version using 2 chips.  |
Was this ever tested?
Also are the pulses that clock the 2nd half of the 4520 really tiny? |
|
|
Back to top
|
|
 |
PHOBoS

Joined: Jan 14, 2010 Posts: 5883 Location: Moon Base
Audio files: 709
|
|
|
Back to top
|
|
 |
mike page

Joined: Sep 26, 2016 Posts: 134 Location: norwich, uk
|
Posted: Mon Apr 02, 2018 1:19 pm Post subject:
|
 |
|
| ah thanks, maybe i'll try a crude little transistor pulse extender type thing, but im not too hopeful about that in this application... hmmm more thinking... |
|
|
Back to top
|
|
 |
mike page

Joined: Sep 26, 2016 Posts: 134 Location: norwich, uk
|
Posted: Tue Apr 03, 2018 6:03 am Post subject:
|
 |
|
...Or maybe to make the output pulse bigger some sort of latching thing in conjunction with the original input osc? Like it latches on when the output and the osc are high, then stays high till they are both off?
Dont know how to do this though! And would probably be too many components to make it worthwhile... |
|
|
Back to top
|
|
 |
L´Andratté

Joined: Sep 23, 2012 Posts: 151 Location: Hamburg, Germany
Audio files: 5
|
Posted: Tue Oct 12, 2021 12:05 pm Post subject:
|
 |
|
Thank you Phobos for developing and posting this all, this is wonderful!
It got me instantly thinking, if I put two chromatic melody generators in series,
it should play the scale selected in the second generator transposed to the rootnote generated by the first!? (I hope this is understandable...)
 |
|
|
Back to top
|
|
 |
PHOBoS

Joined: Jan 14, 2010 Posts: 5883 Location: Moon Base
Audio files: 709
|
Posted: Wed Oct 13, 2021 2:56 pm Post subject:
|
 |
|
Interesting you mention that as I have been thinking about something similar very recently. (quick answer, will probably not work in practise)
In my lunetta case I have 2 modified toy keyboards (Lun-A-Key, Bay-B-key) both of which are factory tuned to a major scale (probably somewhere
around a C so it would be the equivalent of just the white keys). As a result they only have 7 keys per octave, one of them has 10 keys in total the
other has 8. I added a pitch/tuning knob to both of them and normally when I want to incorporate them in whatever I have patched up I just keep
pressing a couple of keys in succession and twist the tuning knob untill it fits in. I had noticed that this can result in some different sounding scales
but never gave it much thought untill recently when I was tuning them in preparation for synthfest and had one of those moments.
It's probably because I have been looking into music theory more (apparently some of it did get through to my brain) that I realised what I was doing.
This has to do with the seven major modes and when I change the pitch I basically just cycle through these modes.
The modes being: IONIAN-DORIAN-PHRYGIAN-LYDIAN-MIXOLYDIAN-AEOLIAN-LOCRIAN-IONIAN.
For example:
- If I just tune the first key to a C I get the standard C Major (IONIAN) scale. C IONIAN uses the same notes as D DORIAN, E PHRYGIAN, F LYDIAN,
G MIXOLYDIAN, A AEOLIAN and B LOCRIAN. So I can play all these scales when tuned to C Major.
- If I tune the first key to an F then I get an F IONIAN scale. F IONIAN uses the same notes as G DORIAN, A PHRYGIAN, A#/Bb LYDIAN, C MIXOLYDIAN,
D AEOLIAN and E LOCRIAN. So I can now play all these scales when tuned to F Major.
In other words by changing the pitch I can actually get all the major modes for all 12 notes.
note that this wouldn't really work well with a normal keyboard layout that has 12 keys for an octave. You could still change the pitch so that you
can play all those scales using just the white keys but then the keys will no longer be assigned to the notes they normally are which might get confusing.
I put the information in a spreadsheet* so if I now want to tune one of those keyboards to a certain scale I can just lookup how to tune it using different
notes as a reference. for example if I want a B MIXOLYDIAN scale I can get it by tuning the 5th key to a B or the first key to an E or the 4th key to an A, etc..
I'll see if I can convert the spreadsheet to an image and attach it here which makes it easier to see what I mean.
One thing I thought about after this was that for a future keyboard build it could be useful to have a rotary switch to change the pitch in semitones and a
pot for fine tuning to make it easier to change scales. I believe some VCO's actually have this feature aswell. That also got me thinking about the chromatic
melody generator. (I am getting to the point). For the current design it's probably not much use to implement some extra tuning feature as it does have
all 12 notes and a standard keyboard layout. Having said that I have thought about it several times to program an EPROM that can basically work as a
quantizer so that it will only play notes of a certain scale. The method I use now is to just mute the unwanted notes with the switches but of course that
means that if one of those notes get selected you get silence, With a quantizer it would just play another note instead.
This also got me thinking about a different design that is like a combination of 2 chromatic melody generators but would only be able to play 7 different
notes. Creating only 7 notes should be easier to do and with a lower clock frequency and by changing this frequency you can get all those scales again.
You could use another CMG to create the clock frequency but then you run into a problem and of course that would be nonsene anyway since it makes
things more complex with a limited result. The problem is that you will need an even higher frequency to start with and I believe it's currently already
in the MHz range or close to it. So although what you suggest would work in theory you'll need a very high frequency to begin with.
Another option would be to use a high frequency VCO with a mux and trimpots to create the semitones and use that as a clock but that would require fine
tuning for each of the 12 notes and if it drifts everything gets out of tune. Which is the reason behind this melody generator design; the notes are always in
tune with eachother and you only need 1 global tuning control.
Still there might be something to it,..
* The order of the modes do correspond with the keys so If I can memorize that I shouldn't really need the spreadsheet. For example the 6th key
corresponds with the AEOLIAN mode so whatever I tune that key to would be the root note of an AEOLIAN scale. But I am used to a different order
which makes more sense to me both in how they sound and how they differ from eachother. I think that order is also related to the circle of 5ths.
There is a great video about it here https://www.youtube.com/watch?v=KiEoJjWlGMY
| Description: |
toy keyboard tuning numbers correspond with the keys of the Lun-A-Key, colors with the Bay-B-Key. |
|
| Filesize: |
171.1 KB |
| Viewed: |
211 Time(s) |
| This image has been reduced to fit the page. Click on it to enlarge. |

|
_________________ "My perf, it's full of holes!"
http://phobos.000space.com/
SoundCloud BandCamp MixCloud Stickney Synthyards Captain Collider Twitch YouTube |
|
|
Back to top
|
|
 |
L´Andratté

Joined: Sep 23, 2012 Posts: 151 Location: Hamburg, Germany
Audio files: 5
|
Posted: Thu Oct 14, 2021 2:43 am Post subject:
|
 |
|
Thanks for answering, Phobos!
Great video, I´ll need to make it to the evening to really digest it, also to most of your writing, so maybe I´ll add to the answer later.
4046: 50p minimum capacitance, 30 p expected input capacitance, so that´s probably why you selected 22p, not a welcoming direction.
While for the rootnote only one octave is needed obviously.
Best way of course to try it but I´m time-challenged at the mo
note gaps: I see that as a feature since this is about making it simple, nothing more idiotic sounding than endless row of notes, the gaps are part of what makes it a melody. Of course this is achieved with gating a quantizer but that´s a layer of compexity I would like to skip
modes: I´m well acquited with them, sometimes can be kind of brainfxxx, but quite simple concept in the end. It is often helpful instead of calling it C,D,F#, etc. to call I,II,#IV, etc. to preserve relations but skip actual frequency which is irrelevant
CMG: since I don´t have 4067 on hand and it seems expensive (8EU at Banzai at least) I was planning to use a 4051 anyway and switch channels between notes I don´t want to have in a scale anyway, staying diatonic (like switching
I (on/off), bII/II (on/off/on), bIII/III (on/off/on), etc. since e.g. I don´t need a major and minor third in the scale at the same time) |
|
|
Back to top
|
|
 |
PHOBoS

Joined: Jan 14, 2010 Posts: 5883 Location: Moon Base
Audio files: 709
|
Posted: Thu Oct 14, 2021 2:32 pm Post subject:
|
 |
|
| Quote: | 4046: 50p minimum capacitance, 30 p expected input capacitance, so that´s probably why you selected 22p, not a welcoming direction.
While for the rootnote only one octave is needed obviously.
Best way of course to try it but I´m time-challenged at the mo |
yeah, it's already pushing it beyond specs a bit. The 74HCT4046 would be more suitable and get to a higher frequency but since I am running things of
12V that wasn't an easy option for me. Of course there are other high frequency oscillator circuits that could be used instead but you also have to
keep an eye on what the other chips are capable of and using a 74HCT4040 wouldn't be a bad idea either.
You do indeed only need one octave but to get anything audible at the end it still needs to be very high because of all the divisions. One thing that
I did wonder about and what might make it possible is that with only 7 notes there might be a way to use a lower frequency since you don't need that
many divisions. If you look at the pentatonic example I wrote down on page 1 the max division is 45 (or even 16) while the CMG has a max division
of 478 so for that one the clk speed could be /10 for the same range.
| Quote: | | note gaps: I see that as a feature since this is about making it simple, nothing more idiotic sounding than endless row of notes, the gaps are part of what makes it a melody. Of course this is achieved with gating a quantizer but that´s a layer of compexity I would like to skip |
yes, the silence between the notes is definitely useful and makes things more interesting. Of course it could also be done in a similar way as I am
muting notes now with the switches,. so instead of quantizing to play a different note, don't play a note. The thing is that because of the way the
notes are selected on the CMG it is not very suitable to create a certain melody that you come up with like you might do with a sequencer. It is a
lot less predictable which is also what I love about it. Most of the time I connect it to my fibonacci sequence generator since that one has enough
outputs and they are located close together thus easy to connect. The problem can be that you end up with a lot of unwanted notes in succession
and if those are all muted you'd get long gaps. But often I can mess around with the settings on the fibonacci generator and change the order of the
connections to solve this.
| Quote: | | modes: I´m well acquited with them, sometimes can be kind of brainfxxx, but quite simple concept in the end. It is often helpful instead of calling it C,D,F#, etc. to call I,II,#IV, etc. to preserve relations but skip actual frequency which is irrelevant |
That's not a bad idea. One thing I find difficult is translating it to a standard keyboard layout, it would be easier if all the keys are the same (no black
and white keys) but that is of course not very practical to play.
| Quote: | CMG: since I don´t have 4067 on hand and it seems expensive (8EU at Banzai at least) I was planning to use a 4051 anyway and switch channels between notes I don´t want to have in a scale anyway, staying diatonic (like switching
I (on/off), bII/II (on/off/on), bIII/III (on/off/on), etc. since e.g. I don´t need a major and minor third in the scale at the same time) |
I'm glad you mentioned that as I already forgot I had thought about that, at least I think it's the same idea and was based on the video I linked.
If you start with an Ionian scale and change the 7th note to one semitone lower you get a Mixolydian scale, if you also change the 3rd you get a
Dorian scale etc,.. So yeah just by making it possible to switch the notes you could get all the major modes. If you add some sort of priority
encoding it can be done so that if for example you lower the 6th it will also lower the 3rd and 7th to get an Aeolian scale. _________________ "My perf, it's full of holes!"
http://phobos.000space.com/
SoundCloud BandCamp MixCloud Stickney Synthyards Captain Collider Twitch YouTube |
|
|
Back to top
|
|
 |
|