| Author |
Message |
DUBmatze

Joined: Feb 18, 2013 Posts: 150 Location: south Germaica (schwabilon)
|
Posted: Mon Nov 04, 2013 10:20 am Post subject:
cmos based Dubsiren Subject description: Siren alongside cmos |
 |
|
the classic Dubsiren is a design with 2* LM555.
Today i finished my "lunettastyle" Siren with cmos. (4093, 4046)
here is a quick video (sorry not the best sound quality)
|
|
|
Back to top
|
|
 |
PHOBoS

Joined: Jan 14, 2010 Posts: 5883 Location: Moon Base
Audio files: 709
|
Posted: Mon Nov 04, 2013 12:09 pm Post subject:
|
 |
|
nice one
I did spot one small mistake in the schematic, the power pins for the CD4093 should be 7 and 14. Since you have one spare NAND it could be used to
make another oscillator. If you connect it to pin 5 of the 4046 you can modulate the VCO (on/off), or if you connect it to pin 14, short pins 3 and 4
and take the ouput from pin 2 you will get a ringmod signal of the VCO and the oscillator. not sure if that's a sound usefull for a dub siren though,
and you allready have it build in a nice box anyway.  _________________ "My perf, it's full of holes!"
http://phobos.000space.com/
SoundCloud BandCamp MixCloud Stickney Synthyards Captain Collider Twitch YouTube |
|
|
Back to top
|
|
 |
DUBmatze

Joined: Feb 18, 2013 Posts: 150 Location: south Germaica (schwabilon)
|
Posted: Mon Nov 04, 2013 1:08 pm Post subject:
|
 |
|
Thanks Phobos,
i uploaded a corected version.
Switching the osc on and off i tryed two devices earlier - i wasnt happy with it:
the ringmodthing is somthing for my modular Lunetta i think ... |
|
|
Back to top
|
|
 |
commathe

Joined: Jul 26, 2013 Posts: 153 Location: Beijing
Audio files: 5
|
Posted: Mon Nov 04, 2013 7:15 pm Post subject:
|
 |
|
| the LFO speed/LFO style section looks really interesting. How does it work? |
|
|
Back to top
|
|
 |
DUBmatze

Joined: Feb 18, 2013 Posts: 150 Location: south Germaica (schwabilon)
|
Posted: Tue Nov 05, 2013 7:56 am Post subject:
|
 |
|
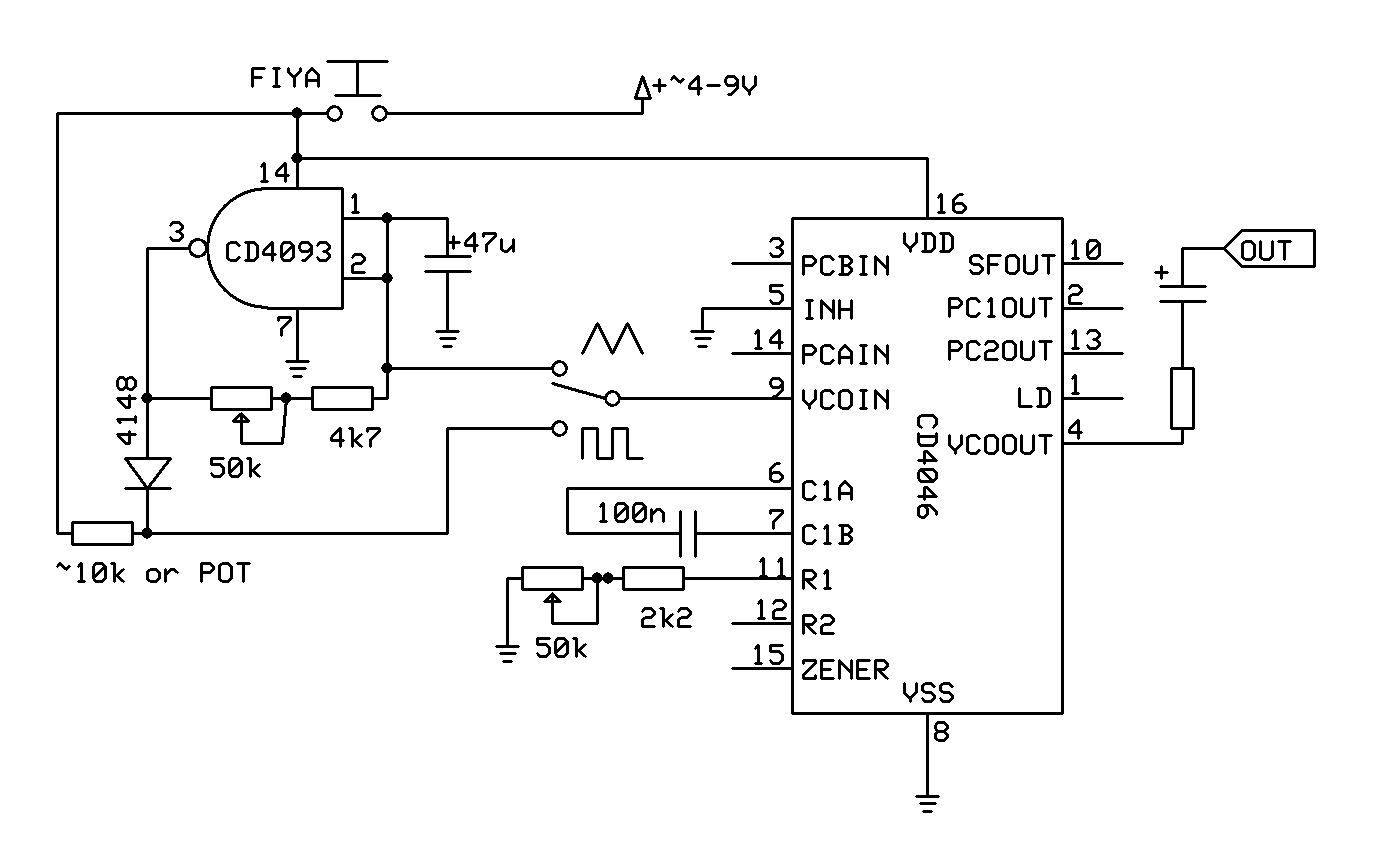
Hello commathe,
my plan was feeding the 4046 with a triangle voltage to get the classic "ni-no-ni-no" sound (like my 2 years old son say).
So i grab the voltage on the input of the 4093 oscillator. While i am breadboarding this i notice when i connect somthing to the output or input of the oscillator it destroy the geometry of the triangle. so i keep trying with different duty cycle circuits. (i.e. http://electro-music.com/forum/topic-47266.html)
After some trys i added a pulldown resistor (91k) to the input. Now the pots called "LFO Speed" and "LFO Style" change the frequency of the LFO. "LFO speed" gives the bigest amount of frequency change, but i need to adjust the duty cycle with "LFO Style" to stay at the "ni-no-ni-no"-sound. othewise i get a slower "iou-iou-iou-iou"- or a faster "di-di-di-di"-sound.
I think the "ni-no" is a /\/\ at the input of the 4046. the "iou-iou" is more like /|/| (raising ramp) and the "di-di" is more like |\|\ (falling ramp). that all happens because the load at the input of the 4093 prevent the cap from loading "normal".
Maybe a stereo pot with two diffrerent resistors and diodes will help here to stay always at a triangle. -> but i like the 2 pots at the siren
maybe some1 else can explain it better. |
|
|
Back to top
|
|
 |
commathe

Joined: Jul 26, 2013 Posts: 153 Location: Beijing
Audio files: 5
|
Posted: Tue Nov 05, 2013 6:26 pm Post subject:
|
 |
|
| Awesome! Thanks for the explanation! I hope to breadboard me up one of these soon! |
|
|
Back to top
|
|
 |
DUBmatze

Joined: Feb 18, 2013 Posts: 150 Location: south Germaica (schwabilon)
|
Posted: Sat Nov 09, 2013 6:46 am Post subject:
|
 |
|
Till at the conntrols:
|
|
|
Back to top
|
|
 |
schmelfhelp

Joined: Apr 15, 2012 Posts: 26 Location: Magdanjin
|
Posted: Mon Sep 01, 2014 1:25 pm Post subject:
|
 |
|
I've been trying to make this circuit but not much luck. so far I'm just getting a tone with 2 of the knobs not really doing much. I was wondering what diodes you are using?
cheers |
|
|
Back to top
|
|
 |
DUBmatze

Joined: Feb 18, 2013 Posts: 150 Location: south Germaica (schwabilon)
|
|
|
Back to top
|
|
 |
schmelfhelp

Joined: Apr 15, 2012 Posts: 26 Location: Magdanjin
|
Posted: Tue Sep 02, 2014 5:57 am Post subject:
|
 |
|
Thanks! I'll give that a try.
I found a cached version of the schematic. |
|
|
Back to top
|
|
 |
schmelfhelp

Joined: Apr 15, 2012 Posts: 26 Location: Magdanjin
|
Posted: Wed Sep 03, 2014 2:58 pm Post subject:
|
 |
|
so that worked better but i could only get sound to work for the square wave when I don't have a resistor running to +
How does the logic work when input 1+2 are tied together?
Cheers |
|
|
Back to top
|
|
 |
PHOBoS

Joined: Jan 14, 2010 Posts: 5883 Location: Moon Base
Audio files: 709
|
Posted: Wed Sep 03, 2014 4:14 pm Post subject:
|
 |
|
| schmelfhelp wrote: | | so that worked better but i could only get sound to work for the square wave when I don't have a resistor running to + |
hmm looks like the diode needs to be reversed for that to work.
| Quote: | | How does the logic work when input 1+2 are tied together? |
just as an inverter.
You can also tie one leg to + which improves the schmitt trigger function.
At least that's what I remember reading somehwhere. _________________ "My perf, it's full of holes!"
http://phobos.000space.com/
SoundCloud BandCamp MixCloud Stickney Synthyards Captain Collider Twitch YouTube |
|
|
Back to top
|
|
 |
schmelfhelp

Joined: Apr 15, 2012 Posts: 26 Location: Magdanjin
|
Posted: Wed Sep 03, 2014 4:22 pm Post subject:
|
 |
|
thanks! i'll give that a go with the diode. It's sounding pretty nice, one siren type sound and then a modulated sound which is true to your diagram.
I also just tried adding in the parts like the first circuit diagram. I'm not having much luck with it. are the second and third inverters just to operate the LED?
Also what is the purpose of the 1000u cap? again, it's not doing anything much for me at the moment. might give the first circuit a fresh go in the morning.
Cheers |
|
|
Back to top
|
|
 |
DUBmatze

Joined: Feb 18, 2013 Posts: 150 Location: south Germaica (schwabilon)
|
Posted: Thu Sep 04, 2014 5:16 am Post subject:
|
 |
|
| schmelfhelp wrote: | | How does the logic work when input 1+2 are tied together? |
| Code: | A B = Y
1 1 = 0
0 0 = 1 |
so this is just a Inverter. (like 6x in the 40106)
| schmelfhelp wrote: | | so that worked better but i could only get sound to work for the square wave when I don't have a resistor running to + |
when you dont use the Resistor to + you shud get a Squarewave with 0 - 5 Volts. The 4046 dont produce a Sound with 0V at CVin (pin 9). So you hear a wee --- wee --- wee sound (sound on, Sound off, Sound on ....). the resistor to + shud make the CV somthing like 1-5V. so you hear a high sound - low sound - high sound. (wee mhh wee mhh). when the output of the NAND Output is low ..... the diode just prevent the Voltage behind the resistor shorted to ground....
check this Sound sample:
|
|
|
Back to top
|
|
 |
DUBmatze

Joined: Feb 18, 2013 Posts: 150 Location: south Germaica (schwabilon)
|
Posted: Thu Sep 04, 2014 5:19 am Post subject:
|
 |
|
| ups maybe 10k is a bit low try 100, 200k or so ..... |
|
|
Back to top
|
|
 |
DUBmatze

Joined: Feb 18, 2013 Posts: 150 Location: south Germaica (schwabilon)
|
Posted: Thu Sep 04, 2014 5:28 am Post subject:
|
 |
|
mhm iam to slow.....
| schmelfhelp wrote: | | Also what is the purpose of the 1000u cap? again, it's not doing anything much for me at the moment. might give the first circuit a fresh go in the morning. |
the 1000u cap makes the Siren like a Air Siren ..... so when u release the button it keeps running and the pitch is going slow down..... |
|
|
Back to top
|
|
 |
kip
Joined: Jan 23, 2017 Posts: 6 Location: UK
|
Posted: Tue Nov 28, 2017 10:11 am Post subject:
|
 |
|
I finally got some cd4093BE chips. (long wait, dont ask.)
I tried breadboarding just the oscillator at +9v.
For some reason it isnt working.
pin
14=+7v
7=0v
1=3v4
2=3v4
3=3v4
This is my first time with this chip.
I was wondering if the project is verfied or any ammendments have been made to the circuit.
I was expecting a nice freqauncy range from low to high. but when I turn the pot it seems the gain is altered not the freqauncy.
please help.
Thanks
Rich Last edited by kip on Tue Nov 28, 2017 10:56 am; edited 1 time in total |
|
|
Back to top
|
|
 |
kip
Joined: Jan 23, 2017 Posts: 6 Location: UK
|
Posted: Tue Nov 28, 2017 10:13 am Post subject:
|
 |
|
| DUBmatze wrote: | mhm ... my webserver is down.... (maybe you can upload the shematic to this forum)
i have used 1n4148 for this.
If you only get a permanent tone the LFO isnt working.
Try this LFO section: |
Above post ref this schematic. |
|
|
Back to top
|
|
 |
strato54s
Joined: Mar 03, 2014 Posts: 3 Location: france
|
Posted: Wed Mar 21, 2018 1:22 am Post subject:
|
 |
|
Hi there
This synth siren is so cool I really want to make one
Please someone has the schematic of this post and the part list please. |
|
|
Back to top
|
|
 |
|