| Author |
Message |
vladosh

Joined: Aug 02, 2010 Posts: 678 Location: macedonia
Audio files: 51
|
Posted: Sun Jan 27, 2013 5:39 am Post subject:
Schematics Vault |
 |
|
Thought if this is a good idea ,but if it's not guess it's gonna be just berried somewhere in the forum , so many schematics are scattered all over the forum so i figured it'd be nice if there is a thread like this , this is the only rule : each post is a schematic in some picture format , a layout if there is one ,info on the project , confirmation if you've built it already or anyone else . This can be worth only if everyone contributes with a schematic and layout so ..to put all together . Maybe on second thought hunting for a circuit in a threads older then few years may be fun . Here are few layouts and Schematics for Start .
Cheers
Vlad
Note on Copyright : electro-music.com always respected the great amount of work, effort and time invested by individuals in making a better synthesizer ,better designs . One can be only grateful that folks who spent their lifetimes in electronics are willing to share their knowledge and findings with the public . This thread will only try to serve as a wider reference to synthesizer schematics for better understanding or for inspiration for the next module .You can PM me if you don't want your work here . Last edited by vladosh on Sat Feb 02, 2013 12:28 pm; edited 4 times in total |
|
|
Back to top
|
|
 |
vladosh

Joined: Aug 02, 2010 Posts: 678 Location: macedonia
Audio files: 51
|
Posted: Sun Jan 27, 2013 5:46 am Post subject:
|
 |
|
This filter is a clone of the famous vintage russian analog synthetiser named .Inside this synth there is an incredible and very original filter invented by Vladimir Kuzmin. Please visit his web site at http://www.muztech.com . It is a Lowpass ( LP) and Bandpass (BP) voltage controled filter with a special design and sound . A Vodka filter...The clone contains only cheap common parts, and it is very simple to build... No calibration trimmers or accurate tempco stages required, it is not the spirit of this beast from the far East ...
Unlike most of Voltage controled analog filters who use a combination of a fixed capacitor with a variable resistor element ( OTA, opto,etc..) the filter core here is just a pair of programmable low power operational amplifiers ( PLPOA?). At first sight, it look like a classic SVF but with a difference: there is no capacitors ! CV modulations are applied on the current setting pin (Iset) to reduce or increase the GainBandwith of the aop who act as a variable time constant RC element. It is a 12dB filter. Sound as well. A bit wild at extreme Q, remind a little bit the Korg MS20 on this point . Frequency modulation on CV inputs work well with this filter!
Schematics
The vintage schematic has been sligthly adapted to modern modular synthesizer standarts
Added output amplifier-buffer stages for both outputs with a gain of 11, because the audio level on outputs is rather low .
The vintage filter was powered with +/-12.5V. The clone can also work under +/-15V .
CVs calibrated because programmable aop have a range for the Iset pin were they work fine.
Added a reversible cutoff frequency CV attenuator (option)
A fixed attenuator ( 100k ajustable pot ) added to the audio input jack to avoid overload
This the thread on the Forum ,the layout is built and confirmed Sebo : http://www.electro-music.com/forum/topic-47831.html
| Description: |
|
| Filesize: |
102.93 KB |
| Viewed: |
1591 Time(s) |
| This image has been reduced to fit the page. Click on it to enlarge. |

|
| Description: |
|
| Filesize: |
48.4 KB |
| Viewed: |
1596 Time(s) |
| This image has been reduced to fit the page. Click on it to enlarge. |

|
| Description: |
|
| Filesize: |
271.5 KB |
| Viewed: |
3107 Time(s) |
| This image has been reduced to fit the page. Click on it to enlarge. |

|
|
|
|
Back to top
|
|
 |
vladosh

Joined: Aug 02, 2010 Posts: 678 Location: macedonia
Audio files: 51
|
|
|
Back to top
|
|
 |
vladosh

Joined: Aug 02, 2010 Posts: 678 Location: macedonia
Audio files: 51
|
|
|
Back to top
|
|
 |
vladosh

Joined: Aug 02, 2010 Posts: 678 Location: macedonia
Audio files: 51
|
Posted: Sun Jan 27, 2013 6:04 am Post subject:
|
 |
|
Arp Axxe VCO , Clone by EFM ,the layout and design is built and confirmed working on the following thread : http://www.electro-music.com/forum/topic-47625.html
| Description: |
|
| Filesize: |
2.89 MB |
| Viewed: |
2510 Time(s) |
| This image has been reduced to fit the page. Click on it to enlarge. |

|
| Description: |
|
| Filesize: |
199.42 KB |
| Viewed: |
1494 Time(s) |
| This image has been reduced to fit the page. Click on it to enlarge. |

|
|
|
|
Back to top
|
|
 |
vladosh

Joined: Aug 02, 2010 Posts: 678 Location: macedonia
Audio files: 51
|
|
|
Back to top
|
|
 |
vladosh

Joined: Aug 02, 2010 Posts: 678 Location: macedonia
Audio files: 51
|
|
|
Back to top
|
|
 |
vladosh

Joined: Aug 02, 2010 Posts: 678 Location: macedonia
Audio files: 51
|
Posted: Sun Jan 27, 2013 7:22 am Post subject:
|
 |
|
Buchla 194 Fixed Filter ,redrawn by Marjan Urekar , stripboard layout by Nardu from this thread : http://www.electro-music.com/forum/post-377289.html#377289
| Description: |
|
| Filesize: |
370 KB |
| Viewed: |
1988 Time(s) |
| This image has been reduced to fit the page. Click on it to enlarge. |

|
| Description: |
|
| Filesize: |
207.86 KB |
| Viewed: |
1482 Time(s) |
| This image has been reduced to fit the page. Click on it to enlarge. |

|
|
|
|
Back to top
|
|
 |
vladosh

Joined: Aug 02, 2010 Posts: 678 Location: macedonia
Audio files: 51
|
Posted: Sun Jan 27, 2013 8:48 am Post subject:
|
 |
|
Hip Bass drum by Craig Anderton
| Description: |
|
| Filesize: |
604.93 KB |
| Viewed: |
1641 Time(s) |
| This image has been reduced to fit the page. Click on it to enlarge. |

|
| Description: |
|
| Filesize: |
1.21 MB |
| Viewed: |
2192 Time(s) |
| This image has been reduced to fit the page. Click on it to enlarge. |

|
| Description: |
|
 Download (listen) |
| Filename: |
hip_bass_drum_pcb_205.bmp |
| Filesize: |
347.52 KB |
| Downloaded: |
1429 Time(s) |
| Description: |
|
 Download (listen) |
| Filename: |
hip_bass_drum_layout_200.bmp |
| Filesize: |
86.97 KB |
| Downloaded: |
1429 Time(s) |
|
|
|
Back to top
|
|
 |
vladosh

Joined: Aug 02, 2010 Posts: 678 Location: macedonia
Audio files: 51
|
|
|
Back to top
|
|
 |
vladosh

Joined: Aug 02, 2010 Posts: 678 Location: macedonia
Audio files: 51
|
Posted: Sun Jan 27, 2013 9:06 am Post subject:
|
 |
|
Maestro Universal Filter clone by EFM
| Description: |
|
| Filesize: |
1.32 MB |
| Viewed: |
1480 Time(s) |
| This image has been reduced to fit the page. Click on it to enlarge. |

|
| Description: |
|
| Filesize: |
592.19 KB |
| Viewed: |
1942 Time(s) |
| This image has been reduced to fit the page. Click on it to enlarge. |

|
|
|
|
Back to top
|
|
 |
vladosh

Joined: Aug 02, 2010 Posts: 678 Location: macedonia
Audio files: 51
|
|
|
Back to top
|
|
 |
vladosh

Joined: Aug 02, 2010 Posts: 678 Location: macedonia
Audio files: 51
|
|
|
Back to top
|
|
 |
vladosh

Joined: Aug 02, 2010 Posts: 678 Location: macedonia
Audio files: 51
|
|
|
Back to top
|
|
 |
vladosh

Joined: Aug 02, 2010 Posts: 678 Location: macedonia
Audio files: 51
|
|
|
Back to top
|
|
 |
vladosh

Joined: Aug 02, 2010 Posts: 678 Location: macedonia
Audio files: 51
|
|
|
Back to top
|
|
 |
vladosh

Joined: Aug 02, 2010 Posts: 678 Location: macedonia
Audio files: 51
|
|
|
Back to top
|
|
 |
vladosh

Joined: Aug 02, 2010 Posts: 678 Location: macedonia
Audio files: 51
|
Posted: Tue Jan 29, 2013 2:03 am Post subject:
|
 |
|
Buchla 218 Slew from this topic : http://www.electro-music.com/forum/topic-19064.html layout provided by vtl5c3
| Description: |
|
| Filesize: |
258.49 KB |
| Viewed: |
1343 Time(s) |
| This image has been reduced to fit the page. Click on it to enlarge. |

|
| Description: |
|
| Filesize: |
276.41 KB |
| Viewed: |
1280 Time(s) |
| This image has been reduced to fit the page. Click on it to enlarge. |

|
| Description: |
|
| Filesize: |
174.78 KB |
| Viewed: |
1436 Time(s) |
| This image has been reduced to fit the page. Click on it to enlarge. |

|
|
|
|
Back to top
|
|
 |
vladosh

Joined: Aug 02, 2010 Posts: 678 Location: macedonia
Audio files: 51
|
|
|
Back to top
|
|
 |
vladosh

Joined: Aug 02, 2010 Posts: 678 Location: macedonia
Audio files: 51
|
|
|
Back to top
|
|
 |
vladosh

Joined: Aug 02, 2010 Posts: 678 Location: macedonia
Audio files: 51
|
Posted: Tue Jan 29, 2013 2:59 am Post subject:
|
 |
|
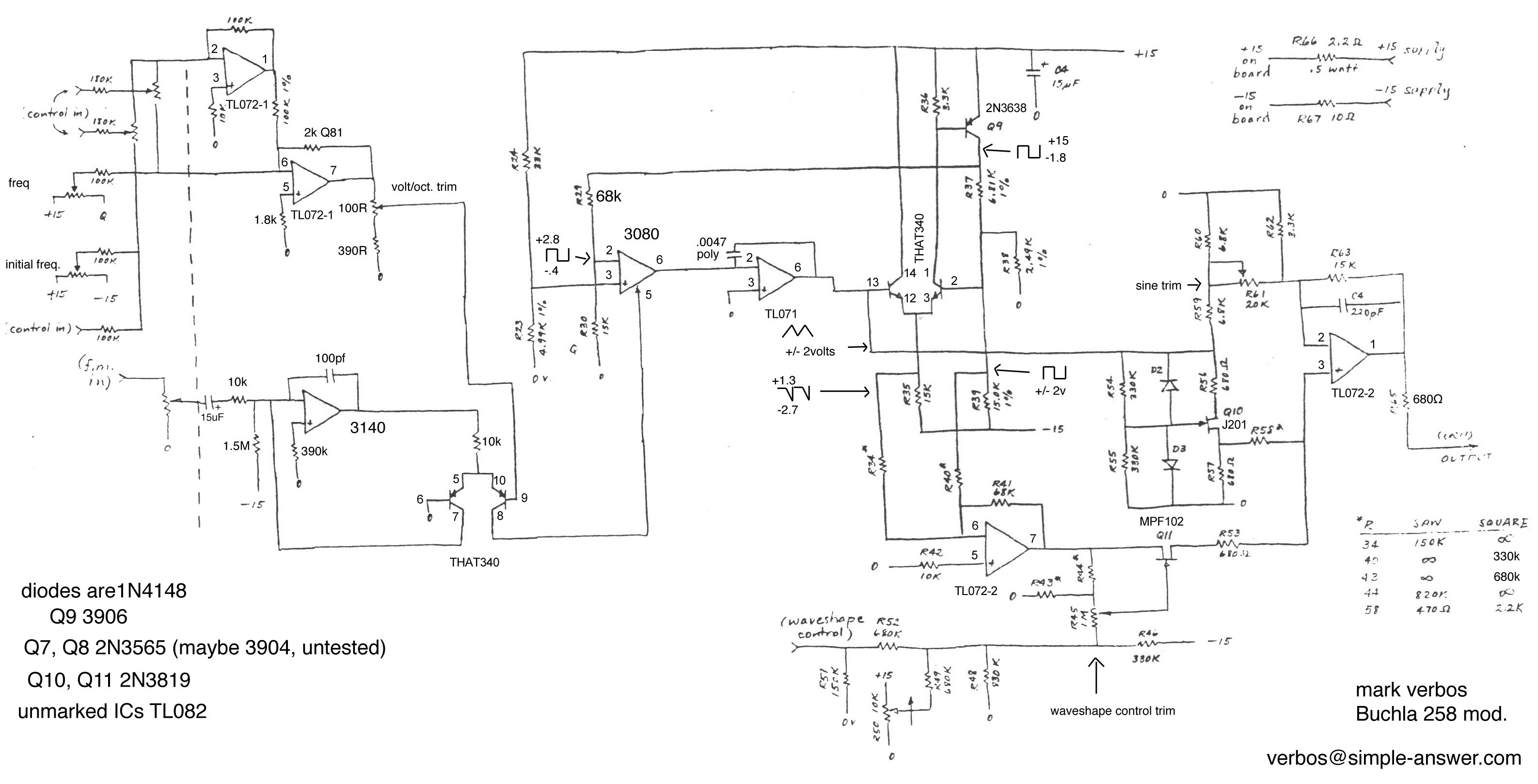
Buchla 258 VCO ,layout original by Mark Verbos ,modified Layout by L1 ,the topic is here : http://srv3.electro-music.com/forum/topic-16502-125.html
| Description: |
|
| Filesize: |
852.47 KB |
| Viewed: |
1693 Time(s) |
| This image has been reduced to fit the page. Click on it to enlarge. |

|
| Description: |
|
| Filesize: |
492.29 KB |
| Viewed: |
1462 Time(s) |
| This image has been reduced to fit the page. Click on it to enlarge. |

|
| Description: |
|
| Filesize: |
471.15 KB |
| Viewed: |
2824 Time(s) |
| This image has been reduced to fit the page. Click on it to enlarge. |

|
|
|
|
Back to top
|
|
 |
vladosh

Joined: Aug 02, 2010 Posts: 678 Location: macedonia
Audio files: 51
|
Posted: Tue Jan 29, 2013 9:17 am Post subject:
|
 |
|
Grant Richter's Wogglebug ,layout by vtl5c3 ,the whole topic is here : http://electro-music.com/forum/topic-14064-25.html
| Description: |
|
| Filesize: |
911.4 KB |
| Viewed: |
1831 Time(s) |
| This image has been reduced to fit the page. Click on it to enlarge. |

|
| Description: |
|
| Filesize: |
470.66 KB |
| Viewed: |
1338 Time(s) |
| This image has been reduced to fit the page. Click on it to enlarge. |

|
| Description: |
|
| Filesize: |
229.03 KB |
| Viewed: |
1374 Time(s) |
| This image has been reduced to fit the page. Click on it to enlarge. |

|
|
|
|
Back to top
|
|
 |
vladosh

Joined: Aug 02, 2010 Posts: 678 Location: macedonia
Audio files: 51
|
Posted: Tue Jan 29, 2013 10:13 am Post subject:
|
 |
|
BUCHLAesque - Voltage Processor by Fonitronik and originally based on a Chris MacDonald design modified by Peter Grenader .From Fonik's site : This module incorporates two buchlaidian types of voltage and audio processing.
The CD processor is designed to give Buchlidian type processing for control voltages. Two channels, both with manual +/-processing, offset & glide controls. This circuit was originally based on a Chris MacDonald design modified by Peter Grenader. Besides some minor changes i incorporated a lag pot, a trimmer for calibration of a center taped pot (+/-processing) and there's a resistor missing in the original schematic to bring the LEDs to live.
BTW wiring the offset pot between the supply rails gives you the possibility of negative offset, too... link : http://www.modular.fonik.de/Page15.html
| Description: |
|
| Filesize: |
725.61 KB |
| Viewed: |
1486 Time(s) |
| This image has been reduced to fit the page. Click on it to enlarge. |

|
| Description: |
|
| Filesize: |
309.27 KB |
| Viewed: |
1757 Time(s) |
| This image has been reduced to fit the page. Click on it to enlarge. |

|
| Description: |
|
| Filesize: |
320.37 KB |
| Viewed: |
1370 Time(s) |
| This image has been reduced to fit the page. Click on it to enlarge. |

|
| Description: |
|
| Filesize: |
150.49 KB |
| Viewed: |
1301 Time(s) |
| This image has been reduced to fit the page. Click on it to enlarge. |

|
|
|
|
Back to top
|
|
 |
vladosh

Joined: Aug 02, 2010 Posts: 678 Location: macedonia
Audio files: 51
|
|
|
Back to top
|
|
 |
vladosh

Joined: Aug 02, 2010 Posts: 678 Location: macedonia
Audio files: 51
|
|
|
Back to top
|
|
 |
|