| Author | 
Message | 
 
AlanP
 
 
  Joined: Mar 11, 2014 Posts: 746 Location: New Zealand 
Audio files: 41
  | 
 Posted: Thu Mar 01, 2018 2:47 pm    Post subject:
 | 
       | 
 
 
  | 
 
Is there a preferred vendor to order the Softpot from? (I'm thinking 500mm.)
 
 
I couldn't give a reference, but I vaguely remember an account of one vendor shipping a softpot after folding or creasing it to get it in the packaging. | 
 
  | 
| 
Back to top
 | 
 | 
 
  | 
 
elmegil
 
  
  Joined: Mar 20, 2012 Posts: 2179 Location: Chicago 
Audio files: 16
  | 
 Posted: Thu Mar 01, 2018 2:50 pm    Post subject:
 | 
       | 
 
 
  | 
 
| I can only speak for mouser; it was packaged appropriately, but they didn't have the 500mm, only a 750 or the shorter ones. | 
 
  | 
| 
Back to top
 | 
 | 
 
  | 
 
Psynth
 
 
  Joined: Jul 18, 2018 Posts: 34 Location: UK 
Audio files: 8
  | 
 Posted: Wed Sep 26, 2018 3:50 am    Post subject:
Really weird problem with Appendage | 
       | 
 
 
  | 
 
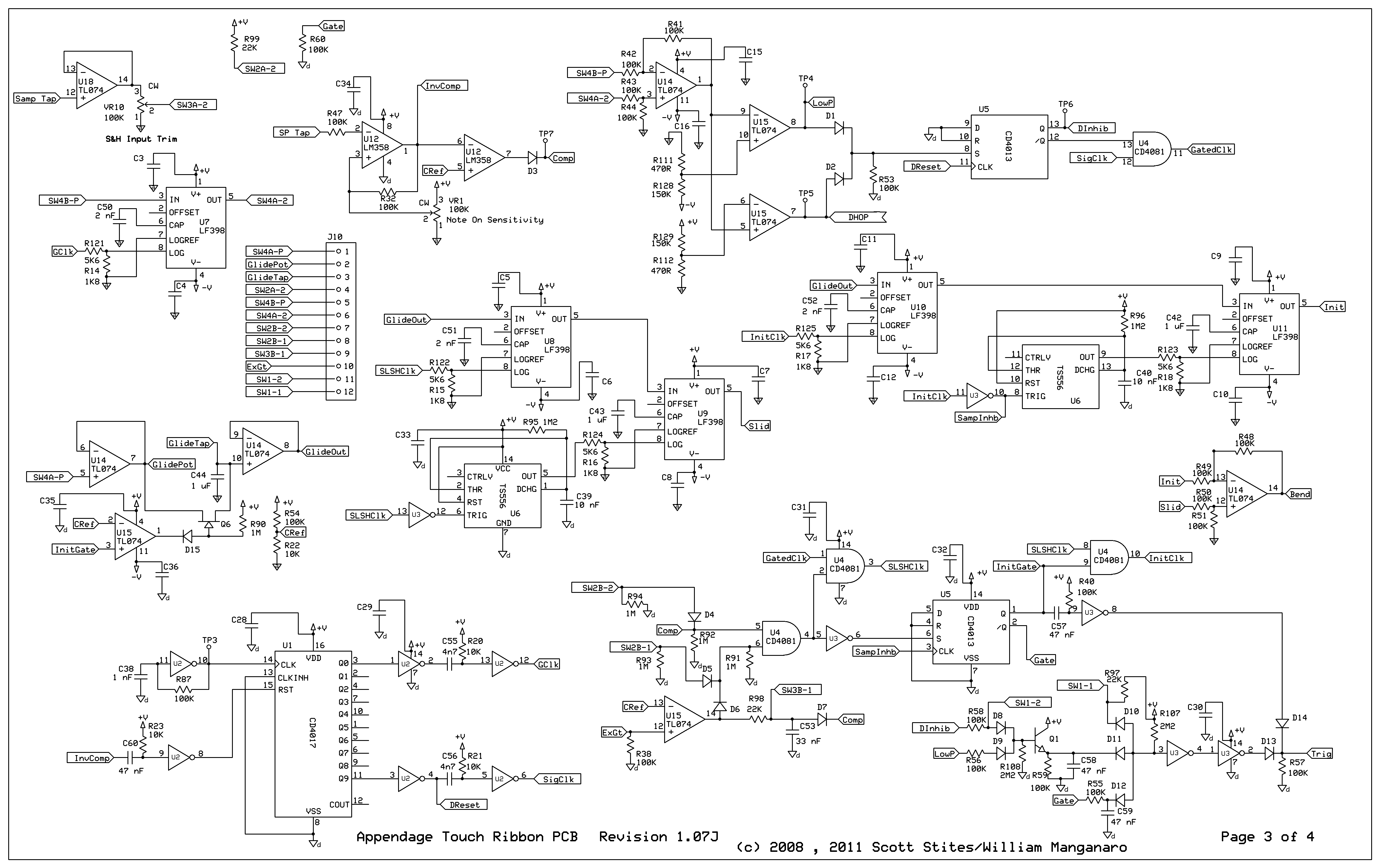
So, here’s the thing. I built the appendage on stripboard (don’t ask!), and it works completely – provided I warm the boards up with a hot air gun! The weird thing is, when it is cool (and depending on the ambient temperature), it works with the bottom couple of inches of the ribbon, but not higher up. As I warm the board up, the usable length of ribbon increases, until all functions work for the full length of the ribbon. Then, as it cools down, the top end ceases to function. (The usable length also increased slightly over time, presumably as current flowing in the circuit warms it up.)
 
I have traced the problem to the SLSHClk put out by AND gate U4 pin 3 (all references are to the 1.07J schematic, attached). The inputs to this gate, on pins 1 and 2 are the GatedClk, and, effectively, Comp – which goes high when the ribbon is pressed. I measure the GatedClk as a pulse with a frequency of about 1.1 kHz (my main clock runs at 11kHz), with the positive going pulse being 37us wide. That is present on pin 1 regardless of where, or whether, the ribbon is pressed, or the temperature. Likewise, pressing the ribbon, at any temperature and anywhere, makes Pin 2 go high. 
 
The output on Pin 3 SLSHClk, ought therefore, to be identical to the GatedClk, when the ribbon is pressed. Which it is – at the bottom end of the ribbon or when I warm the board. But at the higher end of the ribbon, pin 3 remains Low. In a transitional length of ribbon, pin 3 goes High with a 1.1kHz pulse, but the width of the pulse decreases over half an inch or so of ribbon from 37us down to less than 1us and then to nothing.
 
Since the output on U4 pin 3 also ultimately drives all the S&Hs, and the sample deinhibit, it makes sense that the absence of a SLSHClk would indeed mean no sample.
 
Been tearing my hair out over this one. Any help welcome!
 
I have swapped the 4081 in U4, to no avail. I am using ST HCF4081’s – not sure if using CD4081 would help? My other thought was that the SLSHClk signal is fed into pin 8 of U8  (LF398) via a voltage divider consisting of 5k6 and a 1k8 resistors. That means there is a 7k4 path to Ground, which assuming SLSHClk is at 12v (when High), would seem to mean U4 pin 3 has to source about 1.6mA. The datasheet for the HCF4081 says the maximum output drive current at 10v supply is typically 2.6mA, but could be as low as 1.1mA. At 15v supply, the minimum is 3.4mA and typical 6.8mA. (I’m not sure if these are per gate or total for the whole IC). So I am just wondering if my IC, at 12v supply, is just on the cusp of being able to supply the necessary current – and presumably if it is unable to do so, the gate won’t function properly. Quite why, or how, this depends on both temperature and the voltage sampled by the ribbon (which as far as I can see is not directly in the various clocking signal paths) is a mystery.
 
Is there any reason why the voltage divider on U8 pin 8 uses such low values? The LF398 doesn’t need any significant input current to that pin, so why not use, say 56k and 18k? That would reduce the load on the AND gate.
 
But maybe there is some other explanation? 
 
 
Thanks
 
Peter
 
(previously known here as prgdeltablues, but that account has stopped working for some reason)
  
 
 
|  Description: | 
 | 
  Download (listen) | 
 
|  Filename: | 
 appendage_pcb_schematic_rev107J_page 3.bmp | 
 
|  Filesize: | 
 1.77 MB | 
 
|  Downloaded: | 
 757 Time(s) | 
 
 
 
 | 
 
  | 
| 
Back to top
 | 
 | 
 
  | 
 
elmegil
 
  
  Joined: Mar 20, 2012 Posts: 2179 Location: Chicago 
Audio files: 16
  | 
 Posted: Wed Sep 26, 2018 8:27 am    Post subject:
 | 
       | 
 
 
  | 
 
| The first thing that occurs when you talk about heating up the board is solder joints.  Heat makes things expand and could complete connections that are otherwise dodgy.  Those are often hard to find by poking and probing because usually putting your meter probe onto something can *also* complete a dodgy connection..... | 
 
  | 
| 
Back to top
 | 
 | 
 
  | 
 
State Machine
 
Janitor
  
  
  Joined: Apr 17, 2006 Posts: 2810 Location: New York 
Audio files: 24
  | 
 Posted: Wed Nov 14, 2018 9:33 am    Post subject:
 | 
       | 
 
 
  | 
 
 	  | Quote: | 	 		  So, here’s the thing. I built the appendage on stripboard (don’t ask!), and it works completely – provided I warm the boards up with a hot air gun! The weird thing is, when it is cool (and depending on the ambient temperature), it works with the bottom couple of inches of the ribbon, but not higher up. As I warm the board up, the usable length of ribbon increases, until all functions work for the full length of the ribbon. Then, as it cools down, the top end ceases to function. (The usable length also increased slightly over time, presumably as current flowing in the circuit warms it up.) 
 
I have traced the problem to the SLSHClk put out by AND gate U4 pin 3 (all references are to the 1.07J schematic, attached). The inputs to this gate, on pins 1 and 2 are the GatedClk, and, effectively, Comp – which goes high when the ribbon is pressed. I measure the GatedClk as a pulse with a frequency of about 1.1 kHz (my main clock runs at 11kHz), with the positive going pulse being 37us wide. That is present on pin 1 regardless of where, or whether, the ribbon is pressed, or the temperature. Likewise, pressing the ribbon, at any temperature and anywhere, makes Pin 2 go high. 
 
The output on Pin 3 SLSHClk, ought therefore, to be identical to the GatedClk, when the ribbon is pressed. Which it is – at the bottom end of the ribbon or when I warm the board. But at the higher end of the ribbon, pin 3 remains Low. In a transitional length of ribbon, pin 3 goes High with a 1.1kHz pulse, but the width of the pulse decreases over half an inch or so of ribbon from 37us down to less than 1us and then to nothing. 
 
Since the output on U4 pin 3 also ultimately drives all the S&Hs, and the sample deinhibit, it makes sense that the absence of a SLSHClk would indeed mean no sample. 
 
Been tearing my hair out over this one. Any help welcome! 
 
I have swapped the 4081 in U4, to no avail. I am using ST HCF4081’s – not sure if using CD4081 would help? My other thought was that the SLSHClk signal is fed into pin 8 of U8 (LF398) via a voltage divider consisting of 5k6 and a 1k8 resistors. That means there is a 7k4 path to Ground, which assuming SLSHClk is at 12v (when High), would seem to mean U4 pin 3 has to source about 1.6mA. The datasheet for the HCF4081 says the maximum output drive current at 10v supply is typically 2.6mA, but could be as low as 1.1mA. At 15v supply, the minimum is 3.4mA and typical 6.8mA. (I’m not sure if these are per gate or total for the whole IC). So I am just wondering if my IC, at 12v supply, is just on the cusp of being able to supply the necessary current – and presumably if it is unable to do so, the gate won’t function properly. Quite why, or how, this depends on both temperature and the voltage sampled by the ribbon (which as far as I can see is not directly in the various clocking signal paths) is a mystery. 
 
Is there any reason why the voltage divider on U8 pin 8 uses such low values? The LF398 doesn’t need any significant input current to that pin, so why not use, say 56k and 18k? That would reduce the load on the AND gate. 
 
But maybe there is some other explanation?  | 	  
 
 
 
How did all work out? Did you get this working and if so, what was the remedy? I was starting to think the same thing that pin loading is the issue considering the inputs to the AND gate were the same always when working and not working. By design, there really has not been a loading problem on this gate and there have been many Appendages built. If you have not changed the chip to a CD4081, I would try that. If that does not work, then pull each chip that the signal feeds one by one and see if any of the these devices are causing the problem. 
 
 
Bill | 
 
  | 
| 
Back to top
 | 
 | 
 
  | 
 
Psynth
 
 
  Joined: Jul 18, 2018 Posts: 34 Location: UK 
Audio files: 8
  | 
 Posted: Sun Nov 18, 2018 10:42 am    Post subject:
 | 
       | 
 
 
  | 
 
Hi,
 
thanks for the response. Been moving house, so not been able to work on synth recently. I've sort of parked this problem for a while - the board is a fiendish triple stacked stripboard with a rats nest of wires to the panel - not easy to get at components. But I think I can disconnect the output of the 4081, which should allow me to test the 'load' theory.
 
 
Peter | 
 
  | 
| 
Back to top
 | 
 | 
 
  | 
 
State Machine
 
Janitor
  
  
  Joined: Apr 17, 2006 Posts: 2810 Location: New York 
Audio files: 24
  | 
 Posted: Sun Nov 18, 2018 3:25 pm    Post subject:
 | 
       | 
 
 
  | 
 
OK Peter, I'll be watching the posts. Get settled in and I guess we'll hear from ya!   
 
 
Standing by 
 
Bill | 
 
  | 
| 
Back to top
 | 
 | 
 
  | 
 
AlanP
 
 
  Joined: Mar 11, 2014 Posts: 746 Location: New Zealand 
Audio files: 41
  | 
 Posted: Sat Dec 15, 2018 5:32 pm    Post subject:
 | 
       | 
 
 
  | 
 
 
 
 
 
 
Still need to order a few components, but almost done  
 
 
One of the pots for the front panel had a shorter shaft than the others, so I put it on the input attenuator at the bottom. | 
 
  | 
| 
Back to top
 | 
 | 
 
  | 
 
elmegil
 
  
  Joined: Mar 20, 2012 Posts: 2179 Location: Chicago 
Audio files: 16
  | 
 Posted: Sat Dec 15, 2018 10:45 pm    Post subject:
 | 
       | 
 
 
  | 
 
 	  | AlanP wrote: | 	 		  Still need to order a few components, but almost done   | 	  
 
 
Thumbs Up! | 
 
  | 
| 
Back to top
 | 
 | 
 
  | 
 
elmegil
 
  
  Joined: Mar 20, 2012 Posts: 2179 Location: Chicago 
Audio files: 16
  | 
 Posted: Fri Apr 12, 2019 11:54 pm    Post subject:
 | 
       | 
 
 
  | 
 
Ok.....
 
 
I got the panel PCB today.
 
 
It's built, hooked up, the appendage is attached via a chunk of stripboard & a jack, the softpot and the stripboard anchored on a chunk of oak....
 
 
I'm at Step 7 of the calibration, the external input.
 
 
I've triple checked that I have it set up as it says, and I am at 
 
 
"Connect the positive lead of the DMM to TP1. Set the DMM to the very lowest range, and, while applying pressure to any point on the ribbon, measure the voltage present at TP1. Record that voltage here:
 
 
 (note: this will be an extremely low voltage, in the low millivolts if it is present at all. Be sure to record the sign (if it is a positive or negative voltage)."
 
 
 
Except it's not
 
 
It's exactly the same voltage I would be seeing in "normal" mode.  If I hit about the middle of the ribbon, it's about 5V.
 
 
I really don't grok this mode anyway.  I'm trying to figure out what I'm doing wrong.
 
 
The other settings not mentioned in the setup are: ribbon mode is voltage, not current.  Trigger mode is single.  Input select is "ribbon".... hm.....
 
 
Switched it to sample and now it's "extremely low", -8.4mV.  So perhaps the instructions omit that setting? | 
 
  | 
| 
Back to top
 | 
 | 
 
  | 
 
State Machine
 
Janitor
  
  
  Joined: Apr 17, 2006 Posts: 2810 Location: New York 
Audio files: 24
  | 
 Posted: Wed May 15, 2019 8:56 am    Post subject:
 | 
       | 
 
 
  | 
 
 	  | Quote: | 	 		  Ok..... 
 
 
I got the panel PCB today. 
 
 
It's built, hooked up, the appendage is attached via a chunk of stripboard & a jack, the softpot and the stripboard anchored on a chunk of oak.... 
 
 
I'm at Step 7 of the calibration, the external input. 
 
 
I've triple checked that I have it set up as it says, and I am at 
 
 
"Connect the positive lead of the DMM to TP1. Set the DMM to the very lowest range, and, while applying pressure to any point on the ribbon, measure the voltage present at TP1. Record that voltage here: 
 
 
(note: this will be an extremely low voltage, in the low millivolts if it is present at all. Be sure to record the sign (if it is a positive or negative voltage)." 
 
 
 
Except it's not 
 
 
It's exactly the same voltage I would be seeing in "normal" mode. If I hit about the middle of the ribbon, it's about 5V. 
 
 
I really don't grok this mode anyway. I'm trying to figure out what I'm doing wrong. 
 
 
The other settings not mentioned in the setup are: ribbon mode is voltage, not current. Trigger mode is single. Input select is "ribbon".... hm..... 
 
 
Switched it to sample and now it's "extremely low", -8.4mV. So perhaps the instructions omit that setting? | 	  
 
 
Sorry I missed this, is this still an issue? I can help if you need. I just saw your post. 
 
 
Bill | 
 
  | 
| 
Back to top
 | 
 | 
 
  | 
 
elmegil
 
  
  Joined: Mar 20, 2012 Posts: 2179 Location: Chicago 
Audio files: 16
  | 
 Posted: Wed May 15, 2019 9:34 am    Post subject:
 | 
       | 
 
 
  | 
 
| I did muddle my way through it and have used the appendage very happily since.  However I don't recall what I had wrong either :/ | 
 
  | 
| 
Back to top
 | 
 | 
 
  | 
 
Psynth
 
 
  Joined: Jul 18, 2018 Posts: 34 Location: UK 
Audio files: 8
  | 
 Posted: Mon May 27, 2019 1:57 pm    Post subject:
 | 
       | 
 
 
  | 
 
Update on my post of a few months ago. Finally got my synth up in the new house. A couple of modules didn't work - had to swap out two chips (why being moved caused them not to work??). And the appendage.... now appears to work just fine. The problem I reported has just gone away. Absolutely no idea why, the only thing I can think of it is now inside the house rather than in a shed. Was warm enough last September, but perhaps damper, causing some leakage currents, maybe just enough to make the 4081 struggle....So perhaps not the heat from the hot air gun making it work, but the drying effect? 
 
 
 
Anyway, it is now working! 
 
 
 
Peter | 
 
  | 
| 
Back to top
 | 
 | 
 
  | 
 
State Machine
 
Janitor
  
  
  Joined: Apr 17, 2006 Posts: 2810 Location: New York 
Audio files: 24
  | 
 Posted: Thu Nov 28, 2019 10:12 am    Post subject:
 | 
       | 
 
 
  | 
 
Glad the Ribbon controllers are working for you guys ! Have not been here in a while so decided to check. However I am still very active but just not as publicly. I do miss the interaction and will make efforts to be in the forum much more. Have fun guys !!
 
 
Bill | 
 
  | 
| 
Back to top
 | 
 | 
 
  | 
 
armandhammer
 
 
  Joined: May 31, 2021 Posts: 1 Location: Interwebs
  | 
 Posted: Mon May 31, 2021 5:46 am    Post subject:
Stuck on two calibrations | 
       | 
 
 
  | 
 
I hope someone is still monitoring this thread, because I'm stuck on 1 of the calibrations. I'm using the 2011 PCB with the June 2018 Euro Adapter PCB. I checked continuity between the boards, everything is fine, and all my solder joints look good...
 
 
4. Voltage Mode TFS Range Calibration
 
 
Step 5: Adjust VR6 to ~-5V, no problem.
 
 
Step 7: VR7 can only be adjusted to exactly 0.00V with the trimmer maxed out (full CCW). It won't go higher than 0V (but will go to -265 millivolts at full CW). Is this okay? The instructions mention 0.0 - 1.0V.
 
 
PROBLEM SOLVED??? I ignored trying to set VR7 to 0.0-1.0V, and just left it at a mid-range resistance level. Once I did that, all the subsequent steps completed with no issues. I'm not sure why VR7/R33 is measuring -3 millivolt for me instead of a positive voltage, but eh... seems to work.
 
 
Step 9. Adjusting VR6 doesn't change voltage at TP2. I measure 6.6 millivolts at TP2. Pressing on the ribbon has no effect, thus I cannot proceed with this calibration. Is there possibly a typo, or something that I'm not understanding correctly? I did all the other calibrations without any issues.
 
 
 
One thing that's possibly related: When I did the same calibration for Current TFS, I didn't ever get 0.5-1.0V at R89 (It was always around 20 millivolt), but otherwise the calibration for the 0V and 10V extremes of the ribbon went fine anyway with VR8. I couldn't figure out why VR8 wouldn't give me 0.5-1.0V at R89. And TFS seems to work in Current mode. But I do notice that both Current and Voltage mode of TFS use the TL074 at U20. I swapped it for another TL074, but I still have problems.
 
 
 
7. Sample Input Unity Gain Adjustment -- I was originally confused here, but then I figured out that I had to flip the Input Switch to "Sample" (right?).
 
 
All other calibrations went as expected.
 
 
Thanks!   | 
 
  | 
| 
Back to top
 | 
 | 
 
  | 
 
sixbyseven
 
  
  Joined: Jan 28, 2016 Posts: 26 Location: hamilton, Ontario
  | 
 Posted: Sat Mar 25, 2023 11:05 am    Post subject:
Appendage: Calibration issue | 
       | 
 
 
  | 
 
Hi there, I started building the Appendage about 6 years ago, had to put it down for a bit. But picked this up a couple months back. I know this is digging up stuff on an old thread, but like film, analog synths are not dead.
 
 
Everything seems to work, I have it configured for 10V (not 5V Euro). I am able to configure steps 1, 2 and part of 3 (1-  as per the build guide.
 
 
However, for step 3, part 9. 
 
 
"While applying pressure to the lowest portion of the ribbon as possible, observe the DMM display:
 
9A. If the voltage is not a negative voltage, adjust VR2 until you observe the
 
reading go to a small amount of negative voltage just under 0V on the DMM.
 
9B. After observing a negative voltage, adjust VR2 until the voltage just changes
 
over to 0V on the DMM.
 
10. While applying pressure to the highest portion of the ribbon as possible, observe the
 
DMM display. Adjust VR3 for a reading of 10V on the DMM.
 
11. The adjustment between VR2 and VR3 is interactive, so the voltages will need to be
 
“balanced out”. Repeat steps 7 and 8 until pressure on the lowest portion of the ribbon generates 0V and pressure at the highest point of the ribbon generates 10V."
 
 
I am never able to obtain a positive voltage. The best I can do is -1.27v to -7.7V from the lower end of the softpot to the high end.
 
 
I am using a 750mm 20K softpot. I have been fiddling with this for days and it will only stay with the negative voltage. 
 
 
 
Any Ideas where I messed up? _________________ Young enough to enjoy techno, old enough to remember a Z80 and tiny-C. | 
 
  | 
| 
Back to top
 | 
 | 
 
  | 
 
elmegil
 
  
  Joined: Mar 20, 2012 Posts: 2179 Location: Chicago 
Audio files: 16
  | 
 Posted: Sat Mar 25, 2023 6:32 pm    Post subject:
 | 
       | 
 
 
  | 
 
A couple starting points.
 
 
You say "not Euro 5V" but not what your actual supply voltage is.  If it's 12V,
 
the 78L10 is awfully close to the +12V rail.  Are you getting a good solid 10V?  Or is it more like 9.6 or 9.8?
 
 
 
Are you sure you're using voltage mode and not current mode?  (You don't say anything about whther you're using the panel PCB, in which case it's possible you have the switch backwards?)
 
 
So Step 5 and Step 7 you get the specified voltages?
 
 
Meausre at U19 pin 1 and see if you're getting as much swing as you think from VR 2 -- it should be about 6V, which it sounds like you're getting.
 
 
What are the voltages from the ribbon itself directly at the top and bottom, measure U13 pin 8.
 
 
In theory your ribbon should be measuring from not quite 10V (or whatever your voltage from the regulator is) to somewhere not too far under 2V.
 
 
is R117 correct (330K)?
 
 
The other thing that seems weird about the voltages you're reporting ...
 
 
U19A is summing the positive voltage from the ribbon, with a negative voltage from VR2 and then inverting them.  If you're getting the expected ~1.9V from the bottom position of the ribbon, there should be *no way* that your output voltage could go more negative than that, because VR2 is supposed to swing between ground and the -rail, and the divided by 3 (the 330K resistor, with 100K feedback resistor) and inverted.  The VR2 component should be (at the output of U19A) 0 -> +4V or +5V depending on which supply values you're using.
 
 
Stupid question: do you have the bottom and the top of the ribbon mis-identified?  Maybe the ribbon is mis-wired to reverse them, or maybe you have top/tap/bottom wired wrong in some other way? | 
 
  | 
| 
Back to top
 | 
 | 
 
  | 
 
Benjamin AM
 
  
  Joined: Nov 04, 2010 Posts: 83 Location: Boise
  | 
 Posted: Sat Mar 25, 2023 6:45 pm    Post subject:
 | 
       | 
 
 
  | 
 
| It seems to me that your Ribbon Mode switch is in the wrong position. | 
 
  | 
| 
Back to top
 | 
 | 
 
  | 
 
sixbyseven
 
  
  Joined: Jan 28, 2016 Posts: 26 Location: hamilton, Ontario
  | 
 Posted: Sun Mar 26, 2023 9:57 am    Post subject:
Appendage Calibration, Step 3 | 
       | 
 
 
  | 
 
Wow! Thank you or the assistance.
 
 
My answers are listed under each question.
 
 
Q: You say "not Euro 5V" but not what your actual supply voltage is. If it's 12V, 
 
the 78L10 is awfully close to the +12V rail. Are you getting a good solid 10V? Or is it more like 9.6 or 9.8? 
 
 
A: The 78L10 output is 9.99V
 
I am using a linear AC-DC +/-12V power supply, providing 1.5A (max) per rail. Wall wort is AC and rated for 2500mA
 
 
 
Q: Are you sure you're using voltage mode and not current mode? (You don't say anything about whther you're using the panel PCB, in which case it's possible you have the switch backwards?) 
 
 
A: I am using a hand wired DIY box.
 
- When mode switch is closed (current mode) R37, U21-9-10-11 have continuity to ground. When switch is open (voltage mode), voltage at R37 is 12.03V  , U21-9-10-11 is 12.03V
 
 
 
Q: So Step 5 and Step 7 you get the specified voltages? 
 
 
A: Step 3-5, I have adjusted to -4.77V
 
Step 3-7, I have adjusted to +0.600V
 
 
Q: Meausre at U19 pin 1 and see if you're getting as much swing as you think from VR 2 -- it should be about 6V, which it sounds like you're getting. 
 
 
A: VR02, set to the furthest extent clockwise, U19-1 is 0.00V
 
VR02, set to the furthest extent counter-clockwise, U19-1 is 3.57V Max!
 
 
Then I recalibrated All steps back to Step 3-7 as follows:
 
 
Step 1, voltage at R34 in voltage mode: 1.475 V, at R34 in Current mode: adjusted up to 1.475V
 
 
Step 2, Gate set at low and high end of softpot with voltage at 10.46V
 
 
Step 3-5: adjusted again to -4.751V
 
Step 3-7, adjusted again to +0.607V
 
 
 
Q: What are the voltages from the ribbon itself directly at the top and bottom, measure U13 pin 8. 
 
U13-8 A: press Top = 1.485V
 
press Bottom (where the connection is) = 8.03V
 
 
 
Q: In theory your ribbon should be measuring from not quite 10V (or whatever your voltage from the regulator is) to somewhere not too far under 2V. 
 
 
is R117 correct (330K)? 
 
A: Yes.... Orange, Orange, Black, Orange Brown
 
 
 
Q: The other thing that seems weird about the voltages you're reporting ... 
 
 
U19A is summing the positive voltage from the ribbon, with a negative voltage from VR2 and then inverting them. If you're getting the expected ~1.9V from the bottom position of the ribbon, there should be *no way* that your output voltage could go more negative than that, because VR2 is supposed to swing between ground and the -rail, and the divided by 3 (the 330K resistor, with 100K feedback resistor) and inverted. The VR2 component should be (at the output of U19A) 0 -> +4V or +5V depending on which supply values you're using. 
 
 
Note: Calibration not completed beyond step 3-8
 
 
A: voltages on U19
 
U19-2 = 0V
 
U19-1 = Idle = 1.438V, press ribbon top = -0.047v, press ribbon bottom = -6.57V
 
U19-6 = 0V
 
U19-7 = Idle = -0.082V, press ribbon top = 0.013v, press ribbon bottom = 8.96V
 
 
Other voltages:
 
U21-4 = Idle = -0.081V, press ribbon top = -0.014v, press ribbon bottom = 8.96V
 
U21-14 = Idle = 8.09V, press ribbon top = 8.09V, press ribbon bottom = 8.09V
 
U21-15 = Idle = -0.001V, press ribbon top = 0.003v, press ribbon bottom = 0.003V ***** Does not seem right *****
 
 
U13-1 = Idle = 1.4751V, press ribbon top = 1.483v, press ribbon bottom = 1.483V
 
U13-3 = Idle = 1.4751V, press ribbon top = 1.483v, press ribbon bottom = 1.483V
 
 
 
U13-10 = Idle = 0.002V, press ribbon top = 1.504v, press ribbon bottom = 8.03V
 
 
 
U13-14 = Idle = 8.10V, press ribbon top = 8.09v, press ribbon bottom = 8.08V
 
 
U13-7 = Idle = 0.024V, press ribbon top = 0.032v, press ribbon bottom = 0.034V
 
 
U20-1 = Idle = -0.025V, press ribbon top = 0.03v, press ribbon bottom = 0.03V
 
 
U20-14 = Idle = -0.026V, press ribbon top = 0.034v, press ribbon bottom = 0.049V
 
 
U20-7 = Idle = 0.001V, press ribbon top = 0.006v, press ribbon bottom = 0.009V
 
 
 
Q: Stupid question: do you have the bottom and the top of the ribbon mis-identified? Maybe the ribbon is mis-wired to reverse them, or maybe you have top/tap/bottom wired wrong in some other way?
 
A: I thought of this at first (because mistakes I make are usually stupid ones  , then tried reversing at the softpot connector. All it did was reverse voltages top to bottom. Pulled the entire thing up and retested from the PCB, through the Jack and trough the softpot. Wired correctly. No change. _________________ Young enough to enjoy techno, old enough to remember a Z80 and tiny-C. | 
 
  | 
| 
Back to top
 | 
 | 
 
  | 
 
elmegil
 
  
  Joined: Mar 20, 2012 Posts: 2179 Location: Chicago 
Audio files: 16
  | 
 Posted: Sun Mar 26, 2023 10:19 am    Post subject:
Re: Appendage Calibration, Step 3 | 
       | 
 
 
  | 
 
 	  | sixbyseven wrote: | 	 		  Wow! Thank you or the assistance.
 
Q: What are the voltages from the ribbon itself directly at the top and bottom, measure U13 pin 8. 
 
U13-8 A: press Top = 1.485V
 
press Bottom (where the connection is) = 8.03V
 
 | 	  
 
 
You have your top and bottom backwards.    The 1.485V is the bottom.
 
 
 
 	  | Quote: | 	 		  
 
Q: Stupid question: do you have the bottom and the top of the ribbon mis-identified? Maybe the ribbon is mis-wired to reverse them, or maybe you have top/tap/bottom wired wrong in some other way?
 
A: I thought of this at first (because mistakes I make are usually stupid ones  , then tried reversing at the softpot connector. All it did was reverse voltages top to bottom. Pulled the entire thing up and retested from the PCB, through the Jack and trough the softpot. Wired correctly. No change. | 	  
 
 
 
YES it is SUPPOSED to reverse voltages top to bottom.  You need to press the 1.485V end (whichever it might be) in order to calibrate. | 
 
  | 
| 
Back to top
 | 
 | 
 
  | 
 
sixbyseven
 
  
  Joined: Jan 28, 2016 Posts: 26 Location: hamilton, Ontario
  | 
 Posted: Sun Mar 26, 2023 10:54 am    Post subject:
Just to clarify.. Edited | 
       | 
 
 
  | 
 
Edited.
 
 
I was getting -1.186 at the bottom and -7.29 at the top measured at TP1. 
 
 
I traced the circuit from "SH Scale" flag on page 2of8 through to U14-7 where I am getting 0 through 5V, top to bottom. But -6.08V to -0.996 top to bottom on U14-10.
 
 
Then I realized the glide pot was all the way up, I then rotated it to minimum and now I get 0V to 4.675V top to bottom at TP1
 
 
I can't get the voltage higher than 4.743V no matter how far I adjust VR3
 
 
Weirder yet, is that it is acting more like a logarithmic pot, even though it is linear (tested). I can move from bottom to 3/4 of the way up the softpot until the voltage breaks below 4 V.
 
 
Question: Should the glide pot have that much effect to send this to -7V when fully turned up?
 
 
wondering if Q6 (MPF102) is messed up _________________ Young enough to enjoy techno, old enough to remember a Z80 and tiny-C. | 
 
  | 
| 
Back to top
 | 
 | 
 
  | 
 
Benjamin AM
 
  
  Joined: Nov 04, 2010 Posts: 83 Location: Boise
  | 
 | 
| 
Back to top
 | 
 | 
 
  | 
 
 |